Республика Беларусь,
г. Минск, ул. Селицкого 21к - центральный склад
Пн-пт с 8:00 до 17:00
Меню
5336-3506187-01 Шланг БААЗ,Барановичи
Наименование: Шланг БААЗ,Барановичи
Каталожный номер: 5336-3506187-01
Код товара: 5336350618701
Доставка: по всей Беларуси
Остаток: под заказ 1-45 дней

Нашли не точность в описании товара? сообщить администратору.

+375 (44) 770-80-78 +375 (29) 747-80-78
* Выставить счет, получить техническую информацию и стоимость
Заказать деталь Онлайн
Описание
Наличие на филиалах
Применяемость
Заменить на СТО

5336-3506187-01 Шланг.

  • Производитель: БААЗ,Барановичи
  • Каталожный номер по заводу: 5336-3506187-01
  • Код для заказа:  5336350618701
Марка Модель Кат.номер Наим. по каталогу Чертеж
МАЗ МАЗ-53363 5336-3506187-01 Шланг к клапану четырехконтурному Схема тормозного привода автомобилей МАЗ-53363, МАЗ-53366 без АБС Чертеж Схема тормозного привода автомобилей МАЗ-53363, МАЗ-53366 без АБС
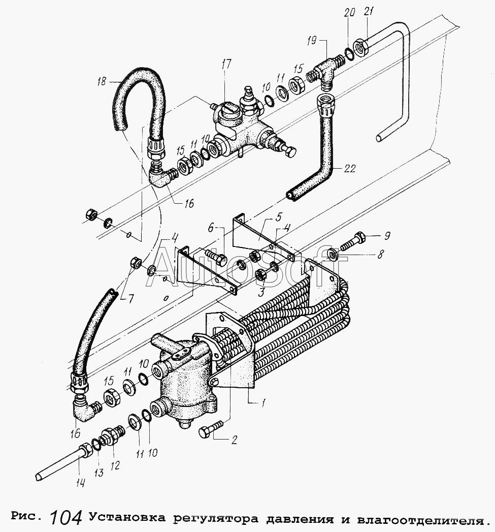
МАЗ МАЗ-53363 5336-3506187-01 Шланг к клапану четырехконтурному Установка регулятора давления и влагоотделителя
МАЗ МАЗ-53363 5336-3506187-01 Шланг к клапану четырехконтурному Схема тормозного привода автомобиля МАЗ-6303 с АБС Чертеж Схема тормозного привода автомобиля МАЗ-6303 с АБС
МАЗ МАЗ-53366 5336-3506187-01 Шланг к клапану четырехконтурному Схема тормозного привода автомобилей МАЗ-53363, МАЗ-53366 без АБС Чертеж Схема тормозного привода автомобилей МАЗ-53363, МАЗ-53366 без АБС
МАЗ МАЗ-53366 5336-3506187-01 Шланг к клапану четырехконтурному Установка регулятора давления и влагоотделителя Чертеж Установка регулятора давления и влагоотделителя
МАЗ МАЗ-53366 5336-3506187-01 Шланг к клапану четырехконтурному Схема тормозного привода автомобиля МАЗ-6303 с АБС
МАЗ МАЗ-5337 5336-3506187-01 Шланг к клапану четырехконтурному Схема тормозного привода автомобиля МАЗ-5337 Чертеж Схема тормозного привода автомобиля МАЗ-5337
МАЗ МАЗ-5337 5336-3506187-01 Шланг к клапану четырехконтурному Установка регулятора давления и влагоотделителя
МАЗ МАЗ-53371 5336-3506187-01 Шланг к клапану четырехконтурному Схема тормозного привода автомобиля МАЗ-64229 Чертеж Схема тормозного привода автомобиля МАЗ-64229
МАЗ МАЗ-53371 5336-3506187-01 Шланг к клапану четырехконтурному Схема тормозного привода автомобиля МАЗ-53371
МАЗ МАЗ-53371 5336-3506187-01 Шланг к клапану четырехконтурному Установка регулятора давления и влагоотделителя Чертеж Установка регулятора давления и влагоотделителя
МАЗ МАЗ-54323 5336-3506187-01 Шланг к клапану четырехконтурному Схема тормозного привода автомобиля МАЗ-54323
МАЗ МАЗ-54323 5336-3506187-01 Шланг к клапану четырехконтурному Установка регулятора давления и влагоотделителя
МАЗ МАЗ-54328 5336-3506187-02 Шланг Трубопроводы и шланги к передним ресиверам и тормозным аппаратам МАЗ-64229 Чертеж Трубопроводы и шланги к передним ресиверам и тормозным аппаратам МАЗ-64229
МАЗ МАЗ-54328 5336-3506187-01 Шланг к клапану четырехконтурному Трубопроводы и шланги к передним ресиверам и тормозным аппаратам МАЗ-64229 Чертеж Трубопроводы и шланги к передним ресиверам и тормозным аппаратам МАЗ-64229
МАЗ МАЗ-5433 5336-3506187-01 Шланг к клапану четырехконтурному Система тормозная МАЗ-5551 Чертеж Система тормозная МАЗ-5551
МАЗ МАЗ-5434 5336-3506187-01 Шланг к клапану четырехконтурному Схема тормозного привода автомобиля МАЗ-5434
МАЗ МАЗ-5434 5336-3506187-01 Шланг к клапану четырехконтурному Установка регулятора давления, влагоотделителя и предохранителя против замерзания Чертеж Установка регулятора давления, влагоотделителя и предохранителя против замерзания
МАЗ МАЗ-5434 5336-3506187-01 Шланг к клапану четырехконтурному Установка тормозного крана, клапана управления и четырехконтурного клапана
МАЗ МАЗ-5434 5336-3506187-01 Шланг к клапану четырехконтурному Присоединительная арматура к ресиверам МАЗ-5434 Чертеж Присоединительная арматура к ресиверам МАЗ-5434
Аналоги
Шланг 5336-3506187-01 ресивера (L=355мм) ГА 5336-3506187-01
Шланг 5336-3506187-01 ресивера (L=355мм) ГА
Каталожный номер 5336-3506187-01
Производитель ГарантАвто ГарантАвто
Код 00-ГР021760
Доставка по всей Беларуси
Доступность остатки на филиалах Остатки на филиалах
Остаток: г.Минск, ул.Селицкого 21к В наличии
Склад Адрес Контакт Остатки
г. Минск ул. Бабушкина, 37 +375 (29) 632-00-82 ( Средне )
Схема проезда
г. Минск ул. Селицкого, 21к +375 (44) 770-80-78 ( Много )
Схема проезда
г. Барановичи ул. Пролетарская, 40 +375 (29) 795-96-37 ( Средне )
Схема проезда
г. Бобруйск ул. Орловского, 22к3 +375 (29) 345-37-07 ( Средне )
Схема проезда
г. Витебск ул. Правды, 33 +375 (44) 770-80-87 ( Мало )
Схема проезда
г. Глубокое ул. Энгельса, 22 +375 (44) 505-71-40 ( Средне )
Схема проезда
г. Гомель ул. Барыкина, 291Б +375 (44) 514-15-30 ( Мало )
Схема проезда
г. Дятлово ул. Советская ,104 +375 (29) 187-87-37 ( Средне )
Схема проезда
г. Житковичи ул. Комсомольская, 49 +375 (29) 394-82-52 ( Мало )
Схема проезда
г. Ивацевичи ул. Загородная, 6А +375 (29) 188-59-01 ( Средне )
Схема проезда
г. Кобрин ул. Пролетарская, 177А +375 (44) 588-10-80 ( Мало )
Схема проезда
г. Лепель ул. Лобанка, 43 +375 (44) 778-65-21 ( Средне )
Схема проезда
г. Молодечно ул. Галицкого, 14 +375 (44) 567-28-47 ( Мало )
Схема проезда
г. Осиповичи ул. Короткая, 11 +375 (29) 165-60-07 ( Средне )
Схема проезда
г. Ошмяны ул. Льнозоводская 3 +375 (44) 770-80-91 ( Мало )
Схема проезда
г. Петриков ул. Первомайская, 124 +375 (33) 660-06-75 ( Средне )
Схема проезда
г. Полоцк-2 ул. Шенягина, 52 +375 (29) 302-94-73 ( Средне )
Схема проезда
г. Слоним ул. Советская, 93а +375 (29) 394-82-01 ( Мало )
Схема проезда
г. Сморгонь ул. Железнодорожная, 32 +375 (29) 671-02-10 ( Средне )
Схема проезда
Фара противотуманная, Освар,Вязники, РФ 5336-3506187-01
Фара противотуманная, Освар,Вязники, РФ
Каталожный номер 5336-3506187-01
Производитель МАЗ МАЗ
Код 244
Доставка по всей Беларуси
Остаток: г.Минск, ул.Селицкого 21к Под заказ
Склад Адрес Контакт Остатки
г. Минск ул. Селицкого, 21к +375 (44) 770-80-78 ( Много )
Схема проезда
г. Барановичи ул. Бадака, 27Б +375 (29) 350-33-47 ( Мало )
Схема проезда
г. Бобруйск ул. Орловского, 22к3 +375 (29) 345-37-07 ( Средне )
Схема проезда
г. Борисов ул. Демина, 2а +375 (44) 560-99-75 ( Много )
Схема проезда
г. Брест Тельминский с/с, 1Д/1, 1 км южнее д. Тельмы-2 +375 (44) 599-90-75 ( Средне )
Схема проезда
г. Гомель ул. Барыкина, 291Б +375 (44) 514-15-30 ( Средне )
Схема проезда
г. Дрогичин ул. Юбилейная, 42 +375 (29) 682-17-13 ( Средне )
Схема проезда
г. Кобрин ул. Пролетарская, 177А +375 (44) 588-10-80 ( Средне )
Схема проезда
г. Новогрудок ул. Индустриальная, 3 +375 (44) 729-39-19 ( Мало )
Схема проезда
г. Осиповичи ул. Короткая, 11 +375 (29) 165-60-07 ( Средне )
Схема проезда
г. Пинск ул. Калиновского 32 +375 (44) 560-99-59 ( Средне )
Схема проезда
г. Полоцк-2 ул. Шенягина, 52 +375 (29) 302-94-73 ( Средне )
Схема проезда
г. Слуцк ул. Тутаринова, 8 +375 (29) 346-06-90 ( Мало )
Схема проезда
г. Столин ул. Быковского, 29 +375 (33) 304-54-36 ( Средне )
Схема проезда
Шланг  водоотделителя L-355мм М22х1.5 5336-3506187-01
Шланг водоотделителя L-355мм М22х1.5
Каталожный номер 5336-3506187-01
Производитель МАЗ МАЗ
Код 244
Доставка по всей Беларуси
Доступность остатки на филиалах Остатки на филиалах
Остаток Под заказ
Товары из этой категории
Скоба  МАЗ ОАО 101-3414020
Скоба МАЗ ОАО
Каталожный номер 101-3414020
Производитель
Код 1013414020
Доставка по всей Беларуси
Остаток Под заказ
Стремянка  МАЗ ОАО 509-2912408
Стремянка МАЗ ОАО
Каталожный номер 509-2912408
Производитель
Код 5092912408
Доставка по всей Беларуси
Остаток Под заказ
Штанга реактивная  МАЗ ОАО 64221-5001864
Штанга реактивная МАЗ ОАО
Каталожный номер 64221-5001864
Производитель
Код 642215001864
Доставка по всей Беларуси
Остаток Под заказ
Датчик сигн.засор. возд.фильтра ДСФ-45  Экран,Борисов АДЮИ.406422.001
Датчик сигн.засор. возд.фильтра ДСФ-45 Экран,Борисов
Каталожный номер АДЮИ.406422.001
Производитель
Код АДЮИ406422001
Доставка по всей Беларуси
Остаток Под заказ
Кронштейн нижний  МАЗ ОАО 5551-8403031
Кронштейн нижний МАЗ ОАО
Каталожный номер 5551-8403031
Производитель
Код 55518403031
Доставка по всей Беларуси
Остаток Под заказ