Республика Беларусь,
г. Минск, ул. Селицкого 21к - центральный склад
Пн-пт с 8:00 до 17:00
Меню
6303-3513015-10 Ресивер 40 л. КММЗ
Наименование: Ресивер 6303-3513015-10 40 л. КММЗ
Каталожный номер: 6303-3513015-10
Производитель: КММЗ
Код товара: 1032
Доставка: по всей Беларуси
Остаток: в наличии

Нашли не точность в описании товара? сообщить администратору.

+375 (44) 770-80-78 +375 (29) 747-80-78
* Выставить счет, получить техническую информацию и стоимость
Заказать деталь Онлайн
Описание
Наличие на филиалах
Применяемость
Заменить на СТО

БС вес: 7,85 на 10.03.2020

Ресивер А-40-280 6303-3513015-10 воздушный баллон для тормозной системы МАЗ объемом 40л. Ресивер 6303-3513015-10

Код для заказа: 1032

Марка Модель Кат.номер Наим. по каталогу Чертеж
МАЗ МАЗ-53363 6303-3513015-10 Ресивер Схема тормозного привода автомобилей МАЗ-53363, МАЗ-53366 без АБС Чертеж Схема тормозного привода автомобилей МАЗ-53363, МАЗ-53366 без АБС
МАЗ МАЗ-53363 6303-3513015 Ресивер А40-280 Схема тормозного привода автомобиля МАЗ-6303 без АБС Чертеж Схема тормозного привода автомобиля МАЗ-6303 без АБС
МАЗ МАЗ-53363 5336-3513015 Ресивер Схема тормозного привода автомобиля МАЗ-6303 без АБС Чертеж Схема тормозного привода автомобиля МАЗ-6303 без АБС
МАЗ МАЗ-53363 6303-3513015-10 Ресивер Схема тормозного привода автомобиля МАЗ-53366 с АБС Чертеж Схема тормозного привода автомобиля МАЗ-53366 с АБС
МАЗ МАЗ-53363 6303-3513015 Ресивер А40-280 Схема тормозного привода автомобиля МАЗ-6303 с АБС Чертеж Схема тормозного привода автомобиля МАЗ-6303 с АБС
МАЗ МАЗ-53363 5336-3513015 Ресивер Схема тормозного привода автомобиля МАЗ-6303 с АБС Чертеж Схема тормозного привода автомобиля МАЗ-6303 с АБС
МАЗ МАЗ-53363 6303-3513015-10 Ресивер Крепление ресивером с АБС
МАЗ МАЗ-53366 6303-3513015-10 Ресивер Схема тормозного привода автомобилей МАЗ-53363, МАЗ-53366 без АБС Чертеж Схема тормозного привода автомобилей МАЗ-53363, МАЗ-53366 без АБС
МАЗ МАЗ-53366 6303-3513015 Ресивер А40-280 Схема тормозного привода автомобиля МАЗ-6303 без АБС Чертеж Схема тормозного привода автомобиля МАЗ-6303 без АБС
МАЗ МАЗ-53366 5336-3513015 Ресивер Схема тормозного привода автомобиля МАЗ-6303 без АБС Чертеж Схема тормозного привода автомобиля МАЗ-6303 без АБС
МАЗ МАЗ-53366 6303-3513015-10 Ресивер Схема тормозного привода автомобиля МАЗ-53366 с АБС Чертеж Схема тормозного привода автомобиля МАЗ-53366 с АБС
МАЗ МАЗ-53366 6303-3513015 Ресивер А40-280 Схема тормозного привода автомобиля МАЗ-6303 с АБС
МАЗ МАЗ-53366 5336-3513015 Ресивер Схема тормозного привода автомобиля МАЗ-6303 с АБС
МАЗ МАЗ-53366 6303-3513015-10 Ресивер Крепление ресивером с АБС Чертеж Крепление ресивером с АБС
МАЗ МАЗ-5337 6303-3513015-10 Ресивер Схема тормозного привода автомобиля МАЗ-5337 Чертеж Схема тормозного привода автомобиля МАЗ-5337
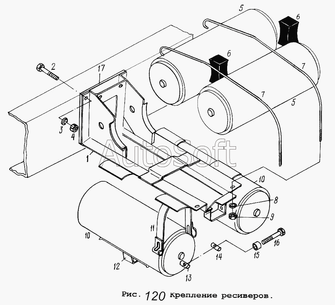
МАЗ МАЗ-5337 6303-3513015-10 Ресивер Крепление ресиверов
МАЗ МАЗ-5337 6303-3513015-10 Ресивер Крепление ресиверов Чертеж Крепление ресиверов
МАЗ МАЗ-5337 6303-3513015-10 Ресивер Присоединительная арматура к ресиверам Чертеж Присоединительная арматура к ресиверам
МАЗ МАЗ-5337 6303-3513015-10 Ресивер Крепление ресиверов Чертеж Крепление ресиверов
МАЗ МАЗ-5337 6303-3513015-10 Ресивер Присоединительная арматура к ресиверам
Склад Адрес Контакт Остатки
г. Минск ул. Селицкого, 21к +375 (44) 770-80-78 ( Много )
Схема проезда
г. Барановичи ул. Пролетарская, 40 +375 (29) 795-96-37 ( Средне )
Схема проезда
г. Барановичи ул. Бадака, 27Б +375 (29) 350-33-47 ( Средне )
Схема проезда
г. Березино ул. Комсомольская, д. 24 +375 (44) 770-80-17 ( Мало )
Схема проезда
г. Берёза ул. Красноармейская, 89/11 +375 (29) 676-70-71 ( Мало )
Схема проезда
г. Бобруйск ул. Гоголя, 181/1-6 +375 (29) 630-05-01 ( Средне )
Схема проезда
г. Бобруйск ул. Орловского, 22к3 +375 (29) 345-37-07 ( Мало )
Схема проезда
г. Брест Тельминский с/с, 1Д/1, 1 км южнее д. Тельмы-2 +375 (44) 599-90-75 ( Средне )
Схема проезда
г. Витебск ул. Правды, 33 +375 (44) 770-80-87 ( Средне )
Схема проезда
г. Витебск ул. Петруся Бровки, 34 +375 (29) 636-25-08 ( Средне )
Схема проезда
г. Глубокое ул. Энгельса, 22 +375 (44) 505-71-40 ( Средне )
Схема проезда
г. Гомель ул. Барыкина, 291Б +375 (44) 514-15-30 ( Средне )
Схема проезда
г. Горки ул.Мира, д.51а/1 +375 (44) 565-33-61 ( Средне )
Схема проезда
г. Гродно ул. Карского, 35 +375 (44) 770-70-21 ( Средне )
Схема проезда
г. Дятлово ул. Советская ,104 +375 (29) 187-87-37 ( Средне )
Схема проезда
г. Житковичи ул. Комсомольская, 49 +375 (29) 394-82-52 ( Мало )
Схема проезда
г. Ивацевичи ул. Загородная, 6А +375 (29) 188-59-01 ( Средне )
Схема проезда
г. Кобрин ул. Пролетарская, 177А +375 (44) 588-10-80 ( Средне )
Схема проезда
г. Кричев ул. Комсомольская, 126 +375 (29) 628-88-42 ( Мало )
Схема проезда
г. Лельчицы ул. Советская, д.96/1 +375 (29) 346-98-96 ( Средне )
Схема проезда
г. Лепель ул. Лобанка, 43 +375 (44) 778-65-21 ( Средне )
Схема проезда
г. Лунинец ул.Красная, 175а +375 (44) 721-46-74 ( Средне )
Схема проезда
г. Могилев ул. Габровская 11Б +375 (29) 662-02-16 ( Средне )
Схема проезда
г. Мозырь промузел Козенки +375 (44) 731-94-60 ( Мало )
Схема проезда
г. Молодечно ул. Галицкого, 14 +375 (44) 567-28-47 ( Средне )
Схема проезда
г. Несвиж ул. Кутузова, 2 +375 (29) 394-82-48 ( Средне )
Схема проезда
г. Новогрудок ул. Индустриальная, 3 +375 (44) 729-39-19 ( Средне )
Схема проезда
г. Орша ул. Сергея Кирова, д. 34 +375 (44) 583-91-42 ( Мало )
Схема проезда
г. Осиповичи ул. Короткая, 11 +375 (29) 165-60-07 ( Мало )
Схема проезда
г. Ошмяны ул. Льнозоводская 3 +375 (44) 770-80-91 ( Средне )
Схема проезда
г. Петриков ул. Первомайская, 124 +375 (33) 660-06-75 ( Средне )
Схема проезда
г. Пинск ул. Калиновского 32 +375 (44) 560-99-59 ( Средне )
Схема проезда
г. Полоцк-2 ул. Шенягина, 52 +375 (29) 302-94-73 ( Мало )
Схема проезда
г. Полоцк-2 ул. Шенягина, 52 +375 (29) 302-94-73 ( Средне )
Схема проезда
г. Полоцк-2 ул. Шенягина, 52 +375 (29) 302-94-73 ( Средне )
Схема проезда
г. Поставы ул. Советская, 69 +375 (44) 770-80-13 ( Мало )
Схема проезда
г. Пружаны ул. Макаренко, 21 +375 (29) 348-83-18 ( Средне )
Схема проезда
г. Слоним ул. Советская, 93а +375 (29) 394-82-01 ( Средне )
Схема проезда
г. Сморгонь ул. Железнодорожная, 32 +375 (29) 671-02-10 ( Средне )
Схема проезда
г. Солигорск Чижевичский сельсовет, 3Г +375 (29) 899-58-52 ( Мало )
Схема проезда
г. Столин ул. Быковского, 29 +375 (33) 304-54-36 ( Мало )
Схема проезда
г. Щучин ул. Советская, 39 +375 (29) 177-29-70 ( Средне )
Схема проезда
г. Борисов ул. Демина, 2а +375 (44) 560-99-75 Под заказ
Схема проезда
г. Гомель ул. Текстильная, 10 +375 (44) 540-02-05 Под заказ
Схема проезда
г. Дрогичин ул. Юбилейная, 42 +375 (29) 682-17-13 Под заказ
Схема проезда
г. Жлобин ул. Козлова, 25 +375 (29) 346-06-78 Под заказ
Схема проезда
г. Лида ул. Качана, 7 +375 (29) 612-60-61 Под заказ
Схема проезда
г. Минск ул. Бабушкина, 37 +375 (29) 632-00-82 Под заказ
Схема проезда
г. Полоцк ул. Пролетарская, 6 +375 (29) 644-57-58 Под заказ
Схема проезда
г. Полоцк ул. Строительная, 30Б +375 (29) 302-97-91 Под заказ
Схема проезда
г. Слуцк ул. Тутаринова, 8 +375 (29) 346-06-90 Под заказ
Схема проезда
Аналоги
Ресивер 6303-3513015-10 40 л. МАЗ 6303-3513015-10
Ресивер 6303-3513015-10 40 л. МАЗ
Каталожный номер 6303-3513015-10
Производитель Таим Таим
Код 00-ГР010744
Доставка по всей Беларуси
Доступность остатки на филиалах Остатки на филиалах
Остаток: г.Минск, ул.Селицкого 21к В наличии
Склад Адрес Контакт Остатки
г. Минск ул. Селицкого, 21к +375 (44) 770-80-78 ( Средне )
Схема проезда
г. Борисов ул. Демина, 2а +375 (44) 560-99-75 ( Мало )
Схема проезда
г. Гомель ул. Барыкина, 291Б +375 (44) 514-15-30 ( Мало )
Схема проезда
г. Лунинец ул.Красная, 175а +375 (44) 721-46-74 ( Мало )
Схема проезда
г. Мозырь промузел Козенки +375 (44) 731-94-60 ( Мало )
Схема проезда
г. Молодечно ул. Галицкого, 14 +375 (44) 567-28-47 ( Мало )
Схема проезда
г. Осиповичи ул. Короткая, 11 +375 (29) 165-60-07 ( Мало )
Схема проезда
г. Слоним ул. Советская, 93а +375 (29) 394-82-01 ( Мало )
Схема проезда
г. Солигорск Чижевичский сельсовет, 3Г +375 (29) 899-58-52 ( Мало )
Схема проезда
Ресивер сб.  ТАИМ,Бобруйск 6303-3513015-10
Ресивер сб. ТАИМ,Бобруйск
Каталожный номер 6303-3513015-10
Производитель
Код 6303351301510
Доставка по всей Беларуси
Остаток Под заказ
Товары из этой категории
Модулятор АБС 8437.29.35.100 (472 195 018 0, ЭПМ-1) Вавилова 8437.29.35.100
Модулятор АБС 8437.29.35.100 (472 195 018 0, ЭПМ-1) Вавилова
Каталожный номер 8437.29.35.100
Производитель Вавилова Вавилова
Код 00-ГР035649
Доставка по всей Беларуси
Доступность остатки на филиалах Остатки на филиалах
Остаток: г.Минск, ул.Селицкого 21к В наличии
Склад Адрес Контакт Остатки
г. Минск ул. Селицкого, 21к +375 (44) 770-80-78 ( Средне )
Схема проезда
г. Бобруйск ул. Орловского, 22к3 +375 (29) 345-37-07 ( Мало )
Схема проезда
г. Гомель ул. Барыкина, 291Б +375 (44) 514-15-30 ( Средне )
Схема проезда
г. Ивацевичи ул. Загородная, 6А +375 (29) 188-59-01 ( Мало )
Схема проезда
г. Кобрин ул. Пролетарская, 177А +375 (44) 588-10-80 ( Средне )
Схема проезда
г. Лепель ул. Лобанка, 43 +375 (44) 778-65-21 ( Мало )
Схема проезда
г. Могилев ул. Габровская 11Б +375 (29) 662-02-16 ( Мало )
Схема проезда
г. Молодечно ул. Галицкого, 14 +375 (44) 567-28-47 ( Мало )
Схема проезда
г. Пинск ул. Калиновского 32 +375 (44) 560-99-59 ( Мало )
Схема проезда
г. Слуцк ул. Тутаринова, 8 +375 (29) 346-06-90 ( Средне )
Схема проезда
Рычаг регулировочный левый автомат эв.шлиц 152-3502135-11
Рычаг регулировочный левый автомат эв.шлиц
Каталожный номер 152-3502135-11
Производитель Таим Таим
Код 9059
Доставка по всей Беларуси
Доступность остатки на филиалах Остатки на филиалах
Остаток: г.Минск, ул.Селицкого 21к В наличии
Склад Адрес Контакт Остатки
г. Минск ул. Селицкого, 21к +375 (44) 770-80-78 ( Мало )
Схема проезда
Барабан тормозной МАЗ 4370-3501070
Барабан тормозной МАЗ
Каталожный номер 4370-3501070
Производитель Автомагнат Автомагнат
Код 00-ГР005805
Доставка по всей Беларуси
Доступность остатки на филиалах Остатки на филиалах
Остаток: г.Минск, ул.Селицкого 21к В наличии
Склад Адрес Контакт Остатки
г. Минск ул. Селицкого, 21к +375 (44) 770-80-78 ( Средне )
Схема проезда
Рычаг регулировочный 64221-3501136 (правый, широкий шлиц) Автоштамп 64221-3501136
Рычаг регулировочный 64221-3501136 (правый, широкий шлиц) Автоштамп
Каталожный номер 64221-3501136
Производитель Автоштамп Автоштамп
Код 00-ГР037532
Доставка по всей Беларуси
Доступность остатки на филиалах Остатки на филиалах
Остаток Под заказ
Пружина колодки тормозной МАЗ-4370 4370-3501034
Пружина колодки тормозной МАЗ-4370
Каталожный номер 4370-3501034
Производитель Автоштамп Автоштамп
Код 4308
Доставка по всей Беларуси
Доступность остатки на филиалах Остатки на филиалах
Остаток: г.Минск, ул.Селицкого 21к В наличии
Склад Адрес Контакт Остатки
г. Минск ул. Селицкого, 21к +375 (44) 770-80-78 ( Много )
Схема проезда
г. Барановичи ул. Пролетарская, 40 +375 (29) 795-96-37 ( Средне )
Схема проезда
г. Барановичи ул. Бадака, 27Б +375 (29) 350-33-47 ( Много )
Схема проезда
г. Березино ул. Комсомольская, д. 24 +375 (44) 770-80-17 ( Средне )
Схема проезда
г. Берёза ул. Красноармейская, 89/11 +375 (29) 676-70-71 ( Средне )
Схема проезда
г. Бобруйск ул. Гоголя, 181/1-6 +375 (29) 630-05-01 ( Много )
Схема проезда
г. Бобруйск ул. Орловского, 22к3 +375 (29) 345-37-07 ( Средне )
Схема проезда
г. Борисов ул. Демина, 2а +375 (44) 560-99-75 ( Много )
Схема проезда
г. Брест Тельминский с/с, 1Д/1, 1 км южнее д. Тельмы-2 +375 (44) 599-90-75 ( Много )
Схема проезда
г. Витебск ул. Правды, 33 +375 (44) 770-80-87 ( Средне )
Схема проезда
г. Глубокое ул. Энгельса, 22 +375 (44) 505-71-40 ( Много )
Схема проезда
г. Гомель ул. Барыкина, 291Б +375 (44) 514-15-30 ( Средне )
Схема проезда
г. Горки ул.Мира, д.51а/1 +375 (44) 565-33-61 ( Много )
Схема проезда
г. Дрогичин ул. Юбилейная, 42 +375 (29) 682-17-13 ( Средне )
Схема проезда
г. Дятлово ул. Советская ,104 +375 (29) 187-87-37 ( Средне )
Схема проезда
г. Житковичи ул. Комсомольская, 49 +375 (29) 394-82-52 ( Средне )
Схема проезда
г. Ивацевичи ул. Загородная, 6А +375 (29) 188-59-01 ( Средне )
Схема проезда
г. Кобрин ул. Пролетарская, 177А +375 (44) 588-10-80 ( Средне )
Схема проезда
г. Лельчицы ул. Советская, д.96/1 +375 (29) 346-98-96 ( Много )
Схема проезда
г. Лепель ул. Лобанка, 43 +375 (44) 778-65-21 ( Средне )
Схема проезда
г. Лунинец ул.Красная, 175а +375 (44) 721-46-74 ( Средне )
Схема проезда
г. Мозырь промузел Козенки +375 (44) 731-94-60 ( Средне )
Схема проезда
г. Молодечно ул. Галицкого, 14 +375 (44) 567-28-47 ( Средне )
Схема проезда
г. Несвиж ул. Кутузова, 2 +375 (29) 394-82-48 ( Средне )
Схема проезда
г. Новогрудок ул. Индустриальная, 3 +375 (44) 729-39-19 ( Средне )
Схема проезда
г. Осиповичи ул. Короткая, 11 +375 (29) 165-60-07 ( Средне )
Схема проезда
г. Ошмяны ул. Льнозоводская 3 +375 (44) 770-80-91 ( Средне )
Схема проезда
г. Петриков ул. Первомайская, 124 +375 (33) 660-06-75 ( Много )
Схема проезда
г. Пинск ул. Калиновского 32 +375 (44) 560-99-59 ( Средне )
Схема проезда
г. Полоцк-2 ул. Шенягина, 52 +375 (29) 302-94-73 ( Средне )
Схема проезда
г. Полоцк-2 ул. Шенягина, 52 +375 (29) 302-94-73 ( Много )
Схема проезда
г. Поставы ул. Советская, 69 +375 (44) 770-80-13 ( Средне )
Схема проезда
г. Пружаны ул. Макаренко, 21 +375 (29) 348-83-18 ( Средне )
Схема проезда
г. Слоним ул. Советская, 93а +375 (29) 394-82-01 ( Средне )
Схема проезда
г. Сморгонь ул. Железнодорожная, 32 +375 (29) 671-02-10 ( Много )
Схема проезда
г. Солигорск Чижевичский сельсовет, 3Г +375 (29) 899-58-52 ( Средне )
Схема проезда
г. Щучин ул. Советская, 39 +375 (29) 177-29-70 ( Средне )
Схема проезда