Республика Беларусь,
г. Минск, ул. Селицкого 21к - центральный склад
Пн-пт с 8:00 до 17:00
Меню
6422-3506142-10 Трубка МАЗ ОАО
Наименование: Трубка МАЗ ОАО
Каталожный номер: 6422-3506142-10
Код товара: 6422350614210
Доставка: по всей Беларуси
Остаток: под заказ 1-45 дней

Нашли не точность в описании товара? сообщить администратору.

+375 (44) 770-80-78 +375 (29) 747-80-78
* Выставить счет, получить техническую информацию и стоимость
Заказать деталь Онлайн
Описание
Наличие на филиалах
Применяемость
Заменить на СТО

6422-3506142-10 Трубка.

  • Производитель: МАЗ ОАО
  • Каталожный номер по заводу: 6422-3506142-10
  • Код для заказа:  6422350614210
Марка Модель Кат.номер Наим. по каталогу Чертеж
МАЗ МАЗ-53363 6422-3506142-10 Трубка Схема тормозного привода автомобилей МАЗ-53363, МАЗ-53366 без АБС Чертеж Схема тормозного привода автомобилей МАЗ-53363, МАЗ-53366 без АБС
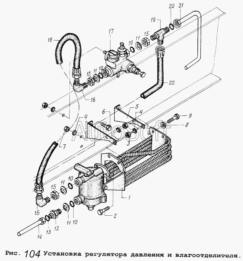
МАЗ МАЗ-53363 6422-3506142-10 Трубка Установка регулятора давления и влагоотделителя
МАЗ МАЗ-53366 6422-3506142-10 Трубка Схема тормозного привода автомобилей МАЗ-53363, МАЗ-53366 без АБС Чертеж Схема тормозного привода автомобилей МАЗ-53363, МАЗ-53366 без АБС
МАЗ МАЗ-53366 6422-3506142-10 Трубка Установка регулятора давления и влагоотделителя Чертеж Установка регулятора давления и влагоотделителя
МАЗ МАЗ-5337 6422-3506142-10 Трубка Установка регулятора давления и влагоотделителя
МАЗ МАЗ-53371 6422-3506142-10 Трубка Схема тормозного привода автомобиля МАЗ-64229 Чертеж Схема тормозного привода автомобиля МАЗ-64229
МАЗ МАЗ-53371 6422-3506142-10 Трубка Установка регулятора давления и влагоотделителя Чертеж Установка регулятора давления и влагоотделителя
МАЗ МАЗ-54323 6422-3506142-10 Трубка Схема тормозного привода автомобиля МАЗ-54323
МАЗ МАЗ-54323 6422-3506142-10 Трубка Установка регулятора давления и влагоотделителя
МАЗ МАЗ-54328 6422-3506142-10 Трубка Трубопроводы и шланги к передним ресиверам и тормозным аппаратам МАЗ-64229 Чертеж Трубопроводы и шланги к передним ресиверам и тормозным аппаратам МАЗ-64229
МАЗ МАЗ-5434 6422-3506142-10 Трубка Схема тормозного привода автомобиля МАЗ-5434
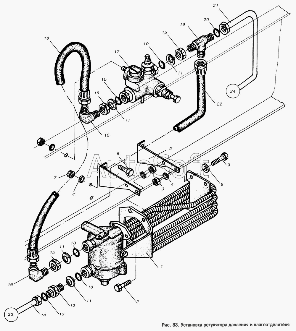
МАЗ МАЗ-5434 6422-3506142-10 Трубка Установка регулятора давления, влагоотделителя и предохранителя против замерзания Чертеж Установка регулятора давления, влагоотделителя и предохранителя против замерзания
МАЗ МАЗ-5516 6422-3506142-10 Трубка Установка регулятора давления и влагоотделителя Чертеж Установка регулятора давления и влагоотделителя
МАЗ МАЗ-5551 6422-3506142-10 Трубка Установка регулятора давления и влагоотделителя Чертеж Установка регулятора давления и влагоотделителя
МАЗ МАЗ-6303 (2000) 6422-3506142-10 Трубка Схема тормозного привода автомобилей МАЗ-53363, МАЗ-53366 без АБС Чертеж Схема тормозного привода автомобилей МАЗ-53363, МАЗ-53366 без АБС
МАЗ МАЗ-6303 (2000) 6422-3506142-10 Трубка Установка регулятора давления и влагоотделителя Чертеж Установка регулятора давления и влагоотделителя
МАЗ МАЗ-64255 6422-3506142-10 Трубка Схема тормозного привода автомобиля МАЗ-5434 Чертеж Схема тормозного привода автомобиля МАЗ-5434
МАЗ МАЗ-64255 6422-3506142-10 Трубка Установка регулятора давления, влагоотделителя и предохранителя против замерзания Чертеж Установка регулятора давления, влагоотделителя и предохранителя против замерзания
МАЗ МАЗ-64229 6422-3506142-10 Трубка Схема тормозного привода автомобиля МАЗ-64229
МАЗ МАЗ-64229 6422-3506142-10 Трубка Схема тормозного привода автомобиля МАЗ-54323
Аналоги
Трубка тормозная L-1540мм 6422-3506142-10
Трубка тормозная L-1540мм
Каталожный номер 6422-3506142-10
Производитель МАЗ МАЗ
Код 00-ГР001980
Доставка по всей Беларуси
Доступность остатки на филиалах Остатки на филиалах
Остаток Под заказ
Товары из этой категории
Лист 1  МАЗ ОАО 8561-2912101-010
Лист 1 МАЗ ОАО
Каталожный номер 8561-2912101-010
Производитель
Код 85612912101010
Доставка по всей Беларуси
Остаток Под заказ
Кронштейн  МАЗ ОАО 5432-2801089-01
Кронштейн МАЗ ОАО
Каталожный номер 5432-2801089-01
Производитель
Код 5432280108901
Доставка по всей Беларуси
Остаток Под заказ
Стремянка  МАЗ ОАО 544022-1203083
Стремянка МАЗ ОАО
Каталожный номер 544022-1203083
Производитель
Код 5440221203083
Доставка по всей Беларуси
Остаток Под заказ
Ось  МАЗ ОАО 6430-5001822
Ось МАЗ ОАО
Каталожный номер 6430-5001822
Производитель
Код 64305001822
Доставка по всей Беларуси
Остаток Под заказ
Шайба регулировочная  МАЗ ОАО 6430-2502096
Шайба регулировочная МАЗ ОАО
Каталожный номер 6430-2502096
Производитель
Код 64302502096
Доставка по всей Беларуси
Остаток Под заказ