Республика Беларусь,
г. Минск, ул. Селицкого 21к - центральный склад
Пн-пт с 8:00 до 17:00
Меню
64221-8008060 Прокладка ОЗАА
Наименование: Прокладка 64221-8008060 ОЗАА
Каталожный номер: 64221-8008060
Производитель: ОЗАА
Код товара: 00-ГР039597
Доставка: по всей Беларуси
Остаток: под заказ

Нашли не точность в описании товара? сообщить администратору.

+375 (44) 770-80-78 +375 (29) 747-80-78
* Выставить счет, получить техническую информацию и стоимость
Заказать деталь Онлайн
Описание
Наличие на филиалах
Применяемость
Заменить на СТО

Прокладка 64221-8008060 ОЗАА производства ОЗАА (ОЗАА), Код для заказа: 00-ГР039597

Марка Модель Кат.номер Наим. по каталогу Чертеж
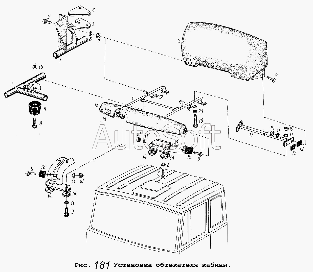
МАЗ МАЗ-437040 (Зубренок) (2002) 64221-8008060 Прокладка Установка обтекателей Чертеж Установка обтекателей
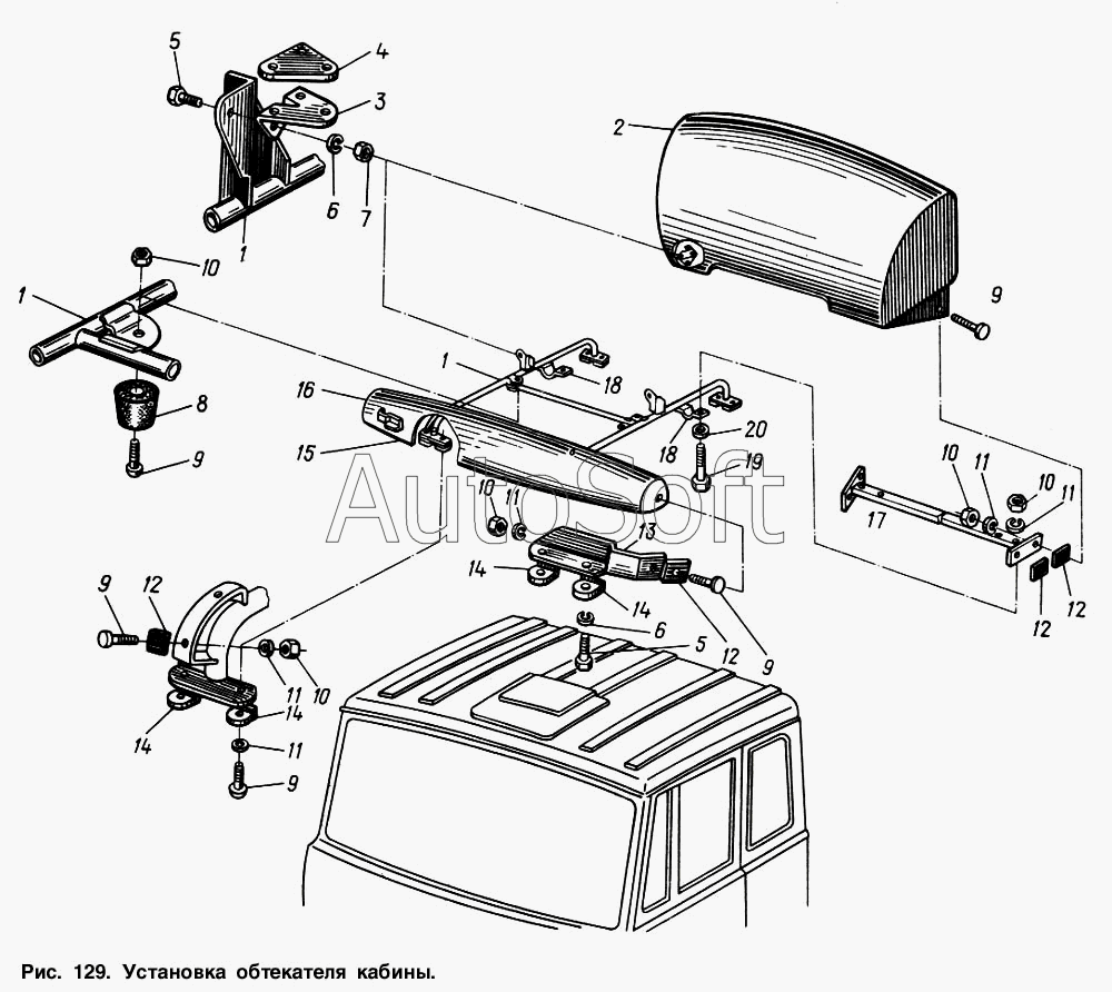
МАЗ МАЗ-53363 64221-8008060 Прокладка Установка обтекателя кабины Чертеж Установка обтекателя кабины
МАЗ МАЗ-53366 64221-8008060 Прокладка Установка обтекателя кабины
МАЗ МАЗ-5337 64221-8008060 Прокладка Установка обтекателя кабины Чертеж Установка обтекателя кабины
МАЗ МАЗ-53371 64221-8008060 Прокладка Установка обтекателя кабины Чертеж Установка обтекателя кабины
МАЗ МАЗ-54321 64221-8008060 Прокладка Установка обтекателя кабины Чертеж Установка обтекателя кабины
МАЗ МАЗ-54323 64221-8008060 Прокладка Установка обтекателя кабины Чертеж Установка обтекателя кабины
МАЗ МАЗ-5516 64221-8008060 Прокладка Установка обтекателя кабины Чертеж Установка обтекателя кабины
МАЗ МАЗ-5551 64221-8008060 Прокладка Установка обтекателя кабины Чертеж Установка обтекателя кабины
МАЗ МАЗ-6303 (2000) 64221-8008060 Прокладка Установка обтекателя кабины
МАЗ МАЗ-64221 64221-8008060 Прокладка Установка обтекателя кабины Чертеж Установка обтекателя кабины
МАЗ МАЗ-64229 64221-8008060 Прокладка Установка обтекателя кабины
МАЗ МАЗ-643068 (2003) 64221-8008060 Прокладка Установка обтекателя и закрылков Чертеж Установка обтекателя и закрылков
МАЗ Общий (см. мод-ции) 64221-8008060 Прокладка Установка обтекателя кабины Чертеж Установка обтекателя кабины
МАЗ МАЗ-543202 (2003) 64221-8008060 Прокладка Установка обтекателей Чертеж Установка обтекателей
МАЗ МАЗ-5336 (2005) 64221-8008060 Прокладка Установка обтекателей
МАЗ МАЗ-544069 64221-8008060 Прокладка Установка обтекателя и закрылков 6430-8000014-010
МАЗ МАЗ-6303 (2005) (2005) 64221-8008060 Прокладка Установка обтекателей Чертеж Установка обтекателей
МАЗ МАЗ-64226 (2000) 64221-8008060 Прокладка Установка обтекателя кабины
МАЗ МАЗ-54326 (2000) 64221-8008060 Прокладка Установка обтекателя кабины
Аналоги
Прокладка  ОЗАА,Осиповичи 64221-8008060
Прокладка ОЗАА,Осиповичи
Каталожный номер 64221-8008060
Производитель
Код 642218008060
Доставка по всей Беларуси
Остаток Под заказ
Товары из этой категории
Кронштейн 534004-8008067 спойлера левый МАЗ 534004-8008067
Кронштейн 534004-8008067 спойлера левый МАЗ
Каталожный номер 534004-8008067
Производитель МАЗ МАЗ
Код 00-ГР039596
Доставка по всей Беларуси
Доступность остатки на филиалах Остатки на филиалах
Остаток Под заказ
Кронштейн 534004-8008066 спойлера правый МАЗ 534004-8008066
Кронштейн 534004-8008066 спойлера правый МАЗ
Каталожный номер 534004-8008066
Производитель МАЗ МАЗ
Код 00-ГР039595
Доставка по всей Беларуси
Доступность остатки на филиалах Остатки на филиалах
Остаток Под заказ