Республика Беларусь,
г. Минск, ул. Селицкого 21к - центральный склад
Пн-пт с 8:00 до 17:00
Меню
5336-8008064 Прокладка МАЗ ОАО, УВК
Наименование: Прокладка МАЗ ОАО, УВК
Каталожный номер: 5336-8008064
Код товара: 53368008064
Доставка: по всей Беларуси
Остаток: под заказ 1-45 дней

Нашли не точность в описании товара? сообщить администратору.

+375 (44) 770-80-78 +375 (29) 747-80-78
* Выставить счет, получить техническую информацию и стоимость
Заказать деталь Онлайн
Описание
Наличие на филиалах
Применяемость
Заменить на СТО

5336-8008064 Прокладка.

  • Производитель: МАЗ ОАО, УВК
  • Каталожный номер по заводу: 5336-8008064
  • Код для заказа:  53368008064
Марка Модель Кат.номер Наим. по каталогу Чертеж
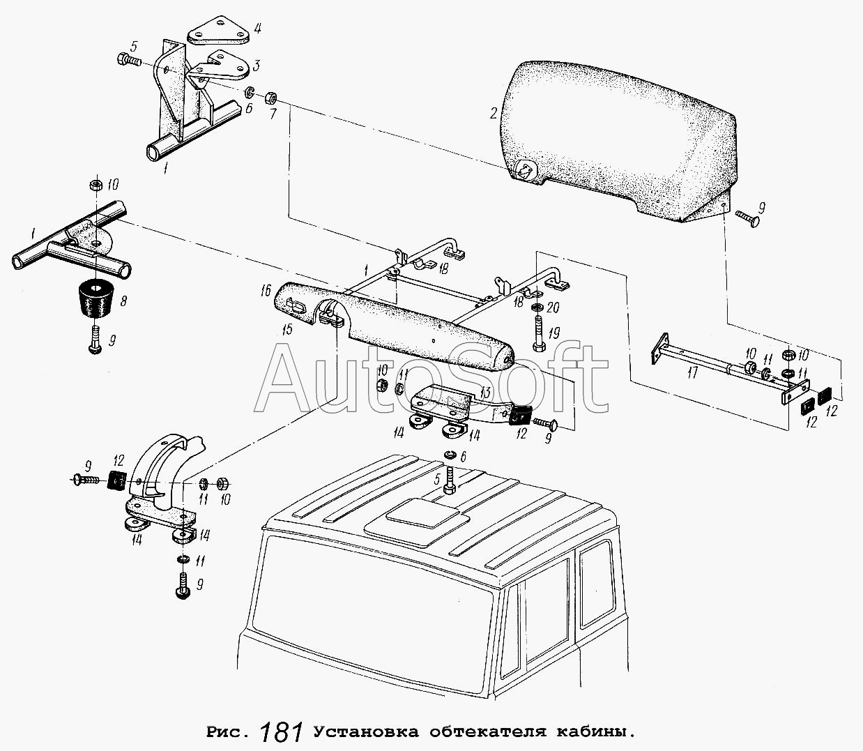
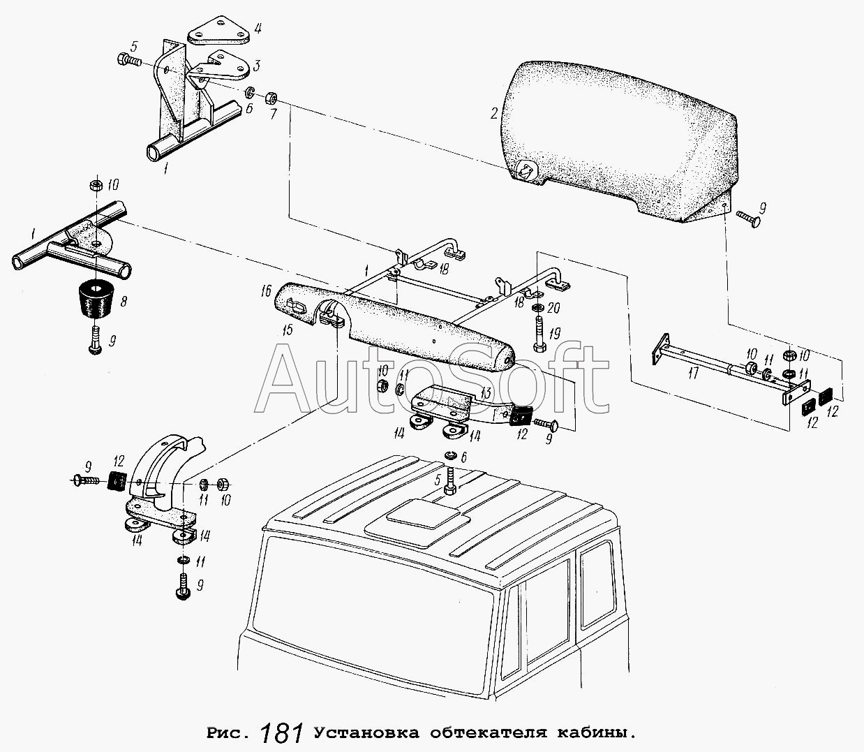
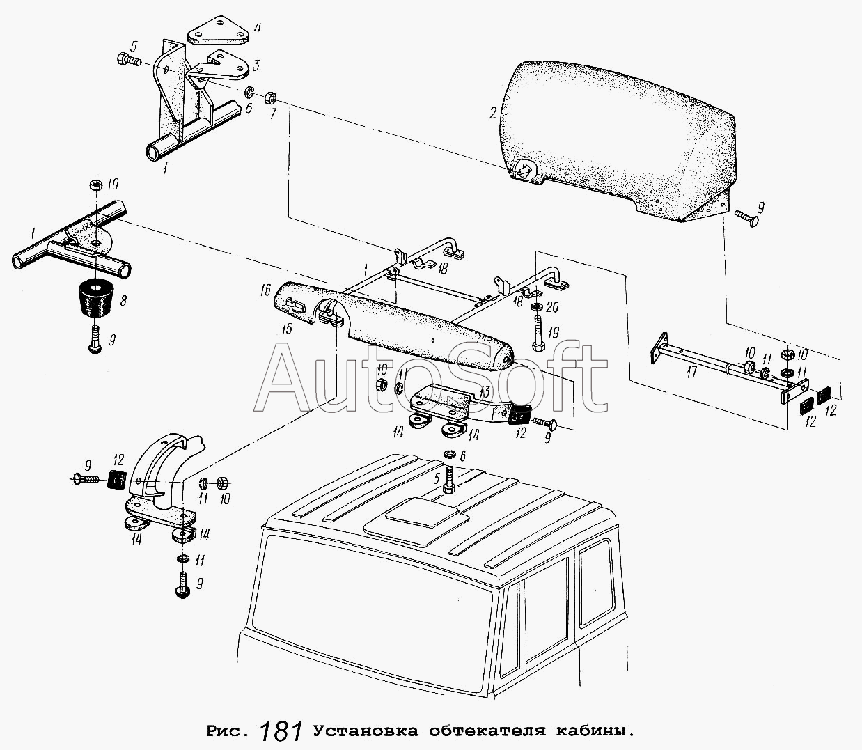
МАЗ МАЗ-437040 (Зубренок) (2002) 5336-8008064 Прокладка Установка обтекателей Чертеж Установка обтекателей
МАЗ МАЗ-53363 5336-8008064 Прокладка Установка обтекателя кабины Чертеж Установка обтекателя кабины
МАЗ МАЗ-53366 5336-8008064 Прокладка Установка обтекателя кабины
МАЗ МАЗ-5337 5336-8008064 Прокладка Установка обтекателя кабины Чертеж Установка обтекателя кабины
МАЗ МАЗ-53371 5336-8008064 Прокладка Установка обтекателя кабины Чертеж Установка обтекателя кабины
МАЗ МАЗ-54321 5336-8008064 Прокладка Установка обтекателя кабины Чертеж Установка обтекателя кабины
МАЗ МАЗ-54323 5336-8008064 Прокладка Установка обтекателя кабины Чертеж Установка обтекателя кабины
МАЗ МАЗ-5516 5336-8008064 Прокладка Установка обтекателя кабины Чертеж Установка обтекателя кабины
МАЗ МАЗ-5551 5336-8008064 Прокладка Установка обтекателя кабины Чертеж Установка обтекателя кабины
МАЗ МАЗ-6303 (2000) 5336-8008064 Прокладка Установка обтекателя кабины
МАЗ МАЗ-64221 5336-8008064 Прокладка Установка обтекателя кабины Чертеж Установка обтекателя кабины
МАЗ МАЗ-64229 5336-8008064 Прокладка Установка обтекателя кабины
МАЗ Общий (см. мод-ции) 5336-8008064 Прокладка Установка обтекателя кабины Чертеж Установка обтекателя кабины
МАЗ МАЗ-543202 (2003) 5336-8008064 Прокладка Установка обтекателей Чертеж Установка обтекателей
МАЗ МАЗ-5336 (2005) 5336-8008064 Прокладка Установка обтекателей
МАЗ МАЗ-6422 (2003) 5336-8008064 Прокладка Установка обтекателей
МАЗ МАЗ-6303 (2005) (2005) 5336-8008064 Прокладка Установка обтекателей Чертеж Установка обтекателей
МАЗ МАЗ-64226 (2000) 5336-8008064 Прокладка Установка обтекателя кабины
МАЗ МАЗ-54326 (2000) 5336-8008064 Прокладка Установка обтекателя кабины
МАЗ МАЗ-5551 (2003) (2003) 5336-8008064 Прокладка Установка обтекателей Чертеж Установка обтекателей
Товары из этой категории
Шпонка 5х7,5 ост 37001213-78  МАЗ ОАО 378057
Шпонка 5х7,5 ост 37001213-78 МАЗ ОАО
Каталожный номер 378057
Производитель
Код 378057
Доставка по всей Беларуси
Остаток Под заказ
Пластина  МАЗ ОАО 6430-1001057
Пластина МАЗ ОАО
Каталожный номер 6430-1001057
Производитель
Код 64301001057
Доставка по всей Беларуси
Остаток Под заказ
Трубка  МАЗ ОАО 64221-3537026
Трубка МАЗ ОАО
Каталожный номер 64221-3537026
Производитель
Код 642213537026
Доставка по всей Беларуси
Остаток Под заказ
Шланг  БААЗ,Барановичи 5549-3506187-02
Шланг БААЗ,Барановичи
Каталожный номер 5549-3506187-02
Производитель
Код 5549350618702
Доставка по всей Беларуси
Остаток Под заказ
Болт М18х1,5-6нх75  МАЗ ОАО 372780
Болт М18х1,5-6нх75 МАЗ ОАО
Каталожный номер 372780
Производитель
Код 372780
Доставка по всей Беларуси
Остаток Под заказ