Республика Беларусь,
г. Минск, ул. Селицкого 21к - центральный склад
Пн-пт с 8:00 до 17:00
Меню
210381-10 Болт М8-6дх30 МАЗ ОАО
Наименование: Болт М8-6дх30 МАЗ ОАО
Каталожный номер: 210381-10
Код товара: 21038110
Доставка: по всей Беларуси
Остаток: под заказ 1-45 дней

Нашли не точность в описании товара? сообщить администратору.

+375 (44) 770-80-78 +375 (29) 747-80-78
* Выставить счет, получить техническую информацию и стоимость
Заказать деталь Онлайн
Описание
Наличие на филиалах
Применяемость
Заменить на СТО

210381-10 Болт М8-6дх30.

  • Производитель: МАЗ ОАО
  • Каталожный номер по заводу: 210381-10
  • Код для заказа:  21038110
Марка Модель Кат.номер Наим. по каталогу Чертеж
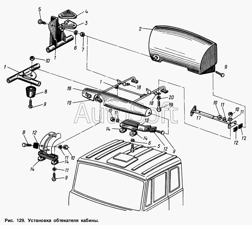
МАЗ МАЗ-437040 (Зубренок) (2002) 210381-10 Болт М8-6gх30 Установка обтекателей Чертеж Установка обтекателей
МАЗ МАЗ-53363 210381 Болт М8-6gх22 Подставка сиденья и регулировочные механизмы Чертеж Подставка сиденья и регулировочные механизмы
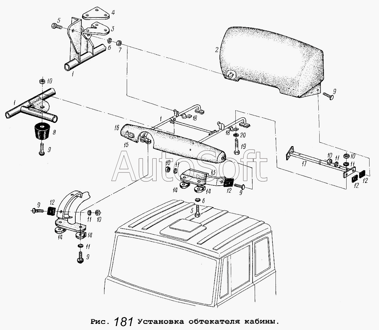
МАЗ МАЗ-53363 210381 Болт М8-6gх22 Установка обтекателя кабины Чертеж Установка обтекателя кабины
МАЗ МАЗ-53363 210381 Болт М8-6gх22 Привод подачи топлива Чертеж Привод подачи топлива
МАЗ МАЗ-53363 210381 Болт М8-6gх22 Привод подачи топлива Чертеж Привод подачи топлива
МАЗ МАЗ-53366 210381 Болт М8-6gх22 Подставка сиденья и регулировочные механизмы Чертеж Подставка сиденья и регулировочные механизмы
МАЗ МАЗ-53366 210381 Болт М8-6gх22 Установка обтекателя кабины
МАЗ МАЗ-53366 210381 Болт М8-6gх22 Привод подачи топлива Чертеж Привод подачи топлива
МАЗ МАЗ-53366 210381 Болт М8-6gх22 Привод подачи топлива Чертеж Привод подачи топлива
МАЗ МАЗ-5337 210381 Болт М8-6gх22 Подставка сиденья и регулировочные механизмы Чертеж Подставка сиденья и регулировочные механизмы
МАЗ МАЗ-5337 210381 Болт М8-6gх22 Установка обтекателя кабины Чертеж Установка обтекателя кабины
МАЗ МАЗ-53371 210381 Болт М8-6gх22 Подставка сиденья и регулировочные механизмы Чертеж Подставка сиденья и регулировочные механизмы
МАЗ МАЗ-53371 210381 Болт М8-6gх22 Установка обтекателя кабины Чертеж Установка обтекателя кабины
МАЗ МАЗ-54321 210381 Болт М8-6gх22 Подставка сиденья и регулировочные механизмы Чертеж Подставка сиденья и регулировочные механизмы
МАЗ МАЗ-54321 210381 Болт М8-6gх22 Установка обтекателя кабины Чертеж Установка обтекателя кабины
МАЗ МАЗ-54321 210381 Болт М8-6gх22 Привод управления двигателем Чертеж Привод управления двигателем
МАЗ МАЗ-54323 210381 Болт М8-6gх22 Подставка сиденья и регулировочные механизмы Чертеж Подставка сиденья и регулировочные механизмы
МАЗ МАЗ-54323 210381 Болт М8-6gх22 Установка обтекателя кабины Чертеж Установка обтекателя кабины
МАЗ МАЗ-54323 210381 Болт М8-6gх22 Привод подачи топлива МАЗ-64229,54323,5516
МАЗ МАЗ-54323 210381 Болт М8-6gх22 Привод подачи топлива МАЗ-64229,54323,5516
Товары из этой категории
Болт  МАЗ ОАО 370897
Болт МАЗ ОАО
Каталожный номер 370897
Производитель
Код 370897
Доставка по всей Беларуси
Остаток Под заказ
Окантовка  МАЗ ОАО 5336-6103274
Окантовка МАЗ ОАО
Каталожный номер 5336-6103274
Производитель
Код 53366103274
Доставка по всей Беларуси
Остаток Под заказ
Болт М8-6нх35 ОСТ 3700112275  МАЗ ОАО 200263
Болт М8-6нх35 ОСТ 3700112275 МАЗ ОАО
Каталожный номер 200263
Производитель
Код 200263
Доставка по всей Беларуси
Остаток Под заказ
Гайка  МАЗ ОАО 374835
Гайка МАЗ ОАО
Каталожный номер 374835
Производитель
Код 374835
Доставка по всей Беларуси
Остаток Под заказ
Болт  МАЗ ОАО 371342
Болт МАЗ ОАО
Каталожный номер 371342
Производитель
Код 371342
Доставка по всей Беларуси
Остаток Под заказ