Республика Беларусь,
г. Минск, ул. Селицкого 21к - центральный склад
Пн-пт с 8:00 до 17:00
Меню
5516-3506112 Трубка сб. МАЗ ОАО
Наименование: Трубка сб. МАЗ ОАО
Каталожный номер: 5516-3506112
Код товара: 55163506112
Доставка: по всей Беларуси
Остаток: под заказ 1-45 дней

Нашли не точность в описании товара? сообщить администратору.

+375 (44) 770-80-78 +375 (29) 747-80-78
* Выставить счет, получить техническую информацию и стоимость
Заказать деталь Онлайн
Описание
Наличие на филиалах
Применяемость
Заменить на СТО

5516-3506112 Трубка сб..

  • Производитель: МАЗ ОАО
  • Каталожный номер по заводу: 5516-3506112
  • Код для заказа:  55163506112
Марка Модель Кат.номер Наим. по каталогу Чертеж
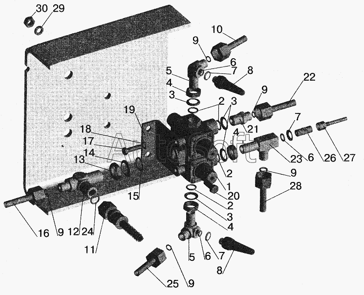
МАЗ МАЗ-5337 5516-3506112 Трубка к ресиверу стояночной системы Присоединительная арматура к ресиверам
МАЗ МАЗ-53371 5516-3506112 Трубка к ресиверу стояночной системы Присоединительная арматура к ресиверам Чертеж Присоединительная арматура к ресиверам
МАЗ МАЗ-54323 5516-3506112 Трубка к ресиверу стояночной системы Присоединительная арматура к ресиверам
МАЗ МАЗ-5516 5516-3506112 Трубка к ресиверу стояночной системы Схема тормозного привода автомобиля МАЗ-5516 Чертеж Схема тормозного привода автомобиля МАЗ-5516
МАЗ МАЗ-5516 5516-3506112 Трубка к ресиверу стояночной системы Присоединительная арматура к ресиверам
МАЗ МАЗ-5551 5516-3506112 Трубка к ресиверу стояночной системы Присоединительная арматура к ресиверам Чертеж Присоединительная арматура к ресиверам
МАЗ МАЗ-64229 5516-3506112 Трубка к ресиверу стояночной системы Присоединительная арматура к ресиверам Чертеж Присоединительная арматура к ресиверам
МАЗ Общий (см. мод-ции) 5516-3506112 Трубка к ресиверу стояночной системы Схема тормозного привода автомобиля МАЗ-5516
МАЗ Общий (см. мод-ции) 5516-3506112 Трубка к ресиверу стояночной системы Присоединительная арматура к ресиверам
МАЗ МАЗ-543202 (2003) 5516-3506112 Трубка к ресиверу стояночной системы Крепление четырехконтурного клапана МАЗ-551605, 551603
МАЗ МАЗ-543202 (2003) 5516-3506112 Трубка к ресиверу стояночной системы Установка присоединительной арматуры на ресиверах МАЗ-551605, 551603 Чертеж Установка присоединительной арматуры на ресиверах МАЗ-551605, 551603
МАЗ МАЗ-6422 (2003) 5516-3506112 Трубка к ресиверу стояночной системы Крепление четырехконтурного клапана МАЗ-551605, 551603
МАЗ МАЗ-6422 (2003) 5516-3506112 Трубка к ресиверу стояночной системы Установка присоединительной арматуры на ресиверах МАЗ-551605, 551603 Чертеж Установка присоединительной арматуры на ресиверах МАЗ-551605, 551603
МАЗ МАЗ-5551 (2003) (2003) 5516-3506112 Трубка к ресиверу стояночной системы Крепление четырехконтурного клапана МАЗ-551605, 551603 Чертеж Крепление четырехконтурного клапана МАЗ-551605, 551603
МАЗ МАЗ-5551 (2003) (2003) 5516-3506112 Трубка к ресиверу стояночной системы Установка присоединительной арматуры на ресиверах МАЗ-551605, 551603 Чертеж Установка присоединительной арматуры на ресиверах МАЗ-551605, 551603
МАЗ МАЗ-5432 (2003) 5516-3506112 Трубка к ресиверу стояночной системы Крепление четырехконтурного клапана МАЗ-551605, 551603 Чертеж Крепление четырехконтурного клапана МАЗ-551605, 551603
МАЗ МАЗ-5432 (2003) 5516-3506112 Трубка к ресиверу стояночной системы Установка присоединительной арматуры на ресиверах МАЗ-551605, 551603 Чертеж Установка присоединительной арматуры на ресиверах МАЗ-551605, 551603
МАЗ МАЗ-5516 (2003) (2003) 5516-3506112 Трубка к ресиверу стояночной системы Крепление четырехконтурного клапана МАЗ-551605, 551603 Чертеж Крепление четырехконтурного клапана МАЗ-551605, 551603
МАЗ МАЗ-5516 (2003) (2003) 543208-3506112 Трубка к тройнику Установка клапана прицепа и присоединительной арматуры МАЗ-642208, 642205, 543208, 543205
МАЗ МАЗ-5516 (2003) (2003) 642224-3506112 Трубка к тройнику Установка клапана прицепа и присоединительной арматуры МАЗ-543203, 543202
Товары из этой категории
Втулка  МАЗ ОАО 64221-2906028
Втулка МАЗ ОАО
Каталожный номер 64221-2906028
Производитель
Код 642212906028
Доставка по всей Беларуси
Остаток Под заказ
Лента  МАЗ ОАО 401804
Лента МАЗ ОАО
Каталожный номер 401804
Производитель
Код 401804
Доставка по всей Беларуси
Остаток Под заказ
Втулка  МАЗ ОАО 103-2402029
Втулка МАЗ ОАО
Каталожный номер 103-2402029
Производитель
Код 1032402029
Доставка по всей Беларуси
Остаток Под заказ
Палец  МАЗ ОАО 260057
Палец МАЗ ОАО
Каталожный номер 260057
Производитель
Код 260057
Доставка по всей Беларуси
Остаток Под заказ
Упор платформы  МАЗ ОАО 503А-8510322-10
Упор платформы МАЗ ОАО
Каталожный номер 503А-8510322-10
Производитель
Код 503А851032210
Доставка по всей Беларуси
Остаток Под заказ