Республика Беларусь,
г. Минск, ул. Селицкого 21к - центральный склад
Пн-пт с 8:00 до 17:00
Меню
260057 Палец МАЗ ОАО
Наименование: Палец МАЗ ОАО
Каталожный номер: 260057
Код товара: 260057
Доставка: по всей Беларуси
Остаток: под заказ 1-45 дней

Нашли не точность в описании товара? сообщить администратору.

+375 (44) 770-80-78 +375 (29) 747-80-78
* Выставить счет, получить техническую информацию и стоимость
Заказать деталь Онлайн
Описание
Наличие на филиалах
Применяемость
Заменить на СТО

260057 Палец.

  • Производитель: МАЗ ОАО
  • Каталожный номер по заводу: 260057
  • Код для заказа:  260057
Марка Модель Кат.номер Наим. по каталогу Чертеж
ГАЗ ГАЗ-14 (Чайка) (1980) 260057-П29 Палец 10х28 ОСТ 37.001.163-97 Инструмент и принадлежности
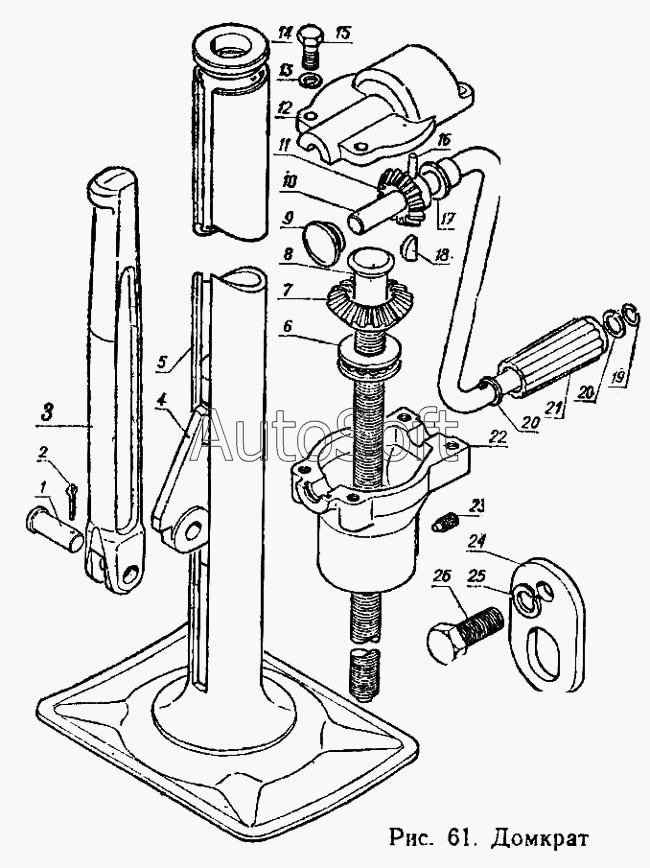
ГАЗ ГАЗ-24 260057-П29 Палец 10х28 ОСТ 37.001.163-97 Домкрат
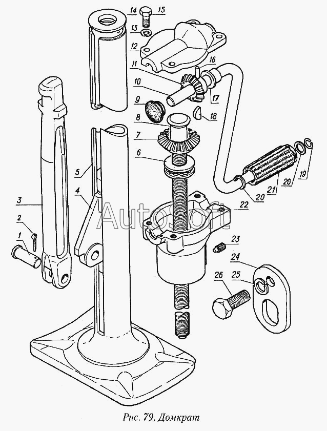
ГАЗ ГАЗ-24-10 (1995) 260057-П29 Палец 10х28 ОСТ 37.001.163-97 Домкрат Чертеж Домкрат
ГАЗ ГАЗ-3102 (2000) 260057-П29 Палец 10х28 ОСТ 37.001.163-97 Домкрат Чертеж Домкрат
ГАЗ ГАЗ-31029 260057-П29 Палец 10х28 ОСТ 37.001.163-97 Домкрат Чертеж Домкрат
ГАЗ ГАЗ-3302 (ГАЗель) 260057-П29 Палец 10х28 ОСТ 37.001.163-97 Тормоз стояночный и его привод
ГАЗ ГАЗ-2705 (ГАЗель) (2000) 260057-П29 Палец 10х28 ОСТ 37.001.163-97 Тормоз стояночный и его привод
ГАЗ ГАЗ-2217 (Соболь) (1999) 260057-П29 Палец 10х28 ОСТ 37.001.163-97 Рычаг и привод стояночного тормоза, выключатель сигнализатора рабочего положения стояночного тормоза
ГАЗ ГАЗ-3306 (1994) 260057-П29 Палец 10х28 ОСТ 37.001.163-97 Рычаг стояночного тормоза и привод стояночного тормоза
ГАЗ ГАЗ-3307 (2000) 260057-П29 Палец 10х28 ОСТ 37.001.163-97 Привод стояночного тормоза Чертеж Привод стояночного тормоза
ГАЗ ГАЗ-4301 260057-П29 Палец 10х28 ОСТ 37.001.163-97 Рычаг стояночного тормоза в сборе и привод стояночного тормоза Чертеж Рычаг стояночного тормоза в сборе и привод стояночного тормоза
ГАЗ ГАЗ-4301 260057-П29 Палец 10х28 ОСТ 37.001.163-97 Рычаг стояночного тормоза Чертеж Рычаг стояночного тормоза
ГАЗ ГАЗ-52-01 260057-П8 Палец 10х28 Центральный тормоз и управление Чертеж Центральный тормоз и управление
ГАЗ ГАЗ-53 А (1989) 260057-П29 Палец 10х28 ОСТ 37.001.163-97 Стояночный тормоз и привод Чертеж Стояночный тормоз и привод
ГАЗ ГАЗ-66 (Каталог 1983 г.) (1983) 260057-П29 Палец 10х28 ОСТ 37.001.163-97 Раздаточная коробка Чертеж Раздаточная коробка
ГАЗ ГАЗ-66 (Каталог 1983 г.) (1983) 260057-П29 Палец 10х28 ОСТ 37.001.163-97 Стояночный тормоз и управление Чертеж Стояночный тормоз и управление
ГАЗ ГАЗ-66 (Каталог 1996 г.) (1996) 260057-П29 Палец 10х28 ОСТ 37.001.163-97 Раздаточная коробка в сборе, подвеска раздаточной коробки, механизм переключения передач
ГАЗ ГАЗ-66 (Каталог 1996 г.) (1996) 260057-П29 Палец 10х28 ОСТ 37.001.163-97 Управление лебедкой Чертеж Управление лебедкой
ГАЗ ГАЗ-69 (1957) 260057-П8 Палец 10х28 Привод выключения сцепления Чертеж Привод выключения сцепления
ГАЗ ГАЗ-71 260057-П29 Палец 10х28 ОСТ 37.001.163-97 Привод управления фрикционами и тормозами Чертеж Привод управления фрикционами и тормозами
Аналоги
Палец 260057 МАЗ 260057
Палец 260057 МАЗ
Каталожный номер 260057
Производитель МАЗ МАЗ
Код 00-ГР008757
Доставка по всей Беларуси
Доступность остатки на филиалах Остатки на филиалах
Остаток Под заказ
Товары из этой категории
Стакан  БААЗ,Барановичи 64221-3502018
Стакан БААЗ,Барановичи
Каталожный номер 64221-3502018
Производитель
Код 642213502018
Доставка по всей Беларуси
Остаток Под заказ
Болт  МАЗ ОАО 201567
Болт МАЗ ОАО
Каталожный номер 201567
Производитель
Код 201567
Доставка по всей Беларуси
Остаток Под заказ
Амортизатор  Белкард,Гродно 20.5001010-03
Амортизатор Белкард,Гродно
Каталожный номер 20.5001010-03
Производитель
Код 20500101003
Доставка по всей Беларуси
Остаток Под заказ
Устройство седельное  ТАИМ,Бобруйск 64221-2702010-01
Устройство седельное ТАИМ,Бобруйск
Каталожный номер 64221-2702010-01
Производитель
Код 64221270201001
Доставка по всей Беларуси
Остаток Под заказ
Болт 2М8х1-6нх28 ОСТ3700112375  МАЗ ОАО 205421
Болт 2М8х1-6нх28 ОСТ3700112375 МАЗ ОАО
Каталожный номер 205421
Производитель
Код 205421
Доставка по всей Беларуси
Остаток Под заказ