Республика Беларусь,
г. Минск, ул. Селицкого 21к - центральный склад
Пн-пт с 8:00 до 17:00
Меню
401804 Лента МАЗ ОАО
Наименование: Лента МАЗ ОАО
Каталожный номер: 401804
Код товара: 401804
Доставка: по всей Беларуси
Остаток: под заказ 1-45 дней

Нашли не точность в описании товара? сообщить администратору.

+375 (44) 770-80-78 +375 (29) 747-80-78
* Выставить счет, получить техническую информацию и стоимость
Заказать деталь Онлайн
Описание
Наличие на филиалах
Применяемость
Заменить на СТО

401804 Лента.

  • Производитель: МАЗ ОАО
  • Каталожный номер по заводу: 401804
  • Код для заказа:  401804
Марка Модель Кат.номер Наим. по каталогу Чертеж
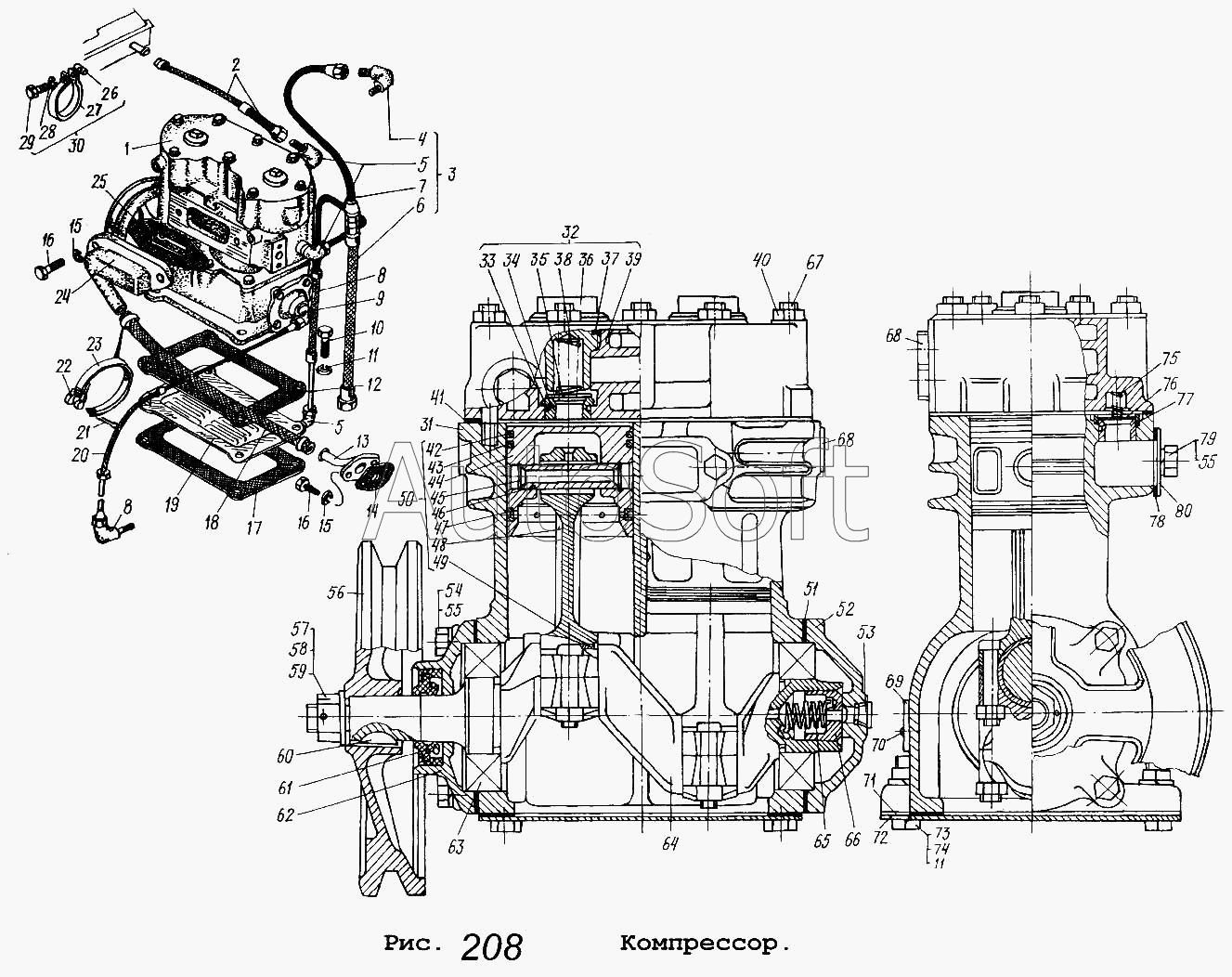
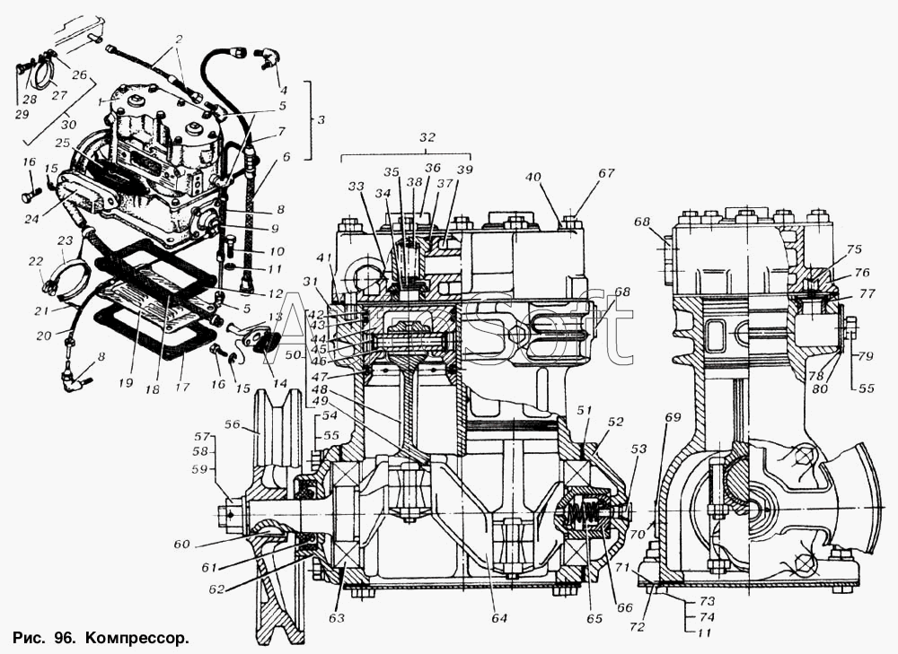
МАЗ МАЗ-500А 401804-П29 Лента стяжная Блок цилиндров, поршни и шатуны компрессора Чертеж Блок цилиндров, поршни и шатуны компрессора
МАЗ МАЗ-503А 401804-П29 Лента стяжная Блок цилиндров, поршни и шатуны компрессора Чертеж Блок цилиндров, поршни и шатуны компрессора
МАЗ МАЗ-504А 401804-П29 Лента стяжная Блок цилиндров, поршни и шатуны компрессора
МАЗ МАЗ-53363 401804 Лента стяжная Компрессор Чертеж Компрессор
МАЗ МАЗ-53366 401804 Лента стяжная Компрессор Чертеж Компрессор
МАЗ МАЗ-5337 401804 Лента стяжная Компрессор Чертеж Компрессор
МАЗ МАЗ-53371 401804 Лента стяжная Компрессор Чертеж Компрессор
МАЗ МАЗ-54323 401804 Лента стяжная Компрессор
МАЗ МАЗ-5434 401804 Лента стяжная Компрессор Чертеж Компрессор
МАЗ МАЗ-5516 401804 Лента стяжная Компрессор
МАЗ МАЗ-5551 401804 Лента стяжная Компрессор
МАЗ МАЗ-6303 (2000) 401804 Лента стяжная Компрессор Чертеж Компрессор
МАЗ МАЗ-64255 401804 Лента стяжная Компрессор
МАЗ МАЗ-64229 401804 Лента стяжная Компрессор Чертеж Компрессор
МАЗ МАЗ-643068 (2003) 401804 Лента стяжная Установка пневмокомпрессора Чертеж Установка пневмокомпрессора
МАЗ МАЗ-93802 401804 Лента стяжная Бак топливный и его крепление
МАЗ МАЗ-93866 401804 Лента стяжная Бак топливный и его крепление
МАЗ МАЗ-938662 401804 Лента стяжная Бак топливный и его крепление Чертеж Бак топливный и его крепление
МАЗ МАЗ-9758 401804 Лента стяжная Бак топливный и его крепление
МАЗ МАЗ-9758-30 401804 Лента стяжная Бак топливный и его крепление
Товары из этой категории
Трубка  МАЗ ОАО 533630-3509262
Трубка МАЗ ОАО
Каталожный номер 533630-3509262
Производитель
Код 5336303509262
Доставка по всей Беларуси
Остаток Под заказ
Втулка  МАЗ ОАО 64221-2906028
Втулка МАЗ ОАО
Каталожный номер 64221-2906028
Производитель
Код 642212906028
Доставка по всей Беларуси
Остаток Под заказ
Фильтр очистки масла  Дифа,Гродно DIFA 5101/1
Фильтр очистки масла Дифа,Гродно
Каталожный номер DIFA 5101/1
Производитель
Код DIFA51011
Доставка по всей Беларуси
Остаток Под заказ
Шланг подводящий  МАЗ ОАО 4370-1013104
Шланг подводящий МАЗ ОАО
Каталожный номер 4370-1013104
Производитель
Код 43701013104
Доставка по всей Беларуси
Остаток Под заказ
Угольник  МАЗ ОАО 402829-01
Угольник МАЗ ОАО
Каталожный номер 402829-01
Производитель
Код 40282901
Доставка по всей Беларуси
Остаток Под заказ