Республика Беларусь,
г. Минск, ул. Селицкого 21к - центральный склад
Пн-пт с 8:00 до 17:00
Меню
402720 Угольник МАЗ ОАО
Наименование: Угольник МАЗ ОАО
Каталожный номер: 402720
Код товара: 402720
Доставка: по всей Беларуси
Остаток: под заказ 1-45 дней

Нашли не точность в описании товара? сообщить администратору.

+375 (44) 770-80-78 +375 (29) 747-80-78
* Выставить счет, получить техническую информацию и стоимость
Заказать деталь Онлайн
Описание
Наличие на филиалах
Применяемость
Заменить на СТО

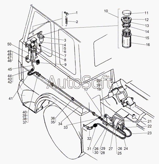
402720 Угольник.

  • Производитель: МАЗ ОАО
  • Каталожный номер по заводу: 402720
  • Код для заказа:  402720
Марка Модель Кат.номер Наим. по каталогу Чертеж
МАЗ МАЗ-643068 (2003) 402720 Угольник Механизм подъема кабины
МАЗ МАЗ-643068 (2003) 402720 Угольник Механизм промежуточный Чертеж Механизм промежуточный
МАЗ МАЗ-544069 402720 Угольник Механизм подъема кабины 64302-5000040 Чертеж Механизм подъема кабины 64302-5000040
МАЗ МАЗ-544069 402720 Угольник Механизм промежуточный 6430-1703325 Чертеж Механизм промежуточный 6430-1703325
МАЗ МАЗ-5440 (2002) 402720 Угольник Механизм подъема кабины Чертеж Механизм подъема кабины
МАЗ МАЗ-5440 (2002) 402720 Угольник Механизм промежуточный 6430-1703325
МАЗ МАЗ-543 (7310) (2008) 402720 Угольник Гидротрансмиссия 543-1700011
МАЗ МАЗ-543 (7310) (2008) 402720 Угольник Гидротрансмиссия 543М-1700011
МАЗ МАЗ-543 (7310) (2008) 402720 Угольник Принадлежности из комплекта ЗИП 543-3902007-ЗИ, 543А-3902007-ЗИ, 543М-3902007-ЗИ Чертеж Принадлежности из комплекта ЗИП 543-3902007-ЗИ, 543А-3902007-ЗИ, 543М-3902007-ЗИ
МАЗ МАЗ-6430A8 (5440A8, 5440A5) (2008) 402720 Угольник Механизм подъема кабины 64302-5000040,64302-5000040-010 Чертеж Механизм подъема кабины 64302-5000040,64302-5000040-010
МАЗ МАЗ-6430A8 (5440A8, 5440A5) (2008) 402720 Угольник Механизм подъема кабины 64302-5000040-700,64302-5000040-710 Чертеж Механизм подъема кабины 64302-5000040-700,64302-5000040-710
МАЗ МАЗ-6430A8 (5440A8, 5440A5) (2008) 402720 Угольник Механизм промежуточный 544008-1703325 Чертеж Механизм промежуточный 544008-1703325
МАЗ МАЗ-5440B9, 6430B9 (2013) 402720 Угольник Установка механизма подъема кабины 5440А5-5000040-000 Чертеж Установка механизма подъема кабины 5440А5-5000040-000
МАЗ МАЗ-5440B9, 6430B9 (2013) 402720 Угольник Установка механизма подъема кабины 5440А5-5000040-700 Чертеж Установка механизма подъема кабины 5440А5-5000040-700
МАЗ МАЗ-5440B9, 6430B9 (2013) 402720 Угольник Установка механизма подъема кабины 5440А8-5000040 Чертеж Установка механизма подъема кабины 5440А8-5000040
МЗКТ МЗКТ-65158 (1999) 402720 Угольник Привод управления сцеплением
МЗКТ МЗКТ-7930-200 (2005) 402720 Угольник Принадлежности
МЗКТ МЗКТ-7429 (2005) 402720 Угольник Установка привода управления сцеплением
МЗКТ МЗКТ-8006 (2010) 402720 Угольник Привод управления сцеплением Чертеж Привод управления сцеплением
МЗКТ МЗКТ-74171 (2010) 402720 Угольник Установка привода управления сцеплением
Товары из этой категории
Гайка накидная  МАЗ ОАО 401120
Гайка накидная МАЗ ОАО
Каталожный номер 401120
Производитель
Код 401120
Доставка по всей Беларуси
Остаток Под заказ
Пружина  МАЗ ОАО 5335-1103065
Пружина МАЗ ОАО
Каталожный номер 5335-1103065
Производитель
Код 53351103065
Доставка по всей Беларуси
Остаток Под заказ
Вкладыш  МАЗ ОАО, УВК 105-2707427
Вкладыш МАЗ ОАО, УВК
Каталожный номер 105-2707427
Производитель
Код 1052707427
Доставка по всей Беларуси
Остаток Под заказ
Прокладка  МАЗ ОАО 54327-8201109
Прокладка МАЗ ОАО
Каталожный номер 54327-8201109
Производитель
Код 543278201109
Доставка по всей Беларуси
Остаток Под заказ
Болт М16х1,5-6нх125  МАЗ ОАО 372668
Болт М16х1,5-6нх125 МАЗ ОАО
Каталожный номер 372668
Производитель
Код 372668
Доставка по всей Беларуси
Остаток Под заказ