Республика Беларусь,
г. Минск, ул. Селицкого 21к - центральный склад
Пн-пт с 8:00 до 17:00
Меню
250559 Гайка М14х1.5-6н ОСТ 37.001.124-96 МАЗ ОАО
Наименование: Гайка М14х1.5-6н ОСТ 37.001.124-96 МАЗ ОАО
Каталожный номер: 250559
Код товара: 250559
Доставка: по всей Беларуси
Остаток: под заказ 1-45 дней

Нашли не точность в описании товара? сообщить администратору.

+375 (44) 770-80-78 +375 (29) 747-80-78
* Выставить счет, получить техническую информацию и стоимость
Заказать деталь Онлайн
Описание
Наличие на филиалах
Применяемость
Заменить на СТО

250559 Гайка М14х1.5-6н ОСТ 37.001.124-96.

  • Производитель: МАЗ ОАО
  • Каталожный номер по заводу: 250559
  • Код для заказа:  250559
Марка Модель Кат.номер Наим. по каталогу Чертеж
ГАЗ ГАЗ-14 (Чайка) (1980) 250559-П29 Гайка М14х1,5-6Н ОСТ 37.001.124-93 Капот, замок и привод замка капота, навеска и упор капота Чертеж Капот, замок и привод замка капота, навеска и упор капота
ГАЗ ГАЗ-14 (Чайка) (1980) 250559-П29 Гайка М14х1,5-6Н ОСТ 37.001.124-93 Механизм планетарный коробки передач
ГАЗ ГАЗ-24-10 (1995) 250559-П29 Гайка М14х1,5-6Н ОСТ 37.001.124-93 Рессоры задние и крепление задних амортизаторов Чертеж Рессоры задние и крепление задних амортизаторов
ГАЗ ГАЗ-3102 (2000) 250559-П29 Гайка М14х1,5-6Н ОСТ 37.001.124-93 Рессоры задние и крепление задних амортизаторов Чертеж Рессоры задние и крепление задних амортизаторов
ГАЗ ГАЗ-31029 250559-П29 Гайка М14х1,5-6Н ОСТ 37.001.124-93 Рессоры задние и крепление задних амортизаторов Чертеж Рессоры задние и крепление задних амортизаторов
ГАЗ ГАЗ-3110 250559-П29 Гайка М14х1,5-6Н ОСТ 37.001.124-93 Рессора задней подвески, крепление амортизатора
ГАЗ ГАЗ-3302 (ГАЗель) 250559-П29 Гайка М14х1,5-6Н ОСТ 37.001.124-93 Бампер передний, скобы и кронштейны переднего буксирного устройства
ГАЗ ГАЗ-2705 (ГАЗель) (2000) 250559-П29 Гайка М14х1,5-6Н ОСТ 37.001.124-93 Буфер передний, переднее буксирное устройство Чертеж Буфер передний, переднее буксирное устройство
ГАЗ ГАЗ-2217 (Соболь) (1999) 250559-П29 Гайка М14х1,5-6Н ОСТ 37.001.124-93 Буфер передний, переднее буксирное устройство Чертеж Буфер передний, переднее буксирное устройство
ГАЗ ГАЗ-2217 (Соболь) (1999) 250559-П29 Гайка М14х1,5-6Н ОСТ 37.001.124-93 Передняя подвеска, стабилизатор поперечной устойчивости Чертеж Передняя подвеска, стабилизатор поперечной устойчивости
ГАЗ ГАЗ-3306 (1994) 250559-П29 Гайка М14х1,5-6Н ОСТ 37.001.124-93 Корпус топливного насоса с кулачковым валом, крышка регулятора в сборе, муфта и державка грузов, крышка смотрового люка
ГАЗ ГАЗ-3306 (1994) 250559-П29 Гайка М14х1,5-6Н ОСТ 37.001.124-93 Передача карданная трансмиссии Чертеж Передача карданная трансмиссии
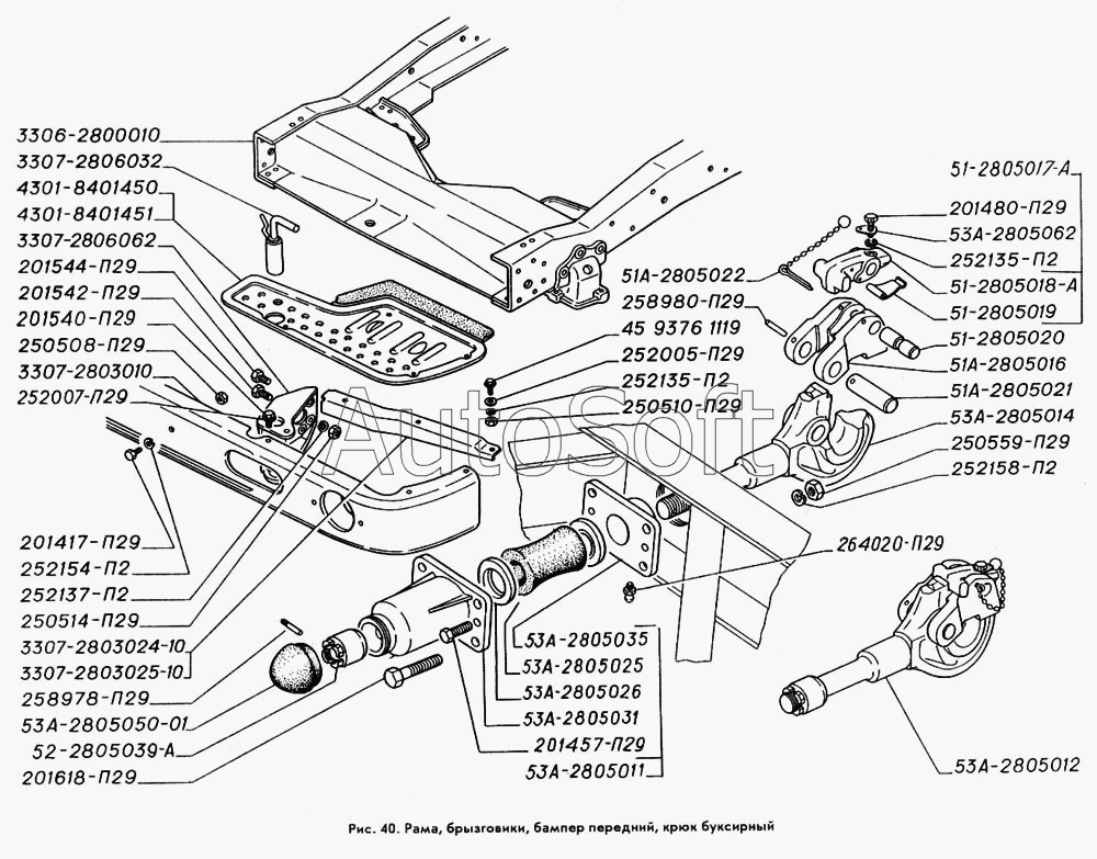
ГАЗ ГАЗ-3306 (1994) 250559-П29 Гайка М14х1,5-6Н ОСТ 37.001.124-93 Рама, брызговики, бампер передний, устройство буксирное переднее, крюк буксирный Чертеж Рама, брызговики, бампер передний, устройство буксирное переднее, крюк буксирный
ГАЗ ГАЗ-3306 (1994) 250559-П29 Гайка М14х1,5-6Н ОСТ 37.001.124-93 Амортизаторы передней подвески
ГАЗ ГАЗ-3307 (2000) 250559-П29 Гайка М14х1,5-6Н ОСТ 37.001.124-93 Замок и привод замка капота, навеска капота Чертеж Замок и привод замка капота, навеска капота
ГАЗ ГАЗ-3307 (2000) 250559-П29 Гайка М14х1,5-6Н ОСТ 37.001.124-93 Рама в сборе, брызговик, бампер передний, прибор буксирный и устройство буксирное переднее Чертеж Рама в сборе, брызговик, бампер передний, прибор буксирный и устройство буксирное переднее
ГАЗ ГАЗ-3307 (2000) 250559-П29 Гайка М14х1,5-6Н ОСТ 37.001.124-93 Амортизатор передней подвески Чертеж Амортизатор передней подвески
ГАЗ ГАЗ-3309 250559-П29 Гайка М14х1,5-6Н ОСТ 37.001.124-93 Передача карданная трансмиссии Чертеж Передача карданная трансмиссии
ГАЗ ГАЗ-3309 250559-П29 Гайка М14х1,5-6Н ОСТ 37.001.124-93 Рама, брызговики, бампер передний, крюк буксирный Чертеж Рама, брызговики, бампер передний, крюк буксирный
ГАЗ ГАЗ-3309 250559-П29 Гайка М14х1,5-6Н ОСТ 37.001.124-93 Амортизаторы передней подвески
Аналоги
Гайка М14х1.5-6Н ОС 250559
Гайка М14х1.5-6Н ОС
Каталожный номер 250559
Производитель МАЗ МАЗ
Код 1701
Доставка по всей Беларуси
Доступность остатки на филиалах Остатки на филиалах
Остаток: г.Минск, ул.Селицкого 21к В наличии
Склад Адрес Контакт Остатки
г. Минск ул. Селицкого, 21к +375 (44) 770-80-78 ( Много )
Схема проезда
г. Барановичи ул. Пролетарская, 40 +375 (29) 795-96-37 ( Много )
Схема проезда
г. Бобруйск ул. Гоголя, 181/1-6 +375 (29) 630-05-01 ( Много )
Схема проезда
г. Бобруйск ул. Орловского, 22к3 +375 (29) 345-37-07 ( Много )
Схема проезда
г. Борисов ул. Демина, 2а +375 (44) 560-99-75 ( Много )
Схема проезда
г. Брест Тельминский с/с, 1Д/1, 1 км южнее д. Тельмы-2 +375 (44) 599-90-75 ( Много )
Схема проезда
г. Глубокое ул. Энгельса, 22 +375 (44) 505-71-40 ( Много )
Схема проезда
г. Гомель ул. Барыкина, 291Б +375 (44) 514-15-30 ( Средне )
Схема проезда
г. Горки ул.Мира, д.51а/1 +375 (44) 565-33-61 ( Много )
Схема проезда
г. Гродно ул. Карского, 35 +375 (44) 770-70-21 ( Много )
Схема проезда
г. Дрогичин ул. Юбилейная, 42 +375 (29) 682-17-13 ( Много )
Схема проезда
г. Житковичи ул. Комсомольская, 49 +375 (29) 394-82-52 ( Средне )
Схема проезда
г. Ивацевичи ул. Загородная, 6А +375 (29) 188-59-01 ( Много )
Схема проезда
г. Лельчицы ул. Советская, д.96/1 +375 (29) 346-98-96 ( Много )
Схема проезда
г. Лепель ул. Лобанка, 43 +375 (44) 778-65-21 ( Много )
Схема проезда
г. Могилев ул. Габровская 11Б +375 (29) 662-02-16 ( Много )
Схема проезда
г. Мозырь промузел Козенки +375 (44) 731-94-60 ( Много )
Схема проезда
г. Осиповичи ул. Короткая, 11 +375 (29) 165-60-07 ( Много )
Схема проезда
г. Ошмяны ул. Льнозоводская 3 +375 (44) 770-80-91 ( Много )
Схема проезда
г. Пинск ул. Калиновского 32 +375 (44) 560-99-59 ( Много )
Схема проезда
г. Полоцк-2 ул. Шенягина, 52 +375 (29) 302-94-73 ( Много )
Схема проезда
г. Полоцк-2 ул. Шенягина, 52 +375 (29) 302-94-73 ( Много )
Схема проезда
г. Пружаны ул. Макаренко, 21 +375 (29) 348-83-18 ( Средне )
Схема проезда
г. Слоним ул. Советская, 93а +375 (29) 394-82-01 ( Много )
Схема проезда
г. Сморгонь ул. Железнодорожная, 32 +375 (29) 671-02-10 ( Много )
Схема проезда
г. Солигорск Чижевичский сельсовет, 3Г +375 (29) 899-58-52 ( Много )
Схема проезда
г. Щучин ул. Советская, 39 +375 (29) 177-29-70 ( Много )
Схема проезда
Товары из этой категории
Пружина  МАЗ ОАО 105-5020214-40
Пружина МАЗ ОАО
Каталожный номер 105-5020214-40
Производитель
Код 105502021440
Доставка по всей Беларуси
Остаток Под заказ
Втулка  МАЗ ОАО 101-2924028
Втулка МАЗ ОАО
Каталожный номер 101-2924028
Производитель
Код 1012924028
Доставка по всей Беларуси
Остаток Под заказ
Штанга  БААЗ,Барановичи 941-2919010-10
Штанга БААЗ,Барановичи
Каталожный номер 941-2919010-10
Производитель
Код 941291901010
Доставка по всей Беларуси
Остаток Под заказ
Шпилька  МАЗ ОАО 643019-2803144
Шпилька МАЗ ОАО
Каталожный номер 643019-2803144
Производитель
Код 6430192803144
Доставка по всей Беларуси
Остаток Под заказ
Наконечник  МАЗ ОАО 64221-3408016
Наконечник МАЗ ОАО
Каталожный номер 64221-3408016
Производитель
Код 642213408016
Доставка по всей Беларуси
Остаток Под заказ