Республика Беларусь,
г. Минск, ул. Селицкого 21к - центральный склад
Пн-пт с 8:00 до 17:00
Меню
201456 Болт М8-6дх20 ОСТ 3700112375 МАЗ ОАО
Наименование: Болт М8-6дх20 ОСТ 3700112375 МАЗ ОАО
Каталожный номер: 201456
Код товара: 201456
Доставка: по всей Беларуси
Остаток: под заказ 1-45 дней

Нашли не точность в описании товара? сообщить администратору.

+375 (44) 770-80-78 +375 (29) 747-80-78
* Выставить счет, получить техническую информацию и стоимость
Заказать деталь Онлайн
Описание
Наличие на филиалах
Применяемость
Заменить на СТО

201456 Болт М8-6дх20 ОСТ 3700112375.

  • Производитель: МАЗ ОАО
  • Каталожный номер по заводу: 201456
  • Код для заказа:  201456
Марка Модель Кат.номер Наим. по каталогу Чертеж
ГАЗ ГАЗ-14 (Чайка) (1980) 201456-П29 Болт М8-6gх20 ОСТ 37.001.123-96 Сиденье откидное Чертеж Сиденье откидное
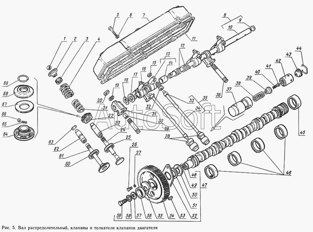
ГАЗ ГАЗ-14 (Чайка) (1980) 201456-П2 Болт М8-6gх20 Вал распределительный, клапаны и толкатели клапанов двигателя Чертеж Вал распределительный, клапаны и толкатели клапанов двигателя
ГАЗ ГАЗ-14 (Чайка) (1980) 201456-П29 Болт М8-6gх20 ОСТ 37.001.123-96 Глушитель выхлопа, трубы выхлопные Чертеж Глушитель выхлопа, трубы выхлопные
ГАЗ ГАЗ-14 (Чайка) (1980) 201456-П29 Болт М8-6gх20 ОСТ 37.001.123-96 Радиатор, подвеска радиатора, трубопроводы и шланги, пробка радиатора, краник сливной, жалюзи радиатора и привод и бачок расширительный Чертеж Радиатор, подвеска радиатора, трубопроводы и шланги, пробка радиатора, краник сливной, жалюзи радиатора и привод и бачок расширительный
ГАЗ ГАЗ-14 (Чайка) (1980) 201456-П29 Болт М8-6gх20 ОСТ 37.001.123-96 Коробка передач автоматическая и привод управления ручным золотником коробки передач Чертеж Коробка передач автоматическая и привод управления ручным золотником коробки передач
ГАЗ ГАЗ-14 (Чайка) (1980) 201456-П8 Болт М8х1,25х20 Управление рулевое Чертеж Управление рулевое
ГАЗ ГАЗ-14 (Чайка) (1980) 201456-П29 Болт М8-6gх20 ОСТ 37.001.123-96 Привод стояночного тормоза Чертеж Привод стояночного тормоза
ГАЗ ГАЗ-14 (Чайка) (1980) 201456-П29 Болт М8-6gх20 ОСТ 37.001.123-96 Фары, фонари передние, повторители боковые указателей поворота, фары противотуманные Чертеж Фары, фонари передние, повторители боковые указателей поворота, фары противотуманные
ГАЗ ГАЗ-14 (Чайка) (1980) 201456-П29 Болт М8-6gх20 ОСТ 37.001.123-96 Радиооборудование Чертеж Радиооборудование
ГАЗ ГАЗ-24 201456-П2 Болт М8-6gх20 Распределительный вал
ГАЗ ГАЗ-24 201456-П8 Болт М8х1,25х20 Механизм рулевого управления Чертеж Механизм рулевого управления
ГАЗ ГАЗ-24 201456-П29 Болт М8-6gх20 ОСТ 37.001.123-96 Клапан управления Чертеж Клапан управления
ГАЗ ГАЗ-24-10 (1995) 201456-П2 Болт М8-6gх20 Вал распределительный, клапаны и толкатели клапанов двигателя
ГАЗ ГАЗ-24-10 (1995) 201456-П29 Болт М8-6gх20 ОСТ 37.001.123-96 Глушитель выхлопа и трубы выхлопные Чертеж Глушитель выхлопа и трубы выхлопные
ГАЗ ГАЗ-24-10 (1995) 201456-П29 Болт М8-6gх20 ОСТ 37.001.123-96 Механизм рулевого управления
ГАЗ ГАЗ-24-10 (1995) 201456-П29 Болт М8-6gх20 ОСТ 37.001.123-96 Радиооборудование
ГАЗ ГАЗ-3102 (2000) 201456-П2 Болт М8-6gх20 Вал распределительный и газопровод
ГАЗ ГАЗ-3102 (2000) 201456-П29 Болт М8-6gх20 ОСТ 37.001.123-96 Глушитель выхлопа и трубы выхлопные
ГАЗ ГАЗ-3102 (2000) 201456-П29 Болт М8-6gх20 ОСТ 37.001.123-96 Буфер передний и задний Чертеж Буфер передний и задний
ГАЗ ГАЗ-3102 (2000) 201456-П29 Болт М8-6gх20 ОСТ 37.001.123-96 Рулевой механизм Чертеж Рулевой механизм
Аналоги
Болт М8-6gх20 201456 МАЗ 201456
Болт М8-6gх20 201456 МАЗ
Каталожный номер 201456
Производитель МАЗ МАЗ
Код 00-ГР008164
Доставка по всей Беларуси
Доступность остатки на филиалах Остатки на филиалах
Остаток Под заказ
Товары из этой категории
Пружина  МАЗ ОАО 9330-3927021
Пружина МАЗ ОАО
Каталожный номер 9330-3927021
Производитель
Код 93303927021
Доставка по всей Беларуси
Остаток Под заказ
Болт М14х1.5-6дх35  МАЗ ОАО 372212
Болт М14х1.5-6дх35 МАЗ ОАО
Каталожный номер 372212
Производитель
Код 372212
Доставка по всей Беларуси
Остаток Под заказ
Шайба опорная  МАЗ ОАО 6303-2506051
Шайба опорная МАЗ ОАО
Каталожный номер 6303-2506051
Производитель
Код 63032506051
Доставка по всей Беларуси
Остаток Под заказ
Патрубок  МАЗ ОАО 206060-1203135
Патрубок МАЗ ОАО
Каталожный номер 206060-1203135
Производитель
Код 2060601203135
Доставка по всей Беларуси
Остаток Под заказ
Кронштейн сб., МАЗ ОАО 551605-1203063-050
Кронштейн сб., МАЗ ОАО
Каталожный номер 551605-1203063-050
Производитель
Код 5516051203063050
Доставка по всей Беларуси
Остаток Под заказ