Республика Беларусь,
г. Минск, ул. Селицкого 21к - центральный склад
Пн-пт с 8:00 до 17:00
Меню
64221-3506380 Трубопровод спиральный ТАИМ,Бобруйск
Наименование: Трубопровод спиральный ТАИМ,Бобруйск
Каталожный номер: 64221-3506380
Код товара: 642213506380
Доставка: по всей Беларуси
Остаток: под заказ 1-45 дней

Нашли не точность в описании товара? сообщить администратору.

+375 (44) 770-80-78 +375 (29) 747-80-78
* Выставить счет, получить техническую информацию и стоимость
Заказать деталь Онлайн
Описание
Наличие на филиалах
Применяемость
Заменить на СТО

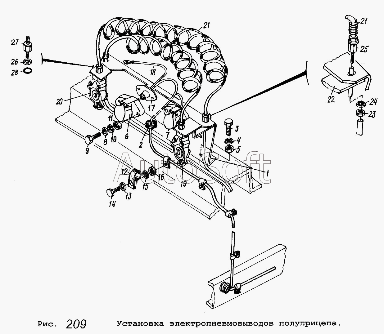
64221-3506380 Трубопровод спиральный.

  • Производитель: ТАИМ,Бобруйск
  • Каталожный номер по заводу: 64221-3506380
  • Код для заказа:  642213506380
Марка Модель Кат.номер Наим. по каталогу Чертеж
МАЗ МАЗ-5337 64221-3506380 Трубопровод спиральный Установка электропневмовыводов полуприцепа
МАЗ МАЗ-53371 64221-3506380 Трубопровод спиральный Установка электропневмовыводов полуприцепа Чертеж Установка электропневмовыводов полуприцепа
МАЗ МАЗ-54323 64221-3506380 Трубопровод спиральный Установка электропневмовыводов полуприцепа
МАЗ МАЗ-5516 64221-3506380 Трубопровод спиральный Установка электропневмовыводов полуприцепа
МАЗ МАЗ-5551 64221-3506380 Трубопровод спиральный Установка электропневмовыводов полуприцепа Чертеж Установка электропневмовыводов полуприцепа
МАЗ МАЗ-64229 64221-3506380 Трубопровод спиральный Установка электропневмовыводов полуприцепа Чертеж Установка электропневмовыводов полуприцепа
МАЗ МАЗ-643068 (2003) 64221-3506380 Трубопровод спиральный Пневмовыводы на полуприцеп и присоединительная арматура Чертеж Пневмовыводы на полуприцеп и присоединительная арматура
МАЗ Общий (см. мод-ции) 64221-3506380 Трубопровод спиральный Установка электропневмовыводов полуприцепа
МАЗ МАЗ-543202 (2003) 64221-3506380 Трубопровод спиральный Пневмовыводы на полуприцеп и присоединительная арматура МАЗ-642208, 642205, 543208, 543205, 543203, 543202
МАЗ МАЗ-6422 (2003) 64221-3506380 Трубопровод спиральный Пневмовыводы на полуприцеп и присоединительная арматура МАЗ-642208, 642205, 543208, 543205, 543203, 543202
МАЗ МАЗ-544069 64221-3506380 Трубопровод спиральный Пневмовыводы на полуприцеп и присоединительная арматура
МАЗ МАЗ-64226 (2000) 64221-3506380 Трубопровод спиральный Установка электропневмовыводов полуприцепа
МАЗ МАЗ-54326 (2000) 64221-3506380 Трубопровод спиральный Установка электропневмовыводов полуприцепа Чертеж Установка электропневмовыводов полуприцепа
МАЗ МАЗ-5551 (2003) (2003) 64221-3506380 Трубопровод спиральный Пневмовыводы на полуприцеп и присоединительная арматура МАЗ-642208, 642205, 543208, 543205, 543203, 543202
МАЗ МАЗ-5432 (2003) 64221-3506380 Трубопровод спиральный Пневмовыводы на полуприцеп и присоединительная арматура МАЗ-642208, 642205, 543208, 543205, 543203, 543202 Чертеж Пневмовыводы на полуприцеп и присоединительная арматура МАЗ-642208, 642205, 543208, 543205, 543203, 543202
МАЗ МАЗ-5516 (2003) (2003) 64221-3506380 Трубопровод спиральный Пневмовыводы на полуприцеп и присоединительная арматура МАЗ-642208, 642205, 543208, 543205, 543203, 543202
МАЗ МАЗ-5440 (2002) 64221-3506380 Трубопровод спиральный Пневмовыводы и присоединительная арматура
МАЗ МАЗ-6430A8 (5440A8, 5440A5) (2008) 64221-3506380 Трубопровод спиральный Пневмовыводы на полуприцеп 544008-3521004 Чертеж Пневмовыводы на полуприцеп 544008-3521004
МАЗ МАЗ-6422, 5432 (2007) 64221-3506380 Трубопровод спиральный Пневмовыводы к полуприцепу 54321-3521004 Чертеж Пневмовыводы к полуприцепу 54321-3521004
МАЗ МАЗ-5440B9, 6430B9 (2013) 64221-3506380 Трубопровод спиральный Трубопровод соединительный 643020-3521384
Аналоги
Трубопровод 64221-3506380 ТАиМ 64221-3506380
Трубопровод 64221-3506380 ТАиМ
Каталожный номер 64221-3506380
Производитель Таим Таим
Код 00-ГР035931
Доставка по всей Беларуси
Доступность остатки на филиалах Остатки на филиалах
Остаток Под заказ
Товары из этой категории
Электродвигатель стеклоочистителя и механизм в сборе  JAC, Китай 5205010R1040
Электродвигатель стеклоочистителя и механизм в сборе JAC, Китай
Каталожный номер 5205010R1040
Производитель
Код 5205010R1040
Доставка по всей Беларуси
Остаток Под заказ
Педаль с кронштейном  ТАИМ,Бобруйск 64226-1108005
Педаль с кронштейном ТАИМ,Бобруйск
Каталожный номер 64226-1108005
Производитель
Код 642261108005
Доставка по всей Беларуси
Остаток Под заказ
Тяга продольная  БААЗ,Барановичи 6422-3003010-01
Тяга продольная БААЗ,Барановичи
Каталожный номер 6422-3003010-01
Производитель
Код 6422300301001
Доставка по всей Беларуси
Остаток Под заказ
Хомут  МАЗ ОАО 5337-1109118
Хомут МАЗ ОАО
Каталожный номер 5337-1109118
Производитель
Код 53371109118
Доставка по всей Беларуси
Остаток Под заказ
Кулак поворотный сб.  МАЗ ОАО 101-3001009-10
Кулак поворотный сб. МАЗ ОАО
Каталожный номер 101-3001009-10
Производитель
Код 101300100910
Доставка по всей Беларуси
Остаток Под заказ