Республика Беларусь,
г. Минск, ул. Селицкого 21к - центральный склад
Пн-пт с 8:00 до 17:00
Меню
200267 Болт М8-6дх45 ОСТ МАЗ ОАО
Наименование: Болт М8-6дх45 ОСТ МАЗ ОАО
Каталожный номер: 200267
Код товара: 200267
Доставка: по всей Беларуси
Остаток: под заказ 1-45 дней

Нашли не точность в описании товара? сообщить администратору.

+375 (44) 770-80-78 +375 (29) 747-80-78
* Выставить счет, получить техническую информацию и стоимость
Заказать деталь Онлайн
Описание
Наличие на филиалах
Применяемость
Заменить на СТО

200267 Болт М8-6дх45 ОСТ.

  • Производитель: МАЗ ОАО
  • Каталожный номер по заводу: 200267
  • Код для заказа:  200267
Марка Модель Кат.номер Наим. по каталогу Чертеж
МАЗ МАЗ-437040 (Зубренок) (2002) 200267 Болт М8-6gх45 Установка и пневмопитание сидений Чертеж Установка и пневмопитание сидений
МАЗ МАЗ-5337 200267 Болт М8-6gх45 Установка электропневмовыводов полуприцепа
МАЗ МАЗ-53371 200267 Болт М8-6gх45 Установка электропневмовыводов полуприцепа Чертеж Установка электропневмовыводов полуприцепа
МАЗ МАЗ-54321 200267 Болт М8-6gх45 Установка штепсельных розеток Чертеж Установка штепсельных розеток
МАЗ МАЗ-54323 200267 Болт М8-6gх45 Установка электропневмовыводов полуприцепа
МАЗ МАЗ-5434 200267 Болт М8-6gх45 Предпусковой подогреватель и его установка. Топливопроводы подогревателя Чертеж Предпусковой подогреватель и его установка. Топливопроводы подогревателя
МАЗ МАЗ-5516 200267 Болт М8-6gх45 Гидрооборудование механизма подъема платформы МАЗ-5516 Чертеж Гидрооборудование механизма подъема платформы МАЗ-5516
МАЗ МАЗ-5516 200267 Болт М8-6gх45 Установка электропневмовыводов полуприцепа
МАЗ МАЗ-5551 200267 Болт М8-6gх45 Установка электропневмовыводов полуприцепа Чертеж Установка электропневмовыводов полуприцепа
МАЗ МАЗ-64221 200267 Болт М8-6gх45 Установка штепсельных розеток Чертеж Установка штепсельных розеток
МАЗ МАЗ-64255 200267 Болт М8-6gх45 Предпусковой подогреватель и его установка. Топливопроводы подогревателя Чертеж Предпусковой подогреватель и его установка. Топливопроводы подогревателя
МАЗ МАЗ-64229 200267 Болт М8-6gх45 Установка электропневмовыводов полуприцепа Чертеж Установка электропневмовыводов полуприцепа
МАЗ МАЗ-643068 (2003) 200267 Болт М8-6gх45 Установка розеток и фары освещения сцепки
МАЗ Общий (см. мод-ции) 200267 Болт М8-6gх45 Гидрооборудование механизма подъема платформы МАЗ-5516
МАЗ Общий (см. мод-ции) 200267 Болт М8-6gх45 Установка электропневмовыводов полуприцепа
АМАЗ МАЗ-103 (2000) 200267 Болт М8-6gх45 Установка системы выпуска отработавших газов 103-1200001-20 Чертеж Установка системы выпуска отработавших газов 103-1200001-20
АМАЗ МАЗ-103 (2000) 200267 Болт М8-6gх45 Установка системы выпуска отработавших газов 103-1200001-41 Чертеж Установка системы выпуска отработавших газов 103-1200001-41
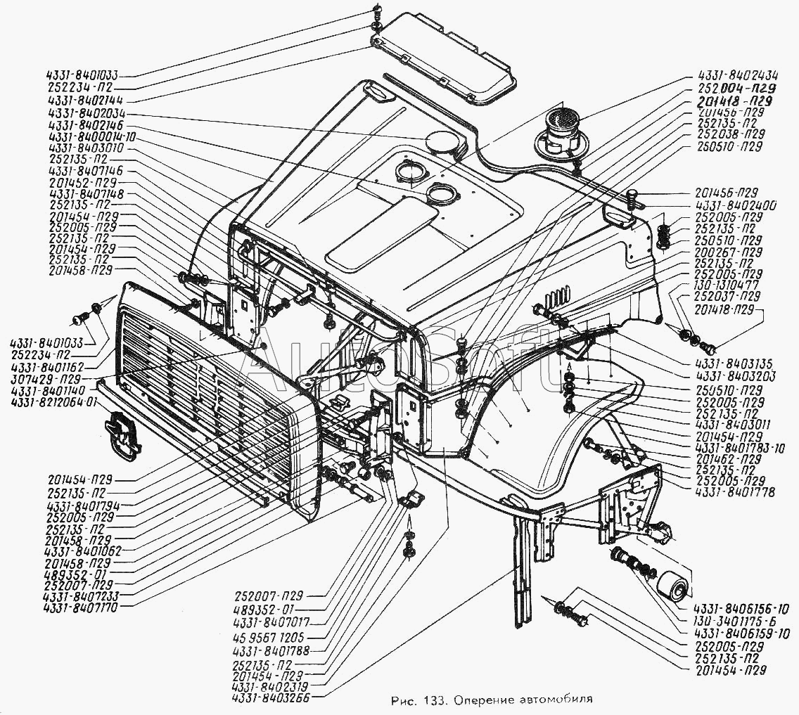
ЗИЛ ЗИЛ-433360 (1995) 200267-П29 Болт Оперение автомобиля Чертеж Оперение автомобиля
ЗИЛ ЗИЛ-442160 (1995) 200267-П29 Болт Оперение автомобиля Чертеж Оперение автомобиля
ЗИЛ ЗИЛ-494560 (1995) 200267-П29 Болт Оперение автомобиля
Товары из этой категории
Панель задняя правая  МАЗ ОАО 6422-8405036
Панель задняя правая МАЗ ОАО
Каталожный номер 6422-8405036
Производитель
Код 64228405036
Доставка по всей Беларуси
Остаток Под заказ
Лист 3  МАЗ ОАО 64222-2902103
Лист 3 МАЗ ОАО
Каталожный номер 64222-2902103
Производитель
Код 642222902103
Доставка по всей Беларуси
Остаток Под заказ
Подушка  ТАИМ,Бобруйск 500-1001035Б
Подушка ТАИМ,Бобруйск
Каталожный номер 500-1001035Б
Производитель
Код 5001001035Б
Доставка по всей Беларуси
Остаток Под заказ
Патрубок, МАЗ ОАО 256070-1203135-01
Патрубок, МАЗ ОАО
Каталожный номер 256070-1203135-01
Производитель
Код 256070120313501
Доставка по всей Беларуси
Остаток Под заказ
Кронштейн  ОЗАА,Осиповичи 54321-3538112
Кронштейн ОЗАА,Осиповичи
Каталожный номер 54321-3538112
Производитель
Код 543213538112
Доставка по всей Беларуси
Остаток Под заказ