Республика Беларусь,
г. Минск, ул. Селицкого 21к - центральный склад
Пн-пт с 8:00 до 17:00
Меню
864892 Тройник М14*1,5 КН1/8
Наименование: Тройник 864892 М14*1,5 КН1/8
Каталожный номер: 864892
Производитель: РФ
Код товара: 59740
Доставка: по всей Беларуси
Остаток: под заказ

Нашли не точность в описании товара? сообщить администратору.

+375 (44) 770-80-78 +375 (29) 747-80-78
* Выставить счет, получить техническую информацию и стоимость
Заказать деталь Онлайн
Описание
Наличие на филиалах
Применяемость
Заменить на СТО

Тройник 864892 М14*1,5 КН1/8 производства РФ (РФ), Код для заказа: 59740

Марка Модель Кат.номер Наим. по каталогу Чертеж
Камский автозавод 4310 864892 Тройник ввертной симметричный Электрический и пневматический звуковые сигналы, электропневмоклапан Чертеж Электрический и пневматический звуковые сигналы, электропневмоклапан
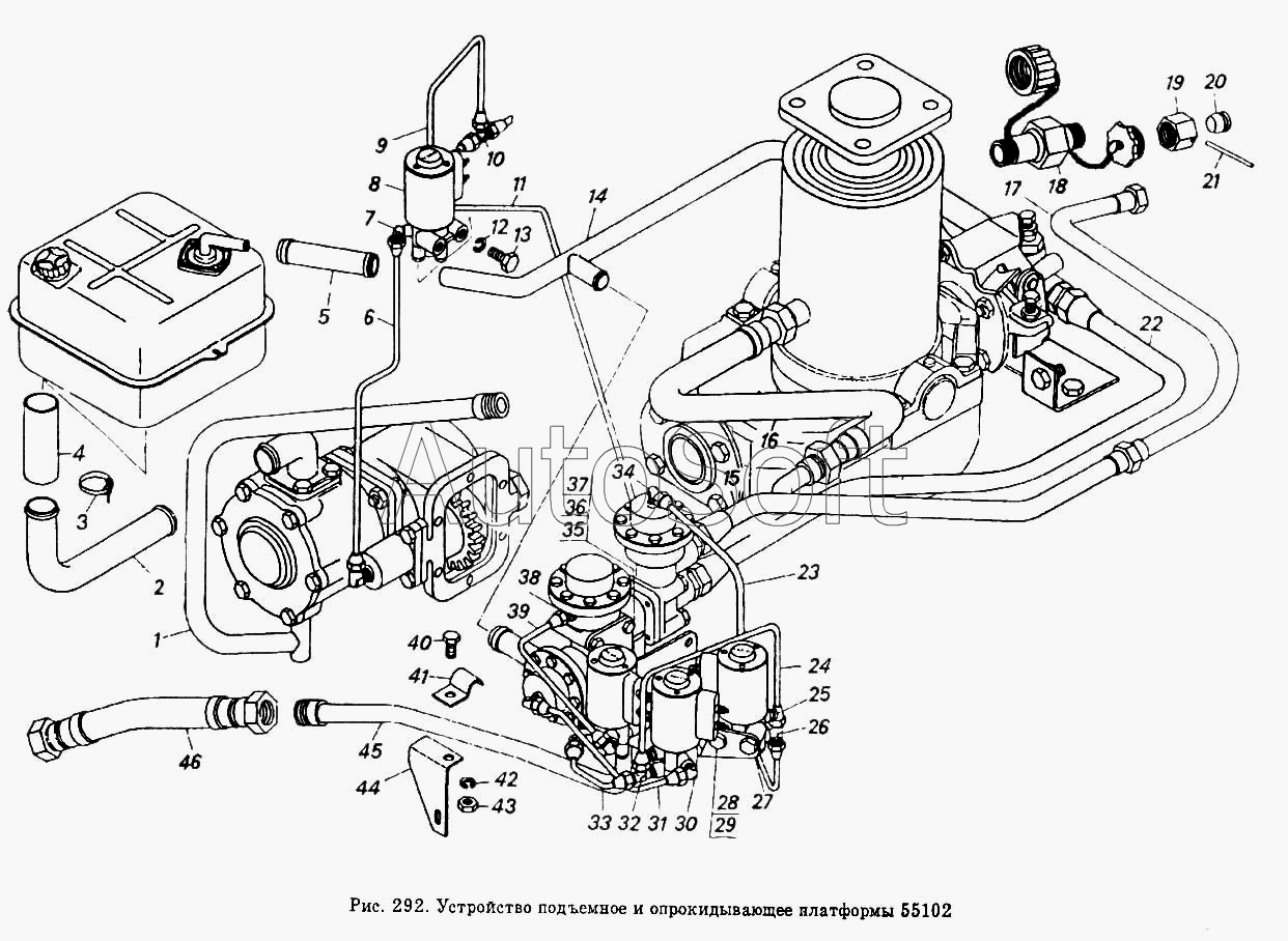
Камский автозавод 5320 864892 Тройник ввертной симметричный Устройство подъемное и опрокидывающее платформы 55102 Чертеж Устройство подъемное и опрокидывающее платформы 55102
Камский автозавод 5320 864892 Тройник ввертной симметричный Устройство подъемное и опрокидывающее платформы 55102 Чертеж Устройство подъемное и опрокидывающее платформы 55102
Камский автозавод 5320 864892 Тройник ввертной симметричный Привод управления сцеплением Чертеж Привод управления  сцеплением
Камский автозавод 5320 864892 Тройник ввертной симметричный Трубопроводы пневмотормозов Чертеж Трубопроводы пневмотормозов
Камский автозавод 5320 864892 Тройник ввертной симметричный Установка и привод вспомогательного тормоза Чертеж Установка и привод вспомогательного тормоза
Камский автозавод 5320 864892 Тройник ввертной симметричный Сигналы звуковые пневматические
Камский автозавод 53212 864892 Тройник ввертной симметричный Устройство подъемное и опрокидывающее платформы 55102
Камский автозавод 53212 864892 Тройник ввертной симметричный Устройство подъемное и опрокидывающее платформы 55102
Камский автозавод 53212 864892 Тройник ввертной симметричный Привод управления сцеплением Чертеж Привод управления  сцеплением
Камский автозавод 53212 864892 Тройник ввертной симметричный Трубопроводы пневмотормозов Чертеж Трубопроводы пневмотормозов
Камский автозавод 53212 864892 Тройник ввертной симметричный Установка и привод вспомогательного тормоза Чертеж Установка и привод вспомогательного тормоза
Камский автозавод 53212 864892 Тройник ввертной симметричный Сигналы звуковые пневматические Чертеж Сигналы звуковые пневматические
Камский автозавод 5410 864892 Тройник ввертной симметричный Устройство подъемное и опрокидывающее платформы 55102
Камский автозавод 5410 864892 Тройник ввертной симметричный Устройство подъемное и опрокидывающее платформы 55102
Камский автозавод 5410 864892 Тройник ввертной симметричный Привод управления сцеплением
Камский автозавод 5410 864892 Тройник ввертной симметричный Трубопроводы пневмотормозов Чертеж Трубопроводы пневмотормозов
Камский автозавод 5410 864892 Тройник ввертной симметричный Установка и привод вспомогательного тормоза Чертеж Установка и привод вспомогательного тормоза
Камский автозавод 5410 864892 Тройник ввертной симметричный Сигналы звуковые пневматические
Камский автозавод 54112 864892 Тройник ввертной симметричный Устройство подъемное и опрокидывающее платформы 55102 Чертеж Устройство подъемное и опрокидывающее платформы 55102
Товары из этой категории
Металлорукав 54115-1203012 сильфон 54115-1203012
Металлорукав 54115-1203012 сильфон
Каталожный номер 54115-1203012
Производитель RSTA RSTA
Код 00-ГР032124
Доставка по всей Беларуси
Доступность остатки на филиалах Остатки на филиалах
Остаток: г.Минск, ул.Селицкого 21к В наличии
Склад Адрес Контакт Остатки
г. Минск ул. Селицкого, 21к +375 (44) 770-80-78 ( Мало )
Схема проезда
г. Бобруйск ул. Орловского, 22к3 +375 (29) 345-37-07 ( Мало )
Схема проезда
г. Борисов ул. Демина, 2а +375 (44) 560-99-75 ( Мало )
Схема проезда
Хомут глушителя + стремянка 54115-1203060/54115-1203061 54115-1203060/54115-1203061
Хомут глушителя + стремянка 54115-1203060/54115-1203061
Каталожный номер 54115-1203060/54115-1203061
Производитель РФ РФ
Код 00-ГР002653
Доставка по всей Беларуси
Доступность остатки на филиалах Остатки на филиалах
Остаток Под заказ
Труба 4326-1203014-41 выхлопная левая 4326-1203014-41
Труба 4326-1203014-41 выхлопная левая
Каталожный номер 4326-1203014-41
Производитель КАМАЗ КАМАЗ
Код 00-ГР014550
Доставка по всей Беларуси
Доступность остатки на филиалах Остатки на филиалах
Остаток Под заказ
Масло моторное 5W-30 TITAN GT1 PRO C-3 (5 л.) 5W-30
Масло моторное 5W-30 TITAN GT1 PRO C-3 (5 л.)
Каталожный номер 5W-30
Производитель ТИТАН ТИТАН
Код 00-ГР038749
Доставка по всей Беларуси
Доступность остатки на филиалах Остатки на филиалах
Остаток Под заказ
Металлорукав  сетка 54115-1203012
Металлорукав сетка
Каталожный номер 54115-1203012
Производитель Гибкие Соединения Гибкие Соединения
Код 43022
Доставка по всей Беларуси
Доступность остатки на филиалах Остатки на филиалах
Остаток: г.Минск, ул.Селицкого 21к В наличии
Склад Адрес Контакт Остатки
г. Минск ул. Селицкого, 21к +375 (44) 770-80-78 ( Много )
Схема проезда
г. Барановичи ул. Бадака, 27Б +375 (29) 350-33-47 ( Мало )
Схема проезда
г. Березино ул. Комсомольская, д. 24 +375 (44) 770-80-17 ( Мало )
Схема проезда
г. Бобруйск ул. Орловского, 22к3 +375 (29) 345-37-07 ( Мало )
Схема проезда
г. Борисов ул. Демина, 2а +375 (44) 560-99-75 ( Мало )
Схема проезда
г. Витебск ул. Петруся Бровки, 34 +375 (29) 636-25-08 ( Мало )
Схема проезда
г. Ошмяны ул. Льнозоводская 3 +375 (44) 770-80-91 ( Средне )
Схема проезда
г. Пинск ул. Калиновского 32 +375 (44) 560-99-59 ( Мало )
Схема проезда
г. Полоцк-2 ул. Шенягина, 52 +375 (29) 302-94-73 ( Мало )
Схема проезда
г. Сморгонь ул. Железнодорожная, 32 +375 (29) 671-02-10 ( Мало )
Схема проезда
г. Столин ул. Быковского, 29 +375 (33) 304-54-36 ( Мало )
Схема проезда