Республика Беларусь,
г. Минск, ул. Селицкого 21к - центральный склад
Пн-пт с 8:00 до 17:00
Меню
4326-1203014-41 Труба выхлопная левая
Наименование: Труба 4326-1203014-41 выхлопная левая
Каталожный номер: 4326-1203014-41
Производитель: КАМАЗ
Код товара: 00-ГР014550
Доставка: по всей Беларуси
Остаток: под заказ

Нашли не точность в описании товара? сообщить администратору.

+375 (44) 770-80-78 +375 (29) 747-80-78
* Выставить счет, получить техническую информацию и стоимость
Заказать деталь Онлайн
Описание
Наличие на филиалах
Применяемость
Заменить на СТО

Труба 4326-1203014-41 выхлопная левая производства КАМАЗ (РФ), Код для заказа: 00-ГР014550

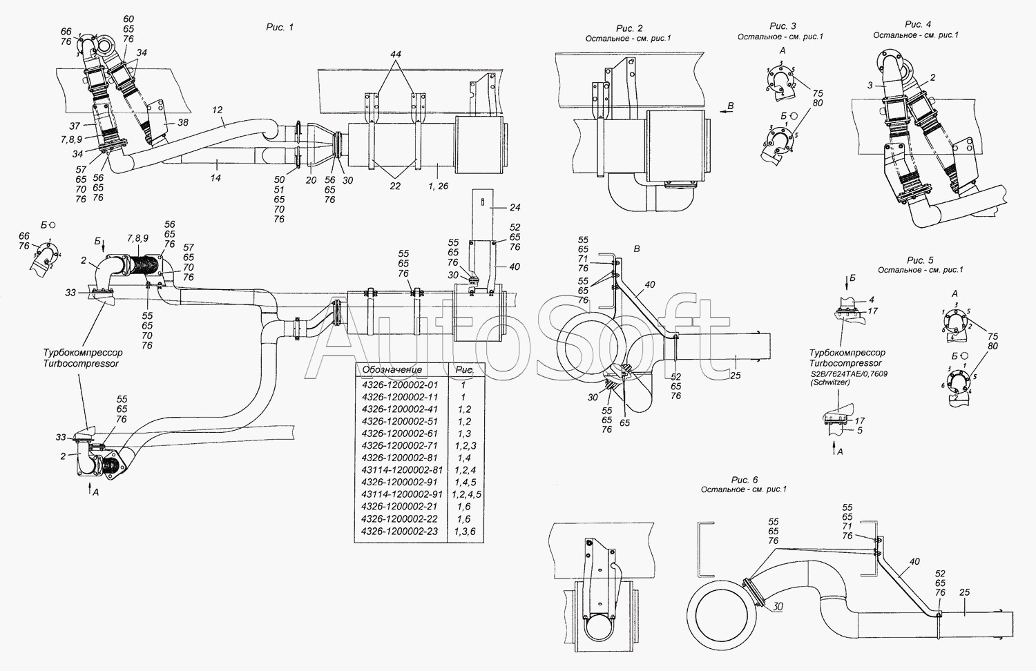
Марка Модель Кат.номер Наим. по каталогу Чертеж
Камский автозавод 4326 (2001) 4326-1203014-10 Труба левая Система выпуска газа Чертеж Система выпуска газа
Камский автозавод 43114 4326-1203014-10 Труба левая Установка глушителя выхлопа Чертеж Установка глушителя выхлопа
Камский автозавод 43118 (2002) 4326-1203014-10 Труба левая Установка системы выпуска Чертеж Установка системы выпуска
Камский автозавод 4326 (2003г) 4326-1203014-10 Труба левая Установка системы выпуска Чертеж Установка системы выпуска
Камский автозавод 53228, 65111 (2004) 4326-1203014-10 Труба левая Установка системы выпуска Чертеж Установка системы выпуска
Камский автозавод 53228, 65111 (2004) 4326-1203014-22 Труба левая Установка системы выпуска Чертеж Установка системы выпуска
Камский автозавод 53228, 65111 (2004) 4326-1203014-22 Труба левая Установка системы выпуска Чертеж Установка системы выпуска
Камский автозавод 43501 (4х4) (2007) 4326-1203014-22 Труба левая 4326-1200002-01 Установка системы выпуска Чертеж 4326-1200002-01 Установка системы выпуска
Камский автозавод 4350 (4х4) (2004) 4326-1203014-22 Труба левая 4326-1200002-01 Установка системы выпуска Чертеж 4326-1200002-01 Установка системы выпуска
Камский автозавод 4350 (4х4) (2004) 4326-1203014-22 Труба левая 4326-1200002-01 Установка системы выпуска Чертеж 4326-1200002-01 Установка системы выпуска
Камский автозавод 43261 (Евро-1, 2) (2007) 4326-1203014-21 Труба левая 4326-1200002-01 Установка системы выпуска Чертеж 4326-1200002-01 Установка системы выпуска
Камский автозавод 43261 (Евро-1, 2) (2007) 4326-1203014-22 Труба левая 43501-1200002 Установка системы выпуска Чертеж 43501-1200002 Установка системы выпуска
Камский автозавод 43502 (Евро 4) (2013) 4326-1203014-41 Труба левая 4326-1200004 Установка системы выпуска Чертеж 4326-1200004 Установка системы выпуска
Камский автозавод 65111 (Евро 4) (2012) 4326-1203014-40 Труба левая 65111-1200004 Установка системы выпуска Чертеж 65111-1200004 Установка системы выпуска
Камский автозавод 43118 (Евро 4) (2012) 4326-1203014-41 Труба левая 4326-1200004 Установка системы выпуска Чертеж 4326-1200004 Установка системы выпуска
Товары из этой категории
Прокладка глушителя 5320-1203020
Прокладка глушителя
Каталожный номер 5320-1203020
Производитель RSTA RSTA
Код 14795
Доставка по всей Беларуси
Доступность остатки на филиалах Остатки на филиалах
Остаток Под заказ
Глушитель 5320-1201010
Глушитель
Каталожный номер 5320-1201010
Производитель RSTA RSTA
Код 11193
Доставка по всей Беларуси
Доступность остатки на филиалах Остатки на филиалах
Остаток: г.Минск, ул.Селицкого 21к В наличии
Склад Адрес Контакт Остатки
г. Минск ул. Селицкого, 21к +375 (44) 770-80-78 ( Средне )
Схема проезда
г. Бобруйск ул. Орловского, 22к3 +375 (29) 345-37-07 ( Мало )
Схема проезда
Металлорукав 54115-1203012
Металлорукав
Каталожный номер 54115-1203012
Производитель КММЗ КММЗ
Код 14842
Доставка по всей Беларуси
Доступность остатки на филиалах Остатки на филиалах
Остаток: г.Минск, ул.Селицкого 21к В наличии
Склад Адрес Контакт Остатки
г. Минск ул. Селицкого, 21к +375 (44) 770-80-78 ( Средне )
Схема проезда
г. Житковичи ул. Комсомольская, 49 +375 (29) 394-82-52 ( Мало )
Схема проезда
г. Пинск ул. Калиновского 32 +375 (44) 560-99-59 ( Средне )
Схема проезда
г. Полоцк-2 ул. Шенягина, 52 +375 (29) 302-94-73 ( Мало )
Схема проезда
Металлорукав  сетка 54115-1203012
Металлорукав сетка
Каталожный номер 54115-1203012
Производитель Гибкие Соединения Гибкие Соединения
Код 43022
Доставка по всей Беларуси
Доступность остатки на филиалах Остатки на филиалах
Остаток: г.Минск, ул.Селицкого 21к В наличии
Склад Адрес Контакт Остатки
г. Минск ул. Селицкого, 21к +375 (44) 770-80-78 ( Много )
Схема проезда
г. Барановичи ул. Бадака, 27Б +375 (29) 350-33-47 ( Мало )
Схема проезда
г. Березино ул. Комсомольская, д. 24 +375 (44) 770-80-17 ( Мало )
Схема проезда
г. Бобруйск ул. Орловского, 22к3 +375 (29) 345-37-07 ( Мало )
Схема проезда
г. Борисов ул. Демина, 2а +375 (44) 560-99-75 ( Мало )
Схема проезда
г. Витебск ул. Петруся Бровки, 34 +375 (29) 636-25-08 ( Мало )
Схема проезда
г. Ошмяны ул. Льнозоводская 3 +375 (44) 770-80-91 ( Средне )
Схема проезда
г. Пинск ул. Калиновского 32 +375 (44) 560-99-59 ( Мало )
Схема проезда
г. Полоцк-2 ул. Шенягина, 52 +375 (29) 302-94-73 ( Мало )
Схема проезда
г. Сморгонь ул. Железнодорожная, 32 +375 (29) 671-02-10 ( Мало )
Схема проезда
г. Столин ул. Быковского, 29 +375 (33) 304-54-36 ( Мало )
Схема проезда
Прокладка приемной трубы КАМАЗ 863420
Прокладка приемной трубы КАМАЗ
Каталожный номер 863420
Производитель RSTA RSTA
Код 11405
Доставка по всей Беларуси
Доступность остатки на филиалах Остатки на филиалах
Остаток В наличии
Склад Адрес Контакт Остатки
г. Минск ул. Бабушкина, 37 +375 (29) 632-00-82 ( Средне )
Схема проезда