Республика Беларусь,
г. Минск, ул. Селицкого 21к - центральный склад
Пн-пт с 8:00 до 17:00
Меню
SV1493 Регулятор положения сидения
Наименование: Регулятор положения сидения SV1493
Каталожный номер: SV1493
Производитель: РФ
Код товара: 8553
Доставка: по всей Беларуси
Остаток: в наличии

Нашли не точность в описании товара? сообщить администратору.

+375 (44) 770-80-78 +375 (29) 747-80-78
* Выставить счет, получить техническую информацию и стоимость
Заказать деталь Онлайн
Описание
Наличие на филиалах
Применяемость
Заменить на СТО

БС вес: 0,1 на 16.07.2020

Код для заказа: 8553

Марка Модель Кат.номер Наим. по каталогу Чертеж
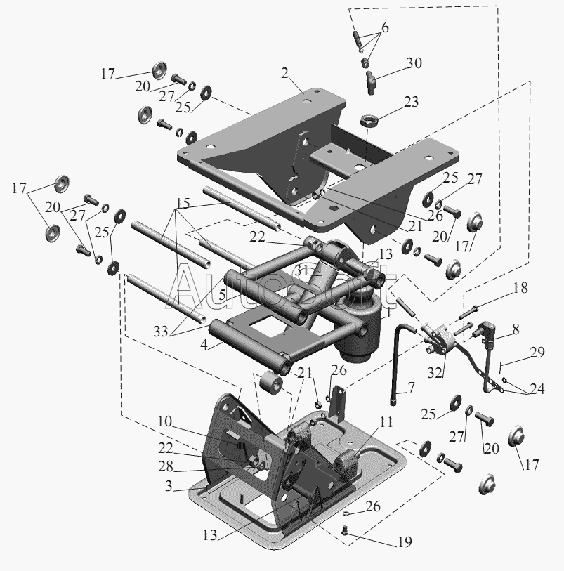
АМАЗ МАЗ-256 SV1493 Клапан Кnоrr-Вrеmsе Установка и пневмопитание сидений 256000-6800006-010
АМАЗ МАЗ-256 (вариант) (2006) SV1493 Клапан Кnоrr-Вrеmsе Установка и пневмопитание сидений Чертеж Установка и пневмопитание сидений
АМАЗ МАЗ-103 (2011) (2011) SV1493 Клапан Кnоrr-Вrеmsе Установка и пневмопитание сиденья водителя 103-6800006-01 (с байонетным разъёмом)
МАЗ МАЗ-544069 SV1493 Клапан Подставка сиденья с пневмооборудованием 6430-6807006-010 Чертеж Подставка сиденья с пневмооборудованием 6430-6807006-010
МАЗ МАЗ-5516А5 (2007) SV1493 Клапан Подставка сиденья с пневмооборудованием 6430-6807006-010 Чертеж Подставка сиденья с пневмооборудованием 6430-6807006-010
МАЗ МАЗ-650119 (2010) SV1493 Клапан Подставка сиденья с пневмооборудованием 6430-6807006-010 Чертеж Подставка сиденья с пневмооборудованием 6430-6807006-010
МАЗ МАЗ-6430A8 (5440A8, 5440A5) (2008) SV1493 Клапан Подставка сиденья с пневмооборудованием 6430-6807006-010 Чертеж Подставка сиденья с пневмооборудованием 6430-6807006-010
МАЗ МАЗ-555142 (2007) SV1493 Клапан Подставка сиденья с пневмооборудованием 6430-6807006-010 Чертеж Подставка сиденья с пневмооборудованием 6430-6807006-010
МАЗ МАЗ-551605 (2007) SV1493 Клапан Подставка сиденья с пневмооборудованием 6430-6807006-010 Чертеж Подставка сиденья с пневмооборудованием 6430-6807006-010
МАЗ МАЗ-631236 (2007) SV1493 Клапан Подставка сиденья с пневмооборудованием 6430-6807006-010
МАЗ МАЗ-6422, 5432 (2007) SV1493 Клапан Подставка сиденья с пневмооборудованием 6430-6807006-010 Чертеж Подставка сиденья с пневмооборудованием 6430-6807006-010
МАЗ МАЗ-6303A3, 6303A5 (2007) SV1493 Клапан Подставка сиденья с пневмооборудованием 6430-6807006-010 Чертеж Подставка сиденья с пневмооборудованием 6430-6807006-010
МАЗ МАЗ-555102, 5551А2 (2007) SV1493 Клапан Подставка сиденья с пневмооборудованием 6430-6807006-010 Чертеж Подставка сиденья с пневмооборудованием 6430-6807006-010
МАЗ МАЗ-651705 (2009) SV1493 Клапан Подставка сиденья с пневмооборудованием 6430-6807006-010 Чертеж Подставка сиденья с пневмооборудованием 6430-6807006-010
МАЗ МАЗ-5440B9, 6430B9 (2013) SV1493 Клапан Подставка сиденья с пневмооборудованием 6430-6807006-010 Чертеж Подставка сиденья с пневмооборудованием 6430-6807006-010
МАЗ МАЗ-630333 (2012) SV1493 Клапан Подставка сиденья с пневмооборудованием 6430-6807006-010 Чертеж Подставка сиденья с пневмооборудованием 6430-6807006-010
МАЗ МАЗ-437130 (Зубренок) (2008) SV1493 Клапан Подставка сиденья с пневмооборудованием 6430-6807006-010 Чертеж Подставка сиденья с пневмооборудованием 6430-6807006-010
МАЗ МАЗ-437040 (Зубренок) (2005) SV1493 Клапан Подставка сиденья с пневмооборудованием 6430-6807006-010 Чертеж Подставка сиденья с пневмооборудованием 6430-6807006-010
МАЗ МАЗ-437041 (Зубренок) (2010) SV1493 Клапан Подставка сиденья с пневмооборудованием 6430-6807006-010 Чертеж Подставка сиденья с пневмооборудованием 6430-6807006-010
МАЗ МАЗ-551669 (2008) SV1493 Клапан Подставка сиденья с пневмооборудованием 6430-6807006-010 Чертеж Подставка сиденья с пневмооборудованием 6430-6807006-010
Склад Адрес Контакт Остатки
г. Витебск ул. Петруся Бровки, 34 +375 (29) 636-25-08 ( Мало )
Схема проезда
г. Барановичи ул. Бадака, 27Б +375 (29) 350-33-47 Под заказ
Схема проезда
г. Барановичи ул. Пролетарская, 40 +375 (29) 795-96-37 Под заказ
Схема проезда
г. Берёза ул. Красноармейская, 89/11 +375 (29) 676-70-71 Под заказ
Схема проезда
г. Березино ул. Комсомольская, д. 24 +375 (44) 770-80-17 Под заказ
Схема проезда
г. Бобруйск ул. Орловского, 22к3 +375 (29) 345-37-07 Под заказ
Схема проезда
г. Бобруйск ул. Гоголя, 181/1-6 +375 (29) 630-05-01 Под заказ
Схема проезда
г. Борисов ул. Демина, 2а +375 (44) 560-99-75 Под заказ
Схема проезда
г. Брест Тельминский с/с, 1Д/1, 1 км южнее д. Тельмы-2 +375 (44) 599-90-75 Под заказ
Схема проезда
г. Витебск ул. Правды, 33 +375 (44) 770-80-87 Под заказ
Схема проезда
г. Глубокое ул. Энгельса, 22 +375 (44) 505-71-40 Под заказ
Схема проезда
г. Гомель ул. Барыкина, 291Б +375 (44) 514-15-30 Под заказ
Схема проезда
г. Гомель ул. Текстильная, 10 +375 (44) 540-02-05 Под заказ
Схема проезда
г. Горки ул.Мира, д.51а/1 +375 (44) 565-33-61 Под заказ
Схема проезда
г. Гродно ул. Карского, 35 +375 (44) 770-70-21 Под заказ
Схема проезда
г. Дрогичин ул. Юбилейная, 42 +375 (29) 682-17-13 Под заказ
Схема проезда
г. Дятлово ул. Советская ,104 +375 (29) 187-87-37 Под заказ
Схема проезда
г. Житковичи ул. Комсомольская, 49 +375 (29) 394-82-52 Под заказ
Схема проезда
г. Жлобин ул. Козлова, 25 +375 (29) 346-06-78 Под заказ
Схема проезда
г. Ивацевичи ул. Загородная, 6А +375 (29) 188-59-01 Под заказ
Схема проезда
г. Кобрин ул. Пролетарская, 177А +375 (44) 588-10-80 Под заказ
Схема проезда
г. Кричев ул. Комсомольская, 126 +375 (29) 628-88-42 Под заказ
Схема проезда
г. Лельчицы ул. Советская, д.96/1 +375 (29) 346-98-96 Под заказ
Схема проезда
г. Лепель ул. Лобанка, 43 +375 (44) 778-65-21 Под заказ
Схема проезда
г. Лида ул. Качана, 7 +375 (29) 612-60-61 Под заказ
Схема проезда
г. Лунинец ул.Красная, 175а +375 (44) 721-46-74 Под заказ
Схема проезда
г. Минск ул. Бабушкина, 37 +375 (29) 632-00-82 Под заказ
Схема проезда
г. Минск ул. Селицкого, 21к +375 (44) 770-80-78 Под заказ
Схема проезда
г. Могилев ул. Габровская 11Б +375 (29) 662-02-16 Под заказ
Схема проезда
г. Мозырь промузел Козенки +375 (44) 731-94-60 Под заказ
Схема проезда
г. Молодечно ул. Галицкого, 14 +375 (44) 567-28-47 Под заказ
Схема проезда
г. Несвиж ул. Кутузова, 2 +375 (29) 394-82-48 Под заказ
Схема проезда
г. Новогрудок ул. Индустриальная, 3 +375 (44) 729-39-19 Под заказ
Схема проезда
г. Орша ул. Сергея Кирова, д. 34 +375 (44) 583-91-42 Под заказ
Схема проезда
г. Осиповичи ул. Короткая, 11 +375 (29) 165-60-07 Под заказ
Схема проезда
г. Ошмяны ул. Льнозоводская 3 +375 (44) 770-80-91 Под заказ
Схема проезда
г. Петриков ул. Первомайская, 124 +375 (33) 660-06-75 Под заказ
Схема проезда
г. Пинск ул. Калиновского 32 +375 (44) 560-99-59 Под заказ
Схема проезда
г. Полоцк ул. Пролетарская, 6 +375 (29) 644-57-58 Под заказ
Схема проезда
г. Полоцк ул. Строительная, 30Б +375 (29) 302-97-91 Под заказ
Схема проезда
г. Полоцк-2 ул. Шенягина, 52 +375 (29) 302-94-73 Под заказ
Схема проезда
г. Поставы ул. Советская, 69 +375 (44) 770-80-13 Под заказ
Схема проезда
г. Пружаны ул. Макаренко, 21 +375 (29) 348-83-18 Под заказ
Схема проезда
г. Слоним ул. Советская, 93а +375 (29) 394-82-01 Под заказ
Схема проезда
г. Слуцк ул. Тутаринова, 8 +375 (29) 346-06-90 Под заказ
Схема проезда
г. Сморгонь ул. Железнодорожная, 32 +375 (29) 671-02-10 Под заказ
Схема проезда
г. Солигорск Чижевичский сельсовет, 3Г +375 (29) 899-58-52 Под заказ
Схема проезда
г. Столин ул. Быковского, 29 +375 (33) 304-54-36 Под заказ
Схема проезда
г. Щучин ул. Советская, 39 +375 (29) 177-29-70 Под заказ
Схема проезда
Товары из этой категории
Пневмобаллон сиденья V075195 (6430-6807008) СМ V 075195
Пневмобаллон сиденья V075195 (6430-6807008) СМ
Каталожный номер V 075195
Производитель СпецМаш СпецМаш
Код 7251
Доставка по всей Беларуси
Доступность остатки на филиалах Остатки на филиалах
Остаток В наличии
Склад Адрес Контакт Остатки
г. Березино ул. Комсомольская, д. 24 +375 (44) 770-80-17 ( Мало )
Схема проезда
г. Бобруйск ул. Гоголя, 181/1-6 +375 (29) 630-05-01 ( Мало )
Схема проезда
г. Бобруйск ул. Орловского, 22к3 +375 (29) 345-37-07 ( Мало )
Схема проезда
г. Витебск ул. Правды, 33 +375 (44) 770-80-87 ( Мало )
Схема проезда
г. Глубокое ул. Энгельса, 22 +375 (44) 505-71-40 ( Мало )
Схема проезда
г. Гомель ул. Барыкина, 291Б +375 (44) 514-15-30 ( Мало )
Схема проезда
г. Дятлово ул. Советская ,104 +375 (29) 187-87-37 ( Средне )
Схема проезда
г. Жлобин ул. Козлова, 25 +375 (29) 346-06-78 ( Мало )
Схема проезда
г. Кричев ул. Комсомольская, 126 +375 (29) 628-88-42 ( Средне )
Схема проезда
г. Молодечно ул. Галицкого, 14 +375 (44) 567-28-47 ( Средне )
Схема проезда
г. Несвиж ул. Кутузова, 2 +375 (29) 394-82-48 ( Средне )
Схема проезда
г. Новогрудок ул. Индустриальная, 3 +375 (44) 729-39-19 ( Средне )
Схема проезда
г. Ошмяны ул. Льнозоводская 3 +375 (44) 770-80-91 ( Мало )
Схема проезда
г. Петриков ул. Первомайская, 124 +375 (33) 660-06-75 ( Мало )
Схема проезда
г. Полоцк-2 ул. Шенягина, 52 +375 (29) 302-94-73 ( Средне )
Схема проезда
г. Поставы ул. Советская, 69 +375 (44) 770-80-13 ( Мало )
Схема проезда
г. Пружаны ул. Макаренко, 21 +375 (29) 348-83-18 ( Мало )
Схема проезда
г. Слоним ул. Советская, 93а +375 (29) 394-82-01 ( Мало )
Схема проезда
г. Столин ул. Быковского, 29 +375 (33) 304-54-36 ( Мало )
Схема проезда
Кран уровня пола 464 007 010 0, SV1490 (FPV008) FENOX FPV008
Кран уровня пола 464 007 010 0, SV1490 (FPV008) FENOX
Каталожный номер FPV008
Производитель FENOX FENOX
Код 41773
Доставка по всей Беларуси
Доступность остатки на филиалах Остатки на филиалах
Остаток: г.Минск, ул.Селицкого 21к В наличии
Склад Адрес Контакт Остатки
г. Минск ул. Селицкого, 21к +375 (44) 770-80-78 ( Средне )
Схема проезда
г. Берёза ул. Красноармейская, 89/11 +375 (29) 676-70-71 ( Мало )
Схема проезда
г. Витебск ул. Петруся Бровки, 34 +375 (29) 636-25-08 ( Мало )
Схема проезда
г. Гомель ул. Барыкина, 291Б +375 (44) 514-15-30 ( Мало )
Схема проезда
г. Дятлово ул. Советская ,104 +375 (29) 187-87-37 ( Мало )
Схема проезда
г. Житковичи ул. Комсомольская, 49 +375 (29) 394-82-52 ( Мало )
Схема проезда
г. Кричев ул. Комсомольская, 126 +375 (29) 628-88-42 ( Мало )
Схема проезда
г. Могилев ул. Габровская 11Б +375 (29) 662-02-16 ( Мало )
Схема проезда
г. Орша ул. Сергея Кирова, д. 34 +375 (44) 583-91-42 ( Средне )
Схема проезда
г. Полоцк-2 ул. Шенягина, 52 +375 (29) 302-94-73 ( Мало )
Схема проезда
Сиденье водителя в сборе 6430-6800010
Сиденье водителя в сборе
Каталожный номер 6430-6800010
Производитель ОЗАА ОЗАА
Код 3109
Доставка по всей Беларуси
Доступность остатки на филиалах Остатки на филиалах
Остаток: г.Минск, ул.Селицкого 21к В наличии
Склад Адрес Контакт Остатки
г. Минск ул. Селицкого, 21к +375 (44) 770-80-78 ( Мало )
Схема проезда
г. Витебск ул. Правды, 33 +375 (44) 770-80-87 ( Мало )
Схема проезда
г. Гомель ул. Барыкина, 291Б +375 (44) 514-15-30 ( Мало )
Схема проезда
Фиксатор (направляющая обоймы) 6430-6105039
Фиксатор (направляющая обоймы)
Каталожный номер 6430-6105039
Производитель МАЗ МАЗ
Код 3369
Доставка по всей Беларуси
Доступность остатки на филиалах Остатки на филиалах
Остаток: г.Минск, ул.Селицкого 21к В наличии
Склад Адрес Контакт Остатки
г. Минск ул. Селицкого, 21к +375 (44) 770-80-78 ( Средне )
Схема проезда
г. Бобруйск ул. Орловского, 22к3 +375 (29) 345-37-07 ( Средне )
Схема проезда
Сиденье водителя 5336-6800010
Сиденье водителя
Каталожный номер 5336-6800010
Производитель МАЗ МАЗ
Код 1561
Доставка по всей Беларуси
Доступность остатки на филиалах Остатки на филиалах
Остаток: г.Минск, ул.Селицкого 21к В наличии
Склад Адрес Контакт Остатки
г. Минск ул. Селицкого, 21к +375 (44) 770-80-78 ( Средне )
Схема проезда
г. Витебск ул. Правды, 33 +375 (44) 770-80-87 ( Мало )
Схема проезда