Республика Беларусь,
г. Минск, ул. Селицкого 21к - центральный склад
Пн-пт с 8:00 до 17:00
Меню
250640 Гайка м20х1.5-6н ост3700112475 МАЗ ОАО
Наименование: Гайка м20х1.5-6н ост3700112475 МАЗ ОАО
Каталожный номер: 250640
Код товара: 250640
Доставка: по всей Беларуси
Остаток: под заказ 1-45 дней

Нашли не точность в описании товара? сообщить администратору.

+375 (44) 770-80-78 +375 (29) 747-80-78
* Выставить счет, получить техническую информацию и стоимость
Заказать деталь Онлайн
Описание
Наличие на филиалах
Применяемость
Заменить на СТО

250640 Гайка м20х1.5-6н ост3700112475.

  • Производитель: МАЗ ОАО
  • Каталожный номер по заводу: 250640
  • Код для заказа:  250640
Марка Модель Кат.номер Наим. по каталогу Чертеж
ГАЗ ГАЗ-52-01 250640-П8 Гайка М20х1,5 болта ступицы переднего колеса Ступицы передних колес Чертеж Ступицы передних колес
ГАЗ ГАЗ-66 (Каталог 1996 г.) (1996) 250640-П29 Гайка М20Х1,5-6Н Механизм и привод управления сцеплением
МАЗ МАЗ-500А 250640-П29 Гайка Схема вентиляции и отопления кабины
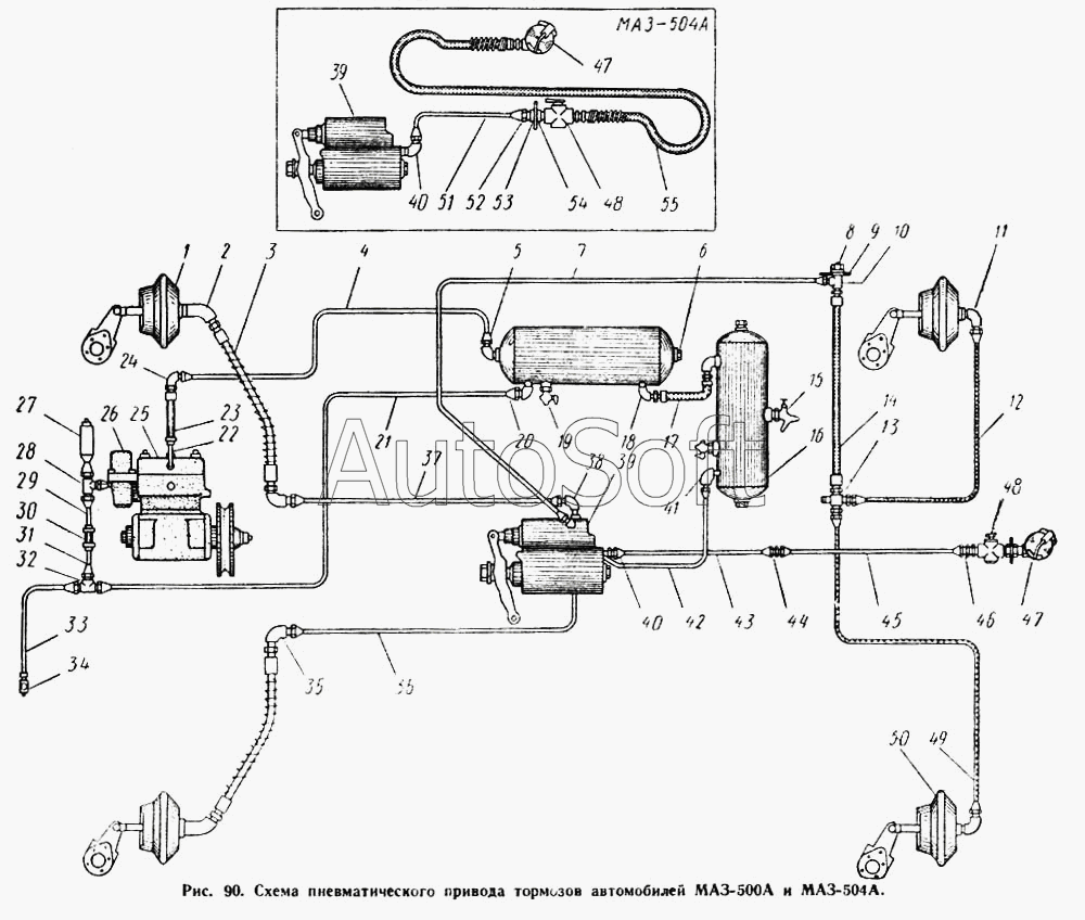
МАЗ МАЗ-500А 250640-П29 Гайка Схема пневматического привода тормозов автомобилей МАЗ-500А и МАЗ-504А Чертеж Схема пневматического привода тормозов автомобилей МАЗ-500А и МАЗ-504А
МАЗ МАЗ-500А 250640-П29 Гайка Схема пневматического привода тормозов автомобиля МАЗ-503А
МАЗ МАЗ-503А 250640-П29 Гайка Схема вентиляции и отопления кабины Чертеж Схема вентиляции и отопления кабины
МАЗ МАЗ-503А 250640-П29 Гайка Схема пневматического привода тормозов автомобилей МАЗ-500А и МАЗ-504А
МАЗ МАЗ-503А 250640-П29 Гайка Схема пневматического привода тормозов автомобиля МАЗ-503А Чертеж Схема пневматического привода тормозов автомобиля МАЗ-503А
МАЗ МАЗ-504А 250640-П29 Гайка Схема вентиляции и отопления кабины
МАЗ МАЗ-504А 250640-П29 Гайка Схема пневматического привода тормозов автомобилей МАЗ-500А и МАЗ-504А Чертеж Схема пневматического привода тормозов автомобилей МАЗ-500А и МАЗ-504А
МАЗ МАЗ-504А 250640-П29 Гайка Схема пневматического привода тормозов автомобиля МАЗ-503А
МАЗ МАЗ-537 250640-П2 Гайка Схема пневмогидравлической системы Чертеж Схема пневмогидравлической системы
МАЗ МАЗ-437040 (Зубренок) (2002) 250640 Гайка М20х1,5 Подставка сиденья с пневмооборудованием Чертеж Подставка сиденья с пневмооборудованием
МАЗ МАЗ-53363 250640 Гайка М20х1,5 Подставка сиденья с пневмооборудованием Чертеж Подставка сиденья с пневмооборудованием
МАЗ МАЗ-53363 250640 Гайка М20х1,5 Установка шлангов и крана управления отопителем Чертеж Установка шлангов и крана управления отопителем
МАЗ МАЗ-53363 250640 Гайка М20х1,5 Крепление силового агрегата МАЗ-53363, МАЗ-6303
МАЗ МАЗ-53363 250640 Гайка М20х1,5 Крепление передних тормозных камер с АБС Чертеж Крепление передних тормозных камер с АБС
МАЗ МАЗ-53366 250640 Гайка М20х1,5 Подставка сиденья с пневмооборудованием Чертеж Подставка сиденья с пневмооборудованием
МАЗ МАЗ-53366 250640 Гайка М20х1,5 Установка шлангов и крана управления отопителем
МАЗ МАЗ-53366 250640 Гайка М20х1,5 Крепление силового агрегата МАЗ-53363, МАЗ-6303 Чертеж Крепление силового агрегата МАЗ-53363, МАЗ-6303
Товары из этой категории
Фланец  БААЗ,Барановичи 4370-2402061
Фланец БААЗ,Барановичи
Каталожный номер 4370-2402061
Производитель
Код 43702402061
Доставка по всей Беларуси
Остаток Под заказ
Труба приемная  МАЗ ОАО 6501В9-1203032-011
Труба приемная МАЗ ОАО
Каталожный номер 6501В9-1203032-011
Производитель
Код 6501В91203032011
Доставка по всей Беларуси
Остаток Под заказ
Стремянка  МАЗ ОАО 4370-2902408-030
Стремянка МАЗ ОАО
Каталожный номер 4370-2902408-030
Производитель
Код 43702902408030
Доставка по всей Беларуси
Остаток Под заказ
Кольцо  МАЗ ОАО 5434-1203844
Кольцо МАЗ ОАО
Каталожный номер 5434-1203844
Производитель
Код 54341203844
Доставка по всей Беларуси
Остаток Под заказ
Болт М18х1.5-6нх45 ОСТ3700112375  МАЗ ОАО 202195
Болт М18х1.5-6нх45 ОСТ3700112375 МАЗ ОАО
Каталожный номер 202195
Производитель
Код 202195
Доставка по всей Беларуси
Остаток Под заказ