Республика Беларусь,
г. Минск, ул. Селицкого 21к - центральный склад
Пн-пт с 8:00 до 17:00
Меню
66-3501035-01 Пружина стяжная передних колодок
Наименование: Пружина 66-3501035-01 стяжная передних колодок
Каталожный номер: 66-3501035-01
Производитель: RSTA
Код товара: 00-ГР015503
Доставка: по всей Беларуси
Остаток: под заказ

Нашли не точность в описании товара? сообщить администратору.

+375 (44) 770-80-78 +375 (29) 747-80-78
* Выставить счет, получить техническую информацию и стоимость
Заказать деталь Онлайн
Описание
Наличие на филиалах
Применяемость
Заменить на СТО

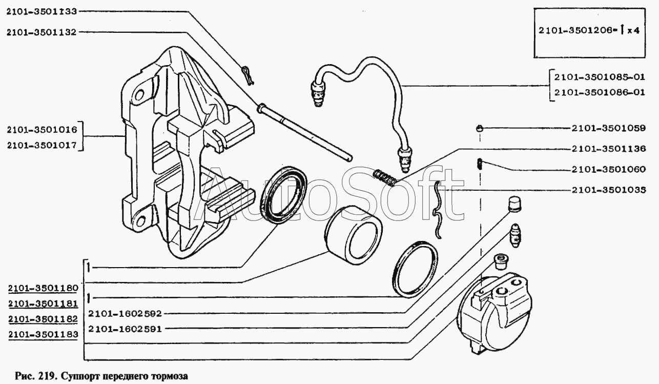
Пружина 66-3501035-01 стяжная передних колодок производства RSTA (РФ), Код для заказа: 00-ГР015503

Марка Модель Кат.номер Наим. по каталогу Чертеж
ВАЗ ВАЗ-2101 (1982) 2101-3501035 Пружина колодок Суппорт переднего тормоза Чертеж Суппорт переднего тормоза
ВАЗ ВАЗ-2102 (1982) 2101-3501035 Пружина колодок Суппорт переднего тормоза
ВАЗ ВАЗ-2103 2101-3501035 Пружина колодок Суппорт переднего тормоза Чертеж Суппорт переднего тормоза
ВАЗ ВАЗ-2104 2101-3501035 Пружина колодок Суппорт переднего тормоза Чертеж Суппорт переднего тормоза
ВАЗ ВАЗ-2105 2101-3501035 Пружина колодок Суппорт переднего тормоза Чертеж Суппорт переднего тормоза
ВАЗ ВАЗ-2106 2101-3501035 Пружина колодок Суппорты передних тормозов Чертеж Суппорты передних тормозов
ВАЗ ВАЗ-2107 (1990) 2101-3501035 Пружина колодок Тормоза передние Чертеж Тормоза передние
ГАЗ ГАЗ-14 (Чайка) (1980) 12-3501035 Пружина стяжная колодок тормоза Тормоза колесные задние Чертеж Тормоза колесные задние
ГАЗ ГАЗ-24 12-3501035 Пружина стяжная колодок тормоза Передние колесные тормоза Чертеж Передние колесные тормоза
ГАЗ ГАЗ-24 12-3501035 Пружина стяжная колодок тормоза Задние колесные тормоза Чертеж Задние колесные тормоза
ГАЗ ГАЗ-24-10 (1995) 12-3501035 Пружина стяжная колодок тормоза Тормоза рабочие передние
ГАЗ ГАЗ-24-10 (1995) 12-3501035 Пружина стяжная колодок тормоза Тормоза рабочие задние
ГАЗ ГАЗ-3102 (2000) 12-3501035 Пружина стяжная колодок тормоза Тормоза рабочие задние Чертеж Тормоза рабочие задние
ГАЗ ГАЗ-31029 12-3501035 Пружина стяжная колодок тормоза Тормоза рабочие передние (для автомобилей с барабанными тормозами)
ГАЗ ГАЗ-31029 12-3501035 Пружина стяжная колодок тормоза Тормоза рабочие задние (для автомобилей с барабанными тормозами) Чертеж Тормоза рабочие задние (для автомобилей с барабанными тормозами)
ГАЗ ГАЗ-31029 12-3501035 Пружина стяжная колодок тормоза Тормоза рабочие задние (для автомобилей с передними дисковыми тормозами) Чертеж Тормоза рабочие задние (для автомобилей с передними дисковыми тормозами)
ГАЗ ГАЗ-3110 12-3501035 Пружина стяжная колодок тормоза Щит, колодки с накладкой и колесный цилиндр задних тормозов, разжимной механизм стояночного тормоза Чертеж Щит, колодки с накладкой и колесный цилиндр задних тормозов, разжимной механизм стояночного тормоза
ГАЗ ГАЗ-3302 (ГАЗель) 12-3501035 Пружина стяжная колодок тормоза Тормоза рабочие задние и колесный цилиндр Чертеж Тормоза рабочие задние и колесный цилиндр
ГАЗ ГАЗ-2705 (ГАЗель) (2000) 12-3501035 Пружина стяжная колодок тормоза Колесный цилиндр, щит и колодки заднего тормоза, разжимной механизм колодок Чертеж Колесный цилиндр, щит и колодки заднего тормоза, разжимной механизм колодок
ГАЗ ГАЗ-2217 (Соболь) (1999) 12-3501035 Пружина стяжная колодок тормоза Колесный цилиндр, щит и колодки заднего тормоза, разжимной механизм стояночного тормоза Чертеж Колесный цилиндр, щит и колодки заднего тормоза, разжимной механизм стояночного тормоза
Товары из этой категории
Комплект 3302-3506000 тормозных трубок (комплект 7шт.) Riginal RG3302-3506000
Комплект 3302-3506000 тормозных трубок (комплект 7шт.) Riginal
Каталожный номер RG3302-3506000
Производитель RIGINAL RIGINAL
Код 00-ГР022385
Доставка по всей Беларуси
Доступность остатки на филиалах Остатки на филиалах
Остаток: г.Минск, ул.Селицкого 21к В наличии
Склад Адрес Контакт Остатки
г. Минск ул. Селицкого, 21к +375 (44) 770-80-78 ( Много )
Схема проезда
г. Березино ул. Комсомольская, д. 24 +375 (44) 770-80-17 ( Мало )
Схема проезда
г. Бобруйск ул. Гоголя, 181/1-6 +375 (29) 630-05-01 ( Мало )
Схема проезда
г. Бобруйск ул. Орловского, 22к3 +375 (29) 345-37-07 ( Мало )
Схема проезда
г. Брест Тельминский с/с, 1Д/1, 1 км южнее д. Тельмы-2 +375 (44) 599-90-75 ( Мало )
Схема проезда
г. Витебск ул. Правды, 33 +375 (44) 770-80-87 ( Мало )
Схема проезда
г. Гомель ул. Барыкина, 291Б +375 (44) 514-15-30 ( Мало )
Схема проезда
г. Гомель ул. Барыкина, 291Б +375 (44) 514-15-30 ( Средне )
Схема проезда
г. Дятлово ул. Советская ,104 +375 (29) 187-87-37 ( Средне )
Схема проезда
г. Ивацевичи ул. Загородная, 6А +375 (29) 188-59-01 ( Мало )
Схема проезда
г. Лельчицы ул. Советская, д.96/1 +375 (29) 346-98-96 ( Мало )
Схема проезда
г. Осиповичи ул. Короткая, 11 +375 (29) 165-60-07 ( Мало )
Схема проезда
г. Ошмяны ул. Льнозоводская 3 +375 (44) 770-80-91 ( Мало )
Схема проезда
г. Пинск ул. Калиновского 32 +375 (44) 560-99-59 ( Мало )
Схема проезда
г. Полоцк-2 ул. Шенягина, 52 +375 (29) 302-94-73 ( Мало )
Схема проезда
г. Полоцк-2 ул. Шенягина, 52 +375 (29) 302-94-73 ( Мало )
Схема проезда
г. Поставы ул. Советская, 69 +375 (44) 770-80-13 ( Мало )
Схема проезда
г. Пружаны ул. Макаренко, 21 +375 (29) 348-83-18 ( Мало )
Схема проезда
г. Слоним ул. Советская, 93а +375 (29) 394-82-01 ( Мало )
Схема проезда
г. Сморгонь ул. Железнодорожная, 32 +375 (29) 671-02-10 ( Мало )
Схема проезда
г. Солигорск Чижевичский сельсовет, 3Г +375 (29) 899-58-52 ( Мало )
Схема проезда
г. Столин ул. Быковского, 29 +375 (33) 304-54-36 ( Мало )
Схема проезда
Трубка 3302-3506035-40 3302-3506035-40
Трубка 3302-3506035-40
Каталожный номер 3302-3506035-40
Производитель RSTA RSTA
Код 43574
Доставка по всей Беларуси
Доступность остатки на филиалах Остатки на филиалах
Остаток: г.Минск, ул.Селицкого 21к В наличии
Склад Адрес Контакт Остатки
г. Минск ул. Селицкого, 21к +375 (44) 770-80-78 ( Средне )
Схема проезда
Шланг 33027-3506025-10 (RG33027-3506025-10) RIGINAL RG33027-3506025-10
Шланг 33027-3506025-10 (RG33027-3506025-10) RIGINAL
Каталожный номер RG33027-3506025-10
Производитель RIGINAL RIGINAL
Код 00-ГР032684
Доставка по всей Беларуси
Доступность остатки на филиалах Остатки на филиалах
Остаток: г.Минск, ул.Селицкого 21к В наличии
Склад Адрес Контакт Остатки
г. Минск ул. Селицкого, 21к +375 (44) 770-80-78 ( Много )
Схема проезда
г. Витебск ул. Правды, 33 +375 (44) 770-80-87 ( Средне )
Схема проезда
г. Гомель ул. Барыкина, 291Б +375 (44) 514-15-30 ( Средне )
Схема проезда
г. Гродно ул. Карского, 35 +375 (44) 770-70-21 ( Средне )
Схема проезда
Цилиндр 4301-3501040 тормозной рабочий передний АМ 4301-3501040
Цилиндр 4301-3501040 тормозной рабочий передний АМ
Каталожный номер 4301-3501040
Производитель Автомагнат Автомагнат
Код 00-ГР021846
Доставка по всей Беларуси
Доступность остатки на филиалах Остатки на филиалах
Остаток: г.Минск, ул.Селицкого 21к В наличии
Склад Адрес Контакт Остатки
г. Минск ул. Селицкого, 21к +375 (44) 770-80-78 ( Мало )
Схема проезда
г. Орша ул. Сергея Кирова, д. 34 +375 (44) 583-91-42 ( Средне )
Схема проезда
г. Осиповичи ул. Короткая, 11 +375 (29) 165-60-07 ( Средне )
Схема проезда
г. Поставы ул. Советская, 69 +375 (44) 770-80-13 ( Мало )
Схема проезда
г. Сморгонь ул. Железнодорожная, 32 +375 (29) 671-02-10 ( Мало )
Схема проезда
г. Щучин ул. Советская, 39 +375 (29) 177-29-70 ( Мало )
Схема проезда
Цилиндр 4301-3501040 (K3505C3) тормозной колесный FENOX K3505C3
Цилиндр 4301-3501040 (K3505C3) тормозной колесный FENOX
Каталожный номер K3505C3
Производитель FENOX FENOX
Код 00-ГР017629
Доставка по всей Беларуси
Доступность остатки на филиалах Остатки на филиалах
Остаток В наличии
Склад Адрес Контакт Остатки
г. Бобруйск ул. Гоголя, 181/1-6 +375 (29) 630-05-01 ( Средне )
Схема проезда
г. Дрогичин ул. Юбилейная, 42 +375 (29) 682-17-13 ( Средне )
Схема проезда
г. Дятлово ул. Советская ,104 +375 (29) 187-87-37 ( Средне )
Схема проезда
г. Молодечно ул. Галицкого, 14 +375 (44) 567-28-47 ( Мало )
Схема проезда
г. Несвиж ул. Кутузова, 2 +375 (29) 394-82-48 ( Мало )
Схема проезда
г. Осиповичи ул. Короткая, 11 +375 (29) 165-60-07 ( Мало )
Схема проезда
г. Ошмяны ул. Льнозоводская 3 +375 (44) 770-80-91 ( Мало )
Схема проезда
г. Петриков ул. Первомайская, 124 +375 (33) 660-06-75 ( Средне )
Схема проезда
г. Пинск ул. Калиновского 32 +375 (44) 560-99-59 ( Средне )
Схема проезда
г. Полоцк-2 ул. Шенягина, 52 +375 (29) 302-94-73 ( Средне )
Схема проезда
г. Поставы ул. Советская, 69 +375 (44) 770-80-13 ( Средне )
Схема проезда
г. Слоним ул. Советская, 93а +375 (29) 394-82-01 ( Мало )
Схема проезда
г. Щучин ул. Советская, 39 +375 (29) 177-29-70 ( Средне )
Схема проезда