Республика Беларусь,
г. Минск, ул. Селицкого 21к - центральный склад
Пн-пт с 8:00 до 17:00
Меню
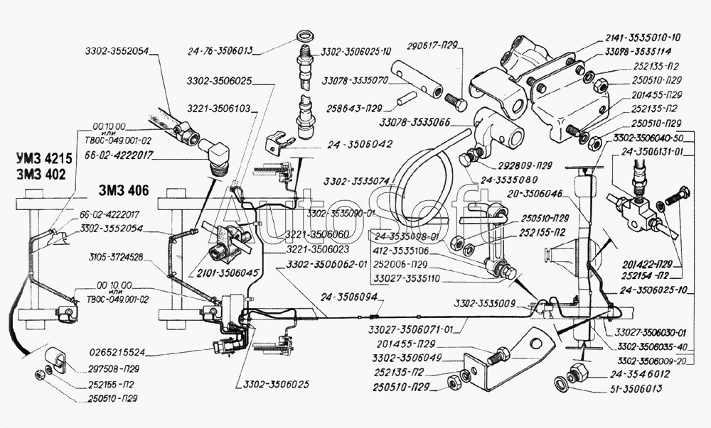
3302-3506035-40 Трубка
Наименование: Трубка 3302-3506035-40
Каталожный номер: 3302-3506035-40
Производитель: RSTA
Код товара: 43574
Доставка: по всей Беларуси
Остаток: в наличии

Нашли не точность в описании товара? сообщить администратору.

+375 (44) 770-80-78 +375 (29) 747-80-78
* Выставить счет, получить техническую информацию и стоимость
Заказать деталь Онлайн
Описание
Наличие на филиалах
Применяемость
Заменить на СТО

Трубка 3302-3506035-40 производства RSTA (РФ), Код для заказа: 43574

Марка Модель Кат.номер Наим. по каталогу Чертеж
ГАЗ ГАЗ-3302 (ГАЗель) 3302-3506035 Трубка Трубопроводы гидротормозов, трубопроводы вакуумного усилителя, установка и детали регулятора тормозных сил
ГАЗ ГАЗ-2705 (ГАЗель) (2000) 3302-3506035-21 Трубка от тройника к левому заднему тормозу Трубопроводы тормозной системы, регулятор давления тормозов с приводом
ГАЗ ГАЗ-33027 (Дополнение) 3302-3506035-21 Трубка от тройника к левому заднему тормозу Тормоза Чертеж Тормоза
ГАЗ ГАЗ-3302 (2004) (2004) 3302-3506035-21 Трубка от тройника к левому заднему тормозу Трубопроводы тормозной системы, регулятор давления тормозов с приводом Чертеж Трубопроводы тормозной системы, регулятор давления тормозов с приводом
ГАЗ ГАЗ-3221 (1999) 3302-3506035-40 Трубка от тройника к левому заднему тормозу Трубопроводы тормозной системы, регуляторы давления тормозов с приводами
ГАЗ ГАЗ-2705 (дв. ЗМЗ-402) (2006) 3302-3506035-40 Трубка от тройника к левому заднему тормозу Трубопроводы тормозной системы, регулятор давления тормозов с приводом
ГАЗ ГАЗ-3221 (2006) (2006) 3302-3506035-40 Трубка от тройника к левому заднему тормозу Трубопроводы тормозной системы, регулятор давления тормозов с приводами Чертеж Трубопроводы тормозной системы, регулятор давления тормозов с приводами
ГАЗ ГАЗ-3221 (Уст. АБС 8.1) (2008) 3302-3506035-40 Трубка от тройника к левому заднему тормозу 3221-3500001-90. Установка привода тормозной системы Чертеж 3221-3500001-90. Установка привода тормозной системы
ГАЗ ГАЗель 4x4 (Дополнение) (2012) 3302-3506035-40 Трубка от тройника к левому заднему тормозу Трубопроводы тормозной системы. I – автомобиля с двигателем ЗМЗ-4063, II – с дв. ЗМЗ-40522, III – с дв. ГАЗ-560 Чертеж Трубопроводы тормозной системы.  I – автомобиля с двигателем ЗМЗ-4063, II – с дв. ЗМЗ-40522, III – с дв. ГАЗ-560
ГАЗ ГАЗ-3302 (с двиг. УМЗ) (2015) 3302-3506035-40 Трубка от тройника к левому заднему тормозу 3302-3506009-20. Трубопроводы заднего моста с тройником Чертеж 3302-3506009-20. Трубопроводы заднего моста с тройником
ГАЗ ГАЗель-Бизнес 2705-393 (2015) 3302-3506035-40 Трубка от тройника к левому заднему тормозу 3221-3500001-140 Установка привода тормозной системы опция Тормозная система с АБС Чертеж  3221-3500001-140 Установка привода тормозной системы опция Тормозная система с АБС
ГАЗ ГАЗель-Бизнес 2705-393 (2015) 3302-3506035-40 Трубка от тройника к левому заднему тормозу 3302-3506009-20.Трубопроводы заднего моста с тройником и шлангом Чертеж  3302-3506009-20.Трубопроводы заднего моста с тройником и шлангом
ГАЗ ГАЗель NEXT Citiline A64R42 (2021) 3302-3506035-40 Трубка от тройника к левому заднему тормозу A63R42-3500001-10 Установка привода тормозной системы Чертеж  A63R42-3500001-10 Установка привода тормозной системы
Склад Адрес Контакт Остатки
г. Минск ул. Селицкого, 21к +375 (44) 770-80-78 ( Средне )
Схема проезда
г. Барановичи ул. Бадака, 27Б +375 (29) 350-33-47 Под заказ
Схема проезда
г. Барановичи ул. Пролетарская, 40 +375 (29) 795-96-37 Под заказ
Схема проезда
г. Берёза ул. Красноармейская, 89/11 +375 (29) 676-70-71 Под заказ
Схема проезда
г. Березино ул. Комсомольская, д. 24 +375 (44) 770-80-17 Под заказ
Схема проезда
г. Бобруйск ул. Орловского, 22к3 +375 (29) 345-37-07 Под заказ
Схема проезда
г. Бобруйск ул. Гоголя, 181/1-6 +375 (29) 630-05-01 Под заказ
Схема проезда
г. Борисов ул. Демина, 2а +375 (44) 560-99-75 Под заказ
Схема проезда
г. Брест Тельминский с/с, 1Д/1, 1 км южнее д. Тельмы-2 +375 (44) 599-90-75 Под заказ
Схема проезда
г. Витебск ул. Правды, 33 +375 (44) 770-80-87 Под заказ
Схема проезда
г. Витебск ул. Петруся Бровки, 34 +375 (29) 636-25-08 Под заказ
Схема проезда
г. Глубокое ул. Энгельса, 22 +375 (44) 505-71-40 Под заказ
Схема проезда
г. Гомель ул. Барыкина, 291Б +375 (44) 514-15-30 Под заказ
Схема проезда
г. Гомель ул. Текстильная, 10 +375 (44) 540-02-05 Под заказ
Схема проезда
г. Горки ул.Мира, д.51а/1 +375 (44) 565-33-61 Под заказ
Схема проезда
г. Гродно ул. Карского, 35 +375 (44) 770-70-21 Под заказ
Схема проезда
г. Дрогичин ул. Юбилейная, 42 +375 (29) 682-17-13 Под заказ
Схема проезда
г. Дятлово ул. Советская ,104 +375 (29) 187-87-37 Под заказ
Схема проезда
г. Житковичи ул. Комсомольская, 49 +375 (29) 394-82-52 Под заказ
Схема проезда
г. Жлобин ул. Козлова, 25 +375 (29) 346-06-78 Под заказ
Схема проезда
г. Ивацевичи ул. Загородная, 6А +375 (29) 188-59-01 Под заказ
Схема проезда
г. Кобрин ул. Пролетарская, 177А +375 (44) 588-10-80 Под заказ
Схема проезда
г. Кричев ул. Комсомольская, 126 +375 (29) 628-88-42 Под заказ
Схема проезда
г. Лельчицы ул. Советская, д.96/1 +375 (29) 346-98-96 Под заказ
Схема проезда
г. Лепель ул. Лобанка, 43 +375 (44) 778-65-21 Под заказ
Схема проезда
г. Лида ул. Качана, 7 +375 (29) 612-60-61 Под заказ
Схема проезда
г. Лунинец ул.Красная, 175а +375 (44) 721-46-74 Под заказ
Схема проезда
г. Минск ул. Бабушкина, 37 +375 (29) 632-00-82 Под заказ
Схема проезда
г. Могилев ул. Габровская 11Б +375 (29) 662-02-16 Под заказ
Схема проезда
г. Мозырь промузел Козенки +375 (44) 731-94-60 Под заказ
Схема проезда
г. Молодечно ул. Галицкого, 14 +375 (44) 567-28-47 Под заказ
Схема проезда
г. Несвиж ул. Кутузова, 2 +375 (29) 394-82-48 Под заказ
Схема проезда
г. Новогрудок ул. Индустриальная, 3 +375 (44) 729-39-19 Под заказ
Схема проезда
г. Орша ул. Сергея Кирова, д. 34 +375 (44) 583-91-42 Под заказ
Схема проезда
г. Осиповичи ул. Короткая, 11 +375 (29) 165-60-07 Под заказ
Схема проезда
г. Ошмяны ул. Льнозоводская 3 +375 (44) 770-80-91 Под заказ
Схема проезда
г. Петриков ул. Первомайская, 124 +375 (33) 660-06-75 Под заказ
Схема проезда
г. Пинск ул. Калиновского 32 +375 (44) 560-99-59 Под заказ
Схема проезда
г. Полоцк ул. Пролетарская, 6 +375 (29) 644-57-58 Под заказ
Схема проезда
г. Полоцк ул. Строительная, 30Б +375 (29) 302-97-91 Под заказ
Схема проезда
г. Полоцк-2 ул. Шенягина, 52 +375 (29) 302-94-73 Под заказ
Схема проезда
г. Поставы ул. Советская, 69 +375 (44) 770-80-13 Под заказ
Схема проезда
г. Пружаны ул. Макаренко, 21 +375 (29) 348-83-18 Под заказ
Схема проезда
г. Слоним ул. Советская, 93а +375 (29) 394-82-01 Под заказ
Схема проезда
г. Слуцк ул. Тутаринова, 8 +375 (29) 346-06-90 Под заказ
Схема проезда
г. Сморгонь ул. Железнодорожная, 32 +375 (29) 671-02-10 Под заказ
Схема проезда
г. Солигорск Чижевичский сельсовет, 3Г +375 (29) 899-58-52 Под заказ
Схема проезда
г. Столин ул. Быковского, 29 +375 (33) 304-54-36 Под заказ
Схема проезда
г. Щучин ул. Советская, 39 +375 (29) 177-29-70 Под заказ
Схема проезда
Товары из этой категории
Цилиндр тормозной рабочий задний УАЗ (Д=25мм) 3151-3502040
Цилиндр тормозной рабочий задний УАЗ (Д=25мм)
Каталожный номер 3151-3502040
Производитель RSTA RSTA
Код 13246
Доставка по всей Беларуси
Доступность остатки на филиалах Остатки на филиалах
Остаток: г.Минск, ул.Селицкого 21к В наличии
Склад Адрес Контакт Остатки
г. Минск ул. Селицкого, 21к +375 (44) 770-80-78 ( Мало )
Схема проезда
Барабан тормозной 3302-3502070 (RG3302-3502070) задний проточенный 3302,2705,3221, NEXT RIGINAL RG3302-3502070
Барабан тормозной 3302-3502070 (RG3302-3502070) задний проточенный 3302,2705,3221, NEXT RIGINAL
Каталожный номер RG3302-3502070
Производитель RIGINAL RIGINAL
Код 00-ГР032510
Доставка по всей Беларуси
Доступность остатки на филиалах Остатки на филиалах
Остаток В наличии
Склад Адрес Контакт Остатки
г. Гомель ул. Барыкина, 291Б +375 (44) 514-15-30 ( Средне )
Схема проезда
г. Гродно ул. Карского, 35 +375 (44) 770-70-21 ( Средне )
Схема проезда
г. Осиповичи ул. Короткая, 11 +375 (29) 165-60-07 ( Средне )
Схема проезда
Барабан тормозной 3302-3502070
Барабан тормозной
Каталожный номер 3302-3502070
Производитель Автомагнат Автомагнат
Код 12404
Доставка по всей Беларуси
Доступность остатки на филиалах Остатки на филиалах
Остаток: г.Минск, ул.Селицкого 21к В наличии
Склад Адрес Контакт Остатки
г. Минск ул. Селицкого, 21к +375 (44) 770-80-78 ( Много )
Схема проезда
г. Барановичи ул. Пролетарская, 40 +375 (29) 795-96-37 ( Мало )
Схема проезда
г. Березино ул. Комсомольская, д. 24 +375 (44) 770-80-17 ( Средне )
Схема проезда
г. Бобруйск ул. Орловского, 22к3 +375 (29) 345-37-07 ( Средне )
Схема проезда
г. Брест Тельминский с/с, 1Д/1, 1 км южнее д. Тельмы-2 +375 (44) 599-90-75 ( Средне )
Схема проезда
г. Витебск ул. Правды, 33 +375 (44) 770-80-87 ( Средне )
Схема проезда
г. Гомель ул. Барыкина, 291Б +375 (44) 514-15-30 ( Средне )
Схема проезда
г. Гомель ул. Барыкина, 291Б +375 (44) 514-15-30 ( Средне )
Схема проезда
г. Горки ул.Мира, д.51а/1 +375 (44) 565-33-61 ( Средне )
Схема проезда
г. Дятлово ул. Советская ,104 +375 (29) 187-87-37 ( Средне )
Схема проезда
г. Лельчицы ул. Советская, д.96/1 +375 (29) 346-98-96 ( Средне )
Схема проезда
г. Молодечно ул. Галицкого, 14 +375 (44) 567-28-47 ( Средне )
Схема проезда
г. Новогрудок ул. Индустриальная, 3 +375 (44) 729-39-19 ( Средне )
Схема проезда
г. Ошмяны ул. Льнозоводская 3 +375 (44) 770-80-91 ( Средне )
Схема проезда
г. Петриков ул. Первомайская, 124 +375 (33) 660-06-75 ( Средне )
Схема проезда
г. Пинск ул. Калиновского 32 +375 (44) 560-99-59 ( Средне )
Схема проезда
г. Полоцк-2 ул. Шенягина, 52 +375 (29) 302-94-73 ( Средне )
Схема проезда
г. Полоцк-2 ул. Шенягина, 52 +375 (29) 302-94-73 ( Средне )
Схема проезда
г. Поставы ул. Советская, 69 +375 (44) 770-80-13 ( Средне )
Схема проезда
г. Пружаны ул. Макаренко, 21 +375 (29) 348-83-18 ( Средне )
Схема проезда
г. Слоним ул. Советская, 93а +375 (29) 394-82-01 ( Средне )
Схема проезда
г. Слуцк ул. Тутаринова, 8 +375 (29) 346-06-90 ( Средне )
Схема проезда
г. Сморгонь ул. Железнодорожная, 32 +375 (29) 671-02-10 ( Средне )
Схема проезда
г. Солигорск Чижевичский сельсовет, 3Г +375 (29) 899-58-52 ( Средне )
Схема проезда
г. Щучин ул. Советская, 39 +375 (29) 177-29-70 ( Средне )
Схема проезда
Хомут 3307-3513072 3307-3513072
Хомут 3307-3513072
Каталожный номер 3307-3513072
Производитель RSTA RSTA
Код 29806
Доставка по всей Беларуси
Доступность остатки на филиалах Остатки на филиалах
Остаток Под заказ
Цилиндр RG2410-3502040 тормозной задний RIGINAL RG2410-3502040
Цилиндр RG2410-3502040 тормозной задний RIGINAL
Каталожный номер RG2410-3502040
Производитель RIGINAL RIGINAL
Код 00-ГР032659
Доставка по всей Беларуси
Доступность остатки на филиалах Остатки на филиалах
Остаток: г.Минск, ул.Селицкого 21к В наличии
Склад Адрес Контакт Остатки
г. Минск ул. Селицкого, 21к +375 (44) 770-80-78 ( Средне )
Схема проезда
г. Гомель ул. Барыкина, 291Б +375 (44) 514-15-30 ( Средне )
Схема проезда
г. Лунинец ул.Красная, 175а +375 (44) 721-46-74 ( Мало )
Схема проезда
г. Пинск ул. Калиновского 32 +375 (44) 560-99-59 ( Мало )
Схема проезда