Республика Беларусь,
г. Минск, ул. Селицкого 21к - центральный склад
Пн-пт с 8:00 до 17:00
Меню
260035 Палец 8х28
Наименование: Палец 260035 8х28
Каталожный номер: 260035
Производитель: МАЗ
Код товара: 00-ГР009917
Доставка: по всей Беларуси
Остаток: под заказ

Нашли не точность в описании товара? сообщить администратору.

+375 (44) 770-80-78 +375 (29) 747-80-78
* Выставить счет, получить техническую информацию и стоимость
Заказать деталь Онлайн
Описание
Наличие на филиалах
Применяемость
Заменить на СТО

Палец 260035 8х28, . Код товара для заказа: 00-ГР009917

Марка Модель Кат.номер Наим. по каталогу Чертеж
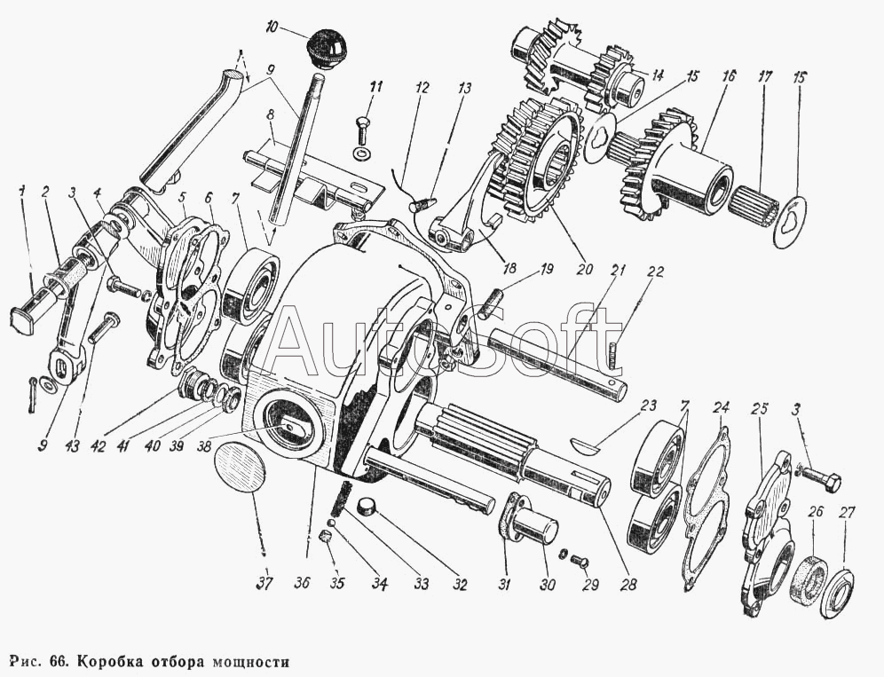
ГАЗ ГАЗ-4301 260035-П29 Палец 8х28 ОСТ 37.001.163-97 Коробка отбора мощности с маслонасосом, рычагом и патрубками
ГАЗ ГАЗ-66 (Каталог 1983 г.) (1983) 260035-П8 Палец 8х28 рычага Коробка отбора мощности Чертеж Коробка отбора мощности
ГАЗ ГАЗ-66 (Каталог 1996 г.) (1996) 260035-П8 Палец 8х28 рычага Коробка отбора мощности (для автомобиля ГАЗ-66-15) Чертеж Коробка отбора мощности (для автомобиля ГАЗ-66-15)
МАЗ МАЗ-500А 260035-П51 Палец Переднее сиденье Чертеж Переднее сиденье
МАЗ МАЗ-503А 260035-П51 Палец Переднее сиденье Чертеж Переднее сиденье
МАЗ МАЗ-504А 260035-П51 Палец Переднее сиденье Чертеж Переднее сиденье
МАЗ МАЗ-537 260035-П2 Палец Привод управления подачей топлива Чертеж Привод управления подачей топлива
МАЗ МАЗ-537 260035-П8 Палец Воздушный фильтр и аварийный останов двигателя Чертеж Воздушный фильтр и аварийный останов двигателя
МАЗ МАЗ-437040 (Зубренок) (2002) 260035 Палец 8х28 Установка облицовки и боковых щитков Чертеж Установка облицовки и боковых щитков
МАЗ МАЗ-53363 260035 Палец 8х28 Каркас кабины Чертеж Каркас кабины
МАЗ МАЗ-53363 260035 Палец 8х28 Привод подачи топлива Чертеж Привод подачи топлива
МАЗ МАЗ-53363 260035 Палец 8х28 Вспомогательный тормоз
МАЗ МАЗ-53366 260035 Палец 8х28 Каркас кабины Чертеж Каркас кабины
МАЗ МАЗ-53366 260035 Палец 8х28 Привод подачи топлива Чертеж Привод подачи топлива
МАЗ МАЗ-53366 260035 Палец 8х28 Вспомогательный тормоз Чертеж Вспомогательный тормоз
МАЗ МАЗ-5337 260035 Палец 8х28 Каркас кабины Чертеж Каркас кабины
МАЗ МАЗ-5337 260035 Палец 8х28 Привод подачи топлива МАЗ-5551,53371,5337 Чертеж Привод подачи топлива МАЗ-5551,53371,5337
МАЗ МАЗ-5337 260035 Палец 8х28 Вспомогательный тормоз Чертеж Вспомогательный тормоз
МАЗ МАЗ-5337 260035 Палец 8х28 Вспомогательный тормоз
МАЗ МАЗ-53371 260035 Палец 8х28 Каркас кабины Чертеж Каркас кабины
Аналоги
Палец  МАЗ ОАО 260035
Палец МАЗ ОАО
Каталожный номер 260035
Производитель
Код 260035
Доставка по всей Беларуси
Остаток Под заказ
Товары из этой категории
Кольцо 400469-01 МАЗ 400469-01
Кольцо 400469-01 МАЗ
Каталожный номер 400469-01
Производитель МАЗ МАЗ
Код 00-ГР002465
Доставка по всей Беларуси
Доступность остатки на филиалах Остатки на филиалах
Остаток Под заказ
Гайка М24х2 5Н6Н 251035
Гайка М24х2 5Н6Н
Каталожный номер 251035
Производитель Автоштамп Автоштамп
Код 888
Доставка по всей Беларуси
Доступность остатки на филиалах Остатки на филиалах
Остаток: г.Минск, ул.Селицкого 21к В наличии
Склад Адрес Контакт Остатки
г. Минск ул. Селицкого, 21к +375 (44) 770-80-78 ( Много )
Схема проезда
г. Барановичи ул. Пролетарская, 40 +375 (29) 795-96-37 ( Много )
Схема проезда
г. Барановичи ул. Бадака, 27Б +375 (29) 350-33-47 ( Много )
Схема проезда
г. Берёза ул. Красноармейская, 89/11 +375 (29) 676-70-71 ( Много )
Схема проезда
г. Бобруйск ул. Гоголя, 181/1-6 +375 (29) 630-05-01 ( Много )
Схема проезда
г. Бобруйск ул. Орловского, 22к3 +375 (29) 345-37-07 ( Много )
Схема проезда
г. Борисов ул. Демина, 2а +375 (44) 560-99-75 ( Много )
Схема проезда
г. Брест Тельминский с/с, 1Д/1, 1 км южнее д. Тельмы-2 +375 (44) 599-90-75 ( Много )
Схема проезда
г. Витебск ул. Правды, 33 +375 (44) 770-80-87 ( Средне )
Схема проезда
г. Витебск ул. Петруся Бровки, 34 +375 (29) 636-25-08 ( Много )
Схема проезда
г. Глубокое ул. Энгельса, 22 +375 (44) 505-71-40 ( Много )
Схема проезда
г. Гомель ул. Барыкина, 291Б +375 (44) 514-15-30 ( Много )
Схема проезда
г. Гомель ул. Барыкина, 291Б +375 (44) 514-15-30 ( Много )
Схема проезда
г. Горки ул.Мира, д.51а/1 +375 (44) 565-33-61 ( Много )
Схема проезда
г. Гродно ул. Карского, 35 +375 (44) 770-70-21 ( Много )
Схема проезда
г. Дрогичин ул. Юбилейная, 42 +375 (29) 682-17-13 ( Средне )
Схема проезда
г. Дятлово ул. Советская ,104 +375 (29) 187-87-37 ( Много )
Схема проезда
г. Житковичи ул. Комсомольская, 49 +375 (29) 394-82-52 ( Мало )
Схема проезда
г. Жлобин ул. Козлова, 25 +375 (29) 346-06-78 ( Средне )
Схема проезда
г. Ивацевичи ул. Загородная, 6А +375 (29) 188-59-01 ( Много )
Схема проезда
г. Кобрин ул. Пролетарская, 177А +375 (44) 588-10-80 ( Средне )
Схема проезда
г. Кричев ул. Комсомольская, 126 +375 (29) 628-88-42 ( Средне )
Схема проезда
г. Лельчицы ул. Советская, д.96/1 +375 (29) 346-98-96 ( Средне )
Схема проезда
г. Лепель ул. Лобанка, 43 +375 (44) 778-65-21 ( Средне )
Схема проезда
г. Лунинец ул.Красная, 175а +375 (44) 721-46-74 ( Много )
Схема проезда
г. Мозырь промузел Козенки +375 (44) 731-94-60 ( Много )
Схема проезда
г. Молодечно ул. Галицкого, 14 +375 (44) 567-28-47 ( Средне )
Схема проезда
г. Несвиж ул. Кутузова, 2 +375 (29) 394-82-48 ( Много )
Схема проезда
г. Новогрудок ул. Индустриальная, 3 +375 (44) 729-39-19 ( Средне )
Схема проезда
г. Орша ул. Сергея Кирова, д. 34 +375 (44) 583-91-42 ( Средне )
Схема проезда
г. Осиповичи ул. Короткая, 11 +375 (29) 165-60-07 ( Средне )
Схема проезда
г. Ошмяны ул. Льнозоводская 3 +375 (44) 770-80-91 ( Много )
Схема проезда
г. Петриков ул. Первомайская, 124 +375 (33) 660-06-75 ( Много )
Схема проезда
г. Пинск ул. Калиновского 32 +375 (44) 560-99-59 ( Много )
Схема проезда
г. Полоцк-2 ул. Шенягина, 52 +375 (29) 302-94-73 ( Много )
Схема проезда
г. Полоцк-2 ул. Шенягина, 52 +375 (29) 302-94-73 ( Много )
Схема проезда
г. Полоцк-2 ул. Шенягина, 52 +375 (29) 302-94-73 ( Много )
Схема проезда
г. Поставы ул. Советская, 69 +375 (44) 770-80-13 ( Много )
Схема проезда
г. Слоним ул. Советская, 93а +375 (29) 394-82-01 ( Много )
Схема проезда
г. Слуцк ул. Тутаринова, 8 +375 (29) 346-06-90 ( Много )
Схема проезда
г. Сморгонь ул. Железнодорожная, 32 +375 (29) 671-02-10 ( Много )
Схема проезда
г. Солигорск Чижевичский сельсовет, 3Г +375 (29) 899-58-52 ( Много )
Схема проезда
г. Столин ул. Быковского, 29 +375 (33) 304-54-36 ( Много )
Схема проезда
г. Щучин ул. Советская, 39 +375 (29) 177-29-70 ( Много )
Схема проезда
Болт 8.8991 1631 01-М14х1,5-s 8.8991
Болт 8.8991 1631 01-М14х1,5-s
Каталожный номер 8.8991
Производитель Автодизель Автодизель
Код 00-ГР031771
Доставка по всей Беларуси
Доступность остатки на филиалах Остатки на филиалах
Остаток: г.Минск, ул.Селицкого 21к В наличии
Склад Адрес Контакт Остатки
г. Минск ул. Селицкого, 21к +375 (44) 770-80-78 ( Много )
Схема проезда
г. Бобруйск ул. Орловского, 22к3 +375 (29) 345-37-07 ( Средне )
Схема проезда
Гайка  М45х3-6H 375142-01 375142
Гайка М45х3-6H 375142-01
Каталожный номер 375142
Производитель КММЗ КММЗ
Код 00-ГР017932
Доставка по всей Беларуси
Доступность остатки на филиалах Остатки на филиалах
Остаток: г.Минск, ул.Селицкого 21к В наличии
Склад Адрес Контакт Остатки
г. Минск ул. Селицкого, 21к +375 (44) 770-80-78 ( Много )
Схема проезда
г. Барановичи ул. Бадака, 27Б +375 (29) 350-33-47 ( Мало )
Схема проезда
г. Бобруйск ул. Орловского, 22к3 +375 (29) 345-37-07 ( Средне )
Схема проезда
г. Борисов ул. Демина, 2а +375 (44) 560-99-75 ( Мало )
Схема проезда
г. Гомель ул. Барыкина, 291Б +375 (44) 514-15-30 ( Средне )
Схема проезда
г. Гродно ул. Карского, 35 +375 (44) 770-70-21 ( Мало )
Схема проезда
г. Дрогичин ул. Юбилейная, 42 +375 (29) 682-17-13 ( Средне )
Схема проезда
г. Житковичи ул. Комсомольская, 49 +375 (29) 394-82-52 ( Мало )
Схема проезда
г. Жлобин ул. Козлова, 25 +375 (29) 346-06-78 ( Мало )
Схема проезда
г. Кобрин ул. Пролетарская, 177А +375 (44) 588-10-80 ( Средне )
Схема проезда
г. Лунинец ул.Красная, 175а +375 (44) 721-46-74 ( Мало )
Схема проезда
г. Молодечно ул. Галицкого, 14 +375 (44) 567-28-47 ( Мало )
Схема проезда
г. Новогрудок ул. Индустриальная, 3 +375 (44) 729-39-19 ( Средне )
Схема проезда
г. Ошмяны ул. Льнозоводская 3 +375 (44) 770-80-91 ( Много )
Схема проезда
г. Петриков ул. Первомайская, 124 +375 (33) 660-06-75 ( Средне )
Схема проезда
г. Полоцк-2 ул. Шенягина, 52 +375 (29) 302-94-73 ( Средне )
Схема проезда
г. Пружаны ул. Макаренко, 21 +375 (29) 348-83-18 ( Мало )
Схема проезда
г. Слоним ул. Советская, 93а +375 (29) 394-82-01 ( Мало )
Схема проезда
г. Столин ул. Быковского, 29 +375 (33) 304-54-36 ( Мало )
Схема проезда
г. Щучин ул. Советская, 39 +375 (29) 177-29-70 ( Средне )
Схема проезда
Шпилька 310443-П2
Шпилька
Каталожный номер 310443-П2
Производитель Автоштамп Автоштамп
Код 7887
Доставка по всей Беларуси
Доступность остатки на филиалах Остатки на филиалах
Остаток: г.Минск, ул.Селицкого 21к В наличии
Склад Адрес Контакт Остатки
г. Минск ул. Бабушкина, 37 +375 (29) 632-00-82 ( Много )
Схема проезда
г. Минск ул. Селицкого, 21к +375 (44) 770-80-78 ( Много )
Схема проезда
г. Барановичи ул. Бадака, 27Б +375 (29) 350-33-47 ( Много )
Схема проезда
г. Березино ул. Комсомольская, д. 24 +375 (44) 770-80-17 ( Средне )
Схема проезда
г. Берёза ул. Красноармейская, 89/11 +375 (29) 676-70-71 ( Много )
Схема проезда
г. Бобруйск ул. Гоголя, 181/1-6 +375 (29) 630-05-01 ( Много )
Схема проезда
г. Бобруйск ул. Орловского, 22к3 +375 (29) 345-37-07 ( Много )
Схема проезда
г. Борисов ул. Демина, 2а +375 (44) 560-99-75 ( Средне )
Схема проезда
г. Брест Тельминский с/с, 1Д/1, 1 км южнее д. Тельмы-2 +375 (44) 599-90-75 ( Много )
Схема проезда
г. Витебск ул. Правды, 33 +375 (44) 770-80-87 ( Много )
Схема проезда
г. Витебск ул. Петруся Бровки, 34 +375 (29) 636-25-08 ( Много )
Схема проезда
г. Гомель ул. Барыкина, 291Б +375 (44) 514-15-30 ( Много )
Схема проезда
г. Гродно ул. Карского, 35 +375 (44) 770-70-21 ( Много )
Схема проезда
г. Дрогичин ул. Юбилейная, 42 +375 (29) 682-17-13 ( Много )
Схема проезда
г. Житковичи ул. Комсомольская, 49 +375 (29) 394-82-52 ( Много )
Схема проезда
г. Ивацевичи ул. Загородная, 6А +375 (29) 188-59-01 ( Много )
Схема проезда
г. Кричев ул. Комсомольская, 126 +375 (29) 628-88-42 ( Много )
Схема проезда
г. Лельчицы ул. Советская, д.96/1 +375 (29) 346-98-96 ( Много )
Схема проезда
г. Лепель ул. Лобанка, 43 +375 (44) 778-65-21 ( Много )
Схема проезда
г. Лунинец ул.Красная, 175а +375 (44) 721-46-74 ( Много )
Схема проезда
г. Могилев ул. Габровская 11Б +375 (29) 662-02-16 ( Много )
Схема проезда
г. Молодечно ул. Галицкого, 14 +375 (44) 567-28-47 ( Много )
Схема проезда
г. Новогрудок ул. Индустриальная, 3 +375 (44) 729-39-19 ( Много )
Схема проезда
г. Орша ул. Сергея Кирова, д. 34 +375 (44) 583-91-42 ( Много )
Схема проезда
г. Осиповичи ул. Короткая, 11 +375 (29) 165-60-07 ( Много )
Схема проезда
г. Ошмяны ул. Льнозоводская 3 +375 (44) 770-80-91 ( Много )
Схема проезда
г. Петриков ул. Первомайская, 124 +375 (33) 660-06-75 ( Много )
Схема проезда
г. Полоцк-2 ул. Шенягина, 52 +375 (29) 302-94-73 ( Много )
Схема проезда
г. Полоцк-2 ул. Шенягина, 52 +375 (29) 302-94-73 ( Много )
Схема проезда
г. Полоцк-2 ул. Шенягина, 52 +375 (29) 302-94-73 ( Много )
Схема проезда
г. Поставы ул. Советская, 69 +375 (44) 770-80-13 ( Много )
Схема проезда
г. Слоним ул. Советская, 93а +375 (29) 394-82-01 ( Много )
Схема проезда
г. Слуцк ул. Тутаринова, 8 +375 (29) 346-06-90 ( Много )
Схема проезда
г. Сморгонь ул. Железнодорожная, 32 +375 (29) 671-02-10 ( Много )
Схема проезда
г. Столин ул. Быковского, 29 +375 (33) 304-54-36 ( Много )
Схема проезда
г. Щучин ул. Советская, 39 +375 (29) 177-29-70 ( Средне )
Схема проезда