Республика Беларусь,
г. Минск, ул. Селицкого 21к - центральный склад
Пн-пт с 8:00 до 17:00
Меню
260035 Палец МАЗ ОАО
Наименование: Палец МАЗ ОАО
Каталожный номер: 260035
Код товара: 260035
Доставка: по всей Беларуси
Остаток: под заказ 1-45 дней

Нашли не точность в описании товара? сообщить администратору.

+375 (44) 770-80-78 +375 (29) 747-80-78
* Выставить счет, получить техническую информацию и стоимость
Заказать деталь Онлайн
Описание
Наличие на филиалах
Применяемость
Заменить на СТО

260035 Палец.

  • Производитель: МАЗ ОАО
  • Каталожный номер по заводу: 260035
  • Код для заказа:  260035
Марка Модель Кат.номер Наим. по каталогу Чертеж
ГАЗ ГАЗ-4301 260035-П29 Палец 8х28 ОСТ 37.001.163-97 Коробка отбора мощности с маслонасосом, рычагом и патрубками
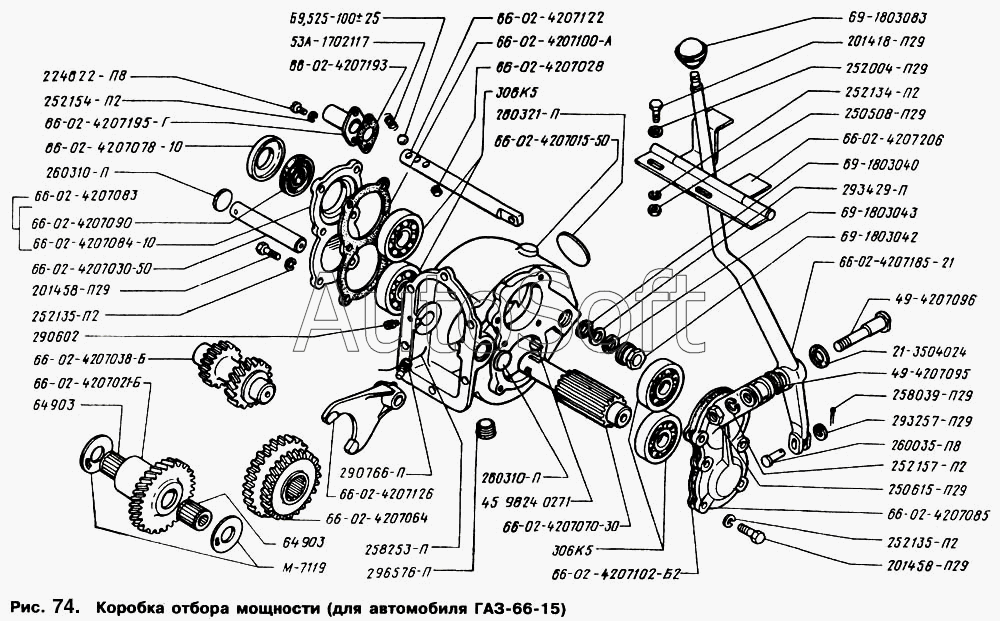
ГАЗ ГАЗ-66 (Каталог 1983 г.) (1983) 260035-П8 Палец 8х28 рычага Коробка отбора мощности Чертеж Коробка отбора мощности
ГАЗ ГАЗ-66 (Каталог 1996 г.) (1996) 260035-П8 Палец 8х28 рычага Коробка отбора мощности (для автомобиля ГАЗ-66-15) Чертеж Коробка отбора мощности (для автомобиля ГАЗ-66-15)
МАЗ МАЗ-500А 260035-П51 Палец Переднее сиденье Чертеж Переднее сиденье
МАЗ МАЗ-503А 260035-П51 Палец Переднее сиденье Чертеж Переднее сиденье
МАЗ МАЗ-504А 260035-П51 Палец Переднее сиденье Чертеж Переднее сиденье
МАЗ МАЗ-537 260035-П2 Палец Привод управления подачей топлива Чертеж Привод управления подачей топлива
МАЗ МАЗ-537 260035-П8 Палец Воздушный фильтр и аварийный останов двигателя Чертеж Воздушный фильтр и аварийный останов двигателя
МАЗ МАЗ-437040 (Зубренок) (2002) 260035 Палец 8х28 Установка облицовки и боковых щитков Чертеж Установка облицовки и боковых щитков
МАЗ МАЗ-53363 260035 Палец 8х28 Каркас кабины Чертеж Каркас кабины
МАЗ МАЗ-53363 260035 Палец 8х28 Привод подачи топлива Чертеж Привод подачи топлива
МАЗ МАЗ-53363 260035 Палец 8х28 Вспомогательный тормоз
МАЗ МАЗ-53366 260035 Палец 8х28 Каркас кабины Чертеж Каркас кабины
МАЗ МАЗ-53366 260035 Палец 8х28 Привод подачи топлива Чертеж Привод подачи топлива
МАЗ МАЗ-53366 260035 Палец 8х28 Вспомогательный тормоз Чертеж Вспомогательный тормоз
МАЗ МАЗ-5337 260035 Палец 8х28 Каркас кабины Чертеж Каркас кабины
МАЗ МАЗ-5337 260035 Палец 8х28 Привод подачи топлива МАЗ-5551,53371,5337 Чертеж Привод подачи топлива МАЗ-5551,53371,5337
МАЗ МАЗ-5337 260035 Палец 8х28 Вспомогательный тормоз Чертеж Вспомогательный тормоз
МАЗ МАЗ-5337 260035 Палец 8х28 Вспомогательный тормоз
МАЗ МАЗ-53371 260035 Палец 8х28 Каркас кабины Чертеж Каркас кабины
Аналоги
Палец 8х28 260035
Палец 8х28
Каталожный номер 260035
Производитель МАЗ МАЗ
Код 00-ГР009917
Доставка по всей Беларуси
Доступность остатки на филиалах Остатки на филиалах
Остаток Под заказ
Товары из этой категории
Болт  МАЗ ОАО 371786
Болт МАЗ ОАО
Каталожный номер 371786
Производитель
Код 371786
Доставка по всей Беларуси
Остаток Под заказ
Пластина, МАЗ ОАО 54321-8511053-010
Пластина, МАЗ ОАО
Каталожный номер 54321-8511053-010
Производитель
Код 543218511053010
Доставка по всей Беларуси
Остаток Под заказ
Кольцо  МАЗ ОАО, УВК 013-017-25-2-3
Кольцо МАЗ ОАО, УВК
Каталожный номер 013-017-25-2-3
Производитель
Код 130172523
Доставка по всей Беларуси
Остаток Под заказ
Усилитель стойки левый  МАЗ ОАО 6430-5301063
Усилитель стойки левый МАЗ ОАО
Каталожный номер 6430-5301063
Производитель
Код 64305301063
Доставка по всей Беларуси
Остаток Под заказ
Кольцо в12  МАЗ ОАО 400538
Кольцо в12 МАЗ ОАО
Каталожный номер 400538
Производитель
Код 400538
Доставка по всей Беларуси
Остаток Под заказ