Республика Беларусь,
г. Минск, ул. Селицкого 21к - центральный склад
Пн-пт с 8:00 до 17:00
Меню
80-2707111-Б Крюк ВЗТЗЧ
Наименование: Крюк 80-2707111-Б ВЗТЗЧ
Каталожный номер: 80-2707111-Б
Производитель: ВЗТЗЧ
Код товара: 00-ГР040838
Доставка: по всей Беларуси
Остаток: под заказ

Нашли не точность в описании товара? сообщить администратору.

+375 (44) 770-80-78 +375 (29) 747-80-78
* Выставить счет, получить техническую информацию и стоимость
Заказать деталь Онлайн
Описание
Наличие на филиалах
Применяемость
Заменить на СТО

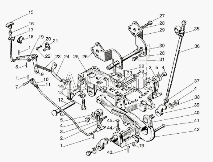
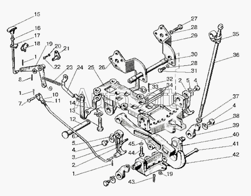
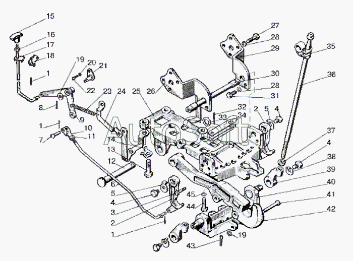
Крюк 80-2707111-Б ВЗТЗЧ производства ВЗТЗЧ (ВЗТЗЧ), Код для заказа: 00-ГР040838

Марка Модель Кат.номер Наим. по каталогу Чертеж
МТЗ МТЗ-100 80-2707111 Крюк Совмещенное прицепное устройство
МТЗ МТЗ-1523 1321-2707111-А Вилка Тягово-сцепное устройство
МТЗ МТЗ-1522 (2008) 1321-2707111-А Вилка Тягово-сцепное устройство
МТЗ МТЗ-1005 (2008) 80-2707111 Крюк Устройство прицепное маятниковое
МТЗ МТЗ-80 (2002) (2002) 80-2707111 Крюк 2707 Устройство прицепное. Вариант крюк Чертеж 2707 Устройство прицепное. Вариант крюк
МТЗ МТЗ-80 (2009) (2009) 80-2707111-Б Крюк Устройство прицепное. Вариант «крюк» (по заказу). (Для тракторов с силовым регулятором и без силового регулятора) Чертеж Устройство прицепное. Вариант «крюк» (по заказу). (Для тракторов с силовым регулятором и без силового регулятора)
МТЗ МТЗ-570 (2010) 80-2707111-Б Крюк Устройство прицепное (Для тракторов с силовым регулятором и без силового регулятора) Чертеж Устройство прицепное (Для тракторов с силовым регулятором и без силового регулятора)
МТЗ МТЗ-900/920/950/952 (2009) 80-2707111-Б Крюк Устройство прицепное. Вариант «крюк» (по заказу) Чертеж Устройство прицепное. Вариант «крюк» (по заказу)
МТЗ МТЗ-900/920/950/952 (2009) 1321-2707111-А Вилка Тягово-сцепное устройство (варианты комплектации)
МТЗ МТЗ-920.4/952.4 (2009) 1321-2707111-А Вилка Тягово-сцепное устройство (варианты комплектации)
МТЗ МТЗ-1222/1523 (2009) 1321-2707111-А Вилка Тягово-сцепное устройство
МТЗ МТЗ-826 (2010) 80-2707111-Б Крюк Устройство прицепное, для тракторов с силовым регулятором и без силового регулятора Чертеж Устройство прицепное, для тракторов с силовым регулятором и без силового регулятора
МТЗ МТЗ-826 (2010) 1321-2707111-А Вилка Тягово-сцепное устройство, варианты комплектации
МТЗ МТЗ-2022 (2010) 1321-2707111-А Вилка Тягово-сцепное устройство
МТЗ МТЗ-1523.4 (2010) 1321-2707111-А Вилка Тягово-сцепное устройство
МТЗ МТЗ-2522 (2010) 2522-2707111 Вилка Вилка Чертеж Вилка
МТЗ МТЗ-1021.3 (2010) 1321-2707111-А Вилка Тягово-сцепное устройство (вариант комплектации)
МТЗ МТЗ-1025.4 (2009) 1321-2707111-А Вилка Тягово-сцепное устройство (варианты комплектации)
МТЗ МТЗ-3522 (2011) 2522-2707111 Вилка Вилка
МТЗ 622 (2012) 80-2707111-Б Крюк Тягово-сцепное устройство. Вариант «крюк» Чертеж Тягово-сцепное устройство. Вариант «крюк»