Республика Беларусь,
г. Минск, ул. Селицкого 21к - центральный склад
Пн-пт с 8:00 до 17:00
Меню
50-4605079-Б Шкворень
Наименование: Шкворень 50-4605079-Б
Каталожный номер: 50-4605079-Б
Производитель: RSTA
Код товара: 16285
Доставка: по всей Беларуси
Остаток: в наличии

Нашли не точность в описании товара? сообщить администратору.

+375 (44) 770-80-78 +375 (29) 747-80-78
* Выставить счет, получить техническую информацию и стоимость
Заказать деталь Онлайн
Описание
Наличие на филиалах
Применяемость
Заменить на СТО

БС вес: 1,05 на 24.03.2020

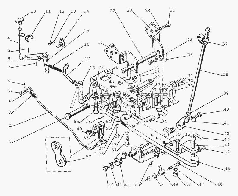
Шкворень 50-4605079-Б. Код товара для заказа: 16285

Марка Модель Кат.номер Наим. по каталогу Чертеж
МТЗ МТЗ-80 (1998) 50-4605079-Б Шкворень Механизм задней навески Чертеж Механизм задней навески
МТЗ МТЗ-100 50-4605079-Б Шкворень Совмещенное прицепное устройство
МТЗ МТЗ-100 50-4605079-Б Шкворень Механизм задней навески Чертеж Механизм задней навески
МТЗ МТЗ-1221 (1997) 50-4605079-В Шкворень Устройство прицепное маятниковое
МТЗ МТЗ-1005 (2008) 50-4605079-В Шкворень Устройство прицепное маятниковое (поперечина)
МТЗ МТЗ-1005 (2008) 50-4605079-В Шкворень Полурама в сборе
МТЗ МТЗ-1005 (2008) 50-4605079-В Шкворень Механизм задней навески
МТЗ МТЗ-80 (2002) (2002) 50-4605079-Б Шкворень 2800, 2801 Полурама Чертеж 2800, 2801 Полурама
МТЗ МТЗ-80 (2002) (2002) 50-4605079-Б Шкворень 4605 Механизм задней навески
МТЗ МТЗ-80 (2002) (2002) 50-4605079-Б Шкворень 2707 Устройство прицепное. Вариант маятник или прицеп Чертеж 2707 Устройство прицепное. Вариант маятник или прицеп
МТЗ МТЗ-90/92 (2008) 50-4605079-Б Шкворень Полурама Чертеж Полурама
МТЗ МТЗ-90/92 (2008) 50-4605079-Б Шкворень Механизм задней навески
МТЗ МЛ-131 (2008) 50-4605079-Б Шкворень Рама задняя с шарниром Чертеж Рама задняя с шарниром
МТЗ МТЗ-80 (2009) (2009) 50-4605079-Б Шкворень Полурама
МТЗ МТЗ-80 (2009) (2009) 50-4605079-Б Шкворень Устройство прицепное. Вариант «маятник» или «прицеп» (по заказу).
МТЗ МТЗ-80 (2009) (2009) 50-4605079-Б Шкворень Механизм задней навески (для тракторов с силовым регулятором и без силового регулятора)
МТЗ МТЗ-570 (2010) 50-4605079-Б Шкворень Полурама
МТЗ МТЗ-570 (2010) 50-4605079-Б Шкворень Устройство прицепное (Для тракторов с силовым регулятором и без силового регулятора) Чертеж Устройство прицепное (Для тракторов с силовым регулятором и без силового регулятора)
ЮМЗ ЮМЗ-6Л (1991) 40-4605079 Ось продольной тяги Механизм задней навески. Автоматическая сцепка Чертеж Механизм задней навески. Автоматическая сцепка
ЮМЗ ЮМЗ-6Л (1991) 50-4605079-Б Шкворень прицепа Механизм задней навески. Автоматическая сцепка Чертеж Механизм задней навески. Автоматическая сцепка
Склад Адрес Контакт Остатки
г. Минск ул. Селицкого, 21к +375 (44) 770-80-78 ( Много )
Схема проезда
г. Бобруйск ул. Орловского, 22к3 +375 (29) 345-37-07 ( Мало )
Схема проезда
г. Витебск ул. Правды, 33 +375 (44) 770-80-87 ( Мало )
Схема проезда
г. Дрогичин ул. Юбилейная, 42 +375 (29) 682-17-13 ( Мало )
Схема проезда
г. Барановичи ул. Бадака, 27Б +375 (29) 350-33-47 Под заказ
Схема проезда
г. Барановичи ул. Пролетарская, 40 +375 (29) 795-96-37 Под заказ
Схема проезда
г. Берёза ул. Красноармейская, 89/11 +375 (29) 676-70-71 Под заказ
Схема проезда
г. Березино ул. Комсомольская, д. 24 +375 (44) 770-80-17 Под заказ
Схема проезда
г. Бобруйск ул. Гоголя, 181/1-6 +375 (29) 630-05-01 Под заказ
Схема проезда
г. Борисов ул. Демина, 2а +375 (44) 560-99-75 Под заказ
Схема проезда
г. Брест Тельминский с/с, 1Д/1, 1 км южнее д. Тельмы-2 +375 (44) 599-90-75 Под заказ
Схема проезда
г. Витебск ул. Петруся Бровки, 34 +375 (29) 636-25-08 Под заказ
Схема проезда
г. Глубокое ул. Энгельса, 22 +375 (44) 505-71-40 Под заказ
Схема проезда
г. Гомель ул. Барыкина, 291Б +375 (44) 514-15-30 Под заказ
Схема проезда
г. Гомель ул. Текстильная, 10 +375 (44) 540-02-05 Под заказ
Схема проезда
г. Горки ул.Мира, д.51а/1 +375 (44) 565-33-61 Под заказ
Схема проезда
г. Гродно ул. Карского, 35 +375 (44) 770-70-21 Под заказ
Схема проезда
г. Дятлово ул. Советская ,104 +375 (29) 187-87-37 Под заказ
Схема проезда
г. Житковичи ул. Комсомольская, 49 +375 (29) 394-82-52 Под заказ
Схема проезда
г. Жлобин ул. Козлова, 25 +375 (29) 346-06-78 Под заказ
Схема проезда
г. Ивацевичи ул. Загородная, 6А +375 (29) 188-59-01 Под заказ
Схема проезда
г. Кобрин ул. Пролетарская, 177А +375 (44) 588-10-80 Под заказ
Схема проезда
г. Кричев ул. Комсомольская, 126 +375 (29) 628-88-42 Под заказ
Схема проезда
г. Лельчицы ул. Советская, д.96/1 +375 (29) 346-98-96 Под заказ
Схема проезда
г. Лепель ул. Лобанка, 43 +375 (44) 778-65-21 Под заказ
Схема проезда
г. Лида ул. Качана, 7 +375 (29) 612-60-61 Под заказ
Схема проезда
г. Лунинец ул.Красная, 175а +375 (44) 721-46-74 Под заказ
Схема проезда
г. Минск ул. Бабушкина, 37 +375 (29) 632-00-82 Под заказ
Схема проезда
г. Могилев ул. Габровская 11Б +375 (29) 662-02-16 Под заказ
Схема проезда
г. Мозырь промузел Козенки +375 (44) 731-94-60 Под заказ
Схема проезда
г. Молодечно ул. Галицкого, 14 +375 (44) 567-28-47 Под заказ
Схема проезда
г. Несвиж ул. Кутузова, 2 +375 (29) 394-82-48 Под заказ
Схема проезда
г. Новогрудок ул. Индустриальная, 3 +375 (44) 729-39-19 Под заказ
Схема проезда
г. Орша ул. Сергея Кирова, д. 34 +375 (44) 583-91-42 Под заказ
Схема проезда
г. Осиповичи ул. Короткая, 11 +375 (29) 165-60-07 Под заказ
Схема проезда
г. Ошмяны ул. Льнозоводская 3 +375 (44) 770-80-91 Под заказ
Схема проезда
г. Петриков ул. Первомайская, 124 +375 (33) 660-06-75 Под заказ
Схема проезда
г. Пинск ул. Калиновского 32 +375 (44) 560-99-59 Под заказ
Схема проезда
г. Полоцк ул. Пролетарская, 6 +375 (29) 644-57-58 Под заказ
Схема проезда
г. Полоцк ул. Строительная, 30Б +375 (29) 302-97-91 Под заказ
Схема проезда
г. Полоцк-2 ул. Шенягина, 52 +375 (29) 302-94-73 Под заказ
Схема проезда
г. Поставы ул. Советская, 69 +375 (44) 770-80-13 Под заказ
Схема проезда
г. Пружаны ул. Макаренко, 21 +375 (29) 348-83-18 Под заказ
Схема проезда
г. Слоним ул. Советская, 93а +375 (29) 394-82-01 Под заказ
Схема проезда
г. Слуцк ул. Тутаринова, 8 +375 (29) 346-06-90 Под заказ
Схема проезда
г. Сморгонь ул. Железнодорожная, 32 +375 (29) 671-02-10 Под заказ
Схема проезда
г. Солигорск Чижевичский сельсовет, 3Г +375 (29) 899-58-52 Под заказ
Схема проезда
г. Столин ул. Быковского, 29 +375 (33) 304-54-36 Под заказ
Схема проезда
г. Щучин ул. Советская, 39 +375 (29) 177-29-70 Под заказ
Схема проезда
Аналоги
Шкворень 50-4605079-Б ВЗТЗЧ 50-4605079-Б
Шкворень 50-4605079-Б ВЗТЗЧ
Каталожный номер 50-4605079-Б
Производитель ВЗТЗЧ ВЗТЗЧ
Код 00-ГР027004
Доставка по всей Беларуси
Доступность остатки на филиалах Остатки на филиалах
Остаток Под заказ