Республика Беларусь,
г. Минск, ул. Селицкого 21к - центральный склад
Пн-пт с 8:00 до 17:00
Меню
70-1723010-01 Крышка МТЗ
Наименование: Крышка 70-1723010-01 МТЗ
Каталожный номер: 70-1723010-01
Производитель: МТЗ
Код товара: 00-ГР020562
Доставка: по всей Беларуси
Остаток: под заказ

Нашли не точность в описании товара? сообщить администратору.

+375 (44) 770-80-78 +375 (29) 747-80-78
* Выставить счет, получить техническую информацию и стоимость
Заказать деталь Онлайн
Описание
Наличие на филиалах
Применяемость
Заменить на СТО

Ширина, м: 0.2
Высота, м: 0.17
Длина, м: 0.6
Вес, кг: 3.4

Крышка 70-1723010-01 МТЗ производства МТЗ (РБ), Код для заказа: 00-ГР020562

Марка Модель Кат.номер Наим. по каталогу Чертеж
МАЗ КПП МАЗ-543205-070 201.1723010 Воздухораспределитель Механизм переключения передач Чертеж Механизм переключения передач
МЗКТ МЗКТ-65158 (1999) 7917-1723010 Клапан электромагнитный Установка трубопроводов системы управления Чертеж Установка трубопроводов системы управления
МЗКТ МЗКТ-65158 (1999) 201-1723010 Воздухораспределитель Механизм переключения передач 202-1702010 и опора рычага 201-1702200 Чертеж Механизм переключения передач 202-1702010 и опора рычага 201-1702200
МЗКТ МЗКТ-65158 (1999) 7917-1723010 Клапан электромагнитный Привод управления блокировкой межосевых дифференциалов Чертеж Привод управления блокировкой межосевых дифференциалов
МЗКТ МЗКТ-65158 (1999) 7917-1723010 Клапан электромагнитный Установка коробки отбора мощности
МТЗ МТЗ-80 (1998) 70-1723010 Управление редуктором в сборе Управление понижающим редуктором
МТЗ МТЗ-900 74-1723010 Управление редуктором Управление понижающим редуктором
ЯМЗ ЯМЗ-236 М 201.1723010 Воздухораспределитель Механизм переключения передач коробок передач 201 Чертеж Механизм переключения передач коробок передач 201
ЯМЗ ЯМЗ-236 НЕ, 236 БЕ, 7601.10 (2003) 238Н-1723010-01 Воздухораспределитель в сборе Управление механизмом переключения демультипликатором Чертеж Управление механизмом переключения демультипликатором
ЯМЗ ЯМЗ-238 М 201.1723010 Воздухораспределитель Механизм переключения передач коробок передач 201 Чертеж Механизм переключения передач коробок передач 201
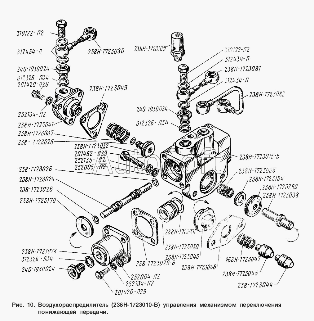
ЯМЗ ЯМЗ-238 М 238Н-1723010-В Воздухораспределитель Воздухораспределитель управления механизмом переключения понижающей передачи КП ЯМЗ-238 Чертеж Воздухораспределитель управления механизмом переключения понижающей передачи КП ЯМЗ-238
ЯМЗ ЯМЗ-238 АМ 201.1723010 Воздухораспределитель Механизм переключения передач коробок передач 201 Чертеж Механизм переключения передач коробок передач 201
ЯМЗ ЯМЗ-238 АМ 238Н-1723010-В Воздухораспределитель Воздухораспределитель управления механизмом переключения понижающей передачи КП ЯМЗ-238 Чертеж Воздухораспределитель управления механизмом переключения понижающей передачи КП ЯМЗ-238
ЯМЗ ЯМЗ-238 ГМ 201.1723010 Воздухораспределитель Механизм переключения передач коробок передач 201 Чертеж Механизм переключения передач коробок передач 201
ЯМЗ ЯМЗ-238 ГМ 238Н-1723010-В Воздухораспределитель Воздухораспределитель управления механизмом переключения понижающей передачи КП ЯМЗ-238 Чертеж Воздухораспределитель управления механизмом переключения понижающей передачи КП ЯМЗ-238
ЯМЗ ЯМЗ-238 ИМ 201.1723010 Воздухораспределитель Механизм переключения передач коробок передач 201 Чертеж Механизм переключения передач коробок передач 201
ЯМЗ ЯМЗ-238 ИМ 238Н-1723010-В Воздухораспределитель Воздухораспределитель (238Н-1723010-B) управления механизмом переключения понижающей передачи Чертеж Воздухораспределитель (238Н-1723010-B) управления механизмом переключения понижающей передачи
ЯМЗ ЯМЗ-238 ИМ 238Н-1723010-В Воздухораспределитель Воздухораспределитель управления механизмом переключения понижающей передачи КП ЯМЗ-238 Чертеж Воздухораспределитель управления механизмом переключения понижающей передачи КП ЯМЗ-238
ЯМЗ ЯМЗ-238 НД 201.1723010 Воздухораспределитель Механизм переключения передач коробок передач 201 Чертеж Механизм переключения передач коробок передач 201
ЯМЗ ЯМЗ-238 НД 238Н-1723010-В Воздухораспределитель Воздухораспределитель (238Н-1723010-B) управления механизмом переключения понижающей передачи Чертеж Воздухораспределитель (238Н-1723010-B) управления механизмом переключения понижающей передачи
Товары из этой категории
Гайка М45х1,5-6Н 80-1701045
Гайка М45х1,5-6Н
Каталожный номер 80-1701045
Производитель RSTA RSTA
Код 17909
Доставка по всей Беларуси
Доступность остатки на филиалах Остатки на филиалах
Остаток В наличии
Склад Адрес Контакт Остатки
г. Глубокое ул. Энгельса, 22 +375 (44) 505-71-40 ( Средне )
Схема проезда
г. Горки ул.Мира, д.51а/1 +375 (44) 565-33-61 ( Средне )
Схема проезда
г. Дрогичин ул. Юбилейная, 42 +375 (29) 682-17-13 ( Средне )
Схема проезда
г. Лепель ул. Лобанка, 43 +375 (44) 778-65-21 ( Средне )
Схема проезда
г. Ошмяны ул. Льнозоводская 3 +375 (44) 770-80-91 ( Мало )
Схема проезда
г. Полоцк-2 ул. Шенягина, 52 +375 (29) 302-94-73 ( Мало )
Схема проезда
г. Полоцк-2 ул. Шенягина, 52 +375 (29) 302-94-73 ( Мало )
Схема проезда
г. Полоцк-2 ул. Шенягина, 52 +375 (29) 302-94-73 ( Мало )
Схема проезда
г. Поставы ул. Советская, 69 +375 (44) 770-80-13 ( Мало )
Схема проезда
г. Столин ул. Быковского, 29 +375 (33) 304-54-36 ( Мало )
Схема проезда
Шестерня ведомая промвала МТЗ Z=43 50-1701214
Шестерня ведомая промвала МТЗ Z=43
Каталожный номер 50-1701214
Производитель КНР КНР
Код 11525
Доставка по всей Беларуси
Доступность остатки на филиалах Остатки на филиалах
Остаток В наличии
Склад Адрес Контакт Остатки
г. Дрогичин ул. Юбилейная, 42 +375 (29) 682-17-13 ( Мало )
Схема проезда
г. Молодечно ул. Галицкого, 14 +375 (44) 567-28-47 ( Мало )
Схема проезда
Вал силовой передачи МТЗ-80 70-1721113
Вал силовой передачи МТЗ-80
Каталожный номер 70-1721113
Производитель RSTA RSTA
Код 11559
Доставка по всей Беларуси
Доступность остатки на филиалах Остатки на филиалах
Остаток: г.Минск, ул.Селицкого 21к В наличии
Склад Адрес Контакт Остатки
г. Минск ул. Селицкого, 21к +375 (44) 770-80-78 ( Мало )
Схема проезда
г. Ивацевичи ул. Загородная, 6А +375 (29) 188-59-01 ( Мало )
Схема проезда
г. Поставы ул. Советская, 69 +375 (44) 770-80-13 ( Мало )
Схема проезда
Синхронизатор вала промежуточного 80С-1701060-А
Синхронизатор вала промежуточного
Каталожный номер 80С-1701060-А
Производитель КНР КНР
Код 15816
Доставка по всей Беларуси
Доступность остатки на филиалах Остатки на филиалах
Остаток: г.Минск, ул.Селицкого 21к В наличии
Склад Адрес Контакт Остатки
г. Минск ул. Селицкого, 21к +375 (44) 770-80-78 ( Много )
Схема проезда
г. Несвиж ул. Кутузова, 2 +375 (29) 394-82-48 ( Средне )
Схема проезда
г. Полоцк-2 ул. Шенягина, 52 +375 (29) 302-94-73 ( Средне )
Схема проезда
Крышка управл.мех.редуктором 70-1723010
Крышка управл.мех.редуктором
Каталожный номер 70-1723010
Производитель RSTA RSTA
Код 14719
Доставка по всей Беларуси
Доступность остатки на филиалах Остатки на филиалах
Остаток: г.Минск, ул.Селицкого 21к В наличии
Склад Адрес Контакт Остатки
г. Минск ул. Селицкого, 21к +375 (44) 770-80-78 ( Много )
Схема проезда
г. Гомель ул. Барыкина, 291Б +375 (44) 514-15-30 ( Мало )
Схема проезда
г. Жлобин ул. Козлова, 25 +375 (29) 346-06-78 ( Мало )
Схема проезда
г. Новогрудок ул. Индустриальная, 3 +375 (44) 729-39-19 ( Мало )
Схема проезда
г. Осиповичи ул. Короткая, 11 +375 (29) 165-60-07 ( Мало )
Схема проезда
г. Ошмяны ул. Льнозоводская 3 +375 (44) 770-80-91 ( Мало )
Схема проезда
г. Полоцк-2 ул. Шенягина, 52 +375 (29) 302-94-73 ( Мало )
Схема проезда
г. Полоцк-2 ул. Шенягина, 52 +375 (29) 302-94-73 ( Мало )
Схема проезда
г. Полоцк-2 ул. Шенягина, 52 +375 (29) 302-94-73 ( Мало )
Схема проезда
г. Сморгонь ул. Железнодорожная, 32 +375 (29) 671-02-10 ( Мало )
Схема проезда
г. Столин ул. Быковского, 29 +375 (33) 304-54-36 ( Мало )
Схема проезда