Республика Беларусь,
г. Минск, ул. Селицкого 21к - центральный склад
Пн-пт с 8:00 до 17:00
Меню
201458 Болт М8-6дх25 ОСТ 3700112375 МАЗ ОАО
Наименование: Болт М8-6дх25 ОСТ 3700112375 МАЗ ОАО
Каталожный номер: 201458
Код товара: 201458
Доставка: по всей Беларуси
Остаток: под заказ 1-45 дней

Нашли не точность в описании товара? сообщить администратору.

+375 (44) 770-80-78 +375 (29) 747-80-78
* Выставить счет, получить техническую информацию и стоимость
Заказать деталь Онлайн
Описание
Наличие на филиалах
Применяемость
Заменить на СТО

201458 Болт М8-6дх25 ОСТ 3700112375.

  • Производитель: МАЗ ОАО
  • Каталожный номер по заводу: 201458
  • Код для заказа:  201458
Марка Модель Кат.номер Наим. по каталогу Чертеж
ГАЗ ГАЗ-14 (Чайка) (1980) 201458-П29 Болт М8-6gх25 ОСТ 37.001.123-96 Компрессор холодильный, конденсатор, ресивер, охладитель воздуха Чертеж Компрессор холодильный, конденсатор, ресивер, охладитель воздуха
ГАЗ ГАЗ-14 (Чайка) (1980) 201458-П29 Болт М8-6gх25 ОСТ 37.001.123-96 Крыло переднее Чертеж Крыло переднее
ГАЗ ГАЗ-14 (Чайка) (1980) 201458-П29 Болт М8-6gх25 ОСТ 37.001.123-96 Картер масляный, приемник масляный двигателя
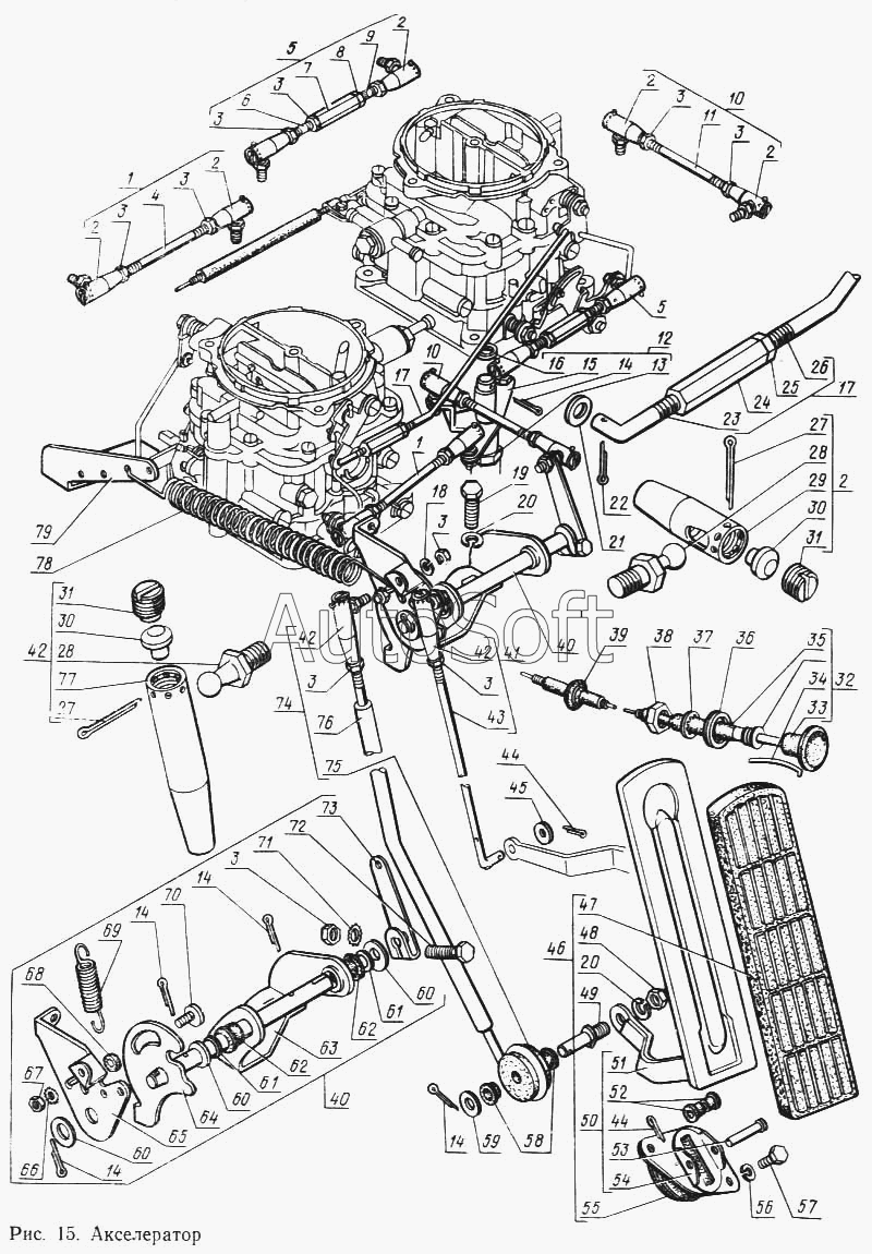
ГАЗ ГАЗ-14 (Чайка) (1980) 201458-П29 Болт М8-6gх25 ОСТ 37.001.123-96 Акселератор Чертеж Акселератор
ГАЗ ГАЗ-14 (Чайка) (1980) 201458-П29 Болт М8-6gх25 ОСТ 37.001.123-96 Насос гидроусилителя рулевого управления Чертеж Насос гидроусилителя рулевого управления
ГАЗ ГАЗ-14 (Чайка) (1980) 201458-П29 Болт М8-6gх25 ОСТ 37.001.123-96 Педаль и привод механизма управления тормозами, главный цилиндр тормозов, вакуумный усилитель тормозов Чертеж Педаль и привод механизма управления тормозами, главный цилиндр тормозов, вакуумный усилитель тормозов
ГАЗ ГАЗ-24 201458-П8 Болт М8х1,25х25 Масляный насос и привод распределителя Чертеж Масляный насос и привод распределителя
ГАЗ ГАЗ-24 201458-П29 Болт М8-6gх25 ОСТ 37.001.123-96 Глушитель и выхлопные трубы
ГАЗ ГАЗ-24 201458-П29 Болт М8-6gх25 ОСТ 37.001.123-96 Вентилятор
ГАЗ ГАЗ-24 201458-П29 Болт М8-6gх25 ОСТ 37.001.123-96 Привод выключения сцепления Чертеж Привод выключения сцепления
ГАЗ ГАЗ-24 201458-П8 Болт М8х1,25х25 Коробка передач Чертеж Коробка передач
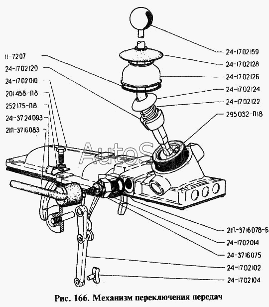
ГАЗ ГАЗ-24 201458-П8 Болт М8х1,25х25 Механизм переключения передач Чертеж Механизм переключения передач
ГАЗ ГАЗ-24 201458-П8 Болт М8х1,25х25 Передняя подвеска
ГАЗ ГАЗ-24-10 (1995) 201458-П29 Болт М8-6gх25 ОСТ 37.001.123-96 Подвеска двигателя Чертеж Подвеска двигателя
ГАЗ ГАЗ-24-10 (1995) 201458-П29 Болт М8-6gх25 ОСТ 37.001.123-96 Блок и головка цилиндров двигателя Чертеж Блок и головка цилиндров двигателя
ГАЗ ГАЗ-24-10 (1995) 201458-П29 Болт М8-6gх25 ОСТ 37.001.123-96 Глушитель выхлопа и трубы выхлопные Чертеж Глушитель выхлопа и трубы выхлопные
ГАЗ ГАЗ-24-10 (1995) 201458-П8 Болт М8х1,25х25 Сцепление
ГАЗ ГАЗ-24-10 (1995) 201458-П29 Болт М8-6gх25 ОСТ 37.001.123-96 Крепление главного цилиндра привода сцепления, цилиндра выключения, педали тормоза
ГАЗ ГАЗ-24-10 (1995) 201458-П29 Болт М8-6gх25 ОСТ 37.001.123-96 Картер и удлинитель с вторичным валом коробки передач
ГАЗ ГАЗ-24-10 (1995) 201458-П29 Болт М8-6gх25 ОСТ 37.001.123-96 Механизм переключения передач
Аналоги
Болт М8-6gх25 201458
Болт М8-6gх25
Каталожный номер 201458
Производитель МАЗ МАЗ
Код 7167
Доставка по всей Беларуси
Доступность остатки на филиалах Остатки на филиалах
Остаток Под заказ
Товары из этой категории
Пружина  МАЗ ОАО 8373-2707142
Пружина МАЗ ОАО
Каталожный номер 8373-2707142
Производитель
Код 83732707142
Доставка по всей Беларуси
Остаток Под заказ
Электромагнитный клапан  JAC, Китай 1026350FE040
Электромагнитный клапан JAC, Китай
Каталожный номер 1026350FE040
Производитель
Код 1026350FE040
Доставка по всей Беларуси
Остаток Под заказ
Шайба  МАЗ ОАО 252019-10
Шайба МАЗ ОАО
Каталожный номер 252019-10
Производитель
Код 25201910
Доставка по всей Беларуси
Остаток Под заказ
Кронштейн  МАЗ ОАО 650108-8511122
Кронштейн МАЗ ОАО
Каталожный номер 650108-8511122
Производитель
Код 6501088511122
Доставка по всей Беларуси
Остаток Под заказ
Заглушка  ОЗАА,Осиповичи 6430-6105165
Заглушка ОЗАА,Осиповичи
Каталожный номер 6430-6105165
Производитель
Код 64306105165
Доставка по всей Беларуси
Остаток Под заказ