Республика Беларусь,
г. Минск, ул. Селицкого 21к - центральный склад
Пн-пт с 8:00 до 17:00
Меню
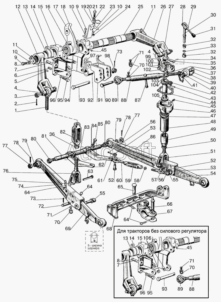
80-4605033 Кронштейн
Наименование: Кронштейн 80-4605033
Каталожный номер: 80-4605033
Производитель: RSTA
Код товара: 32985
Доставка: по всей Беларуси
Остаток: под заказ

Нашли не точность в описании товара? сообщить администратору.

+375 (44) 770-80-78 +375 (29) 747-80-78
* Выставить счет, получить техническую информацию и стоимость
Заказать деталь Онлайн
Описание
Наличие на филиалах
Применяемость
Заменить на СТО

Код для заказа: 32985

Марка Модель Кат.номер Наим. по каталогу Чертеж
МТЗ МТЗ-80 (1998) 50-4605033-Б1 Кронштейн Механизм задней навески Чертеж Механизм задней навески
МТЗ МТЗ-100 80-4605033 Кронштейн Механизм задней навески Чертеж Механизм задней навески
МТЗ МТЗ-1221 (1997) 80-4605033 Кронштейн Механизм задней навески Чертеж Механизм задней навески
МТЗ МТЗ-1523 1522-4605033 Палец Устройство навесное
МТЗ МТЗ-1522 (2008) 1522-4605033 Палец Устройство навесное Чертеж Устройство навесное
МТЗ МТЗ-1005 (2008) 80-4605033 Кронштейн Механизм задней навески
МТЗ МТЗ-80 (2002) (2002) 50-4605033-Б1 Кронштейн 4605 Механизм задней навески
МТЗ МТЗ-80 (2009) (2009) 50-4605033-Б1 Кронштейн Механизм задней навески (для тракторов с силовым регулятором и без силового регулятора)
МТЗ МТЗ-570 (2010) 50-4605033-Б1 Кронштейн Механизм задней навески (для тракторов с силовым регулятором) Чертеж Механизм задней навески (для тракторов с силовым регулятором)
МТЗ МТЗ-900/920/950/952 (2009) 50-4605033-Б1 Кронштейн Механизм задней навески (для тракторов с силовым регулятором) Чертеж Механизм задней навески (для тракторов с силовым регулятором)
МТЗ МТЗ-1222/1523 (2009) 1522-4605033 Палец Устройство навесное Чертеж Устройство навесное
МТЗ МТЗ-2022 (2010) 1522-4605033 Палец Устройство навесное
МТЗ МТЗ-1523.4 (2010) 1522-4605033 Палец Устройство навесное Чертеж Устройство навесное
МТЗ МТЗ-2522 (2010) 2522-4605033 Палец Механизм задней навески Чертеж Механизм задней навески
МТЗ МТЗ-2103 (2010) 1522-4605033 Палец Устройство навесное Чертеж Устройство навесное
МТЗ МТЗ-510/512, 520/522 (2010) 50-4605033-Б1 Кронштейн Механизм задней навески (для тракторов с силовым регулятором и без силового регулятора) Чертеж Механизм задней навески (для тракторов с силовым регулятором и без силового регулятора)
МТЗ 892 (2011) 50-4605033-Б1 Кронштейн Механизм задней навески (для тракторов с силовым регулятором) Чертеж Механизм задней навески (для тракторов с силовым регулятором)
МТЗ 1502 (2012) 1522-4605033 Палец Устройство навесное Чертеж Устройство навесное
МТЗ 1502 (2012) 1522-4605033 Палец Установка отвала 1502-4607110-А Чертеж Установка отвала 1502-4607110-А
МТЗ 2122.3/2122.4 (2015) 1522-4605033 Палец Устройство навесное Чертеж Устройство навесное
Товары из этой категории
Стяжка навески в сборе 50-4605115
Стяжка навески в сборе
Каталожный номер 50-4605115
Производитель КНР КНР
Код 11678
Доставка по всей Беларуси
Доступность остатки на филиалах Остатки на филиалах
Остаток: г.Минск, ул.Селицкого 21к В наличии
Склад Адрес Контакт Остатки
г. Минск ул. Селицкого, 21к +375 (44) 770-80-78 ( Много )
Схема проезда
г. Борисов ул. Демина, 2а +375 (44) 560-99-75 ( Мало )
Схема проезда
г. Витебск ул. Правды, 33 +375 (44) 770-80-87 ( Средне )
Схема проезда
г. Глубокое ул. Энгельса, 22 +375 (44) 505-71-40 ( Средне )
Схема проезда
г. Гомель ул. Барыкина, 291Б +375 (44) 514-15-30 ( Мало )
Схема проезда
г. Горки ул.Мира, д.51а/1 +375 (44) 565-33-61 ( Мало )
Схема проезда
г. Дрогичин ул. Юбилейная, 42 +375 (29) 682-17-13 ( Средне )
Схема проезда
г. Ивацевичи ул. Загородная, 6А +375 (29) 188-59-01 ( Средне )
Схема проезда
г. Кричев ул. Комсомольская, 126 +375 (29) 628-88-42 ( Средне )
Схема проезда
г. Лепель ул. Лобанка, 43 +375 (44) 778-65-21 ( Мало )
Схема проезда
г. Лунинец ул.Красная, 175а +375 (44) 721-46-74 ( Средне )
Схема проезда
г. Молодечно ул. Галицкого, 14 +375 (44) 567-28-47 ( Мало )
Схема проезда
г. Новогрудок ул. Индустриальная, 3 +375 (44) 729-39-19 ( Средне )
Схема проезда
г. Осиповичи ул. Короткая, 11 +375 (29) 165-60-07 ( Мало )
Схема проезда
г. Ошмяны ул. Льнозоводская 3 +375 (44) 770-80-91 ( Средне )
Схема проезда
г. Петриков ул. Первомайская, 124 +375 (33) 660-06-75 ( Мало )
Схема проезда
г. Полоцк-2 ул. Шенягина, 52 +375 (29) 302-94-73 ( Средне )
Схема проезда
г. Полоцк-2 ул. Шенягина, 52 +375 (29) 302-94-73 ( Средне )
Схема проезда
г. Поставы ул. Советская, 69 +375 (44) 770-80-13 ( Средне )
Схема проезда
г. Пружаны ул. Макаренко, 21 +375 (29) 348-83-18 ( Средне )
Схема проезда
г. Слоним ул. Советская, 93а +375 (29) 394-82-01 ( Мало )
Схема проезда
г. Столин ул. Быковского, 29 +375 (33) 304-54-36 ( Мало )
Схема проезда
г. Щучин ул. Советская, 39 +375 (29) 177-29-70 ( Мало )
Схема проезда
Гидроблок РП70-1523.1 (RG022) FENOX RG022
Гидроблок РП70-1523.1 (RG022) FENOX
Каталожный номер RG022
Производитель FENOX FENOX
Код 00-ГР020378
Доставка по всей Беларуси
Доступность остатки на филиалах Остатки на филиалах
Остаток: г.Минск, ул.Селицкого 21к В наличии
Склад Адрес Контакт Остатки
г. Минск ул. Селицкого, 21к +375 (44) 770-80-78 ( Средне )
Схема проезда
Поперечина 80-4605025 ВЗТЧ 80-4605025
Поперечина 80-4605025 ВЗТЧ
Каталожный номер 80-4605025
Производитель ВЗТЗЧ ВЗТЗЧ
Код 00-ГР016151
Доставка по всей Беларуси
Доступность остатки на филиалах Остатки на филиалах
Остаток: г.Минск, ул.Селицкого 21к В наличии
Склад Адрес Контакт Остатки
г. Минск ул. Селицкого, 21к +375 (44) 770-80-78 ( Мало )
Схема проезда
г. Борисов ул. Демина, 2а +375 (44) 560-99-75 ( Мало )
Схема проезда
г. Витебск ул. Правды, 33 +375 (44) 770-80-87 ( Мало )
Схема проезда
г. Глубокое ул. Энгельса, 22 +375 (44) 505-71-40 ( Мало )
Схема проезда
г. Гомель ул. Барыкина, 291Б +375 (44) 514-15-30 ( Мало )
Схема проезда
г. Дрогичин ул. Юбилейная, 42 +375 (29) 682-17-13 ( Мало )
Схема проезда
г. Жлобин ул. Козлова, 25 +375 (29) 346-06-78 ( Мало )
Схема проезда
г. Ивацевичи ул. Загородная, 6А +375 (29) 188-59-01 ( Мало )
Схема проезда
г. Кобрин ул. Пролетарская, 177А +375 (44) 588-10-80 ( Средне )
Схема проезда
г. Кричев ул. Комсомольская, 126 +375 (29) 628-88-42 ( Мало )
Схема проезда
г. Лельчицы ул. Советская, д.96/1 +375 (29) 346-98-96 ( Средне )
Схема проезда
г. Лунинец ул.Красная, 175а +375 (44) 721-46-74 ( Мало )
Схема проезда
г. Новогрудок ул. Индустриальная, 3 +375 (44) 729-39-19 ( Мало )
Схема проезда
г. Ошмяны ул. Льнозоводская 3 +375 (44) 770-80-91 ( Мало )
Схема проезда
г. Полоцк-2 ул. Шенягина, 52 +375 (29) 302-94-73 ( Мало )
Схема проезда
г. Пружаны ул. Макаренко, 21 +375 (29) 348-83-18 ( Мало )
Схема проезда
Стяжка 50-4605115 ВЗТЗЧ 50-4605115
Стяжка 50-4605115 ВЗТЗЧ
Каталожный номер 50-4605115
Производитель ВЗТЗЧ ВЗТЗЧ
Код 00-ГР015281
Доставка по всей Беларуси
Доступность остатки на филиалах Остатки на филиалах
Остаток: г.Минск, ул.Селицкого 21к В наличии
Склад Адрес Контакт Остатки
г. Минск ул. Селицкого, 21к +375 (44) 770-80-78 ( Средне )
Схема проезда
г. Новогрудок ул. Индустриальная, 3 +375 (44) 729-39-19 ( Мало )
Схема проезда
г. Пружаны ул. Макаренко, 21 +375 (29) 348-83-18 ( Средне )
Схема проезда
г. Слоним ул. Советская, 93а +375 (29) 394-82-01 ( Средне )
Схема проезда
г. Столин ул. Быковского, 29 +375 (33) 304-54-36 ( Мало )
Схема проезда
Гайка А04.02.020-01 А04.02.020-01
Гайка А04.02.020-01
Каталожный номер А04.02.020-01
Производитель RSTA RSTA
Код 16899
Доставка по всей Беларуси
Доступность остатки на филиалах Остатки на филиалах
Остаток: г.Минск, ул.Селицкого 21к В наличии
Склад Адрес Контакт Остатки
г. Минск ул. Селицкого, 21к +375 (44) 770-80-78 ( Средне )
Схема проезда
г. Березино ул. Комсомольская, д. 24 +375 (44) 770-80-17 ( Средне )
Схема проезда
г. Бобруйск ул. Орловского, 22к3 +375 (29) 345-37-07 ( Средне )
Схема проезда
г. Глубокое ул. Энгельса, 22 +375 (44) 505-71-40 ( Много )
Схема проезда
г. Дрогичин ул. Юбилейная, 42 +375 (29) 682-17-13 ( Средне )
Схема проезда
г. Жлобин ул. Козлова, 25 +375 (29) 346-06-78 ( Средне )
Схема проезда
г. Ивацевичи ул. Загородная, 6А +375 (29) 188-59-01 ( Средне )
Схема проезда
г. Лепель ул. Лобанка, 43 +375 (44) 778-65-21 ( Средне )
Схема проезда
г. Осиповичи ул. Короткая, 11 +375 (29) 165-60-07 ( Средне )
Схема проезда
г. Ошмяны ул. Льнозоводская 3 +375 (44) 770-80-91 ( Много )
Схема проезда
г. Полоцк-2 ул. Шенягина, 52 +375 (29) 302-94-73 ( Средне )
Схема проезда
г. Полоцк-2 ул. Шенягина, 52 +375 (29) 302-94-73 ( Средне )
Схема проезда
г. Щучин ул. Советская, 39 +375 (29) 177-29-70 ( Средне )
Схема проезда