Республика Беларусь,
г. Минск, ул. Селицкого 21к - центральный склад
Пн-пт с 8:00 до 17:00
Меню
ИК-01.3813 Индикатор комбинированный
Наименование: Индикатор комбинированный ИК-01.3813
Каталожный номер: ИК-01.3813
Производитель: RSTA
Код товара: 00-ГР002129
Доставка: по всей Беларуси
Остаток: под заказ

Нашли не точность в описании товара? сообщить администратору.

+375 (44) 770-80-78 +375 (29) 747-80-78
* Выставить счет, получить техническую информацию и стоимость
Заказать деталь Онлайн
Описание
Наличие на филиалах
Применяемость
Заменить на СТО

07.10.20

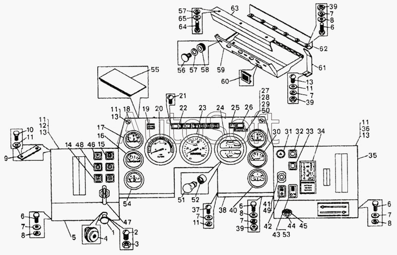
Индикатор комбинированный ИК-01.3813 производства RSTA (РФ), Код для заказа: 00-ГР002129

Марка Модель Кат.номер Наим. по каталогу Чертеж
ГАЗ ГАЗ-3306 (1994) 2561.3813010 Тахометр 2561.3813 Щиток приборов
ГАЗ ГАЗ-3309 2561.3813010 Тахометр 2561.3813 Щиток приборов
ГАЗ ГАЗ-4301 2561.3813010 Тахометр 2561.3813 Щиток приборов
МАЗ МАЗ-54328 2531.3813010 Тахометр 2531.3813 Контрольно-измерительные приборы, выключатели, установка предохранителей и реле
МАЗ МАЗ-5433 2531.3813010 Тахометр 2531.3813 Установка тормозного крана, клапана управления тормозами прицепа, трубопроводы и шланги МАЗ-53371
ЛАЗ ЛАЗ 4207 256.3813 Тахометр электронный (новая разработка) Электрооборудование Чертеж Электрооборудование
ЛАЗ ЛАЗ 4207 2561.3813010 Тахометр электронный 2561.3813 Панель щитка приборов средняя Чертеж Панель щитка приборов средняя
ЛиАЗ ЛиАЗ 5256 2561.3813010 Тахометр электронный 2561.3813 Электрооборудование
ЛиАЗ ЛиАЗ 5256 2561.3813010 Тахометр электронный 2561.3813 Панель щитка приборов с приборами Чертеж Панель щитка приборов с приборами
Камский автозавод 4326 (2001) 2511.3813 Тахометр электронный Панель приборов и выключателей Чертеж Панель приборов и выключателей
Камский автозавод 6460 3637.3813 Тахометр электронный Щиток приборов Чертеж Щиток приборов
Камский автозавод 65115 (2001) 2511.3813 Тахометр электронный Щиток приборов Чертеж Щиток приборов
Камский автозавод 5297 (2004) 3631.3813 Тахометр электронный Щиток приборов Чертеж Щиток приборов
ЗИЛ ЗИЛ-433100 2541.3813000 Тахометр электронный 2541.3813 в сборе Схема электрооборудования автомобиля Чертеж Схема электрооборудования автомобиля
ЗИЛ ЗИЛ-5301 (2000) 2541.3813000 Тахометр электронный 2541.3813 в сборе Схема расположения пучков проводов и приборов Чертеж Схема расположения пучков проводов и приборов
ЗИЛ ЗИЛ-5301 (2000) 2541.3813000 Тахометр электронный 2541.3813 в сборе Щиток приборов Чертеж Щиток приборов
ЗИЛ ЗИЛ-3250 (2000) 2541.3813 Тахометр электронный в сборе Схема расположения пучков приводов и приборов
ЗИЛ ЗИЛ-3250 (2000) 2541.3813 Тахометр электронный в сборе Щиток приборов
ЗИЛ ЗИЛ-3250 (2000) 2541.3813 Тахометр электронный в сборе Щиток приборов
БелАЗ 7548А (2000) 121.3813 Тахометр Панель приборов самосвалов БелАЗ-7548А, 75481 Чертеж Панель приборов самосвалов БелАЗ-7548А, 75481
Товары из этой категории
Датчик ДУМП-21М ДУМП-21МИ
Датчик ДУМП-21М
Каталожный номер ДУМП-21МИ
Производитель Экран Экран
Код 27100
Доставка по всей Беларуси
Доступность остатки на филиалах Остатки на филиалах
Остаток: г.Минск, ул.Селицкого 21к В наличии
Склад Адрес Контакт Остатки
г. Минск ул. Бабушкина, 37 +375 (29) 632-00-82 ( Мало )
Схема проезда
г. Минск ул. Селицкого, 21к +375 (44) 770-80-78 ( Средне )
Схема проезда
г. Бобруйск ул. Орловского, 22к3 +375 (29) 345-37-07 ( Мало )
Схема проезда
г. Гомель ул. Барыкина, 291Б +375 (44) 514-15-30 ( Мало )
Схема проезда
г. Полоцк-2 ул. Шенягина, 52 +375 (29) 302-94-73 ( Мало )
Схема проезда
г. Полоцк-2 ул. Шенягина, 52 +375 (29) 302-94-73 ( Мало )
Схема проезда
г. Полоцк-2 ул. Шенягина, 52 +375 (29) 302-94-73 ( Средне )
Схема проезда
г. Столин ул. Быковского, 29 +375 (33) 304-54-36 ( Мало )
Схема проезда
Датчик давления масла ДВС ДД-6Е
Датчик давления масла ДВС
Каталожный номер ДД-6Е
Производитель RSTA RSTA
Код 16274
Доставка по всей Беларуси
Доступность остатки на филиалах Остатки на филиалах
Остаток В наличии
Склад Адрес Контакт Остатки
г. Гродно ул. Карского, 35 +375 (44) 770-70-21 ( Мало )
Схема проезда
Датчик ДД-6Е AE давления масла АВТОЭЛЕКТРИКА ДД-6Е AE
Датчик ДД-6Е AE давления масла АВТОЭЛЕКТРИКА
Каталожный номер ДД-6Е AE
Производитель Автоэлектрика Автоэлектрика
Код 00-ГР022715
Доставка по всей Беларуси
Доступность остатки на филиалах Остатки на филиалах
Остаток: г.Минск, ул.Селицкого 21к В наличии
Склад Адрес Контакт Остатки
г. Минск ул. Селицкого, 21к +375 (44) 770-80-78 ( Средне )
Схема проезда
г. Бобруйск ул. Орловского, 22к3 +375 (29) 345-37-07 ( Средне )
Схема проезда
г. Борисов ул. Демина, 2а +375 (44) 560-99-75 ( Мало )
Схема проезда
г. Витебск ул. Правды, 33 +375 (44) 770-80-87 ( Мало )
Схема проезда
г. Гомель ул. Барыкина, 291Б +375 (44) 514-15-30 ( Средне )
Схема проезда
г. Горки ул.Мира, д.51а/1 +375 (44) 565-33-61 ( Мало )
Схема проезда
г. Дрогичин ул. Юбилейная, 42 +375 (29) 682-17-13 ( Средне )
Схема проезда
г. Дятлово ул. Советская ,104 +375 (29) 187-87-37 ( Мало )
Схема проезда
г. Жлобин ул. Козлова, 25 +375 (29) 346-06-78 ( Мало )
Схема проезда
г. Ивацевичи ул. Загородная, 6А +375 (29) 188-59-01 ( Средне )
Схема проезда
г. Кобрин ул. Пролетарская, 177А +375 (44) 588-10-80 ( Мало )
Схема проезда
г. Лунинец ул.Красная, 175а +375 (44) 721-46-74 ( Мало )
Схема проезда
г. Молодечно ул. Галицкого, 14 +375 (44) 567-28-47 ( Мало )
Схема проезда
г. Несвиж ул. Кутузова, 2 +375 (29) 394-82-48 ( Средне )
Схема проезда
г. Осиповичи ул. Короткая, 11 +375 (29) 165-60-07 ( Мало )
Схема проезда
г. Пинск ул. Калиновского 32 +375 (44) 560-99-59 ( Мало )
Схема проезда
г. Полоцк-2 ул. Шенягина, 52 +375 (29) 302-94-73 ( Средне )
Схема проезда
г. Полоцк-2 ул. Шенягина, 52 +375 (29) 302-94-73 ( Средне )
Схема проезда
г. Поставы ул. Советская, 69 +375 (44) 770-80-13 ( Мало )
Схема проезда
г. Пружаны ул. Макаренко, 21 +375 (29) 348-83-18 ( Мало )
Схема проезда
г. Слоним ул. Советская, 93а +375 (29) 394-82-01 ( Средне )
Схема проезда
г. Слуцк ул. Тутаринова, 8 +375 (29) 346-06-90 ( Мало )
Схема проезда
г. Солигорск Чижевичский сельсовет, 3Г +375 (29) 899-58-52 ( Средне )
Схема проезда
г. Столин ул. Быковского, 29 +375 (33) 304-54-36 ( Средне )
Схема проезда
Шланг указателя давления масла 70-3801180
Шланг указателя давления масла
Каталожный номер 70-3801180
Производитель RSTA RSTA
Код 15423
Доставка по всей Беларуси
Доступность остатки на филиалах Остатки на филиалах
Остаток: г.Минск, ул.Селицкого 21к В наличии
Склад Адрес Контакт Остатки
г. Минск ул. Селицкого, 21к +375 (44) 770-80-78 ( Много )
Схема проезда
г. Березино ул. Комсомольская, д. 24 +375 (44) 770-80-17 ( Мало )
Схема проезда
г. Бобруйск ул. Орловского, 22к3 +375 (29) 345-37-07 ( Средне )
Схема проезда
г. Борисов ул. Демина, 2а +375 (44) 560-99-75 ( Мало )
Схема проезда
г. Витебск ул. Правды, 33 +375 (44) 770-80-87 ( Мало )
Схема проезда
г. Глубокое ул. Энгельса, 22 +375 (44) 505-71-40 ( Много )
Схема проезда
г. Горки ул.Мира, д.51а/1 +375 (44) 565-33-61 ( Мало )
Схема проезда
г. Дрогичин ул. Юбилейная, 42 +375 (29) 682-17-13 ( Средне )
Схема проезда
г. Дятлово ул. Советская ,104 +375 (29) 187-87-37 ( Мало )
Схема проезда
г. Ивацевичи ул. Загородная, 6А +375 (29) 188-59-01 ( Средне )
Схема проезда
г. Кобрин ул. Пролетарская, 177А +375 (44) 588-10-80 ( Мало )
Схема проезда
г. Лельчицы ул. Советская, д.96/1 +375 (29) 346-98-96 ( Средне )
Схема проезда
г. Лепель ул. Лобанка, 43 +375 (44) 778-65-21 ( Средне )
Схема проезда
г. Молодечно ул. Галицкого, 14 +375 (44) 567-28-47 ( Мало )
Схема проезда
г. Несвиж ул. Кутузова, 2 +375 (29) 394-82-48 ( Мало )
Схема проезда
г. Осиповичи ул. Короткая, 11 +375 (29) 165-60-07 ( Мало )
Схема проезда
г. Полоцк-2 ул. Шенягина, 52 +375 (29) 302-94-73 ( Мало )
Схема проезда
г. Поставы ул. Советская, 69 +375 (44) 770-80-13 ( Средне )
Схема проезда
г. Пружаны ул. Макаренко, 21 +375 (29) 348-83-18 ( Мало )
Схема проезда
г. Слоним ул. Советская, 93а +375 (29) 394-82-01 ( Средне )
Схема проезда
г. Солигорск Чижевичский сельсовет, 3Г +375 (29) 899-58-52 ( Мало )
Схема проезда
г. Столин ул. Быковского, 29 +375 (33) 304-54-36 ( Средне )
Схема проезда
Датчик ДСДМ-М ДСДМ-М
Датчик ДСДМ-М
Каталожный номер ДСДМ-М
Производитель RSTA RSTA
Код 26616
Доставка по всей Беларуси
Доступность остатки на филиалах Остатки на филиалах
Остаток Под заказ