Республика Беларусь,
г. Минск, ул. Селицкого 21к - центральный склад
Пн-пт с 8:00 до 17:00
Меню
ДСДМ-М Датчик
Наименование: Датчик ДСДМ-М
Каталожный номер: ДСДМ-М
Производитель: RSTA
Код товара: 26616
Доставка: по всей Беларуси
Остаток: под заказ

Нашли не точность в описании товара? сообщить администратору.

+375 (44) 770-80-78 +375 (29) 747-80-78
* Выставить счет, получить техническую информацию и стоимость
Заказать деталь Онлайн
Описание
Наличие на филиалах
Применяемость
Заменить на СТО

13.10.20

Код для заказа: 26616

Марка Модель Кат.номер Наим. по каталогу Чертеж
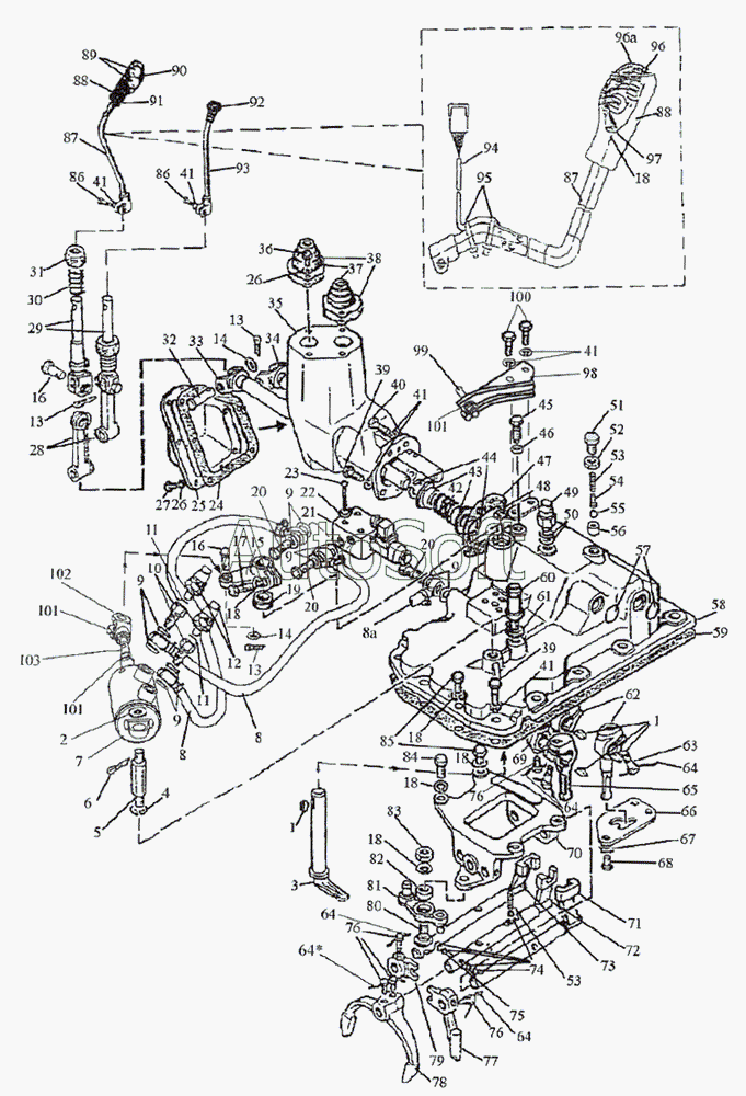
МТЗ МТЗ-1523 ДСДМ Датчик Механизм управления коробкой передач
МТЗ МТЗ-1522 (2008) ДСДМ Датчик Механизм управления коробкой передач
МТЗ МТЗ-822 (2008) ДСДМ Датчик Управление БД, ВОМ и редуктором (мультипликатором)
МТЗ МТЗ-922 (2008) ДСДМ Датчик Управление БД, ВОМ и редуктором (мультипликатором) Чертеж Управление БД, ВОМ и редуктором (мультипликатором)
МТЗ МТЗ-923 (2008) ДСДМ Датчик Управление БД, ВОМ и редуктором (мультипликатором)
МТЗ МЛ-131 (2008) ДСДМ-М Датчик сигнализатора давления Электрооборудование Чертеж Электрооборудование
МТЗ МЛПТ-354М (2008) ДСДМ Датчик Установка распределителя разблокировки Чертеж Установка распределителя разблокировки
МТЗ МТЗ-1222/1523 (2009) ДСДМ-М Датчик сигнализатора давления Механизм управления коробкой передач
МТЗ МТЗ-2022 (2010) ДСДМ-М Датчик сигнализатора давления Механизм управления коробкой передач Чертеж Механизм управления коробкой передач
МТЗ МТЗ-1523.4 (2010) ДСДМ-М Датчик сигнализатора давления Механизм управления коробкой передач Чертеж Механизм управления коробкой передач
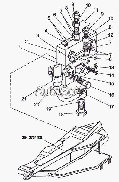
МТЗ МТЗ-2522 (2010) ДСДМ-М Датчик сигнализатора давления Корпус сцепления Чертеж Корпус сцепления
МТЗ МТЗ-2522 (2010) ДСДМ-М Датчик сигнализатора давления Корпус сцепления Чертеж Корпус сцепления
МТЗ МТЗ-2522 (2010) ДСДМ-М Датчик сигнализатора давления Распределитель
МТЗ МТЗ-2522 (2010) ДСДМ-М Датчик сигнализатора давления Управление передним ВОМ
МТЗ МТЗ-2522 (2010) ДСДМ-М Датчик сигнализатора давления Система смазки и управления трансмиссии
МТЗ МТЗ-2103 (2010) ДСДМ-М Датчик сигнализатора давления Коробка передач
МТЗ МТЗ-2103 (2010) ДСДМ-М Датчик сигнализатора давления Механизм управления Чертеж Механизм управления
МТЗ МТЗ-3522 (2011) ДСДМ-М Датчик сигнализатора давления Распределитель
МТЗ МТЗ-3522 (2011) ДСДМ-М Датчик сигнализатора давления Управление передним ВОМ Чертеж Управление передним ВОМ
МТЗ МТЗ-3522 (2011) 3862.306 Датчик ДСДМ-М Система смазки и управления трансмиссии Чертеж Система смазки и управления трансмиссии