Республика Беларусь,
г. Минск, ул. Селицкого 21к - центральный склад
Пн-пт с 8:00 до 17:00
Меню
4310-5003014-10 Цилиндр подъема кабины
Наименование: Цилиндр подъема кабины 4310-5003014-10
Каталожный номер: 4310-5003014-10
Производитель: РФ
Код товара: 5678
Доставка: по всей Беларуси
Остаток: под заказ

Нашли не точность в описании товара? сообщить администратору.

+375 (44) 770-80-78 +375 (29) 747-80-78
* Выставить счет, получить техническую информацию и стоимость
Заказать деталь Онлайн
Описание
Наличие на филиалах
Применяемость
Заменить на СТО

Цилиндр подъема кабины 4310-5003014-10 производства РФ (РФ), Код для заказа: 5678

Марка Модель Кат.номер Наим. по каталогу Чертеж
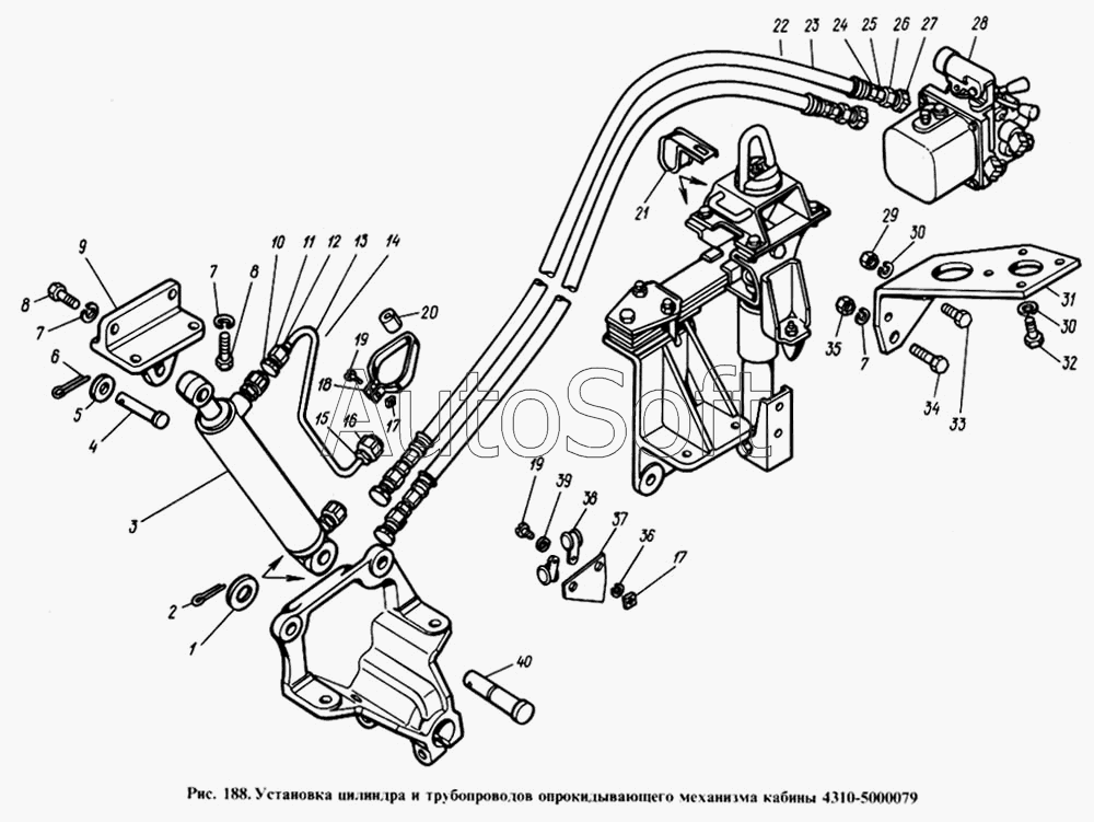
Камский автозавод 4310 4310-5003014 Цилиндр механизма опрокидывания кабины в сборе Установка цилиндра и трубопроводов опрокидывающего механизма кабины Чертеж Установка цилиндра и трубопроводов опрокидывающего механизма кабины
Камский автозавод 4310 4310-5003014 Цилиндр механизма опрокидывания кабины в сборе Цилиндр опрокидывающего механизма кабины Чертеж Цилиндр опрокидывающего механизма кабины
Камский автозавод 4326 (2001) 4310-5003014 Цилиндр механизма опрокидывания кабины в сборе Установка механизма опрокидывания кабины и запасного колеса Чертеж Установка механизма опрокидывания кабины и запасного колеса
Камский автозавод 5315 4310-5003014 Цилиндр механизма опрокидывания кабины в сборе Механизм опрокидывания кабины Чертеж Механизм опрокидывания кабины
Камский автозавод 6460 4310-5003014 Цилиндр механизма опрокидывания кабины в сборе Установка механизма опрокидывания кабины Чертеж Установка механизма опрокидывания кабины
Камский автозавод 6460 4310-5003014 Цилиндр механизма опрокидывания кабины в сборе Цилиндр в сборе Чертеж Цилиндр в сборе
Камский автозавод 43101 4310-5003014 Цилиндр механизма опрокидывания кабины в сборе Установка цилиндра и трубопроводов опрокидывающего механизма кабины 4310-5000079 Чертеж Установка цилиндра и трубопроводов опрокидывающего механизма кабины 4310-5000079
Камский автозавод 43101 4310-5003014 Цилиндр механизма опрокидывания кабины в сборе Цилиндр опрокидывающего механизма кабины 4310-5003014 Чертеж Цилиндр опрокидывающего механизма кабины 4310-5003014
Камский автозавод 43101 4310-5003010 Гидроцилиндр Цилиндр опрокидывающего механизма кабины 4310-5003014 Чертеж Цилиндр опрокидывающего механизма кабины 4310-5003014
Камский автозавод 43101 4310-5003160 Клапан запорный в сборе Цилиндр опрокидывающего механизма кабины 4310-5003014 Чертеж Цилиндр опрокидывающего механизма кабины 4310-5003014
Камский автозавод 43101 4310-5003067 Наконечник Цилиндр опрокидывающего механизма кабины 4310-5003014 Чертеж Цилиндр опрокидывающего механизма кабины 4310-5003014
Камский автозавод 43101 4310-5003057 Шайба Цилиндр опрокидывающего механизма кабины 4310-5003014 Чертеж Цилиндр опрокидывающего механизма кабины 4310-5003014
Камский автозавод 43101 4310-5003005 Полукольцо стопорное Цилиндр опрокидывающего механизма кабины 4310-5003014 Чертеж Цилиндр опрокидывающего механизма кабины 4310-5003014
Камский автозавод 43101 4310-5003063 Кольцо защитное Цилиндр опрокидывающего механизма кабины 4310-5003014 Чертеж Цилиндр опрокидывающего механизма кабины 4310-5003014
Камский автозавод 43101 4310-5003055 Крышка Цилиндр опрокидывающего механизма кабины 4310-5003014 Чертеж Цилиндр опрокидывающего механизма кабины 4310-5003014
Камский автозавод 43101 4310-5003038 Поршень в сборе Цилиндр опрокидывающего механизма кабины 4310-5003014 Чертеж Цилиндр опрокидывающего механизма кабины 4310-5003014
Камский автозавод 43101 4310-5003016 Стакан Цилиндр опрокидывающего механизма кабины 4310-5003014 Чертеж Цилиндр опрокидывающего механизма кабины 4310-5003014
Камский автозавод 43101 4310-5003039 Шток Цилиндр опрокидывающего механизма кабины 4310-5003014 Чертеж Цилиндр опрокидывающего механизма кабины 4310-5003014
Камский автозавод 43101 4310-5003049 Полукольцо Цилиндр опрокидывающего механизма кабины 4310-5003014 Чертеж Цилиндр опрокидывающего механизма кабины 4310-5003014
Камский автозавод 43101 4310-5003047 Поршень Цилиндр опрокидывающего механизма кабины 4310-5003014 Чертеж Цилиндр опрокидывающего механизма кабины 4310-5003014
Товары из этой категории
Стекло 53205-5206010 ветровое КАМАЗ 53205-5206010
Стекло 53205-5206010 ветровое КАМАЗ
Каталожный номер 53205-5206010
Производитель РФ РФ
Код 40578
Доставка по всей Беларуси
Доступность остатки на филиалах Остатки на филиалах
Остаток Под заказ