Республика Беларусь,
г. Минск, ул. Селицкого 21к - центральный склад
Пн-пт с 8:00 до 17:00
Меню
1/21647/11 Гайка М10*1,25 (374377)
Наименование: Гайка М10*1,25 1/21647/11 (374377)
Каталожный номер: 1/21647/11
Производитель: КММЗ
Код товара: 00-ГР000792
Доставка: по всей Беларуси
Остаток: в наличии

Нашли не точность в описании товара? сообщить администратору.

+375 (44) 770-80-78 +375 (29) 747-80-78
* Выставить счет, получить техническую информацию и стоимость
Заказать деталь Онлайн
Описание
Наличие на филиалах
Применяемость
Заменить на СТО

Гайка М10*1,25 1/21647/11 производства КММЗ (КММЗ), Код для заказа: 00-ГР000792

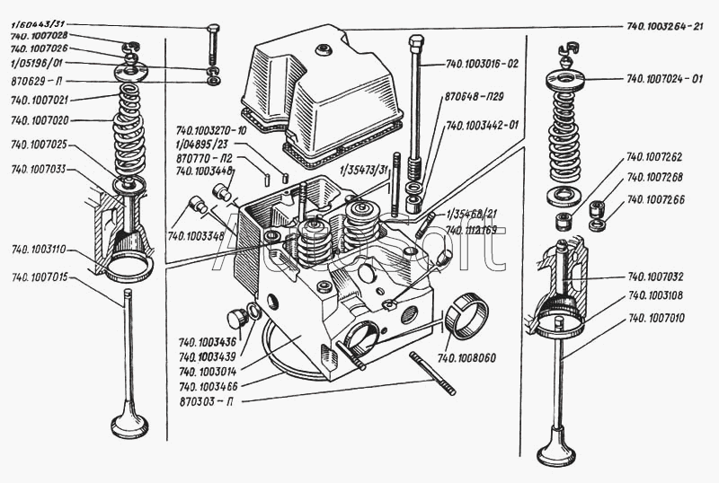
Марка Модель Кат.номер Наим. по каталогу Чертеж
УАЗ УАЗ-3160 (2002) 1/21647/11 Гайка М10х 1,25 Крепление кузова к раме Чертеж Крепление кузова к раме
ЛАЗ ЛАЗ 4207 1/21647/21 Гайка М10х1,25 Силовой агрегат с демонтированными агрегатами Чертеж Силовой агрегат с демонтированными агрегатами
ЛАЗ ЛАЗ 4207 1/21647/21 Гайка М10х1,25 Головка цилиндров Чертеж Головка цилиндров
ЛАЗ ЛАЗ 4207 1/21647/27 Гайка М10х1,25 Коллектор выпускной Чертеж Коллектор выпускной
ЛАЗ ЛАЗ 4207 1/21647/21 Гайка М10х1,25 Фильтр-теплообменник (установка)
ЛАЗ ЛАЗ 4207 1/21647/21 Гайка М10х1,25 Фильтр-теплообменник
ЛАЗ ЛАЗ 4207 1/21647/21 Гайка М10х1,25 Привод ТНВД
ЛАЗ ЛАЗ 4207 1/21647/21 Гайка М10х1,25 Насос топливный высокого давления Чертеж Насос топливный высокого давления
ЛАЗ ЛАЗ 4207 1/21647/21 Гайка М10х1,25 Фильтр тонкой очистки топлива Чертеж Фильтр тонкой очистки топлива
ЛАЗ ЛАЗ 4207 1/21647/11 Гайка М10х1,25 Привод выключения сцепления Чертеж Привод выключения сцепления
ЛАЗ ЛАЗ 4207 1/21647/21 Гайка М10х1,25 Коробка передач Чертеж Коробка передач
ЛАЗ ЛАЗ 5252 1/21647/11 Гайка М10х1,25 Механизм и привод управления сцеплением (модель 52527) Чертеж Механизм и привод управления сцеплением (модель 52527)
ЛиАЗ ЛиАЗ 5256 1/21647/21 Гайка М10х1,25 Головка цилиндров
ЛиАЗ ЛиАЗ 5256 1/21647/21 Гайка М10х1,25 Привод топливного насоса высокого давления Чертеж Привод топливного насоса высокого давления
ЛиАЗ ЛиАЗ 5256 1/21647/21 Гайка М10х1,25 Насос топливный высокого давления Чертеж Насос топливный высокого давления
ЛиАЗ ЛиАЗ 5256 1/21647/21 Гайка М10х1,25 Фильтр тонкой очистки топлива Чертеж Фильтр тонкой очистки топлива
ЛиАЗ ЛиАЗ 5256 1/21647/40 Гайка М10х1,25 Система выпуска газа
ЛиАЗ ЛиАЗ 5256 1/21647/21 Гайка М10х1,25 Теплообменник водомасляный Чертеж Теплообменник водомасляный
ЛиАЗ ЛиАЗ 5256 1/21647/21 Гайка М10х1,25 Вал карданный Чертеж Вал карданный
Камский автозавод 4310 1/21647/11 Гайка М10х1,25-6Н Подвеска задняя кабины Чертеж Подвеска задняя кабины
Склад Адрес Контакт Остатки
г. Минск ул. Селицкого, 21к +375 (44) 770-80-78 ( Много )
Схема проезда
г. Бобруйск ул. Орловского, 22к3 +375 (29) 345-37-07 ( Много )
Схема проезда
г. Брест Тельминский с/с, 1Д/1, 1 км южнее д. Тельмы-2 +375 (44) 599-90-75 ( Много )
Схема проезда
г. Витебск ул. Правды, 33 +375 (44) 770-80-87 ( Много )
Схема проезда
г. Витебск ул. Петруся Бровки, 34 +375 (29) 636-25-08 ( Много )
Схема проезда
г. Дрогичин ул. Юбилейная, 42 +375 (29) 682-17-13 ( Много )
Схема проезда
г. Лепель ул. Лобанка, 43 +375 (44) 778-65-21 ( Много )
Схема проезда
г. Новогрудок ул. Индустриальная, 3 +375 (44) 729-39-19 ( Много )
Схема проезда
г. Осиповичи ул. Короткая, 11 +375 (29) 165-60-07 ( Много )
Схема проезда
г. Ошмяны ул. Льнозоводская 3 +375 (44) 770-80-91 ( Средне )
Схема проезда
г. Пинск ул. Калиновского 32 +375 (44) 560-99-59 ( Много )
Схема проезда
г. Барановичи ул. Бадака, 27Б +375 (29) 350-33-47 Под заказ
Схема проезда
г. Барановичи ул. Пролетарская, 40 +375 (29) 795-96-37 Под заказ
Схема проезда
г. Берёза ул. Красноармейская, 89/11 +375 (29) 676-70-71 Под заказ
Схема проезда
г. Березино ул. Комсомольская, д. 24 +375 (44) 770-80-17 Под заказ
Схема проезда
г. Бобруйск ул. Гоголя, 181/1-6 +375 (29) 630-05-01 Под заказ
Схема проезда
г. Борисов ул. Демина, 2а +375 (44) 560-99-75 Под заказ
Схема проезда
г. Глубокое ул. Энгельса, 22 +375 (44) 505-71-40 Под заказ
Схема проезда
г. Гомель ул. Барыкина, 291Б +375 (44) 514-15-30 Под заказ
Схема проезда
г. Гомель ул. Текстильная, 10 +375 (44) 540-02-05 Под заказ
Схема проезда
г. Горки ул.Мира, д.51а/1 +375 (44) 565-33-61 Под заказ
Схема проезда
г. Гродно ул. Карского, 35 +375 (44) 770-70-21 Под заказ
Схема проезда
г. Дятлово ул. Советская ,104 +375 (29) 187-87-37 Под заказ
Схема проезда
г. Житковичи ул. Комсомольская, 49 +375 (29) 394-82-52 Под заказ
Схема проезда
г. Жлобин ул. Козлова, 25 +375 (29) 346-06-78 Под заказ
Схема проезда
г. Ивацевичи ул. Загородная, 6А +375 (29) 188-59-01 Под заказ
Схема проезда
г. Кобрин ул. Пролетарская, 177А +375 (44) 588-10-80 Под заказ
Схема проезда
г. Кричев ул. Комсомольская, 126 +375 (29) 628-88-42 Под заказ
Схема проезда
г. Лельчицы ул. Советская, д.96/1 +375 (29) 346-98-96 Под заказ
Схема проезда
г. Лида ул. Качана, 7 +375 (29) 612-60-61 Под заказ
Схема проезда
г. Лунинец ул.Красная, 175а +375 (44) 721-46-74 Под заказ
Схема проезда
г. Минск ул. Бабушкина, 37 +375 (29) 632-00-82 Под заказ
Схема проезда
г. Могилев ул. Габровская 11Б +375 (29) 662-02-16 Под заказ
Схема проезда
г. Мозырь промузел Козенки +375 (44) 731-94-60 Под заказ
Схема проезда
г. Молодечно ул. Галицкого, 14 +375 (44) 567-28-47 Под заказ
Схема проезда
г. Несвиж ул. Кутузова, 2 +375 (29) 394-82-48 Под заказ
Схема проезда
г. Орша ул. Сергея Кирова, д. 34 +375 (44) 583-91-42 Под заказ
Схема проезда
г. Петриков ул. Первомайская, 124 +375 (33) 660-06-75 Под заказ
Схема проезда
г. Полоцк ул. Пролетарская, 6 +375 (29) 644-57-58 Под заказ
Схема проезда
г. Полоцк ул. Строительная, 30Б +375 (29) 302-97-91 Под заказ
Схема проезда
г. Полоцк-2 ул. Шенягина, 52 +375 (29) 302-94-73 Под заказ
Схема проезда
г. Поставы ул. Советская, 69 +375 (44) 770-80-13 Под заказ
Схема проезда
г. Пружаны ул. Макаренко, 21 +375 (29) 348-83-18 Под заказ
Схема проезда
г. Слоним ул. Советская, 93а +375 (29) 394-82-01 Под заказ
Схема проезда
г. Слуцк ул. Тутаринова, 8 +375 (29) 346-06-90 Под заказ
Схема проезда
г. Сморгонь ул. Железнодорожная, 32 +375 (29) 671-02-10 Под заказ
Схема проезда
г. Солигорск Чижевичский сельсовет, 3Г +375 (29) 899-58-52 Под заказ
Схема проезда
г. Столин ул. Быковского, 29 +375 (33) 304-54-36 Под заказ
Схема проезда
г. Щучин ул. Советская, 39 +375 (29) 177-29-70 Под заказ
Схема проезда
Товары из этой категории
Сальник 2108-1005160-02 коленвала задний «ЗавГар» 2108-1005160-02
Сальник 2108-1005160-02 коленвала задний «ЗавГар»
Каталожный номер 2108-1005160-02
Производитель ЗавГар ЗавГар
Код 00-ГР023663
Доставка по всей Беларуси
Доступность остатки на филиалах Остатки на филиалах
Остаток: г.Минск, ул.Селицкого 21к В наличии
Склад Адрес Контакт Остатки
г. Минск ул. Селицкого, 21к +375 (44) 770-80-78 ( Средне )
Схема проезда
г. Гомель ул. Барыкина, 291Б +375 (44) 514-15-30 ( Средне )
Схема проезда
г. Жлобин ул. Козлова, 25 +375 (29) 346-06-78 ( Мало )
Схема проезда
г. Осиповичи ул. Короткая, 11 +375 (29) 165-60-07 ( Средне )
Схема проезда
г. Ошмяны ул. Льнозоводская 3 +375 (44) 770-80-91 ( Мало )
Схема проезда
г. Слуцк ул. Тутаринова, 8 +375 (29) 346-06-90 ( Мало )
Схема проезда
г. Сморгонь ул. Железнодорожная, 32 +375 (29) 671-02-10 ( Средне )
Схема проезда
Ролик 610800060494 обводной Weichai 610800060494
Ролик 610800060494 обводной Weichai
Каталожный номер 610800060494
Производитель WEICHAI WEICHAI
Код 00-ГР023675
Доставка по всей Беларуси
Доступность остатки на филиалах Остатки на филиалах
Остаток: г.Минск, ул.Селицкого 21к В наличии
Склад Адрес Контакт Остатки
г. Минск ул. Селицкого, 21к +375 (44) 770-80-78 ( Мало )
Схема проезда
г. Брест Тельминский с/с, 1Д/1, 1 км южнее д. Тельмы-2 +375 (44) 599-90-75 ( Мало )
Схема проезда
г. Гомель ул. Барыкина, 291Б +375 (44) 514-15-30 ( Мало )
Схема проезда
г. Гродно ул. Карского, 35 +375 (44) 770-70-21 ( Мало )
Схема проезда
г. Житковичи ул. Комсомольская, 49 +375 (29) 394-82-52 ( Мало )
Схема проезда
г. Ивацевичи ул. Загородная, 6А +375 (29) 188-59-01 ( Мало )
Схема проезда
г. Кобрин ул. Пролетарская, 177А +375 (44) 588-10-80 ( Мало )
Схема проезда
г. Лельчицы ул. Советская, д.96/1 +375 (29) 346-98-96 ( Мало )
Схема проезда
г. Лунинец ул.Красная, 175а +375 (44) 721-46-74 ( Мало )
Схема проезда
г. Мозырь промузел Козенки +375 (44) 731-94-60 ( Мало )
Схема проезда
г. Солигорск Чижевичский сельсовет, 3Г +375 (29) 899-58-52 ( Мало )
Схема проезда
Сальник 2108-1005034 коленвала передний (малый) «ЗавГар» 2108-1005034
Сальник 2108-1005034 коленвала передний (малый) «ЗавГар»
Каталожный номер 2108-1005034
Производитель ЗавГар ЗавГар
Код 42132
Доставка по всей Беларуси
Доступность остатки на филиалах Остатки на филиалах
Остаток: г.Минск, ул.Селицкого 21к В наличии
Склад Адрес Контакт Остатки
г. Минск ул. Селицкого, 21к +375 (44) 770-80-78 ( Средне )
Схема проезда
г. Гродно ул. Карского, 35 +375 (44) 770-70-21 ( Мало )
Схема проезда
Сальник коленвала задний 2108-1005160
Сальник коленвала задний
Каталожный номер 2108-1005160
Производитель РФ РФ
Код 18017
Доставка по всей Беларуси
Доступность остатки на филиалах Остатки на филиалах
Остаток: г.Минск, ул.Селицкого 21к В наличии
Склад Адрес Контакт Остатки
г. Минск ул. Селицкого, 21к +375 (44) 770-80-78 ( Средне )
Схема проезда
г. Дятлово ул. Советская ,104 +375 (29) 187-87-37 ( Средне )
Схема проезда
г. Мозырь промузел Козенки +375 (44) 731-94-60 ( Средне )
Схема проезда
г. Новогрудок ул. Индустриальная, 3 +375 (44) 729-39-19 ( Мало )
Схема проезда
г. Орша ул. Сергея Кирова, д. 34 +375 (44) 583-91-42 ( Средне )
Схема проезда
г. Осиповичи ул. Короткая, 11 +375 (29) 165-60-07 ( Средне )
Схема проезда
г. Полоцк-2 ул. Шенягина, 52 +375 (29) 302-94-73 ( Мало )
Схема проезда
г. Полоцк-2 ул. Шенягина, 52 +375 (29) 302-94-73 ( Средне )
Схема проезда
г. Сморгонь ул. Железнодорожная, 32 +375 (29) 671-02-10 ( Средне )
Схема проезда
г. Щучин ул. Советская, 39 +375 (29) 177-29-70 ( Средне )
Схема проезда
Ролик 610800060397 (WP7) натяжителя Weichai 610800060397
Ролик 610800060397 (WP7) натяжителя Weichai
Каталожный номер 610800060397
Производитель WEICHAI WEICHAI
Код 00-ГР023674
Доставка по всей Беларуси
Доступность остатки на филиалах Остатки на филиалах
Остаток Под заказ