Республика Беларусь,
г. Минск, ул. Селицкого 21к - центральный склад
Пн-пт с 8:00 до 17:00
Меню
13-1106011 Бензонасос 53-1106010 (Б9Д) ШАНС ПЛЮС
Наименование: Бензонасос 53-1106010 (Б9Д) 13-1106011 ШАНС ПЛЮС
Каталожный номер: 13-1106011
Производитель: ШАНС ПЛЮС
Код товара: 13737
Доставка: по всей Беларуси
Остаток: в наличии

Нашли не точность в описании товара? сообщить администратору.

+375 (44) 770-80-78 +375 (29) 747-80-78
* Выставить счет, получить техническую информацию и стоимость
Заказать деталь Онлайн
Описание
Наличие на филиалах
Применяемость
Заменить на СТО

Ширина, м: 0.12
Высота, м: 0.09
Длина, м: 0.26
Вес, кг: 0.97

Бензонасос 53-1106010 (Б9Д)

Артикул: 53-1106010
Каталожная группа: Двигатель, Система питания двигателя.
Торговая марка: Пекар
Ширина, м 0.12
Высота, м 0.09
Длина, м 0.26
Вес, кг 0.97

Обзор Бензонасоса 53-1106010

Код для заказа: 13737

Марка Модель Кат.номер Наим. по каталогу Чертеж
ГАЗ ГАЗ-14 (Чайка) (1980) 130Т-1106011 Насос топливный в сборе (14-1106010) Насос топливный Чертеж Насос топливный
ЛАЗ ЛАЗ 695Н (1976) 130Т-1106011-Б Насос топливный типа Б-10 со штуцерами в сборе Система питания автобуса ЛАЗ-695Н Чертеж Система питания автобуса ЛАЗ-695Н
ЛАЗ ЛАЗ 695Н (1976) 130Т-1106011-Б Насос топливный типа Б-10 со штуцерами в сборе Система питания автобуса ЛАЗ-697Н Чертеж Система питания автобуса ЛАЗ-697Н
ЛАЗ ЛАЗ 699Р 130Т-1106011-Б Насос топливный типа Б-10 со штуцерами в сборе Насос топливный низкого давления Чертеж Насос топливный низкого давления
ЛиАЗ ЛиАЗ 677 130Т-1106011-Б Топливный насос Б 10 со штуцерами в сборе Система питания автобуса Чертеж Система питания автобуса
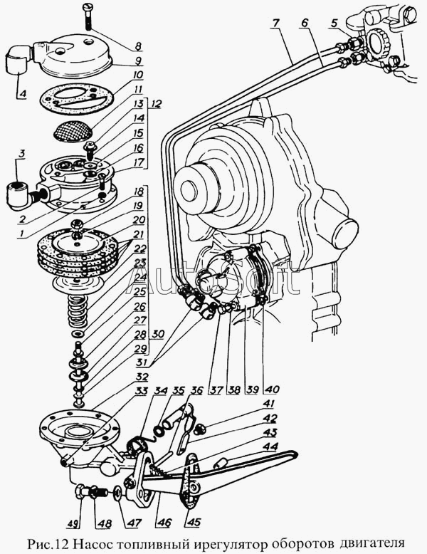
ПАЗ ПАЗ-3205 (2001) 13-1106011 Насос бензиновый Насос топливный и регулятор оборотов двигателя Чертеж Насос топливный и регулятор оборотов двигателя
ЗИЛ ЗИЛ-431410 Каталог 1989 г. (1989) 130Т-1106011-Б2 Насос топливный Б10-1 в сборе Вал коленчатый, вал распределительный, маховик
ЗИЛ ЗИЛ-431410 Каталог 1989 г. (1989) 130Т-1106011-Б2 Насос топливный Б10-1 в сборе Схема питания двигателя автомобилей ЗИЛ-431410, ЗИЛ-431510, ЗИЛ-495810, ЗИЛ-431917 Чертеж Схема питания двигателя автомобилей ЗИЛ-431410, ЗИЛ-431510, ЗИЛ-495810, ЗИЛ-431917
ЗИЛ ЗИЛ-431410 Каталог 1989 г. (1989) 130Т-1106011-Б Насос топливный в сборе Схема питания двигателя седельного тягача ЗИЛ-441510 Чертеж Схема питания двигателя седельного тягача ЗИЛ-441510
ЗИЛ ЗИЛ-431410 Каталог 1989 г. (1989) 130Т-1106011-Б2 Насос топливный Б10-1 в сборе Насос топливный Б10-1 Чертеж Насос топливный Б10-1
ЗИЛ ЗИЛ-131 130Т-1106011-Б2 Насос топливный Б10-1 в сборе Вал коленчатый, вал распределительный, маховик, приводы распределителя, топливного насоса и центробежного датчика ограничителя частоты вращения коленчатого вала
ЗИЛ ЗИЛ-131 130Т-1106011-Б2 Насос топливный Б10-1 в сборе Схема питания двигателя Чертеж Схема питания двигателя
ЗИЛ ЗИЛ-433360 (1995) 130Т-1106011-Б Насос топливный в сборе Коленчатый вал, распределительный вал, маховик, приводы распределителя и топливного насоса Чертеж Коленчатый вал, распределительный вал, маховик, приводы распределителя и топливного насоса
ЗИЛ ЗИЛ-433360 (1995) 130Т-1106011-Б Насос топливный в сборе Схема питания двигателя автомобилей ЗИЛ-433360 и ЗИЛ-494560 Чертеж Схема питания двигателя автомобилей ЗИЛ-433360 и ЗИЛ-494560
ЗИЛ ЗИЛ-433360 (1995) 130Т-1106011-Б Насос топливный в сборе Схема питания двигателя автомобиля ЗИЛ-442160 Чертеж Схема питания двигателя автомобиля ЗИЛ-442160
ЗИЛ ЗИЛ-433360 (1995) 130Т-1106011-Б Насос топливный в сборе Топливный насос Б10 Чертеж Топливный насос Б10
ЗИЛ ЗИЛ-442160 (1995) 130Т-1106011-Б Насос топливный в сборе Коленчатый вал, распределительный вал, маховик, приводы распределителя и топливного насоса Чертеж Коленчатый вал, распределительный вал, маховик, приводы распределителя и топливного насоса
ЗИЛ ЗИЛ-442160 (1995) 130Т-1106011-Б Насос топливный в сборе Схема питания двигателя автомобилей ЗИЛ-433360 и ЗИЛ-494560 Чертеж Схема питания двигателя автомобилей ЗИЛ-433360 и ЗИЛ-494560
ЗИЛ ЗИЛ-442160 (1995) 130Т-1106011-Б Насос топливный в сборе Схема питания двигателя автомобиля ЗИЛ-442160 Чертеж Схема питания двигателя автомобиля ЗИЛ-442160
ЗИЛ ЗИЛ-442160 (1995) 130Т-1106011-Б Насос топливный в сборе Топливный насос Б10 Чертеж Топливный насос Б10
Склад Адрес Контакт Остатки
г. Минск ул. Селицкого, 21к +375 (44) 770-80-78 ( Много )
Схема проезда
г. Барановичи ул. Бадака, 27Б +375 (29) 350-33-47 ( Средне )
Схема проезда
г. Березино ул. Комсомольская, д. 24 +375 (44) 770-80-17 ( Мало )
Схема проезда
г. Бобруйск ул. Гоголя, 181/1-6 +375 (29) 630-05-01 ( Мало )
Схема проезда
г. Бобруйск ул. Орловского, 22к3 +375 (29) 345-37-07 ( Мало )
Схема проезда
г. Витебск ул. Правды, 33 +375 (44) 770-80-87 ( Мало )
Схема проезда
г. Глубокое ул. Энгельса, 22 +375 (44) 505-71-40 ( Средне )
Схема проезда
г. Гомель ул. Барыкина, 291Б +375 (44) 514-15-30 ( Мало )
Схема проезда
г. Горки ул.Мира, д.51а/1 +375 (44) 565-33-61 ( Мало )
Схема проезда
г. Гродно ул. Карского, 35 +375 (44) 770-70-21 ( Мало )
Схема проезда
г. Дятлово ул. Советская ,104 +375 (29) 187-87-37 ( Средне )
Схема проезда
г. Жлобин ул. Козлова, 25 +375 (29) 346-06-78 ( Мало )
Схема проезда
г. Кобрин ул. Пролетарская, 177А +375 (44) 588-10-80 ( Мало )
Схема проезда
г. Кричев ул. Комсомольская, 126 +375 (29) 628-88-42 ( Мало )
Схема проезда
г. Лельчицы ул. Советская, д.96/1 +375 (29) 346-98-96 ( Мало )
Схема проезда
г. Молодечно ул. Галицкого, 14 +375 (44) 567-28-47 ( Мало )
Схема проезда
г. Несвиж ул. Кутузова, 2 +375 (29) 394-82-48 ( Мало )
Схема проезда
г. Новогрудок ул. Индустриальная, 3 +375 (44) 729-39-19 ( Средне )
Схема проезда
г. Ошмяны ул. Льнозоводская 3 +375 (44) 770-80-91 ( Мало )
Схема проезда
г. Пинск ул. Калиновского 32 +375 (44) 560-99-59 ( Мало )
Схема проезда
г. Полоцк-2 ул. Шенягина, 52 +375 (29) 302-94-73 ( Мало )
Схема проезда
г. Полоцк-2 ул. Шенягина, 52 +375 (29) 302-94-73 ( Мало )
Схема проезда
г. Поставы ул. Советская, 69 +375 (44) 770-80-13 ( Мало )
Схема проезда
г. Пружаны ул. Макаренко, 21 +375 (29) 348-83-18 ( Средне )
Схема проезда
г. Слоним ул. Советская, 93а +375 (29) 394-82-01 ( Средне )
Схема проезда
г. Слуцк ул. Тутаринова, 8 +375 (29) 346-06-90 ( Мало )
Схема проезда
г. Солигорск Чижевичский сельсовет, 3Г +375 (29) 899-58-52 ( Мало )
Схема проезда
г. Столин ул. Быковского, 29 +375 (33) 304-54-36 ( Мало )
Схема проезда
г. Щучин ул. Советская, 39 +375 (29) 177-29-70 ( Средне )
Схема проезда
г. Барановичи ул. Пролетарская, 40 +375 (29) 795-96-37 Под заказ
Схема проезда
г. Берёза ул. Красноармейская, 89/11 +375 (29) 676-70-71 Под заказ
Схема проезда
г. Борисов ул. Демина, 2а +375 (44) 560-99-75 Под заказ
Схема проезда
г. Брест Тельминский с/с, 1Д/1, 1 км южнее д. Тельмы-2 +375 (44) 599-90-75 Под заказ
Схема проезда
г. Витебск ул. Петруся Бровки, 34 +375 (29) 636-25-08 Под заказ
Схема проезда
г. Гомель ул. Текстильная, 10 +375 (44) 540-02-05 Под заказ
Схема проезда
г. Дрогичин ул. Юбилейная, 42 +375 (29) 682-17-13 Под заказ
Схема проезда
г. Житковичи ул. Комсомольская, 49 +375 (29) 394-82-52 Под заказ
Схема проезда
г. Ивацевичи ул. Загородная, 6А +375 (29) 188-59-01 Под заказ
Схема проезда
г. Лепель ул. Лобанка, 43 +375 (44) 778-65-21 Под заказ
Схема проезда
г. Лида ул. Качана, 7 +375 (29) 612-60-61 Под заказ
Схема проезда
г. Лунинец ул.Красная, 175а +375 (44) 721-46-74 Под заказ
Схема проезда
г. Минск ул. Бабушкина, 37 +375 (29) 632-00-82 Под заказ
Схема проезда
г. Могилев ул. Габровская 11Б +375 (29) 662-02-16 Под заказ
Схема проезда
г. Мозырь промузел Козенки +375 (44) 731-94-60 Под заказ
Схема проезда
г. Орша ул. Сергея Кирова, д. 34 +375 (44) 583-91-42 Под заказ
Схема проезда
г. Осиповичи ул. Короткая, 11 +375 (29) 165-60-07 Под заказ
Схема проезда
г. Петриков ул. Первомайская, 124 +375 (33) 660-06-75 Под заказ
Схема проезда
г. Полоцк ул. Пролетарская, 6 +375 (29) 644-57-58 Под заказ
Схема проезда
г. Полоцк ул. Строительная, 30Б +375 (29) 302-97-91 Под заказ
Схема проезда
г. Сморгонь ул. Железнодорожная, 32 +375 (29) 671-02-10 Под заказ
Схема проезда
Товары из этой категории
Турбокомпрессор ТКР 6.1-03.05 БЗА 6.1-03.05
Турбокомпрессор ТКР 6.1-03.05 БЗА
Каталожный номер 6.1-03.05
Производитель БЗА БЗА
Код 00-ГР030526
Доставка по всей Беларуси
Доступность остатки на филиалах Остатки на филиалах
Остаток: г.Минск, ул.Селицкого 21к В наличии
Склад Адрес Контакт Остатки
г. Минск ул. Селицкого, 21к +375 (44) 770-80-78 ( Средне )
Схема проезда
г. Гродно ул. Карского, 35 +375 (44) 770-70-21 ( Мало )
Схема проезда
Шланг воздухозаборный УМЗ-4216 Евро-4 33025-1109192
Шланг воздухозаборный УМЗ-4216 Евро-4
Каталожный номер 33025-1109192
Производитель RSTA RSTA
Код 26380
Доставка по всей Беларуси
Доступность остатки на филиалах Остатки на филиалах
Остаток: г.Минск, ул.Селицкого 21к В наличии
Склад Адрес Контакт Остатки
г. Минск ул. Селицкого, 21к +375 (44) 770-80-78 ( Мало )
Схема проезда
г. Ивацевичи ул. Загородная, 6А +375 (29) 188-59-01 ( Мало )
Схема проезда
Трос газа Валдай 3310-1108050
Трос газа Валдай
Каталожный номер 3310-1108050
Производитель RSTA RSTA
Код 31016
Доставка по всей Беларуси
Доступность остатки на филиалах Остатки на филиалах
Остаток В наличии
Склад Адрес Контакт Остатки
г. Гомель ул. Барыкина, 291Б +375 (44) 514-15-30 ( Мало )
Схема проезда
г. Гродно ул. Карского, 35 +375 (44) 770-70-21 ( Мало )
Схема проезда
Патрубок А21R32-1109192 фильтра воздушного А21R32-1109192
Патрубок А21R32-1109192 фильтра воздушного
Каталожный номер А21R32-1109192
Производитель RSTA RSTA
Код 00-ГР033421
Доставка по всей Беларуси
Доступность остатки на филиалах Остатки на филиалах
Остаток В наличии
Склад Адрес Контакт Остатки
г. Гродно ул. Карского, 35 +375 (44) 770-70-21 ( Мало )
Схема проезда
Бензонасос электрический 62-1139010
Бензонасос электрический
Каталожный номер 62-1139010
Производитель PEKAR PEKAR
Код 00-ГР000952
Доставка по всей Беларуси
Доступность остатки на филиалах Остатки на филиалах
Остаток Под заказ