Республика Беларусь,
г. Минск, ул. Селицкого 21к - центральный склад
Пн-пт с 8:00 до 17:00
Меню
6430-6105040 Прокладка регулировочная МАЗ ОАО
Наименование: Прокладка регулировочная МАЗ ОАО
Каталожный номер: 6430-6105040
Код товара: 64306105040
Доставка: по всей Беларуси
Остаток: под заказ 1-45 дней

Нашли не точность в описании товара? сообщить администратору.

+375 (44) 770-80-78 +375 (29) 747-80-78
* Выставить счет, получить техническую информацию и стоимость
Заказать деталь Онлайн
Описание
Наличие на филиалах
Применяемость
Заменить на СТО

6430-6105040 Прокладка регулировочная.

  • Производитель: МАЗ ОАО
  • Каталожный номер по заводу: 6430-6105040
  • Код для заказа:  64306105040
Марка Модель Кат.номер Наим. по каталогу Чертеж
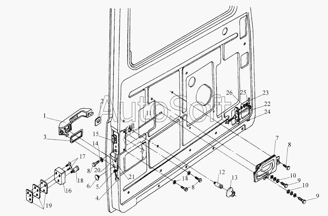
МАЗ МАЗ-437040 (Зубренок) (2002) 6430-6105040 Прокладка регулировочная Установка наружной ручки и замка двери Чертеж Установка наружной ручки и замка двери
МАЗ МАЗ-643068 (2003) 6430-6105040 Прокладка регулировочная Установка ручек, замка и ограничителя двери Чертеж Установка ручек, замка и ограничителя двери
МАЗ МАЗ-543202 (2003) 6430-6105040 Прокладка регулировочная Установка наружной ручки и замка двери Чертеж Установка наружной ручки и замка двери
МАЗ МАЗ-5336 (2005) 6430-6105040 Прокладка регулировочная Установка наружной ручки и замка двери Чертеж Установка наружной ручки и замка двери
МАЗ МАЗ-6422 (2003) 6430-6105040 Прокладка регулировочная Установка наружной ручки и замка двери
МАЗ МАЗ-544069 6430-6105040 Прокладка регулировочная Установка ручек, замка и ограничителя двери 6430-6100010 (правая), 6430-6100011 (левая) Чертеж Установка ручек, замка и ограничителя двери 6430-6100010 (правая), 6430-6100011 (левая)
МАЗ МАЗ-6303 (2005) (2005) 6430-6105040 Прокладка регулировочная Установка наружной ручки и замка двери Чертеж Установка наружной ручки и замка двери
МАЗ МАЗ-5551 (2003) (2003) 6430-6105040 Прокладка регулировочная Установка наружной ручки и замка двери Чертеж Установка наружной ручки и замка двери
МАЗ МАЗ-5337 (2005) (2005) 6430-6105040 Прокладка регулировочная Установка наружной ручки и замка двери Чертеж Установка наружной ручки и замка двери
МАЗ МАЗ-5432 (2003) 6430-6105040 Прокладка регулировочная Установка наружной ручки и замка двери
МАЗ МАЗ-5516 (2003) (2003) 6430-6105040 Прокладка регулировочная Установка наружной ручки и замка двери Чертеж Установка наружной ручки и замка двери
МАЗ МАЗ-5440 (2002) 6430-6105040 Прокладка регулировочная Установка ручек, замка и ограничителя двери
МАЗ МАЗ-5516А5 (2007) 6430-6105040 Прокладка регулировочная Установка наружной ручки и замка двери Чертеж Установка наружной ручки и замка двери
МАЗ МАЗ-650119 (2010) 6430-6105040 Прокладка регулировочная Установка ручек, замка и ограничителя двери
МАЗ МАЗ-6430A8 (5440A8, 5440A5) (2008) 6430-6105040 Прокладка регулировочная Установка ручек, замка и ограничителя двери 6430-6100010 (правая), 6430-6100011 (левая) Чертеж Установка ручек, замка и ограничителя двери 6430-6100010 (правая), 6430-6100011 (левая)
МАЗ МАЗ-555142 (2007) 6430-6105040 Прокладка регулировочная Установка наружной ручки и замка двери Чертеж Установка наружной ручки и замка двери
МАЗ МАЗ-551605 (2007) 6430-6105040 Прокладка регулировочная Установка наружной ручки и замка двери
МАЗ МАЗ-631236 (2007) 6430-6105040 Прокладка регулировочная Установка ручек, замка и ограничителя двери 6430-6100010 (правая), 6430-6100011 (левая) Чертеж Установка ручек, замка и ограничителя двери 6430-6100010 (правая), 6430-6100011 (левая)
АМАЗ МАЗ-256 6430-6105040 Прокладка регулировочная Установка двери водителя, арматуры и обивок
АМАЗ МАЗ-256 (вариант) (2006) 6430-6105040 Прокладка регулировочная Установка двери водителя, арматуры и обивок Чертеж Установка двери водителя, арматуры и обивок
Аналоги
Прокладка 6430-6105040 регулировочная МАЗ 6430-6105040
Прокладка 6430-6105040 регулировочная МАЗ
Каталожный номер 6430-6105040
Производитель МАЗ МАЗ
Код 00-ГР042988
Доставка по всей Беларуси
Доступность остатки на филиалах Остатки на филиалах
Остаток: г.Минск, ул.Селицкого 21к В наличии
Склад Адрес Контакт Остатки
г. Минск ул. Селицкого, 21к +375 (44) 770-80-78 ( Средне )
Схема проезда
Товары из этой категории
Пружина  МАЗ ОАО 53371-8501104
Пружина МАЗ ОАО
Каталожный номер 53371-8501104
Производитель
Код 533718501104
Доставка по всей Беларуси
Остаток Под заказ
Скоба  ОЗАА,Осиповичи 64221-5208068
Скоба ОЗАА,Осиповичи
Каталожный номер 64221-5208068
Производитель
Код 642215208068
Доставка по всей Беларуси
Остаток Под заказ
Маслоуловитель  МАЗ ОАО 543266-3502076
Маслоуловитель МАЗ ОАО
Каталожный номер 543266-3502076
Производитель
Код 5432663502076
Доставка по всей Беларуси
Остаток Под заказ
Болт  МАЗ ОАО 372611
Болт МАЗ ОАО
Каталожный номер 372611
Производитель
Код 372611
Доставка по всей Беларуси
Остаток Под заказ
Крышка  МАЗ ОАО 500-3509105
Крышка МАЗ ОАО
Каталожный номер 500-3509105
Производитель
Код 5003509105
Доставка по всей Беларуси
Остаток Под заказ