Республика Беларусь,
г. Минск, ул. Селицкого 21к - центральный склад
Пн-пт с 8:00 до 17:00
Меню
220162 Винт М8-6нх16 ОСТ 3700112775 МАЗ ОАО
Наименование: Винт М8-6нх16 ОСТ 3700112775 МАЗ ОАО
Каталожный номер: 220162
Код товара: 220162
Доставка: по всей Беларуси
Остаток: под заказ 1-45 дней

Нашли не точность в описании товара? сообщить администратору.

+375 (44) 770-80-78 +375 (29) 747-80-78
* Выставить счет, получить техническую информацию и стоимость
Заказать деталь Онлайн
Описание
Наличие на филиалах
Применяемость
Заменить на СТО

220162 Винт М8-6нх16 ОСТ 3700112775.

  • Производитель: МАЗ ОАО
  • Каталожный номер по заводу: 220162
  • Код для заказа:  220162
Марка Модель Кат.номер Наим. по каталогу Чертеж
МАЗ МАЗ-500А 220162-П2 Винт Сиденье водителя Чертеж Сиденье водителя
МАЗ МАЗ-500А 220162-П29 Винт Сиденье водителя Чертеж Сиденье водителя
МАЗ МАЗ-500А 220162-П2 Винт Среднее сидение Чертеж Среднее сидение
МАЗ МАЗ-503А 220162-П2 Винт Сиденье водителя Чертеж Сиденье водителя
МАЗ МАЗ-503А 220162-П29 Винт Сиденье водителя Чертеж Сиденье водителя
МАЗ МАЗ-503А 220162-П2 Винт Среднее сидение Чертеж Среднее сидение
МАЗ МАЗ-504А 220162-П2 Винт Сиденье водителя Чертеж Сиденье водителя
МАЗ МАЗ-504А 220162-П29 Винт Сиденье водителя Чертеж Сиденье водителя
МАЗ МАЗ-504А 220162-П2 Винт Среднее сидение Чертеж Среднее сидение
МАЗ МАЗ-537 220162-П2 Винт Боковая дверь кабины
МАЗ МАЗ-437040 (Зубренок) (2002) 220162 Винт М8-6gх16 Установка наружной ручки и замка двери Чертеж Установка наружной ручки и замка двери
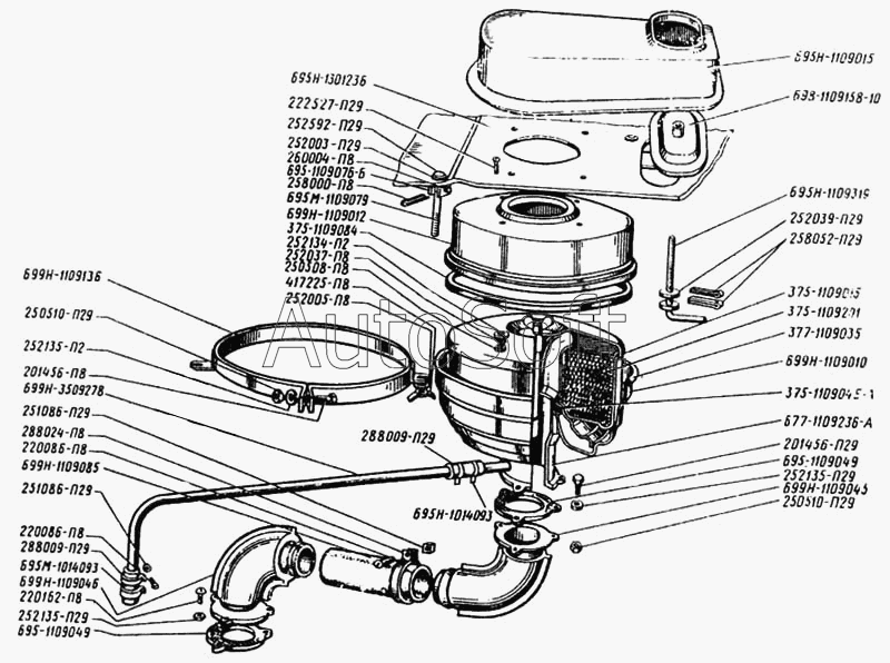
ЛАЗ ЛАЗ 695Н (1976) 220162-П8 Винт М8х16 Воздушный фильтр Чертеж Воздушный фильтр
ЛАЗ ЛАЗ 695Н (1976) 220162-П10 Винт Электрооборудование
ЛАЗ ЛАЗ 695Н (1976) 220162-П8 Винт М8х16 Компоновка автобуса ЛАЗ-695Н
ЛАЗ ЛАЗ 695Н (1976) 220162-П8 Винт М8х16 Компоновка автобуса ЛАЗ-695Н
ЛАЗ ЛАЗ 699Р 220162-П8 Винт М8х16 Зеркала Чертеж Зеркала
ЛАЗ ЛАЗ 699Р 220162-П8 Винт М8х16 Фильтр воздушный двигателя Чертеж Фильтр воздушный двигателя
ЛиАЗ ЛиАЗ 677 220162-П8 Винт Передок автобуса Чертеж Передок автобуса
ЛиАЗ ЛиАЗ 677 220162-П8 Винт Дверь кабины водителя Чертеж Дверь кабины водителя
ЛиАЗ ЛиАЗ 677 220162-П8 Винт Краны управления дверьми Чертеж Краны управления дверьми
Товары из этой категории
Переходник  МАЗ ОАО 4370-1109035
Переходник МАЗ ОАО
Каталожный номер 4370-1109035
Производитель
Код 43701109035
Доставка по всей Беларуси
Остаток Под заказ
Винт 2М6-6дх22 ОСТ 37.001.125-81  МАЗ ОАО 231608
Винт 2М6-6дх22 ОСТ 37.001.125-81 МАЗ ОАО
Каталожный номер 231608
Производитель
Код 231608
Доставка по всей Беларуси
Остаток Под заказ
Прокладка  ОЗАА,Осиповичи 6430-3748123
Прокладка ОЗАА,Осиповичи
Каталожный номер 6430-3748123
Производитель
Код 64303748123
Доставка по всей Беларуси
Остаток Под заказ
Фиксатор  МАЗ ОАО 6430-8406022-010
Фиксатор МАЗ ОАО
Каталожный номер 6430-8406022-010
Производитель
Код 64308406022010
Доставка по всей Беларуси
Остаток Под заказ
Накладка  МАЗ ОАО 205068-6107131
Накладка МАЗ ОАО
Каталожный номер 205068-6107131
Производитель
Код 2050686107131
Доставка по всей Беларуси
Остаток Под заказ