Республика Беларусь,
г. Минск, ул. Селицкого 21к - центральный склад
Пн-пт с 8:00 до 17:00
Меню
533602-3506142 Трубка со шлангом сб. МАЗ ОАО
Наименование: Трубка со шлангом сб. МАЗ ОАО
Каталожный номер: 533602-3506142
Код товара: 5336023506142
Доставка: по всей Беларуси
Остаток: под заказ 1-45 дней

Нашли не точность в описании товара? сообщить администратору.

+375 (44) 770-80-78 +375 (29) 747-80-78
* Выставить счет, получить техническую информацию и стоимость
Заказать деталь Онлайн
Описание
Наличие на филиалах
Применяемость
Заменить на СТО

533602-3506142 Трубка со шлангом сб..

  • Производитель: МАЗ ОАО
  • Каталожный номер по заводу: 533602-3506142
  • Код для заказа:  5336023506142
Марка Модель Кат.номер Наим. по каталогу Чертеж
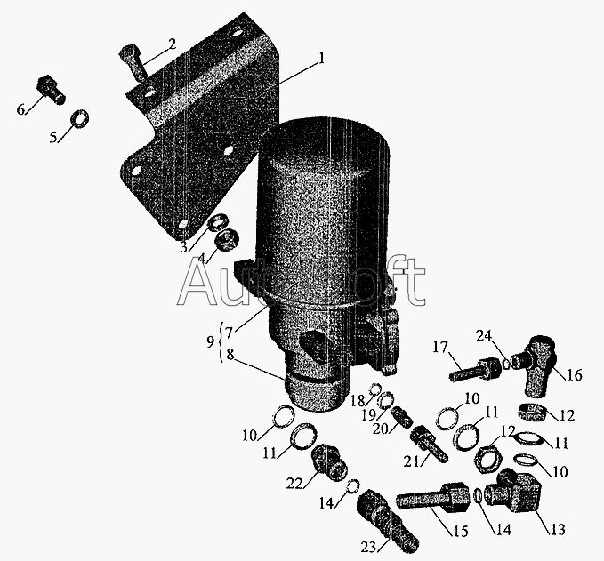
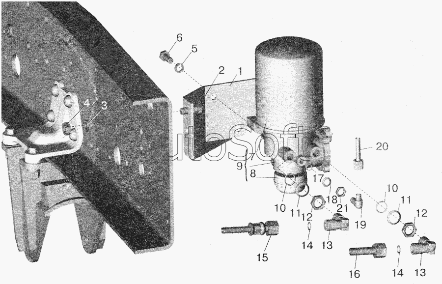
МАЗ МАЗ-543202 (2003) 533602-3506142 Трубка со шлангом к пневмокомпрессору Установка осушителя воздуха и присоединительной арматуры МАЗ-642208, 642205
МАЗ МАЗ-543202 (2003) 533602-3506142 Трубка со шлангом к пневмокомпрессору Установка осушителя воздуха и присоединительной арматуры МАЗ-543208, 543205, 543203, 543202
МАЗ МАЗ-5336 (2005) 533602-3506142 Трубка со шлангом к пневмокомпрессору Установка осушителя воздуха и присоединительной арматуры на МАЗ-533608, МАЗ-533605, МАЗ-533603, МАЗ-533602, МАЗ-630308 Чертеж Установка осушителя воздуха и присоединительной арматуры на МАЗ-533608, МАЗ-533605, МАЗ-533603, МАЗ-533602, МАЗ-630308
МАЗ МАЗ-5336 (2005) 533602-3506142 Трубка со шлангом к пневмокомпрессору Установка осушителя воздуха и присоединительной арматуры на МАЗ-630305, МАЗ-630303
МАЗ МАЗ-6422 (2003) 533602-3506142 Трубка со шлангом к пневмокомпрессору Установка осушителя воздуха и присоединительной арматуры МАЗ-642208, 642205 Чертеж Установка осушителя воздуха и присоединительной арматуры МАЗ-642208, 642205
МАЗ МАЗ-6422 (2003) 533602-3506142 Трубка со шлангом к пневмокомпрессору Установка осушителя воздуха и присоединительной арматуры МАЗ-543208, 543205, 543203, 543202
МАЗ МАЗ-6303 (2005) (2005) 533602-3506142 Трубка со шлангом к пневмокомпрессору Установка осушителя воздуха и присоединительной арматуры на МАЗ-533608, МАЗ-533605, МАЗ-533603, МАЗ-533602, МАЗ-630308 Чертеж Установка осушителя воздуха и присоединительной арматуры на МАЗ-533608, МАЗ-533605, МАЗ-533603, МАЗ-533602, МАЗ-630308
МАЗ МАЗ-6303 (2005) (2005) 533602-3506142 Трубка со шлангом к пневмокомпрессору Установка осушителя воздуха и присоединительной арматуры
МАЗ МАЗ-5551 (2003) (2003) 533602-3506142 Трубка со шлангом к пневмокомпрессору Установка осушителя воздуха и присоединительной арматуры МАЗ-642208, 642205 Чертеж Установка осушителя воздуха и присоединительной арматуры МАЗ-642208, 642205
МАЗ МАЗ-5551 (2003) (2003) 533602-3506142 Трубка со шлангом к пневмокомпрессору Установка осушителя воздуха и присоединительной арматуры МАЗ-543208, 543205, 543203, 543202 Чертеж Установка осушителя воздуха и присоединительной арматуры МАЗ-543208, 543205, 543203, 543202
МАЗ МАЗ-5337 (2005) (2005) 533602-3506142 Трубка со шлангом к пневмокомпрессору Установка осушителя воздуха и присоединительной арматуры на МАЗ-533608, МАЗ-533605, МАЗ-533603, МАЗ-533602, МАЗ-630308 Чертеж Установка осушителя воздуха и присоединительной арматуры на МАЗ-533608, МАЗ-533605, МАЗ-533603, МАЗ-533602, МАЗ-630308
МАЗ МАЗ-5337 (2005) (2005) 533602-3506142 Трубка со шлангом к пневмокомпрессору Установка осушителя воздуха и присоединительной арматуры Чертеж Установка осушителя воздуха и присоединительной арматуры
МАЗ МАЗ-5432 (2003) 533602-3506142 Трубка со шлангом к пневмокомпрессору Установка осушителя воздуха и присоединительной арматуры МАЗ-642208, 642205 Чертеж Установка осушителя воздуха и присоединительной арматуры МАЗ-642208, 642205
МАЗ МАЗ-5432 (2003) 533602-3506142 Трубка со шлангом к пневмокомпрессору Установка осушителя воздуха и присоединительной арматуры МАЗ-543208, 543205, 543203, 543202 Чертеж Установка осушителя воздуха и присоединительной арматуры МАЗ-543208, 543205, 543203, 543202
МАЗ МАЗ-5516 (2003) (2003) 533602-3506142 Трубка со шлангом к пневмокомпрессору Установка осушителя воздуха и присоединительной арматуры МАЗ-642208, 642205
МАЗ МАЗ-5516 (2003) (2003) 533602-3506142 Трубка со шлангом к пневмокомпрессору Установка осушителя воздуха и присоединительной арматуры МАЗ-543208, 543205, 543203, 543202
МАЗ МАЗ-6422, 5432 (2007) 533602-3506142 Трубка со шлангом к пневмокомпрессору Установка осушителя воздуха 64255-3536004-010 Чертеж Установка осушителя воздуха 64255-3536004-010
МАЗ МАЗ-631705, 631708 (2010) 533602-3506142 Трубка со шлангом к пневмокомпрессору Тормоза\Установка осушителя воздуха и присоединительной арматуры Чертеж Тормоза\Установка осушителя воздуха и присоединительной арматуры
МАЗ МАЗ-551608, 630308 (2007) 533602-3506142 Трубка со шлангом к пневмокомпрессору Установка осушителя воздуха 64255-3536004-010 Чертеж Установка осушителя воздуха 64255-3536004-010
МАЗ МАЗ-551608, 630308 (2007) 533602-3506142-700 Трубка со шлангом Установка осушителя воздуха 64255-3536004-010 Чертеж Установка осушителя воздуха 64255-3536004-010
Аналоги
Трубка 533602-3506142 МАЗ 533602-3506142
Трубка 533602-3506142 МАЗ
Каталожный номер 533602-3506142
Производитель МАЗ МАЗ
Код 46426
Доставка по всей Беларуси
Доступность остатки на филиалах Остатки на филиалах
Остаток Под заказ
Товары из этой категории
Пружина  МАЗ ОАО 509-3570032
Пружина МАЗ ОАО
Каталожный номер 509-3570032
Производитель
Код 5093570032
Доставка по всей Беларуси
Остаток Под заказ
Наконечник  OZTEKNIKIS,Турция ERS01-MB-9003
Наконечник OZTEKNIKIS,Турция
Каталожный номер ERS01-MB-9003
Производитель
Код ERS01MB9003
Доставка по всей Беларуси
Остаток Под заказ
Винт М5-6нх12 ОСТ 3700113282  МАЗ ОАО 242471
Винт М5-6нх12 ОСТ 3700113282 МАЗ ОАО
Каталожный номер 242471
Производитель
Код 242471
Доставка по всей Беларуси
Остаток Под заказ
Кронштейн  МАЗ ОАО 83781-8511025
Кронштейн МАЗ ОАО
Каталожный номер 83781-8511025
Производитель
Код 837818511025
Доставка по всей Беларуси
Остаток Под заказ
Уплотнитель  МАЗ ОАО, УВК 6430-6107025-010
Уплотнитель МАЗ ОАО, УВК
Каталожный номер 6430-6107025-010
Производитель
Код 64306107025010
Доставка по всей Беларуси
Остаток Под заказ