Республика Беларусь,
г. Минск, ул. Селицкого 21к - центральный склад
Пн-пт с 8:00 до 17:00
Меню
242471 Винт М5-6нх12 ОСТ 3700113282 МАЗ ОАО
Наименование: Винт М5-6нх12 ОСТ 3700113282 МАЗ ОАО
Каталожный номер: 242471
Код товара: 242471
Доставка: по всей Беларуси
Остаток: под заказ 1-45 дней

Нашли не точность в описании товара? сообщить администратору.

+375 (44) 770-80-78 +375 (29) 747-80-78
* Выставить счет, получить техническую информацию и стоимость
Заказать деталь Онлайн
Описание
Наличие на филиалах
Применяемость
Заменить на СТО

242471 Винт М5-6нх12 ОСТ 3700113282.

  • Производитель: МАЗ ОАО
  • Каталожный номер по заводу: 242471
  • Код для заказа:  242471
Марка Модель Кат.номер Наим. по каталогу Чертеж
ГАЗ ГАЗ-31029 242471-П29 Винт М5-6gх12 ОСТ 37.001.132-82 Радиатор и электродвигатель отопителя
ГАЗ ГАЗ-3110 242471-П29 Винт М5-6gх12 ОСТ 37.001.132-82 Отопитель, радиатор отопителя, кожух радиатора, электродвигатель с ротором, короб вентиляции Чертеж Отопитель, радиатор отопителя, кожух радиатора, электродвигатель с ротором, короб вентиляции
ГАЗ ГАЗ-3302 (ГАЗель) 242471-П29 Винт М5-6gх12 ОСТ 37.001.132-82 Корпус отопителя, крышка отопителя верхняя, радиатор, электродвигатели с роторами, привод вентиляции и отопления Чертеж Корпус отопителя, крышка отопителя верхняя, радиатор, электродвигатели с роторами, привод вентиляции и отопления
ГАЗ ГАЗ-2705 (ГАЗель) (2000) 242471-П29 Винт М5-6gх12 ОСТ 37.001.132-82 Корпус и верхняя крышка отопителя, радиатор отопителя, электродвигатель с роторами, привод вентиляции и отопления Чертеж Корпус и верхняя крышка отопителя, радиатор отопителя, электродвигатель с роторами, привод вентиляции и отопления
ГАЗ ГАЗ-2217 (Соболь) (1999) 242471-П29 Винт М5-6gх12 ОСТ 37.001.132-82 Корпус, радиатор и электродвигатель с роторами переднего отопителя, привод вентиляции и отопления
ГАЗ ГАЗ-3306 (1994) 242471-П29 Винт М5-6gх12 ОСТ 37.001.132-82 Радиаторы отопителя, кожух радиатора с крышками вентилятора, электродвигатели отопителя Чертеж Радиаторы отопителя, кожух радиатора с крышками вентилятора, электродвигатели отопителя
ГАЗ ГАЗ-3307 (2000) 242471-П29 Винт М5-6gх12 ОСТ 37.001.132-82 Радиатор отопителя, вентилятор и электродвигатель отопителя Чертеж Радиатор отопителя, вентилятор и электродвигатель отопителя
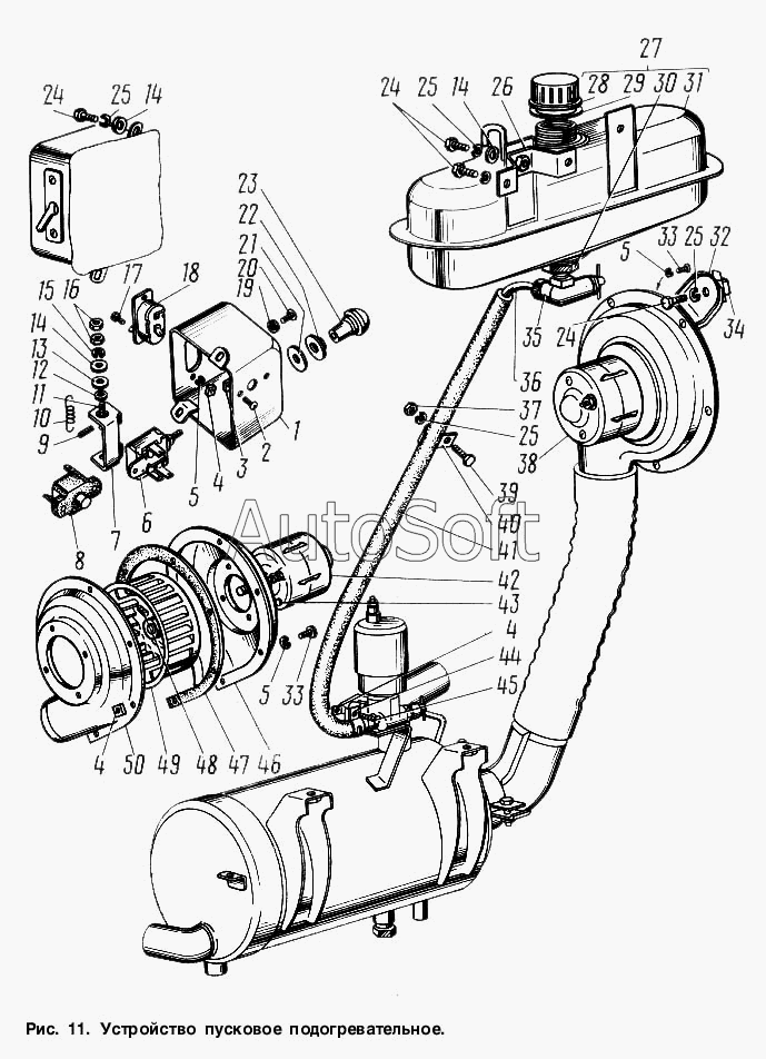
ГАЗ ГАЗ-3307 (2000) 242471-П29 Винт М5-6gх12 ОСТ 37.001.132-82 Устройство пусковое подогревательное Чертеж Устройство пусковое подогревательное
ГАЗ ГАЗ-3309 242471-П29 Винт М5-6gх12 ОСТ 37.001.132-82 Радиаторы отопителя, кожух радиатора с крышками вентилятора, электродвигатели отопителя Чертеж Радиаторы отопителя, кожух радиатора с крышками вентилятора, электродвигатели отопителя
ГАЗ ГАЗ-4301 242471-П29 Винт М5-6gх12 ОСТ 37.001.132-82 Радиаторы отопителя, кожух радиатора с крышками вентилятора, электродвигателя отопителя Чертеж Радиаторы отопителя, кожух радиатора с крышками вентилятора, электродвигателя отопителя
ГАЗ ГАЗ-52-02 242471-П8 Винт М5х12 Вентиляция передка, отопитель и трубопроводы, обогрев ветрового стекла
ГАЗ ГАЗ-53 А (1989) 242471-П8 Винт М5х12 Вентиляция и отопление
ГАЗ ГАЗ-53 А (1989) 242471-П29 Винт М5-6gх12 ОСТ 37.001.132-82 Пусковое оборудование Чертеж Пусковое оборудование
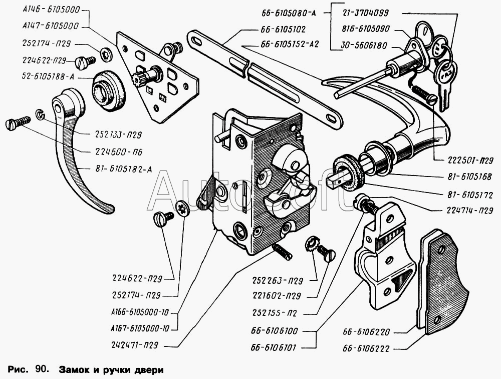
ГАЗ ГАЗ-66 (Каталог 1983 г.) (1983) 242471-П29 Винт М5-6gх12 ОСТ 37.001.132-82 Замок и ручки двери Чертеж Замок и ручки двери
ГАЗ ГАЗ-66 (Каталог 1983 г.) (1983) 242471-П8 Винт М5х12 Вентиляция и отопление Чертеж Вентиляция и отопление
ГАЗ ГАЗ-66 (Каталог 1983 г.) (1983) 242471-П29 Винт М5-6gх12 ОСТ 37.001.132-82 Пусковой подогреватель
ГАЗ ГАЗ-66 (Каталог 1996 г.) (1996) 242471-П29 Винт М5-6gх12 ОСТ 37.001.132-82 Замок и ручки двери Чертеж Замок и ручки двери
ГАЗ ГАЗ-66 (Каталог 1996 г.) (1996) 242471-П29 Винт М5-6gх12 ОСТ 37.001.132-82 Электродвигатель и пульт управления пусковым подогревателем
ГАЗ ГАЗ-71 242471-П29 Винт М5-6gх12 ОСТ 37.001.132-82 Отопитель кузова Чертеж Отопитель кузова
ГАЗ ГАЗ-71 242471-П29 Винт М5-6gх12 ОСТ 37.001.132-82 Пусковое оборудование Чертеж Пусковое оборудование
Товары из этой категории
Ресивер сб.  ТАИМ,Бобруйск 6430-3513015
Ресивер сб. ТАИМ,Бобруйск
Каталожный номер 6430-3513015
Производитель
Код 64303513015
Доставка по всей Беларуси
Остаток Под заказ
Буфер  МАЗ ОАО, УВК 6430-2912622
Буфер МАЗ ОАО, УВК
Каталожный номер 6430-2912622
Производитель
Код 64302912622
Доставка по всей Беларуси
Остаток Под заказ
Болт М8-6дх40 ОСТ 3700112375  МАЗ ОАО 201464
Болт М8-6дх40 ОСТ 3700112375 МАЗ ОАО
Каталожный номер 201464
Производитель
Код 201464
Доставка по всей Беларуси
Остаток Под заказ
Кожух, ОЗАА,Осиповичи 555142-1309011-001
Кожух, ОЗАА,Осиповичи
Каталожный номер 555142-1309011-001
Производитель
Код 5551421309011000
Доставка по всей Беларуси
Остаток Под заказ
Фиксатор  МАЗ ОАО 103С65-8202188
Фиксатор МАЗ ОАО
Каталожный номер 103С65-8202188
Производитель
Код 103С658202188
Доставка по всей Беларуси
Остаток Под заказ