Республика Беларусь,
г. Минск, ул. Селицкого 21к - центральный склад
Пн-пт с 8:00 до 17:00
Меню
379202 Кляммер МАЗ ОАО
Наименование: Кляммер МАЗ ОАО
Каталожный номер: 379202
Код товара: 379202
Доставка: по всей Беларуси
Остаток: под заказ 1-45 дней

Нашли не точность в описании товара? сообщить администратору.

+375 (44) 770-80-78 +375 (29) 747-80-78
* Выставить счет, получить техническую информацию и стоимость
Заказать деталь Онлайн
Описание
Наличие на филиалах
Применяемость
Заменить на СТО

379202 Кляммер.

  • Производитель: МАЗ ОАО
  • Каталожный номер по заводу: 379202
  • Код для заказа:  379202
Марка Модель Кат.номер Наим. по каталогу Чертеж
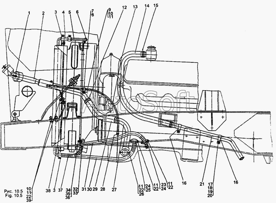
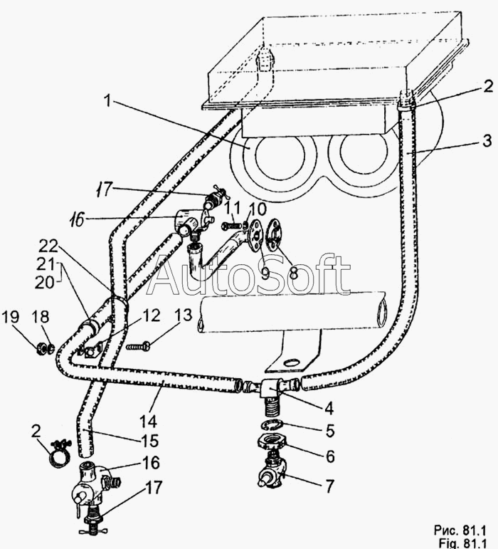
МАЗ МАЗ-537 379202-П Кляммер Кран пневмоуправления раздаточной коробкой Чертеж Кран пневмоуправления раздаточной коробкой
МАЗ МАЗ-537 379202-П1 Кляммер Генератор спецоборудования и его установка Чертеж Генератор спецоборудования и его установка
МАЗ МАЗ-54321 379202 Кляммер Установка подогревателя Чертеж Установка подогревателя
МАЗ МАЗ-64221 379202 Кляммер Установка подогревателя Чертеж Установка подогревателя
МАЗ МАЗ-93802 379202 Кляммер Бак топливный и его крепление
МАЗ МАЗ-93866 379202 Кляммер Бак топливный и его крепление
МАЗ МАЗ-938662 379202 Кляммер Бак топливный и его крепление Чертеж Бак топливный и его крепление
МАЗ МАЗ-64226 (2000) 379202 Кляммер Установка трубопроводов подогревателя
МАЗ МАЗ-54326 (2000) 379202 Кляммер Установка трубопроводов подогревателя
МАЗ МАЗ-74131 (1996) 379202 Кляммер Установка трубопроводов отопителя кабины
МАЗ МАЗ-74131 (1996) 379202 Кляммер Трубопроводы топливные и насос топливоподкачивающий ручной
МАЗ МАЗ-543 (7310) (2008) 379202 Кляммер Монтажная схема топливопроводов 543 M
АМАЗ МАЗ-103 (2000) 379202 Кляммер Установка подогревателя 104С-1000022-01
АМАЗ МАЗ-103 (2005) (2005) 379202 Кляммер Установка подогревателя
МЗКТ МЗКТ-65158 (1999) 379202 Кляммер Установка трубопроводов отопителя Чертеж Установка трубопроводов отопителя
МЗКТ МЗКТ-65158 (1999) 379202 Кляммер Установка подогревателя Чертеж Установка подогревателя
МЗКТ МЗКТ-65158 (1999) 379202 Кляммер Установка подогревателя Чертеж Установка подогревателя
МЗКТ МЗКТ-65158 (1999) 379202 Кляммер Установка агрегатов системы смазки Чертеж Установка агрегатов системы смазки
МЗКТ МЗКТ-65158 (1999) 379202 Кляммер Установка агрегатов системы смазки Чертеж Установка агрегатов системы смазки
МЗКТ МЗКТ-65158 (1999) 379202 Кляммер Тормоза Чертеж Тормоза
Товары из этой категории
Кронштейн  МАЗ ОАО 5440А9-1001044
Кронштейн МАЗ ОАО
Каталожный номер 5440А9-1001044
Производитель
Код 5440А91001044
Доставка по всей Беларуси
Остаток Под заказ
Гайка М24х2-6н  МАЗ ОАО 251035
Гайка М24х2-6н МАЗ ОАО
Каталожный номер 251035
Производитель
Код 251035
Доставка по всей Беларуси
Остаток Под заказ
Держатель  МАЗ ОАО 6312-8403026
Держатель МАЗ ОАО
Каталожный номер 6312-8403026
Производитель
Код 63128403026
Доставка по всей Беларуси
Остаток Под заказ
Панель наружная левая  МАЗ ОАО 6430-6101015
Панель наружная левая МАЗ ОАО
Каталожный номер 6430-6101015
Производитель
Код 64306101015
Доставка по всей Беларуси
Остаток Под заказ
Колодка  ТАИМ,Бобруйск 93301-3501091
Колодка ТАИМ,Бобруйск
Каталожный номер 93301-3501091
Производитель
Код 933013501091
Доставка по всей Беларуси
Остаток Под заказ