Республика Беларусь,
г. Минск, ул. Селицкого 21к - центральный склад
Пн-пт с 8:00 до 17:00
Меню
315408 Кляммер МАЗ ОАО
Наименование: Кляммер МАЗ ОАО
Каталожный номер: 315408
Код товара: 315408
Доставка: по всей Беларуси
Остаток: под заказ 1-45 дней

Нашли не точность в описании товара? сообщить администратору.

+375 (44) 770-80-78 +375 (29) 747-80-78
* Выставить счет, получить техническую информацию и стоимость
Заказать деталь Онлайн
Описание
Наличие на филиалах
Применяемость
Заменить на СТО

315408 Кляммер.

  • Производитель: МАЗ ОАО
  • Каталожный номер по заводу: 315408
  • Код для заказа:  315408
Марка Модель Кат.номер Наим. по каталогу Чертеж
МАЗ МАЗ-500А 315408-П29 Кляммер двойной Система питания автомобилей МАЗ-500А и МАЗ-503А Чертеж Система питания автомобилей МАЗ-500А и МАЗ-503А
МАЗ МАЗ-500А 315408-П29 Кляммер двойной Схема пневматического привода тормозов автомобиля МАЗ-503А
МАЗ МАЗ-503А 315408-П29 Кляммер двойной Система питания автомобилей МАЗ-500А и МАЗ-503А
МАЗ МАЗ-503А 315408-П29 Кляммер двойной Схема пневматического привода тормозов автомобиля МАЗ-503А Чертеж Схема пневматического привода тормозов автомобиля МАЗ-503А
МАЗ МАЗ-504А 315408-П29 Кляммер двойной Система питания автомобилей МАЗ-500А и МАЗ-503А Чертеж Система питания автомобилей МАЗ-500А и МАЗ-503А
МАЗ МАЗ-504А 315408-П29 Кляммер двойной Схема пневматического привода тормозов автомобиля МАЗ-503А
МАЗ МАЗ-5335 (2004) 315408-П29 Кляммер двойной Привод пневматический тормозов автомобиля МАЗ-5335
МАЗ МАЗ-504В (2005) 315408-П29 Кляммер двойной Привод пневматический тормозов МАЗ-5335
МАЗ МАЗ-64226 (2000) 315408 Кляммер Привод управления сцеплением и делителем коробки передач
МАЗ МАЗ-54326 (2000) 315408 Кляммер Привод управления сцеплением и делителем коробки передач
МАЗ МАЗ-5429 (2003) 315408-П29 Кляммер двойной Привод пневматический тормозов МАЗ-5335 Чертеж Привод пневматический тормозов МАЗ-5335
МАЗ МАЗ-5549 (2003) 315408-П29 Кляммер двойной Привод пневматический тормозов МАЗ-5335 Чертеж Привод пневматический тормозов МАЗ-5335
МАЗ МАЗ-543 (7310) (2008) 315408 Кляммер Установка трубопроводов 543M
МАЗ МАЗ-651705 (2009) 315408 Кляммер Установка привода управления блокировкой 55165-2500024 Чертеж Установка привода управления блокировкой 55165-2500024
МАЗ МАЗ-631705 (2010) 315408 Кляммер Установка привода управления блокировкой 631707-2500024
КрАЗ КрАЗ-255 315408-П29 Кляммер Баки топливные Чертеж Баки топливные
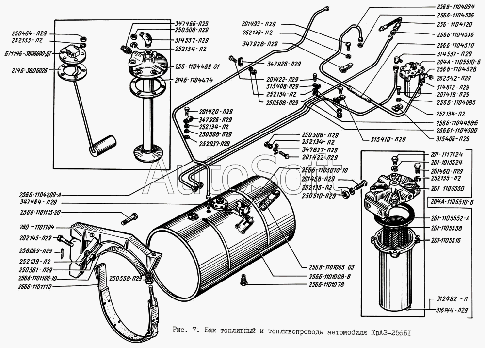
КрАЗ КрАЗ-256 315408-П29 Кляммер Бак топливный и топливопроводы автомобиля КрАЗ-256Б1 Чертеж Бак топливный и топливопроводы автомобиля КрАЗ-256Б1
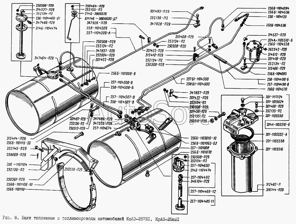
КрАЗ КрАЗ-256 315408-П29 Кляммер Баки топливные и топливопроводы автомобилей КрАЗ-257Б1, КрАЗ-258Б1 Чертеж Баки топливные и топливопроводы автомобилей КрАЗ-257Б1, КрАЗ-258Б1
МЗКТ МЗКТ-65158 (1999) 315408 Кляммер Тормоза Чертеж Тормоза
МЗКТ МЗКТ-74296 (2010) 315408 Кляммер Установка трубопроводов привода лебедки Чертеж Установка трубопроводов привода лебедки
Товары из этой категории
Шайба  МАЗ ОАО 64221-1703602
Шайба МАЗ ОАО
Каталожный номер 64221-1703602
Производитель
Код 642211703602
Доставка по всей Беларуси
Остаток Под заказ
Шайба регулировочная  МАЗ ОАО 6422-2502098-010
Шайба регулировочная МАЗ ОАО
Каталожный номер 6422-2502098-010
Производитель
Код 64222502098010
Доставка по всей Беларуси
Остаток Под заказ
Шайба  МАЗ ОАО 83781-2707046
Шайба МАЗ ОАО
Каталожный номер 83781-2707046
Производитель
Код 837812707046
Доставка по всей Беларуси
Остаток Под заказ
Трубопровод  МАЗ ОАО 64302-5009150
Трубопровод МАЗ ОАО
Каталожный номер 64302-5009150
Производитель
Код 643025009150
Доставка по всей Беларуси
Остаток Под заказ
Кронштейн 631219-8501082-000
Кронштейн
Каталожный номер 631219-8501082-000
Производитель
Код 6312198501082000
Доставка по всей Беларуси
Остаток Под заказ