Республика Беларусь,
г. Минск, ул. Селицкого 21к - центральный склад
Пн-пт с 8:00 до 17:00
Меню
80В-3724010-Б Жгут МТЗ
Наименование: Жгут 80В-3724010-Б МТЗ
Каталожный номер: 80В-3724010-Б
Производитель: МТЗ
Код товара: 00-ГР037396
Доставка: по всей Беларуси
Остаток: под заказ

Нашли не точность в описании товара? сообщить администратору.

+375 (44) 770-80-78 +375 (29) 747-80-78
* Выставить счет, получить техническую информацию и стоимость
Заказать деталь Онлайн
Описание
Наличие на филиалах
Применяемость
Заменить на СТО

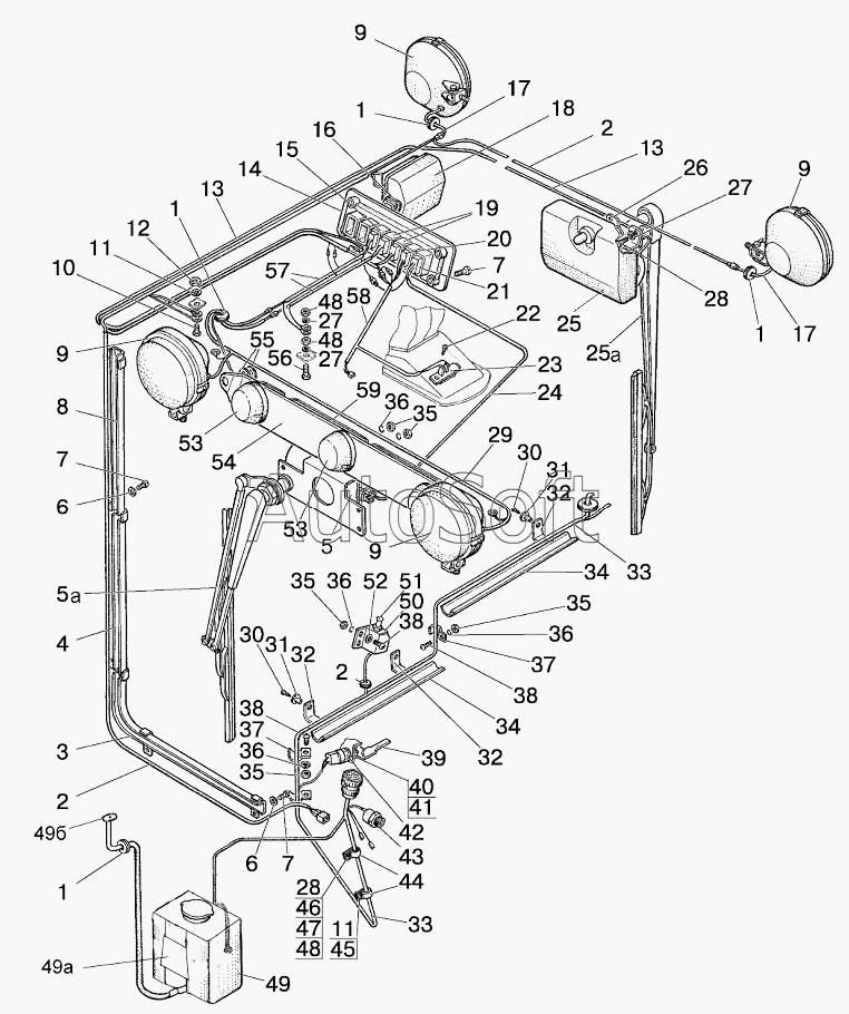
Жгут 80В-3724010-Б МТЗ производства МТЗ (РБ), Код для заказа: 00-ГР037396

Марка Модель Кат.номер Наим. по каталогу Чертеж
МТЗ МТЗ-1005 (2008) 80В-3724010 Жгут Переключатели, выключатели, электропровода Чертеж Переключатели, выключатели, электропровода
МТЗ МТЗ-80 (2002) (2002) 80В-3724010 Жгут 3713, 3721 Электрооборудование кабины
МТЗ МТЗ-80 (2009) (2009) 80В-3724010 Жгут Установка стеклоочистителей (для трактора «БЕЛАРУС-82П»)
МТЗ МТЗ-80 (2009) (2009) 80В-3724010 Жгут Электрооборудование кабины Чертеж Электрооборудование кабины
МТЗ МТЗ-570 (2010) 80В-3724010 Жгут Стеклоочистители Чертеж Стеклоочистители
МТЗ МТЗ-900/920/950/952 (2009) 80В-3724010 Жгут Электрооборудование по кабине Чертеж Электрооборудование по кабине
МТЗ МТЗ-920.4/952.4 (2009) 80В-3724010 Жгут Стеклоочистители
МТЗ МТЗ-826 (2010) 80В-3724010 Жгут Стеклоочистители
МТЗ МТЗ-1021.3 (2010) 80В-3724010 Жгут Стеклоочистители Чертеж Стеклоочистители
МТЗ МТЗ-1025.4 (2009) 80В-3724010 Жгут Стеклоочистители Чертеж Стеклоочистители
МТЗ МТЗ-1221 (2009) (2009) 80В-3724010 Жгут Электрооборудование кабины. Фары рабочие и фонари задние Чертеж Электрооборудование кабины. Фары рабочие и фонари задние
МТЗ 1220 (2011) 80В-3724010 Жгут Установка стеклоочистителя Чертеж Установка стеклоочистителя
МТЗ 92П (2010) 80В-3724010 Жгут Стеклоочистители
МТЗ 892 (2011) 80В-3724010 Жгут Установка стеклоочистителя Чертеж Установка стеклоочистителя
МТЗ 1220.5 (2013) 80В-3724010-Б Жгут Установка стеклоочистителя
МТЗ 80Х (2012) 80В-3724010 Жгут Установка стеклоочистителя Чертеж Установка стеклоочистителя
МТЗ МТЗ-80.1 (2015) 80В-3724010-Б Жгут Установка стеклоочистителя Чертеж Установка стеклоочистителя
МТЗ 952.5 (2013) 80В-3724010-Б Жгут Установка стеклоочистителя Чертеж Установка стеклоочистителя
МТЗ 1025/1025.2/1025.3 (2009) 80В-3724010 Жгут Электрооборудование по кабине Чертеж Электрооборудование по кабине
МТЗ 1025.5 (2013) 80В-3724010-Б Жгут Установка стеклоочистителя Чертеж Установка стеклоочистителя