Республика Беларусь,
г. Минск, ул. Селицкого 21к - центральный склад
Пн-пт с 8:00 до 17:00
Меню
24-6105442 Зажим тяги замка двери
Наименование: Зажим тяги 24-6105442 замка двери
Каталожный номер: 24-6105442
Производитель: RSTA
Код товара: 00-ГР032228
Доставка: по всей Беларуси
Остаток: под заказ

Нашли не точность в описании товара? сообщить администратору.

+375 (44) 770-80-78 +375 (29) 747-80-78
* Выставить счет, получить техническую информацию и стоимость
Заказать деталь Онлайн
Описание
Наличие на филиалах
Применяемость
Заменить на СТО

Зажим тяги 24-6105442 замка двери производства RSTA (РФ), Код для заказа: 00-ГР032228

Марка Модель Кат.номер Наим. по каталогу Чертеж
ВАЗ ВАЗ-1111 "ОКА" (1998) 1111-6105442 Кнопка Замки передних дверей Чертеж Замки передних дверей
ГАЗ ГАЗ-24 24-6105442 Зажим тяги Замки и ручки передней двери
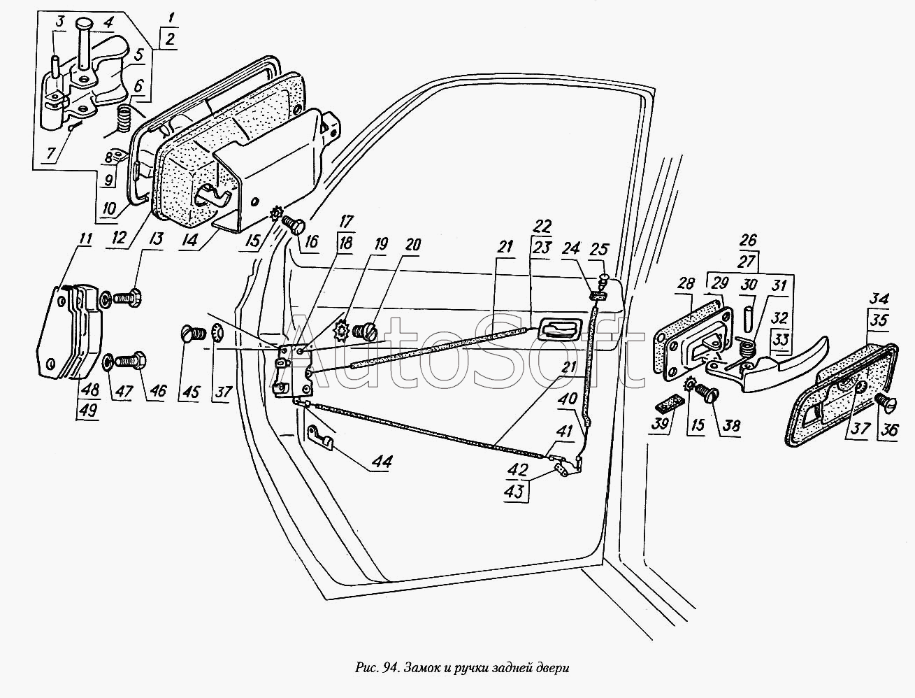
ГАЗ ГАЗ-24 24-6105442 Зажим тяги Замки и ручки задней двери Чертеж Замки и ручки задней двери
ГАЗ ГАЗ-24-10 (1995) 24-6105442 Зажим тяги Замок и ручки передней двери
ГАЗ ГАЗ-24-10 (1995) 24-6105442 Зажим тяги Замок и ручки задней двери
ГАЗ ГАЗ-31029 24-6105442 Зажим тяги Замок и ручки передней двери
ГАЗ ГАЗ-31029 24-6105442 Зажим тяги Замок и ручки задней двери Чертеж Замок и ручки задней двери
ГАЗ ГАЗ-3110 24-6105442 Зажим тяги Замок и привод замка передних дверей, ручки дверей наружные и внутренние
ГАЗ ГАЗ-3110 24-6105442 Зажим тяги Замок и привод замка задних дверей, ручки дверей наружные и внутренние Чертеж Замок и привод замка задних дверей, ручки дверей наружные и внутренние
ГАЗ ГАЗ-3110 24-6105442 Зажим тяги Привод управления вентиляцией и отоплением, кран отопителя, трубопроводы
ГАЗ ГАЗ-3302 (ГАЗель) 24-6105442 Зажим тяги Замок и ручки двери Чертеж Замок и ручки двери
ГАЗ ГАЗ-2705 (ГАЗель) (2000) 24-6105442 Зажим тяги Замок и ручки передних дверей
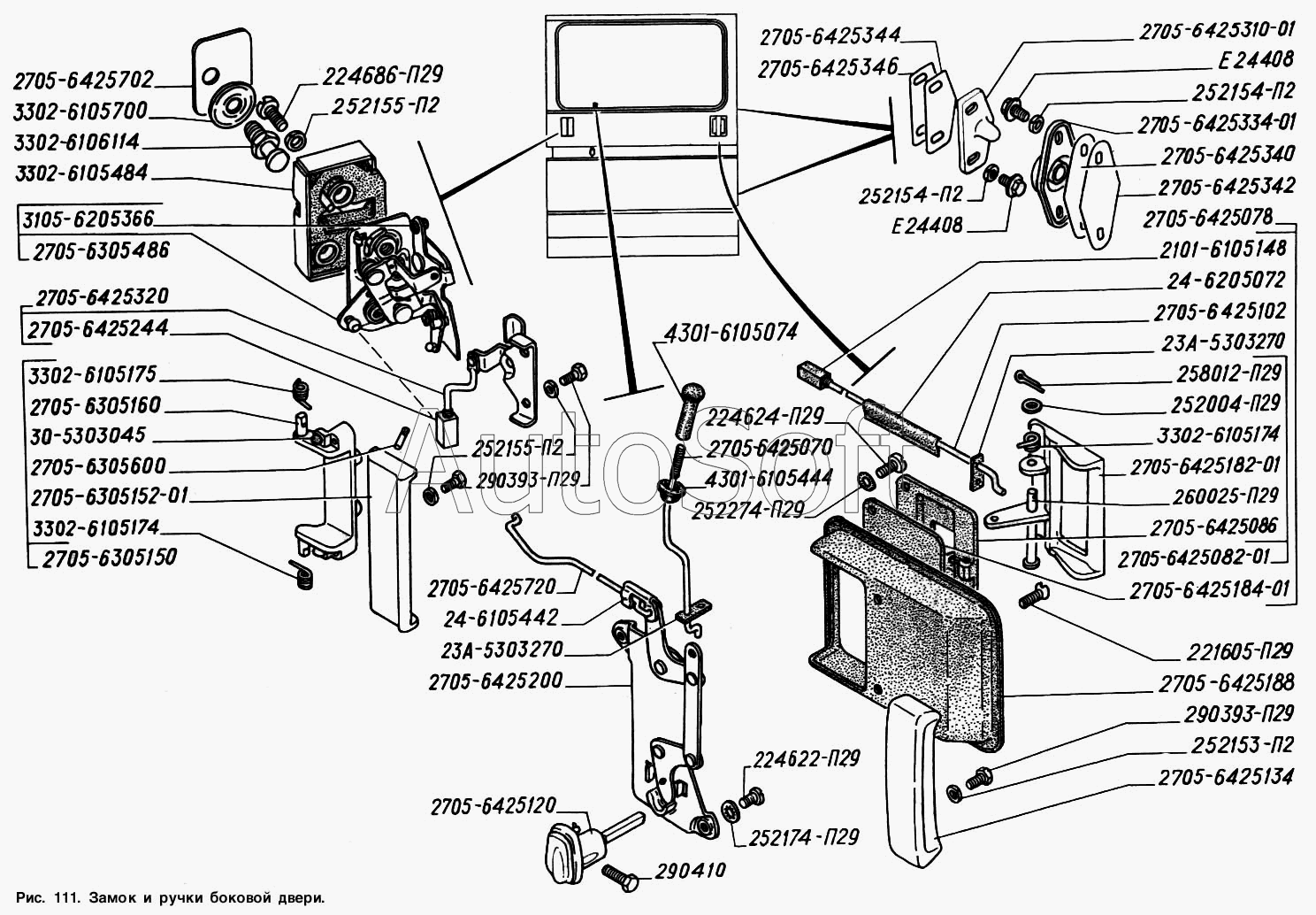
ГАЗ ГАЗ-2705 (ГАЗель) (2000) 24-6105442 Зажим тяги Замки и ручки боковой двери Чертеж Замки и ручки боковой двери
ГАЗ ГАЗ-2705 (ГАЗель) (2000) 24-6105442 Зажим тяги Замок, стопоры и ручки дверей задка
ГАЗ ГАЗ-2217 (Соболь) (1999) 24-6105442 Зажим тяги Замок и ручки передних дверей Чертеж Замок и ручки передних дверей
ГАЗ ГАЗ-2217 (Соболь) (1999) 24-6105442 Зажим тяги Замок и ручки передних дверей Чертеж Замок и ручки передних дверей
ГАЗ ГАЗ-2217 (Соболь) (1999) 24-6105442 Зажим тяги Замок и ручки боковой двери Чертеж Замок и ручки боковой двери
ГАЗ ГАЗ-2217 (Соболь) (1999) 24-6105442 Зажим тяги Замок и ручки боковой двери Чертеж Замок и ручки боковой двери
ГАЗ ГАЗ-2217 (Соболь) (1999) 24-6105442 Зажим тяги Замок и ручка двери задка автобуса с низкой крышей Чертеж Замок и ручка двери задка автобуса с низкой крышей
ГАЗ ГАЗ-2217 (Соболь) (1999) 24-6105442 Зажим тяги Замок и ручка двери задка автобуса с низкой крышей Чертеж Замок и ручка двери задка автобуса с низкой крышей
Товары из этой категории
Стеклоподъемник в сборе 3741-6104010
Стеклоподъемник в сборе
Каталожный номер 3741-6104010
Производитель RSTA RSTA
Код 24284
Доставка по всей Беларуси
Доступность остатки на филиалах Остатки на филиалах
Остаток: г.Минск, ул.Селицкого 21к В наличии
Склад Адрес Контакт Остатки
г. Минск ул. Селицкого, 21к +375 (44) 770-80-78 ( Средне )
Схема проезда
Стеклоподъемник в сб. правый 31029-6104012
Стеклоподъемник в сб. правый
Каталожный номер 31029-6104012
Производитель RSTA RSTA
Код 13864
Доставка по всей Беларуси
Доступность остатки на филиалах Остатки на филиалах
Остаток В наличии
Склад Адрес Контакт Остатки
г. Гомель ул. Барыкина, 291Б +375 (44) 514-15-30 ( Мало )
Схема проезда
Ручка двери наружная 4301-6105150-11
Ручка двери наружная
Каталожный номер 4301-6105150-11
Производитель ДЗТА ДЗТА
Код 22016
Доставка по всей Беларуси
Доступность остатки на филиалах Остатки на филиалах
Остаток В наличии
Склад Адрес Контакт Остатки
г. Гродно ул. Карского, 35 +375 (44) 770-70-21 ( Мало )
Схема проезда
г. Дрогичин ул. Юбилейная, 42 +375 (29) 682-17-13 ( Мало )
Схема проезда
г. Дятлово ул. Советская ,104 +375 (29) 187-87-37 ( Мало )
Схема проезда
г. Ивацевичи ул. Загородная, 6А +375 (29) 188-59-01 ( Мало )
Схема проезда
г. Новогрудок ул. Индустриальная, 3 +375 (44) 729-39-19 ( Мало )
Схема проезда
г. Осиповичи ул. Короткая, 11 +375 (29) 165-60-07 ( Мало )
Схема проезда
г. Полоцк-2 ул. Шенягина, 52 +375 (29) 302-94-73 ( Мало )
Схема проезда
Механизм открывания двери средней направляющей 2705-6426150-10
Механизм открывания двери средней направляющей
Каталожный номер 2705-6426150-10
Производитель RSTA RSTA
Код 13158
Доставка по всей Беларуси
Доступность остатки на филиалах Остатки на филиалах
Остаток: г.Минск, ул.Селицкого 21к В наличии
Склад Адрес Контакт Остатки
г. Минск ул. Селицкого, 21к +375 (44) 770-80-78 ( Средне )
Схема проезда
г. Бобруйск ул. Орловского, 22к3 +375 (29) 345-37-07 ( Мало )
Схема проезда
г. Глубокое ул. Энгельса, 22 +375 (44) 505-71-40 ( Мало )
Схема проезда
г. Житковичи ул. Комсомольская, 49 +375 (29) 394-82-52 ( Мало )
Схема проезда
г. Ивацевичи ул. Загородная, 6А +375 (29) 188-59-01 ( Мало )
Схема проезда
г. Новогрудок ул. Индустриальная, 3 +375 (44) 729-39-19 ( Мало )
Схема проезда
г. Осиповичи ул. Короткая, 11 +375 (29) 165-60-07 ( Мало )
Схема проезда
г. Ошмяны ул. Льнозоводская 3 +375 (44) 770-80-91 ( Мало )
Схема проезда
г. Полоцк-2 ул. Шенягина, 52 +375 (29) 302-94-73 ( Мало )
Схема проезда
г. Полоцк-2 ул. Шенягина, 52 +375 (29) 302-94-73 ( Средне )
Схема проезда
Привод замка внутренний левый 4301-6105083
Привод замка внутренний левый
Каталожный номер 4301-6105083
Производитель Регалия Регалия
Код 13041
Доставка по всей Беларуси
Доступность остатки на филиалах Остатки на филиалах
Остаток: г.Минск, ул.Селицкого 21к В наличии
Склад Адрес Контакт Остатки
г. Минск ул. Селицкого, 21к +375 (44) 770-80-78 ( Средне )
Схема проезда
г. Березино ул. Комсомольская, д. 24 +375 (44) 770-80-17 ( Мало )
Схема проезда
г. Бобруйск ул. Орловского, 22к3 +375 (29) 345-37-07 ( Мало )
Схема проезда
г. Борисов ул. Демина, 2а +375 (44) 560-99-75 ( Мало )
Схема проезда
г. Глубокое ул. Энгельса, 22 +375 (44) 505-71-40 ( Мало )
Схема проезда
г. Гомель ул. Барыкина, 291Б +375 (44) 514-15-30 ( Мало )
Схема проезда
г. Гродно ул. Карского, 35 +375 (44) 770-70-21 ( Мало )
Схема проезда
г. Новогрудок ул. Индустриальная, 3 +375 (44) 729-39-19 ( Мало )
Схема проезда
г. Осиповичи ул. Короткая, 11 +375 (29) 165-60-07 ( Средне )
Схема проезда
г. Петриков ул. Первомайская, 124 +375 (33) 660-06-75 ( Мало )
Схема проезда
г. Полоцк-2 ул. Шенягина, 52 +375 (29) 302-94-73 ( Мало )
Схема проезда
г. Щучин ул. Советская, 39 +375 (29) 177-29-70 ( Мало )
Схема проезда