Республика Беларусь,
г. Минск, ул. Селицкого 21к - центральный склад
Пн-пт с 8:00 до 17:00
Меню
21-8406012-Б Замок капота
Наименование: Замок капота 21-8406012-Б
Каталожный номер: 21-8406012-Б
Производитель: RSTA
Код товара: 16685
Доставка: по всей Беларуси
Остаток: под заказ

Нашли не точность в описании товара? сообщить администратору.

+375 (44) 770-80-78 +375 (29) 747-80-78
* Выставить счет, получить техническую информацию и стоимость
Заказать деталь Онлайн
Описание
Наличие на филиалах
Применяемость
Заменить на СТО

Замок капота 21-8406012-Б, 21-8406012-Б

  • Каталожный номер: 21-8406012-Б
  • Код товара  для заказа:  16685
Марка Модель Кат.номер Наим. по каталогу Чертеж
ГАЗ ГАЗ-14 (Чайка) (1980) 14-8406012 Замок капота в сборе Капот, замок и привод замка капота, навеска и упор капота Чертеж Капот, замок и привод замка капота, навеска и упор капота
ГАЗ ГАЗ-24 21Ю-8406012-Б Замок капота в сборе Капот, замок и петли капота Чертеж Капот, замок и петли капота
ГАЗ ГАЗ-24-10 (1995) 21-8406012-Б Замок капота в сборе Замок и привод замка капота, петли капота
ГАЗ ГАЗ-3102 (2000) 21-8406012-Б Замок капота в сборе Замок и привод замка капота, петли
ГАЗ ГАЗ-31029 21-8406012-Б Замок капота в сборе Замок и привод замка капота, петли капота
ГАЗ ГАЗ-3110 21-8406012-Б Замок капота в сборе Замок и привод замка капота
ГАЗ ГАЗ-3302 (ГАЗель) 3302-8406012 Замок капота в сборе Капот, уплотнитель, замок капота и его привод, петли капота Чертеж Капот, уплотнитель, замок капота и его привод, петли капота
ГАЗ ГАЗ-2705 (ГАЗель) (2000) 3302-8406012 Замок капота в сборе Капот с арматурой, замок капота и его привод, уплотнитель и петли капота Чертеж Капот с арматурой, замок капота и его привод, уплотнитель и петли капота
ГАЗ ГАЗ-33027 (Дополнение) 3302-8406012 Замок капота в сборе Капот, крылья, облицовка радиатора
ГАЗ ГАЗ-2217 (Соболь) (1999) 3302-8406012 Замок капота в сборе Облицовка радиатора, крылья передние, оперение
ГАЗ ГАЗ-3307 (2000) 21-8406012-Б Замок капота в сборе Замок и привод замка капота, навеска капота Чертеж Замок и привод замка капота, навеска капота
ГАЗ ГАЗ-52-01 21Ю-8406012-Б Замок капота в сборе Оперение
ГАЗ ГАЗ-52-02 21Ю-8406012-Б Замок капота в сборе Подножка, замок и привод замка капота, навеска и упор капота
ГАЗ ГАЗ-53 А (1989) 21Ю-8406012-Б Замок капота в сборе Оперение
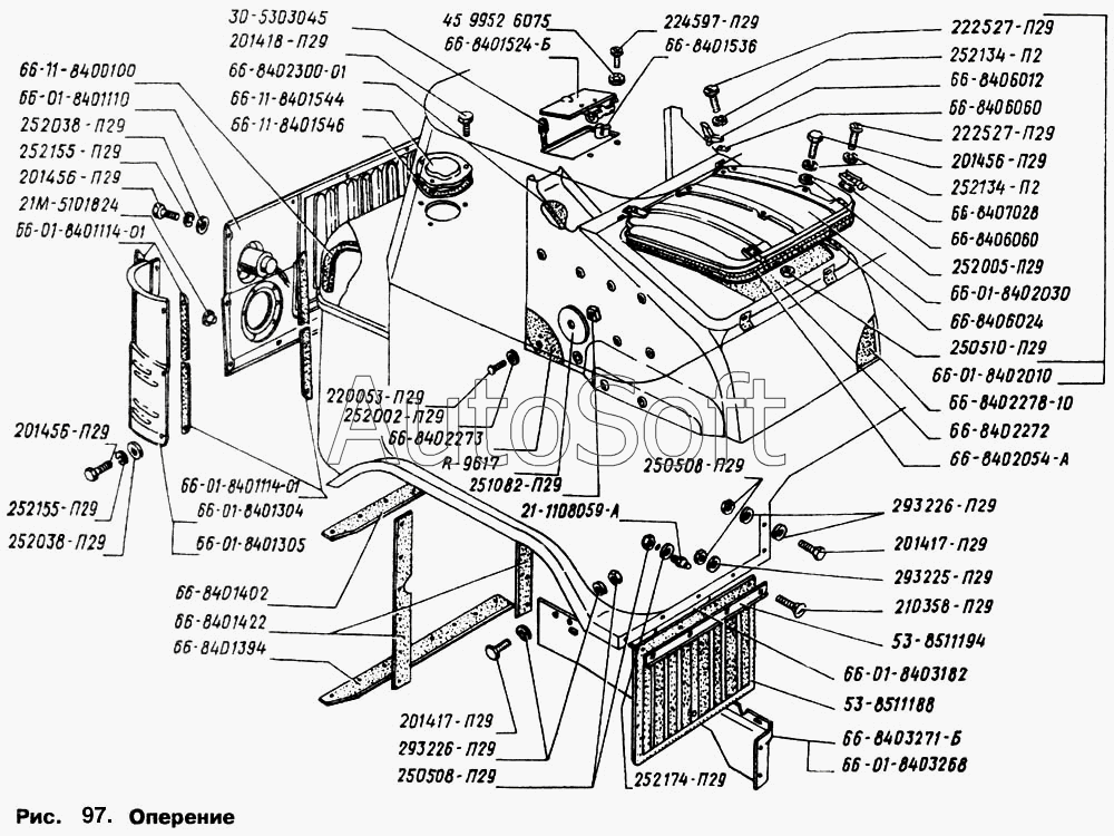
ГАЗ ГАЗ-66 (Каталог 1983 г.) (1983) 66-8406012 Замок капота в сборе Оперение Чертеж Оперение
ГАЗ ГАЗ-66 (Каталог 1996 г.) (1996) 66-8406012 Замок капота в сборе Оперение Чертеж Оперение
ГАЗ ГАЗ-71 66-8406012 Замок капота в сборе Пол корпуса Чертеж Пол корпуса
УАЗ УАЗ-3151 (1993) 469-8406012 Замок капота в сборе Замок и привод замка капота, навеска и упор капота Чертеж Замок и привод замка капота, навеска и упор капота
КАВЗ КАВЗ-685 (1971) 21-8406012-Б Замок капота в сборе Оперение
ЗИЛ ЗИЛ-431410 Каталог 1989 г. (1989) 130-8406012 Корпус запора капота с рычагом и пружиной в сборе Оперение автомобиля Чертеж Оперение автомобиля
Товары из этой категории
Подножка левая 4301-8405013
Подножка левая
Каталожный номер 4301-8405013
Производитель ГАЗ ГАЗ
Код 16066
Доставка по всей Беларуси
Доступность остатки на филиалах Остатки на филиалах
Остаток: г.Минск, ул.Селицкого 21к В наличии
Склад Адрес Контакт Остатки
г. Минск ул. Селицкого, 21к +375 (44) 770-80-78 ( Мало )
Схема проезда
г. Полоцк-2 ул. Шенягина, 52 +375 (29) 302-94-73 ( Мало )
Схема проезда
Крыло переднее правое 3309-8403012-20
Крыло переднее правое
Каталожный номер 3309-8403012-20
Производитель ГАЗ ГАЗ
Код 43769
Доставка по всей Беларуси
Доступность остатки на филиалах Остатки на филиалах
Остаток: г.Минск, ул.Селицкого 21к В наличии
Склад Адрес Контакт Остатки
г. Минск ул. Селицкого, 21к +375 (44) 770-80-78 ( Средне )
Схема проезда
г. Несвиж ул. Кутузова, 2 +375 (29) 394-82-48 ( Мало )
Схема проезда
г. Полоцк-2 ул. Шенягина, 52 +375 (29) 302-94-73 ( Мало )
Схема проезда
Капот нового образца 3302-8402012-20
Капот нового образца
Каталожный номер 3302-8402012-20
Производитель RSTA RSTA
Код 16711
Доставка по всей Беларуси
Доступность остатки на филиалах Остатки на филиалах
Остаток Под заказ
Подножка правая 4301-8405012
Подножка правая
Каталожный номер 4301-8405012
Производитель ГАЗ ГАЗ
Код 16004
Доставка по всей Беларуси
Доступность остатки на филиалах Остатки на филиалах
Остаток: г.Минск, ул.Селицкого 21к В наличии
Склад Адрес Контакт Остатки
г. Минск ул. Селицкого, 21к +375 (44) 770-80-78 ( Средне )
Схема проезда
г. Полоцк-2 ул. Шенягина, 52 +375 (29) 302-94-73 ( Мало )
Схема проезда
Трос капота 4301-8417150-01
Трос капота
Каталожный номер 4301-8417150-01
Производитель ГАЗ ГАЗ
Код 22369
Доставка по всей Беларуси
Доступность остатки на филиалах Остатки на филиалах
Остаток: г.Минск, ул.Селицкого 21к В наличии
Склад Адрес Контакт Остатки
г. Минск ул. Селицкого, 21к +375 (44) 770-80-78 ( Средне )
Схема проезда
г. Гродно ул. Карского, 35 +375 (44) 770-70-21 ( Мало )
Схема проезда
г. Дятлово ул. Советская ,104 +375 (29) 187-87-37 ( Мало )
Схема проезда
г. Ошмяны ул. Льнозоводская 3 +375 (44) 770-80-91 ( Мало )
Схема проезда
г. Полоцк-2 ул. Шенягина, 52 +375 (29) 302-94-73 ( Мало )
Схема проезда
г. Сморгонь ул. Железнодорожная, 32 +375 (29) 671-02-10 ( Мало )
Схема проезда