Республика Беларусь,
г. Минск, ул. Селицкого 21к - центральный склад
Пн-пт с 8:00 до 17:00
Меню
1212.3737-06 Выключатель массы
Наименование: Выключатель массы 1212.3737-06
Каталожный номер: 1212.3737-06
Производитель: RSTA
Код товара: 00-ГР030956
Доставка: по всей Беларуси
Остаток: под заказ

Нашли не точность в описании товара? сообщить администратору.

+375 (44) 770-80-78 +375 (29) 747-80-78
* Выставить счет, получить техническую информацию и стоимость
Заказать деталь Онлайн
Описание
Наличие на филиалах
Применяемость
Заменить на СТО

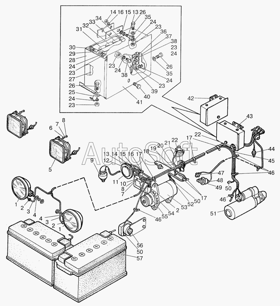
Выключатель массы 1212.3737-06 SPILE производства SPILE (SPILE), Код для заказа: 00-ГР030956

Марка Модель Кат.номер Наим. по каталогу Чертеж
МАЗ МАЗ-437040 (Зубренок) (2002) АДЮИ. 453779.001 Выключатель 1212.3737 Установка аккумуляторных батарей Чертеж Установка аккумуляторных батарей
МАЗ МАЗ-643068 (2003) АДЮИ.453779.001 Выключатель 1212.3737 Установка аккумуляторных батарей Чертеж Установка аккумуляторных батарей
МАЗ МАЗ-543202 (2003) АДЮИ.453779.001 Выключатель 1212.3737 Установка аккумуляторных батарей
МАЗ МАЗ-5336 (2005) АДЮИ.453779.001 Выключатель 1212.3737 Установка аккумуляторных батарей Чертеж Установка аккумуляторных батарей
МАЗ МАЗ-6422 (2003) АДЮИ.453779.001 Выключатель 1212.3737 Установка аккумуляторных батарей Чертеж Установка аккумуляторных батарей
МАЗ МАЗ-544069 АДЮИ.453779. 001 Выключатель 1212.3737 Установка аккумуляторных батарей Чертеж Установка аккумуляторных батарей
МАЗ МАЗ-6303 (2005) (2005) АДЮИ.453779.001 Выключатель 1212.3737 Установка аккумуляторных батарей Чертеж Установка аккумуляторных батарей
МАЗ МАЗ-5551 (2003) (2003) АДЮИ.453779.001 Выключатель 1212.3737 Установка аккумуляторных батарей
МТЗ МТЗ-1523 1212-3737-06 Выключатель Установка батарей аккумуляторных
МТЗ МТЗ-1522 (2008) 1212-3737-06 Выключатель Установка батарей аккумуляторных
МТЗ МТЗ-822 (2008) 1212.3737-05 Выключатель Электрооборудование по дизелю Чертеж Электрооборудование по дизелю
МТЗ МТЗ-922 (2008) 1212.3737-05 Выключатель Электрооборудование по дизелю
МТЗ МТЗ-923 (2008) 1212.3737-05 Выключатель Электрооборудование по дизелю Чертеж Электрооборудование по дизелю
МТЗ МТЗ-80 (2002) (2002) 1212.3737-04 Выключатель 3731 Аккумуляторные батареи. Установка аккумуляторных батарей
КрАЗ КрАЗ-7133С4 (2006) ВМ-1212.3737-07 Выключатель массы дистанционный Схема электрооборудования Чертеж Схема электрооборудования
КрАЗ КрАЗ-7133С4 (2006) ВМ-1212.3737-07 Выключатель массы дистанционный Схема электрооборудования Чертеж Схема электрооборудования
КрАЗ КрАЗ-65055-02 (2008) ВМ-1212.3737-07 Выключатель массы дистанционный Схема электрооборудования
КрАЗ КрАЗ-65055-02 (2008) ВМ-1212.3737-07 Выключатель массы дистанционный Схема электрооборудования Чертеж Схема электрооборудования
МоАЗ 40481 (2003) 1212.3737 Выключатель дистанционный массы АКБ Установка электрооборудования Чертеж Установка электрооборудования
Амкодор Амкодор-325 (ТО-18К) (2006) 1212.3737 Выключатель Электросистема ТО-18К.12.00.000 Чертеж Электросистема ТО-18К.12.00.000
Аналоги
Выключатель массы 1212.3737-06 1212.3737-06
Выключатель массы 1212.3737-06
Каталожный номер 1212.3737-06
Производитель Экран Экран
Код 33853
Доставка по всей Беларуси
Доступность остатки на филиалах Остатки на филиалах
Остаток: г.Минск, ул.Селицкого 21к В наличии
Склад Адрес Контакт Остатки
г. Минск ул. Селицкого, 21к +375 (44) 770-80-78 ( Средне )
Схема проезда
г. Дрогичин ул. Юбилейная, 42 +375 (29) 682-17-13 ( Мало )
Схема проезда
Товары из этой категории
Рассеиватель Ф402-200 AE передний АВТОЭЛЕКТРИКА Ф402-200 AE
Рассеиватель Ф402-200 AE передний АВТОЭЛЕКТРИКА
Каталожный номер Ф402-200 AE
Производитель Автоэлектрика Автоэлектрика
Код 00-ГР022581
Доставка по всей Беларуси
Доступность остатки на филиалах Остатки на филиалах
Остаток: г.Минск, ул.Селицкого 21к В наличии
Склад Адрес Контакт Остатки
г. Минск ул. Селицкого, 21к +375 (44) 770-80-78 ( Много )
Схема проезда
г. Бобруйск ул. Гоголя, 181/1-6 +375 (29) 630-05-01 ( Средне )
Схема проезда
г. Бобруйск ул. Орловского, 22к3 +375 (29) 345-37-07 ( Средне )
Схема проезда
г. Борисов ул. Демина, 2а +375 (44) 560-99-75 ( Средне )
Схема проезда
г. Витебск ул. Правды, 33 +375 (44) 770-80-87 ( Средне )
Схема проезда
г. Глубокое ул. Энгельса, 22 +375 (44) 505-71-40 ( Средне )
Схема проезда
г. Гомель ул. Барыкина, 291Б +375 (44) 514-15-30 ( Средне )
Схема проезда
г. Дятлово ул. Советская ,104 +375 (29) 187-87-37 ( Средне )
Схема проезда
г. Ивацевичи ул. Загородная, 6А +375 (29) 188-59-01 ( Средне )
Схема проезда
г. Лепель ул. Лобанка, 43 +375 (44) 778-65-21 ( Средне )
Схема проезда
г. Молодечно ул. Галицкого, 14 +375 (44) 567-28-47 ( Средне )
Схема проезда
г. Осиповичи ул. Короткая, 11 +375 (29) 165-60-07 ( Средне )
Схема проезда
г. Петриков ул. Первомайская, 124 +375 (33) 660-06-75 ( Средне )
Схема проезда
г. Полоцк-2 ул. Шенягина, 52 +375 (29) 302-94-73 ( Средне )
Схема проезда
г. Полоцк-2 ул. Шенягина, 52 +375 (29) 302-94-73 ( Средне )
Схема проезда
г. Полоцк-2 ул. Шенягина, 52 +375 (29) 302-94-73 ( Мало )
Схема проезда
г. Пружаны ул. Макаренко, 21 +375 (29) 348-83-18 ( Средне )
Схема проезда
г. Слоним ул. Советская, 93а +375 (29) 394-82-01 ( Средне )
Схема проезда
г. Щучин ул. Советская, 39 +375 (29) 177-29-70 ( Средне )
Схема проезда
Фонарь 3703.3712 АЕ, Ф402 передний АВТОЭЛЕКТРИКА 3703.3712 АЕ
Фонарь 3703.3712 АЕ, Ф402 передний АВТОЭЛЕКТРИКА
Каталожный номер 3703.3712 АЕ
Производитель Автоэлектрика Автоэлектрика
Код 00-ГР001831
Доставка по всей Беларуси
Доступность остатки на филиалах Остатки на филиалах
Остаток: г.Минск, ул.Селицкого 21к В наличии
Склад Адрес Контакт Остатки
г. Минск ул. Селицкого, 21к +375 (44) 770-80-78 ( Много )
Схема проезда
г. Барановичи ул. Пролетарская, 40 +375 (29) 795-96-37 ( Средне )
Схема проезда
г. Березино ул. Комсомольская, д. 24 +375 (44) 770-80-17 ( Средне )
Схема проезда
г. Берёза ул. Красноармейская, 89/11 +375 (29) 676-70-71 ( Мало )
Схема проезда
г. Бобруйск ул. Гоголя, 181/1-6 +375 (29) 630-05-01 ( Средне )
Схема проезда
г. Бобруйск ул. Орловского, 22к3 +375 (29) 345-37-07 ( Средне )
Схема проезда
г. Борисов ул. Демина, 2а +375 (44) 560-99-75 ( Средне )
Схема проезда
г. Витебск ул. Правды, 33 +375 (44) 770-80-87 ( Средне )
Схема проезда
г. Глубокое ул. Энгельса, 22 +375 (44) 505-71-40 ( Средне )
Схема проезда
г. Гомель ул. Барыкина, 291Б +375 (44) 514-15-30 ( Средне )
Схема проезда
г. Горки ул.Мира, д.51а/1 +375 (44) 565-33-61 ( Много )
Схема проезда
г. Гродно ул. Карского, 35 +375 (44) 770-70-21 ( Средне )
Схема проезда
г. Дрогичин ул. Юбилейная, 42 +375 (29) 682-17-13 ( Средне )
Схема проезда
г. Дятлово ул. Советская ,104 +375 (29) 187-87-37 ( Средне )
Схема проезда
г. Житковичи ул. Комсомольская, 49 +375 (29) 394-82-52 ( Много )
Схема проезда
г. Жлобин ул. Козлова, 25 +375 (29) 346-06-78 ( Много )
Схема проезда
г. Ивацевичи ул. Загородная, 6А +375 (29) 188-59-01 ( Мало )
Схема проезда
г. Кобрин ул. Пролетарская, 177А +375 (44) 588-10-80 ( Средне )
Схема проезда
г. Кричев ул. Комсомольская, 126 +375 (29) 628-88-42 ( Много )
Схема проезда
г. Лельчицы ул. Советская, д.96/1 +375 (29) 346-98-96 ( Мало )
Схема проезда
г. Лепель ул. Лобанка, 43 +375 (44) 778-65-21 ( Средне )
Схема проезда
г. Лунинец ул.Красная, 175а +375 (44) 721-46-74 ( Средне )
Схема проезда
г. Могилев ул. Габровская 11Б +375 (29) 662-02-16 ( Средне )
Схема проезда
г. Молодечно ул. Галицкого, 14 +375 (44) 567-28-47 ( Много )
Схема проезда
г. Новогрудок ул. Индустриальная, 3 +375 (44) 729-39-19 ( Средне )
Схема проезда
г. Орша ул. Сергея Кирова, д. 34 +375 (44) 583-91-42 ( Много )
Схема проезда
г. Осиповичи ул. Короткая, 11 +375 (29) 165-60-07 ( Много )
Схема проезда
г. Ошмяны ул. Льнозоводская 3 +375 (44) 770-80-91 ( Средне )
Схема проезда
г. Петриков ул. Первомайская, 124 +375 (33) 660-06-75 ( Много )
Схема проезда
г. Пинск ул. Калиновского 32 +375 (44) 560-99-59 ( Средне )
Схема проезда
г. Полоцк-2 ул. Шенягина, 52 +375 (29) 302-94-73 ( Средне )
Схема проезда
г. Полоцк-2 ул. Шенягина, 52 +375 (29) 302-94-73 ( Много )
Схема проезда
г. Полоцк-2 ул. Шенягина, 52 +375 (29) 302-94-73 ( Много )
Схема проезда
г. Поставы ул. Советская, 69 +375 (44) 770-80-13 ( Средне )
Схема проезда
г. Пружаны ул. Макаренко, 21 +375 (29) 348-83-18 ( Много )
Схема проезда
г. Слоним ул. Советская, 93а +375 (29) 394-82-01 ( Много )
Схема проезда
г. Столин ул. Быковского, 29 +375 (33) 304-54-36 ( Средне )
Схема проезда
г. Щучин ул. Советская, 39 +375 (29) 177-29-70 ( Средне )
Схема проезда
Переключатель 3912.3769-03 поворотов с проводами 3912.3769-03
Переключатель 3912.3769-03 поворотов с проводами
Каталожный номер 3912.3769-03
Производитель ЯСМА ЯСМА
Код 00-ГР025022
Доставка по всей Беларуси
Доступность остатки на филиалах Остатки на филиалах
Остаток: г.Минск, ул.Селицкого 21к В наличии
Склад Адрес Контакт Остатки
г. Минск ул. Селицкого, 21к +375 (44) 770-80-78 ( Мало )
Схема проезда
г. Бобруйск ул. Орловского, 22к3 +375 (29) 345-37-07 ( Мало )
Схема проезда
г. Глубокое ул. Энгельса, 22 +375 (44) 505-71-40 ( Мало )
Схема проезда
г. Горки ул.Мира, д.51а/1 +375 (44) 565-33-61 ( Мало )
Схема проезда
г. Дрогичин ул. Юбилейная, 42 +375 (29) 682-17-13 ( Мало )
Схема проезда
г. Ивацевичи ул. Загородная, 6А +375 (29) 188-59-01 ( Мало )
Схема проезда
г. Кричев ул. Комсомольская, 126 +375 (29) 628-88-42 ( Мало )
Схема проезда
г. Новогрудок ул. Индустриальная, 3 +375 (44) 729-39-19 ( Мало )
Схема проезда
г. Ошмяны ул. Льнозоводская 3 +375 (44) 770-80-91 ( Мало )
Схема проезда
г. Слоним ул. Советская, 93а +375 (29) 394-82-01 ( Мало )
Схема проезда
г. Столин ул. Быковского, 29 +375 (33) 304-54-36 ( Мало )
Схема проезда
Вал гибкий ГВН 20 В 01 МТЗ,ГАЗ-53 ГВ 20 В 01
Вал гибкий ГВН 20 В 01 МТЗ,ГАЗ-53
Каталожный номер ГВ 20 В 01
Производитель Автотрос Автотрос
Код 11727
Доставка по всей Беларуси
Доступность остатки на филиалах Остатки на филиалах
Остаток В наличии
Склад Адрес Контакт Остатки
г. Барановичи ул. Бадака, 27Б +375 (29) 350-33-47 ( Мало )
Схема проезда
г. Березино ул. Комсомольская, д. 24 +375 (44) 770-80-17 ( Мало )
Схема проезда
г. Бобруйск ул. Гоголя, 181/1-6 +375 (29) 630-05-01 ( Мало )
Схема проезда
г. Бобруйск ул. Орловского, 22к3 +375 (29) 345-37-07 ( Мало )
Схема проезда
г. Витебск ул. Правды, 33 +375 (44) 770-80-87 ( Мало )
Схема проезда
г. Витебск ул. Петруся Бровки, 34 +375 (29) 636-25-08 ( Мало )
Схема проезда
г. Гомель ул. Барыкина, 291Б +375 (44) 514-15-30 ( Мало )
Схема проезда
г. Горки ул.Мира, д.51а/1 +375 (44) 565-33-61 ( Мало )
Схема проезда
г. Гродно ул. Карского, 35 +375 (44) 770-70-21 ( Мало )
Схема проезда
г. Дрогичин ул. Юбилейная, 42 +375 (29) 682-17-13 ( Мало )
Схема проезда
г. Дятлово ул. Советская ,104 +375 (29) 187-87-37 ( Мало )
Схема проезда
г. Новогрудок ул. Индустриальная, 3 +375 (44) 729-39-19 ( Средне )
Схема проезда
г. Осиповичи ул. Короткая, 11 +375 (29) 165-60-07 ( Средне )
Схема проезда
г. Пинск ул. Калиновского 32 +375 (44) 560-99-59 ( Мало )
Схема проезда
г. Полоцк-2 ул. Шенягина, 52 +375 (29) 302-94-73 ( Мало )
Схема проезда
г. Щучин ул. Советская, 39 +375 (29) 177-29-70 ( Мало )
Схема проезда
Указатель температуры охлаждающей жидкости УТ-200
Указатель температуры охлаждающей жидкости
Каталожный номер УТ-200
Производитель КНР КНР
Код 11696
Доставка по всей Беларуси
Доступность остатки на филиалах Остатки на филиалах
Остаток В наличии
Склад Адрес Контакт Остатки
г. Кричев ул. Комсомольская, 126 +375 (29) 628-88-42 ( Мало )
Схема проезда
г. Несвиж ул. Кутузова, 2 +375 (29) 394-82-48 ( Мало )
Схема проезда