Республика Беларусь,
г. Минск, ул. Селицкого 21к - центральный склад
Пн-пт с 8:00 до 17:00
Меню
63-1801040 Втулка распорная
Наименование: Втулка 63-1801040 распорная
Каталожный номер: 63-1801040
Производитель: RSTA
Код товара: 46047
Доставка: по всей Беларуси
Остаток: под заказ

Нашли не точность в описании товара? сообщить администратору.

+375 (44) 770-80-78 +375 (29) 747-80-78
* Выставить счет, получить техническую информацию и стоимость
Заказать деталь Онлайн
Описание
Наличие на филиалах
Применяемость
Заменить на СТО

Втулка 63-1801040 распорная производства ГАЗ (РФ), Код для заказа: 46047

Марка Модель Кат.номер Наим. по каталогу Чертеж
ГАЗ ГАЗ-33027 (Дополнение) 63-1801040 Втулка распорная подушки подвески раздаточной коробки Коробка раздаточная Чертеж Коробка раздаточная
ГАЗ ГАЗ-66 (Каталог 1983 г.) (1983) 63-1801040 Втулка распорная подушки подвески раздаточной коробки Раздаточная коробка Чертеж Раздаточная коробка
ГАЗ ГАЗ-66 (Каталог 1996 г.) (1996) 63-1801040 Втулка распорная подушки подвески раздаточной коробки Раздаточная коробка в сборе, подвеска раздаточной коробки, механизм переключения передач
ГАЗ ГАЗ-69 (1957) 63-1801040 Втулка распорная подушки подвески раздаточной коробки Коробка раздаточная Чертеж Коробка раздаточная
ГАЗ ГАЗ-3308 (2000) 63-1801040 Втулка распорная подушки подвески раздаточной коробки Раздаточная коробка, подвеска и привод управления Чертеж Раздаточная коробка, подвеска и привод управления
Камский автозавод 4310 4310-1801040 Втулка Подвеска раздаточной коробки Чертеж Подвеска раздаточной коробки
Камский автозавод 4310 4310-1801040 Втулка Подвеска раздаточной коробки Чертеж Подвеска раздаточной коробки
Камский автозавод 4310 4310-1801040 Втулка Подвеска раздаточной коробки Чертеж Подвеска раздаточной коробки
Камский автозавод 4310 4310-1801040 Втулка Подвеска раздаточной коробки Чертеж Подвеска раздаточной коробки
ЗИЛ ЗИЛ-431410 Каталог 1989 г. (1989) 121-1801040 Втулка распорная Схема охлаждения двигателя Чертеж Схема охлаждения двигателя
ЗИЛ ЗИЛ-131 131-1801040-Б Втулка подушек распорная Подвеска раздаточной коробки, управление и клапан управления раздаточной коробкой автомобилей ЗИЛ-131Н, ЗИЛ-131НА, ЗИЛ-131НВ Чертеж Подвеска раздаточной коробки, управление и клапан управления раздаточной коробкой автомобилей ЗИЛ-131Н, ЗИЛ-131НА, ЗИЛ-131НВ
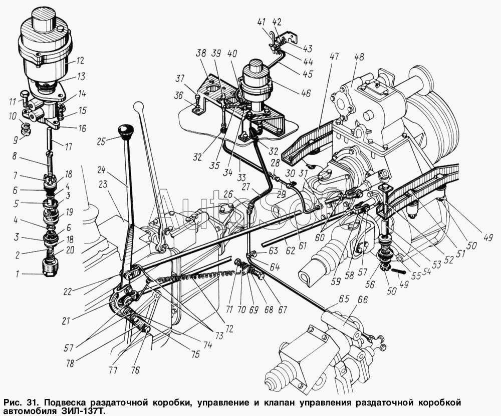
ЗИЛ ЗИЛ-131 131-1801024 Комплект запасных частей для подвески. В комплект входят следующие детали и сборочные единицы:131-1801028 - 6 шт.:305603-П - 3 шт.: 304826-П8 - 3 шт.: 131-1801023-Б: 131-1801046-В: 131-1801040-Б Подвеска раздаточной коробки, управление и клапан управления раздаточной коробкой автомобиля ЗИЛ-137Т Чертеж Подвеска раздаточной коробки, управление и клапан управления раздаточной коробкой автомобиля ЗИЛ-137Т
ЗИЛ ЗИЛ-131 131-1801040-Б Втулка подушек распорная Подвеска раздаточной коробки, управление и клапан управления раздаточной коробкой автомобиля ЗИЛ-137Т Чертеж Подвеска раздаточной коробки, управление и клапан управления раздаточной коробкой автомобиля ЗИЛ-137Т
ЗИЛ ЗИЛ-133ГЯ 121-1801040 Втулка распорная Схема охлаждения двигателя Чертеж Схема охлаждения двигателя
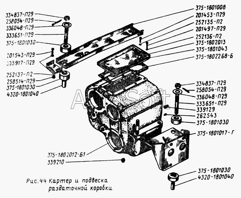
УралАЗ УРАЛ-375 375-1801040 Втулка распорная подушки Картер и подвеска раздаточной коробки (Рис. 44)
УралАЗ УРАЛ-375 375-1801040 Втулка распорная подушки Картер и управление дополнительной коробкой (Рис. 45)
УралАЗ УРАЛ-4320-31 4320-1801040 Втулка распорная Картер и подвеска раздаточной коробки Чертеж Картер и подвеска раздаточной коробки
УралАЗ УРАЛ-4320 4320-1801040 Втулка распорная Картер и подвеска раздаточной коробки
УралАЗ УРАЛ-43202 4320-1801040 Втулка распорная Картер и подвеска раздаточной коробки Чертеж Картер и подвеска раздаточной коробки
КАЗ КАЗ 608 121-1801040 Втулка подушек распорная Система охлаждения двигателя и компрессора, схема отопителя кабины