406-1000104-20 Вкладыш шатунный (0,25)
| Наименование: | Вкладыш шатунный 406-1000104-20 (0,25) |
| Каталожный номер: | 406-1000104-20 |
| Производитель: |
|
| Код товара: | 13030 |
| Доставка: | по всей Беларуси |
| Остаток: | в наличии |
Нашли не точность в описании товара? сообщить администратору.
* Выставить счет, получить техническую информацию и стоимость
Заказать деталь Онлайн
Описание
Наличие на филиалах
Применяемость
Заменить на СТО
Email
ras.Drenchik@gmail.com
Email
ras.Drobot@gmail.com
Email
ras.Rozhkov@gmail.com
Email
los.Konoda@gmail.com
Email
ras.titenkova@gmail.com
Email
ras.Abramovich@gmail.com
Email
pinsk.sto@gmail.com
Email
sto.Polock@snabavto.by
Код для заказа: 13030
| Марка | Модель | Кат.номер | Наим. по каталогу | Чертеж | |
|---|---|---|---|---|---|
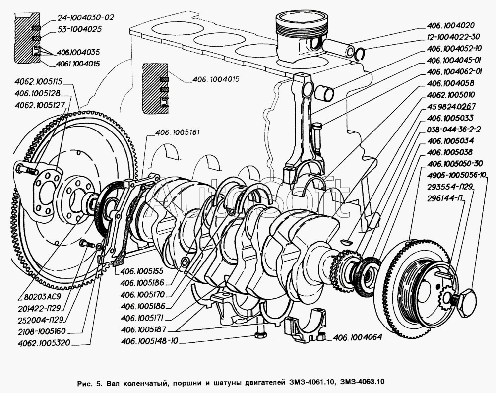
| ГАЗ | ГАЗ-2705 (ГАЗель) (2000) | 406.1000104 | Вкладыши шатунные, комплект на двигатель ЗМЗ-4063 | Вал коленчатый, поршни и шатуны двигателей ЗМЗ-4061.10, ЗМЗ-4063.10 |
|
| ГАЗ | ГАЗ-2217 (Соболь) (1999) | 406.1000104 | Вкладыши шатунные, комплект на двигатель ЗМЗ-4063 | Подвеска двигателя ЗМЗ-4063 |
|
| ГАЗ | ГАЗ-2217 (Соболь) (1999) | 406.1000104 | Вкладыши шатунные, комплект на двигатель ЗМЗ-4063 | Подвеска двигателя ЗМЗ-4063 |
|
| ГАЗ | ГАЗ-3302 (2004) (2004) | 406.1000104 | Вкладыши шатунные, комплект на двигатель ЗМЗ-4063 | Комплекты запасных частей |
|
| УАЗ | УАЗ-31519 (2005) | 406.1000104-22 | Комплект шатунных вкладышей диам. 55,25 мм | Поршень и шатун, вал коленчатый и маховик |
|
| УАЗ | УАЗ-31519 (2005) | 406.1000104-21 | Комплект шатунных вкладышей диам. 55,50 мм | Поршень и шатун, вал коленчатый и маховик |
|
| УАЗ | УАЗ-31519 (2005) | 406.1000104-20 | Комплект шатунных вкладышей диам. 55,75 мм | Поршень и шатун, вал коленчатый и маховик |
|
| УАЗ | УАЗ-31519 (2005) | 406.1000104 | Комплект шатунных вкладышей диам. 56,00 мм | Поршень и шатун, вал коленчатый и маховик |
|
| УАЗ | УАЗ Patriot (2005) | 406.1000104-22 | Комплект шатунных вкладышей диам. 55,25 мм | Головка цилиндров двигателя, поршень и шатун двигателя | |
| УАЗ | УАЗ Patriot (2005) | 406.1000104-21 | Комплект шатунных вкладышей диам. 55,50 мм | Головка цилиндров двигателя, поршень и шатун двигателя | |
| УАЗ | УАЗ Patriot (2005) | 406.1000104-20 | Комплект шатунных вкладышей диам. 55,75 мм | Головка цилиндров двигателя, поршень и шатун двигателя | |
| УАЗ | УАЗ Patriot (2005) | 406.1000104 | Комплект шатунных вкладышей диам. 56,00 мм | Головка цилиндров двигателя, поршень и шатун двигателя | |
| УАЗ | UAZ Patriot (2007) | 406.1000104 | Комплект шатунных вкладышей диам. 56,00 мм | Головка цилиндров двигателя, поршень и шатун двигателя |
|
| УАЗ | UAZ Patriot (2007) | 406.1000104-20 | Комплект шатунных вкладышей диам. 55,75 мм | Головка цилиндров двигателя, поршень и шатун двигателя |
|
| УАЗ | UAZ Patriot (2007) | 406.1000104-21 | Комплект шатунных вкладышей диам. 55,50 мм | Головка цилиндров двигателя, поршень и шатун двигателя |
|
| УАЗ | UAZ Patriot (2007) | 406.1000104-22 | Комплект шатунных вкладышей диам. 55,25 мм | Головка цилиндров двигателя, поршень и шатун двигателя |
|
| ЗМЗ | ЗМЗ-4062.10 (2006) | 406.1000104 | Вкладыши шатуна, комплект на двигатель, номинального размера | Двигатель в сборе |
|
| ЗМЗ | ЗМЗ-4062.10 (2006) | 406.1000104-20 | Вкладыши шатуна, комплект на двигатель, уменьшенные на 0,25 мм. | Двигатель в сборе |
|
| ЗМЗ | ЗМЗ-4062.10 (2006) | 406.1000104-21 | Вкладыши шатуна, комплект на двигатель, уменьшенные на 0,50 мм. | Двигатель в сборе |
|
| ЗМЗ | ЗМЗ-4062.10 (2006) | 406.1000104-22 | Вкладыши шатуна, комплект на двигатель, уменьшенные на 0,75 мм. | Двигатель в сборе |
|
| Склад | Адрес | Контакт | Остатки | |
|---|---|---|---|---|
| г. Минск | ул. Селицкого, 21к | +375 (44) 770-80-78 |
( Мало )
|
Схема проезда |
| г. Барановичи | ул. Бадака, 27Б | +375 (29) 350-33-47 |
Под заказ
|
Схема проезда |
| г. Барановичи | ул. Пролетарская, 40 | +375 (29) 795-96-37 |
Под заказ
|
Схема проезда |
| г. Берёза | ул. Красноармейская, 89/11 | +375 (29) 676-70-71 |
Под заказ
|
Схема проезда |
| г. Березино | ул. Комсомольская, д. 24 | +375 (44) 770-80-17 |
Под заказ
|
Схема проезда |
| г. Бобруйск | ул. Орловского, 22к3 | +375 (29) 345-37-07 |
Под заказ
|
Схема проезда |
| г. Бобруйск | ул. Гоголя, 181/1-6 | +375 (29) 630-05-01 |
Под заказ
|
Схема проезда |
| г. Борисов | ул. Демина, 2а | +375 (44) 560-99-75 |
Под заказ
|
Схема проезда |
| г. Брест | Тельминский с/с, 1Д/1, 1 км южнее д. Тельмы-2 | +375 (44) 599-90-75 |
Под заказ
|
Схема проезда |
| г. Витебск | ул. Правды, 33 | +375 (44) 770-80-87 |
Под заказ
|
Схема проезда |
| г. Витебск | ул. Петруся Бровки, 34 | +375 (29) 636-25-08 |
Под заказ
|
Схема проезда |
| г. Глубокое | ул. Энгельса, 22 | +375 (44) 505-71-40 |
Под заказ
|
Схема проезда |
| г. Гомель | ул. Барыкина, 291Б | +375 (44) 514-15-30 |
Под заказ
|
Схема проезда |
| г. Гомель | ул. Текстильная, 10 | +375 (44) 540-02-05 |
Под заказ
|
Схема проезда |
| г. Горки | ул.Мира, д.51а/1 | +375 (44) 565-33-61 |
Под заказ
|
Схема проезда |
| г. Гродно | ул. Карского, 35 | +375 (44) 770-70-21 |
Под заказ
|
Схема проезда |
| г. Дрогичин | ул. Юбилейная, 42 | +375 (29) 682-17-13 |
Под заказ
|
Схема проезда |
| г. Дятлово | ул. Советская ,104 | +375 (29) 187-87-37 |
Под заказ
|
Схема проезда |
| г. Житковичи | ул. Комсомольская, 49 | +375 (29) 394-82-52 |
Под заказ
|
Схема проезда |
| г. Жлобин | ул. Козлова, 25 | +375 (29) 346-06-78 |
Под заказ
|
Схема проезда |
| г. Ивацевичи | ул. Загородная, 6А | +375 (29) 188-59-01 |
Под заказ
|
Схема проезда |
| г. Кобрин | ул. Пролетарская, 177А | +375 (44) 588-10-80 |
Под заказ
|
Схема проезда |
| г. Кричев | ул. Комсомольская, 126 | +375 (29) 628-88-42 |
Под заказ
|
Схема проезда |
| г. Лельчицы | ул. Советская, д.96/1 | +375 (29) 346-98-96 |
Под заказ
|
Схема проезда |
| г. Лепель | ул. Лобанка, 43 | +375 (44) 778-65-21 |
Под заказ
|
Схема проезда |
| г. Лида | ул. Качана, 7 | +375 (29) 612-60-61 |
Под заказ
|
Схема проезда |
| г. Лунинец | ул.Красная, 175а | +375 (44) 721-46-74 |
Под заказ
|
Схема проезда |
| г. Минск | ул. Бабушкина, 37 | +375 (29) 632-00-82 |
Под заказ
|
Схема проезда |
| г. Могилев | ул. Габровская 11Б | +375 (29) 662-02-16 |
Под заказ
|
Схема проезда |
| г. Мозырь | промузел Козенки | +375 (44) 731-94-60 |
Под заказ
|
Схема проезда |
| г. Молодечно | ул. Галицкого, 14 | +375 (44) 567-28-47 |
Под заказ
|
Схема проезда |
| г. Несвиж | ул. Кутузова, 2 | +375 (29) 394-82-48 |
Под заказ
|
Схема проезда |
| г. Новогрудок | ул. Индустриальная, 3 | +375 (44) 729-39-19 |
Под заказ
|
Схема проезда |
| г. Орша | ул. Сергея Кирова, д. 34 | +375 (44) 583-91-42 |
Под заказ
|
Схема проезда |
| г. Осиповичи | ул. Короткая, 11 | +375 (29) 165-60-07 |
Под заказ
|
Схема проезда |
| г. Ошмяны | ул. Льнозоводская 3 | +375 (44) 770-80-91 |
Под заказ
|
Схема проезда |
| г. Петриков | ул. Первомайская, 124 | +375 (33) 660-06-75 |
Под заказ
|
Схема проезда |
| г. Пинск | ул. Калиновского 32 | +375 (44) 560-99-59 |
Под заказ
|
Схема проезда |
| г. Полоцк | ул. Пролетарская, 6 | +375 (29) 644-57-58 |
Под заказ
|
Схема проезда |
| г. Полоцк | ул. Строительная, 30Б | +375 (29) 302-97-91 |
Под заказ
|
Схема проезда |
| г. Полоцк-2 | ул. Шенягина, 52 | +375 (29) 302-94-73 |
Под заказ
|
Схема проезда |
| г. Поставы | ул. Советская, 69 | +375 (44) 770-80-13 |
Под заказ
|
Схема проезда |
| г. Пружаны | ул. Макаренко, 21 | +375 (29) 348-83-18 |
Под заказ
|
Схема проезда |
| г. Слоним | ул. Советская, 93а | +375 (29) 394-82-01 |
Под заказ
|
Схема проезда |
| г. Слуцк | ул. Тутаринова, 8 | +375 (29) 346-06-90 |
Под заказ
|
Схема проезда |
| г. Сморгонь | ул. Железнодорожная, 32 | +375 (29) 671-02-10 |
Под заказ
|
Схема проезда |
| г. Солигорск | Чижевичский сельсовет, 3Г | +375 (29) 899-58-52 |
Под заказ
|
Схема проезда |
| г. Столин | ул. Быковского, 29 | +375 (33) 304-54-36 |
Под заказ
|
Схема проезда |
| г. Щучин | ул. Советская, 39 | +375 (29) 177-29-70 |
Под заказ
|
Схема проезда |
Товары из этой категории
| Прокладка | |
| Каталожный номер | 4216-1007245-01 |
| Производитель |
|
| Код | 43018 |
| Доставка | по всей Беларуси |
| Доступность | остатки на филиалах |
| Остаток: г.Минск, ул.Селицкого 21к | В наличии |
| Склад | Адрес | Контакт | Остатки | |
|---|---|---|---|---|
| г. Минск | ул. Селицкого, 21к | +375 (44) 770-80-78 |
( Средне )
|
Схема проезда |
| г. Барановичи | ул. Бадака, 27Б | +375 (29) 350-33-47 |
( Мало )
|
Схема проезда |
| г. Березино | ул. Комсомольская, д. 24 | +375 (44) 770-80-17 |
( Мало )
|
Схема проезда |
| г. Бобруйск | ул. Орловского, 22к3 | +375 (29) 345-37-07 |
( Мало )
|
Схема проезда |
| г. Гродно | ул. Карского, 35 | +375 (44) 770-70-21 |
( Средне )
|
Схема проезда |
| г. Дрогичин | ул. Юбилейная, 42 | +375 (29) 682-17-13 |
( Мало )
|
Схема проезда |
| г. Мозырь | промузел Козенки | +375 (44) 731-94-60 |
( Мало )
|
Схема проезда |
| г. Петриков | ул. Первомайская, 124 | +375 (33) 660-06-75 |
( Мало )
|
Схема проезда |
| г. Слоним | ул. Советская, 93а | +375 (29) 394-82-01 |
( Мало )
|
Схема проезда |
| К-т прокладок ЗМЗ-24 полный | |
| Каталожный номер | 402-3906022 |
| Производитель |
|
| Код | 13306 |
| Доставка | по всей Беларуси |
| Доступность | остатки на филиалах |
| Остаток: г.Минск, ул.Селицкого 21к | В наличии |
| Склад | Адрес | Контакт | Остатки | |
|---|---|---|---|---|
| г. Минск | ул. Селицкого, 21к | +375 (44) 770-80-78 |
( Средне )
|
Схема проезда |
| г. Барановичи | ул. Пролетарская, 40 | +375 (29) 795-96-37 |
( Мало )
|
Схема проезда |
| г. Березино | ул. Комсомольская, д. 24 | +375 (44) 770-80-17 |
( Мало )
|
Схема проезда |
| г. Бобруйск | ул. Орловского, 22к3 | +375 (29) 345-37-07 |
( Мало )
|
Схема проезда |
| г. Борисов | ул. Демина, 2а | +375 (44) 560-99-75 |
( Мало )
|
Схема проезда |
| г. Витебск | ул. Правды, 33 | +375 (44) 770-80-87 |
( Мало )
|
Схема проезда |
| г. Гомель | ул. Барыкина, 291Б | +375 (44) 514-15-30 |
( Мало )
|
Схема проезда |
| г. Гомель | ул. Барыкина, 291Б | +375 (44) 514-15-30 |
( Мало )
|
Схема проезда |
| г. Гродно | ул. Карского, 35 | +375 (44) 770-70-21 |
( Мало )
|
Схема проезда |
| г. Дрогичин | ул. Юбилейная, 42 | +375 (29) 682-17-13 |
( Мало )
|
Схема проезда |
| г. Дятлово | ул. Советская ,104 | +375 (29) 187-87-37 |
( Мало )
|
Схема проезда |
| г. Кобрин | ул. Пролетарская, 177А | +375 (44) 588-10-80 |
( Средне )
|
Схема проезда |
| г. Кричев | ул. Комсомольская, 126 | +375 (29) 628-88-42 |
( Мало )
|
Схема проезда |
| г. Молодечно | ул. Галицкого, 14 | +375 (44) 567-28-47 |
( Мало )
|
Схема проезда |
| г. Орша | ул. Сергея Кирова, д. 34 | +375 (44) 583-91-42 |
( Мало )
|
Схема проезда |
| г. Осиповичи | ул. Короткая, 11 | +375 (29) 165-60-07 |
( Мало )
|
Схема проезда |
| г. Ошмяны | ул. Льнозоводская 3 | +375 (44) 770-80-91 |
( Мало )
|
Схема проезда |
| г. Полоцк-2 | ул. Шенягина, 52 | +375 (29) 302-94-73 |
( Мало )
|
Схема проезда |
| г. Поставы | ул. Советская, 69 | +375 (44) 770-80-13 |
( Мало )
|
Схема проезда |
| г. Пружаны | ул. Макаренко, 21 | +375 (29) 348-83-18 |
( Мало )
|
Схема проезда |
| г. Слоним | ул. Советская, 93а | +375 (29) 394-82-01 |
( Мало )
|
Схема проезда |
| г. Сморгонь | ул. Железнодорожная, 32 | +375 (29) 671-02-10 |
( Мало )
|
Схема проезда |
| Насос масляный | |
| Каталожный номер | 406-1011010-03 |
| Производитель |
|
| Код | 16675 |
| Доставка | по всей Беларуси |
| Доступность | остатки на филиалах |
| Остаток: г.Минск, ул.Селицкого 21к | В наличии |
| Склад | Адрес | Контакт | Остатки | |
|---|---|---|---|---|
| г. Минск | ул. Селицкого, 21к | +375 (44) 770-80-78 |
( Средне )
|
Схема проезда |
| Прокладка под паук комплект 4шт. (нового образца) | |
| Каталожный номер | 66-1008079/80/81 |
| Производитель |
|
| Код | 16592 |
| Доставка | по всей Беларуси |
| Доступность | остатки на филиалах |
| Остаток: г.Минск, ул.Селицкого 21к | В наличии |
| Склад | Адрес | Контакт | Остатки | |
|---|---|---|---|---|
| г. Минск | ул. Селицкого, 21к | +375 (44) 770-80-78 |
( Много )
|
Схема проезда |
| г. Барановичи | ул. Пролетарская, 40 | +375 (29) 795-96-37 |
( Мало )
|
Схема проезда |
| г. Березино | ул. Комсомольская, д. 24 | +375 (44) 770-80-17 |
( Мало )
|
Схема проезда |
| г. Бобруйск | ул. Гоголя, 181/1-6 | +375 (29) 630-05-01 |
( Средне )
|
Схема проезда |
| г. Брест | Тельминский с/с, 1Д/1, 1 км южнее д. Тельмы-2 | +375 (44) 599-90-75 |
( Средне )
|
Схема проезда |
| г. Витебск | ул. Правды, 33 | +375 (44) 770-80-87 |
( Средне )
|
Схема проезда |
| г. Глубокое | ул. Энгельса, 22 | +375 (44) 505-71-40 |
( Средне )
|
Схема проезда |
| г. Гомель | ул. Барыкина, 291Б | +375 (44) 514-15-30 |
( Средне )
|
Схема проезда |
| г. Гомель | ул. Барыкина, 291Б | +375 (44) 514-15-30 |
( Мало )
|
Схема проезда |
| г. Горки | ул.Мира, д.51а/1 | +375 (44) 565-33-61 |
( Мало )
|
Схема проезда |
| г. Гродно | ул. Карского, 35 | +375 (44) 770-70-21 |
( Мало )
|
Схема проезда |
| г. Дрогичин | ул. Юбилейная, 42 | +375 (29) 682-17-13 |
( Мало )
|
Схема проезда |
| г. Дятлово | ул. Советская ,104 | +375 (29) 187-87-37 |
( Мало )
|
Схема проезда |
| г. Жлобин | ул. Козлова, 25 | +375 (29) 346-06-78 |
( Мало )
|
Схема проезда |
| г. Ивацевичи | ул. Загородная, 6А | +375 (29) 188-59-01 |
( Мало )
|
Схема проезда |
| г. Кобрин | ул. Пролетарская, 177А | +375 (44) 588-10-80 |
( Мало )
|
Схема проезда |
| г. Лельчицы | ул. Советская, д.96/1 | +375 (29) 346-98-96 |
( Средне )
|
Схема проезда |
| г. Молодечно | ул. Галицкого, 14 | +375 (44) 567-28-47 |
( Средне )
|
Схема проезда |
| г. Новогрудок | ул. Индустриальная, 3 | +375 (44) 729-39-19 |
( Мало )
|
Схема проезда |
| г. Осиповичи | ул. Короткая, 11 | +375 (29) 165-60-07 |
( Мало )
|
Схема проезда |
| г. Пинск | ул. Калиновского 32 | +375 (44) 560-99-59 |
( Средне )
|
Схема проезда |
| г. Полоцк-2 | ул. Шенягина, 52 | +375 (29) 302-94-73 |
( Мало )
|
Схема проезда |
| г. Полоцк-2 | ул. Шенягина, 52 | +375 (29) 302-94-73 |
( Мало )
|
Схема проезда |
| г. Поставы | ул. Советская, 69 | +375 (44) 770-80-13 |
( Мало )
|
Схема проезда |
| г. Пружаны | ул. Макаренко, 21 | +375 (29) 348-83-18 |
( Средне )
|
Схема проезда |
| г. Слоним | ул. Советская, 93а | +375 (29) 394-82-01 |
( Средне )
|
Схема проезда |
| г. Сморгонь | ул. Железнодорожная, 32 | +375 (29) 671-02-10 |
( Мало )
|
Схема проезда |
| г. Столин | ул. Быковского, 29 | +375 (33) 304-54-36 |
( Мало )
|
Схема проезда |
| г. Щучин | ул. Советская, 39 | +375 (29) 177-29-70 |
( Мало )
|
Схема проезда |
| Гидрокомпенсатор комплект 8 шт. | |
| Каталожный номер | 406-1007045 |
| Производитель |
|
| Код | 27611 |
| Доставка | по всей Беларуси |
| Доступность | остатки на филиалах |
| Остаток: г.Минск, ул.Селицкого 21к | В наличии |
| Склад | Адрес | Контакт | Остатки | |
|---|---|---|---|---|
| г. Минск | ул. Селицкого, 21к | +375 (44) 770-80-78 |
( Много )
|
Схема проезда |
| г. Барановичи | ул. Пролетарская, 40 | +375 (29) 795-96-37 |
( Мало )
|
Схема проезда |
| г. Гомель | ул. Барыкина, 291Б | +375 (44) 514-15-30 |
( Мало )
|
Схема проезда |
| г. Гродно | ул. Карского, 35 | +375 (44) 770-70-21 |
( Мало )
|
Схема проезда |
| г. Лунинец | ул.Красная, 175а | +375 (44) 721-46-74 |
( Средне )
|
Схема проезда |
| г. Петриков | ул. Первомайская, 124 | +375 (33) 660-06-75 |
( Мало )
|
Схема проезда |
| г. Полоцк-2 | ул. Шенягина, 52 | +375 (29) 302-94-73 |
( Средне )
|
Схема проезда |
| г. Слуцк | ул. Тутаринова, 8 | +375 (29) 346-06-90 |
( Средне )
|
Схема проезда |
| г. Сморгонь | ул. Железнодорожная, 32 | +375 (29) 671-02-10 |
( Мало )
|
Схема проезда |
Политика обработки файлов cookie
На сайте snabavto.by используются файлы cookie для сбора обезличенной информации о пользователях. Это помогает нам анализировать статистику, совершенствовать сервис и делать его более удобным для вас. Подробнее о файлах cookie вы можете узнать в соответствующем разделе Политики обработки файлов cookie.
Ремавтоснаб