50-3405047 Вал ГУР БЗТДиА
| Наименование: | Вал ГУР 50-3405047 БЗТДиА |
| Каталожный номер: | 50-3405047 |
| Производитель: |
|
| Код товара: | 00-ГР042299 |
| Доставка: | по всей Беларуси |
| Остаток: | в наличии |
| Цена: |
Нашли не точность в описании товара? сообщить администратору.
* Выставить счет, получить техническую информацию и стоимость
Заказать деталь Онлайн
Описание
Наличие на филиалах
Применяемость
Заменить на СТО
Email
ras.Drenchik@gmail.com
Email
ras.Drobot@gmail.com
Email
ras.Rozhkov@gmail.com
Email
los.Konoda@gmail.com
Email
ras.titenkova@gmail.com
Email
ras.Abramovich@gmail.com
Email
pinsk.sto@gmail.com
Email
sto.Polock@snabavto.by
Вал ГУР 50-3405047 БЗТДиА производства БЗТДиА (БЗТДиА), Код для заказа: 00-ГР042299
| Марка | Модель | Кат.номер | Наим. по каталогу | Чертеж | |
|---|---|---|---|---|---|
| КрАЗ | КрАЗ-260 | 260-3405047 | Трубка | Гидроусилитель рулевого управления (цилиндр силовой) | |
| КрАЗ | КрАЗ-6443 | 6437-3405047-10 | Трубка | Цилиндр силовой |
|
| КрАЗ | КрАЗ-6443 (каталог 2004 г) | 6437-3405047-10 | Трубка | Цилиндр силовой | |
| КрАЗ | КрАЗ-6322 (шасси) (2005) | 6437-3405047-10 | Трубка | Цилиндр силовой |
|
| МТЗ | МТЗ-80 (1998) | 50-3405047 | Вал | Гидроусилитель рулевого управления | |
| МТЗ | МТЗ-80 (2002) (2002) | 50-3405047 | Вал | 3407 Гидроагрегаты и армаура ГУР |
|
| МТЗ | МТЗ-90/92 (2008) | 50-3405047 | Вал | Гидроагрегаты и арматура ГУР |
|
| МТЗ | МТЗ-510/512, 520/522 (2010) | 50-3405047 | Вал | Гидроагрегаты и арматура ГУР |
|
| МТЗ | МТЗ-80.1 (2015) | 50-3405047 | Вал | Гидроагрегаты и арматура ГУР |
|
| МоАЗ | 6014 (2002) | 546-3405047-А | Втулка | Бустеры 546П-3405005-А1, 546П-3405006-А1 |
|
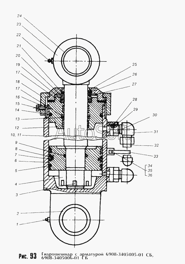
| МоАЗ | 40481 (2003) | 546-3405047-А | Втулка | Гидроцилиндр с арматурой 6908-3405005-01 СБ, 6908-3405006-01 СБ |
|
| МоАЗ | 40481 (2003) | 546-3405047-А | Втулка | Гидроцилиндр с арматурой 6908-3405005-01 |
|
| МоАЗ | 40484-21 | 546-3405047-А | Втулка | Гидроцилиндр с арматурой | |
| Склад | Адрес | Контакт | Остатки | |
|---|---|---|---|---|
| г. Полоцк-2 | ул. Шенягина, 52 | +375 (29) 302-94-73 |
( Мало )
|
Схема проезда |
| г. Барановичи | ул. Бадака, 27Б | +375 (29) 350-33-47 |
Под заказ
|
Схема проезда |
| г. Барановичи | ул. Пролетарская, 40 | +375 (29) 795-96-37 |
Под заказ
|
Схема проезда |
| г. Берёза | ул. Красноармейская, 89/11 | +375 (29) 676-70-71 |
Под заказ
|
Схема проезда |
| г. Березино | ул. Комсомольская, д. 24 | +375 (44) 770-80-17 |
Под заказ
|
Схема проезда |
| г. Бобруйск | ул. Орловского, 22к3 | +375 (29) 345-37-07 |
Под заказ
|
Схема проезда |
| г. Бобруйск | ул. Гоголя, 181/1-6 | +375 (29) 630-05-01 |
Под заказ
|
Схема проезда |
| г. Борисов | ул. Демина, 2а | +375 (44) 560-99-75 |
Под заказ
|
Схема проезда |
| г. Брест | Тельминский с/с, 1Д/1, 1 км южнее д. Тельмы-2 | +375 (44) 599-90-75 |
Под заказ
|
Схема проезда |
| г. Витебск | ул. Правды, 33 | +375 (44) 770-80-87 |
Под заказ
|
Схема проезда |
| г. Витебск | ул. Петруся Бровки, 34 | +375 (29) 636-25-08 |
Под заказ
|
Схема проезда |
| г. Волковыск | ул. Жолудева, 74Д-2 | +375 (44) 786-00-40 |
Под заказ
|
Схема проезда |
| г. Глубокое | ул. Энгельса, 22 | +375 (44) 505-71-40 |
Под заказ
|
Схема проезда |
| г. Гомель | ул. Барыкина, 291Б | +375 (44) 514-15-30 |
Под заказ
|
Схема проезда |
| г. Гомель | ул. Текстильная, 10 | +375 (44) 540-02-05 |
Под заказ
|
Схема проезда |
| г. Горки | ул.Мира, д.51а/1 | +375 (44) 565-33-61 |
Под заказ
|
Схема проезда |
| г. Гродно | ул. Карского, 35 | +375 (44) 770-70-21 |
Под заказ
|
Схема проезда |
| г. Дрогичин | ул. Юбилейная, 42 | +375 (29) 682-17-13 |
Под заказ
|
Схема проезда |
| г. Дятлово | ул. Советская ,104 | +375 (29) 187-87-37 |
Под заказ
|
Схема проезда |
| г. Житковичи | ул. Комсомольская, 49 | +375 (29) 394-82-52 |
Под заказ
|
Схема проезда |
| г. Жлобин | ул. Козлова, 25 | +375 (29) 346-06-78 |
Под заказ
|
Схема проезда |
| г. Ивацевичи | ул. Загородная, 6А | +375 (29) 188-59-01 |
Под заказ
|
Схема проезда |
| г. Кобрин | ул. Пролетарская, 177А | +375 (44) 588-10-80 |
Под заказ
|
Схема проезда |
| г. Кричев | ул. Комсомольская, 126 | +375 (29) 628-88-42 |
Под заказ
|
Схема проезда |
| г. Лельчицы | ул. Советская, д.96/1 | +375 (29) 346-98-96 |
Под заказ
|
Схема проезда |
| г. Лепель | ул. Лобанка, 43 | +375 (44) 778-65-21 |
Под заказ
|
Схема проезда |
| г. Лида | ул. Качана, 7 | +375 (29) 612-60-61 |
Под заказ
|
Схема проезда |
| г. Лунинец | ул.Красная, 175а | +375 (44) 721-46-74 |
Под заказ
|
Схема проезда |
| г. Минск | ул. Бабушкина, 37 | +375 (29) 632-00-82 |
Под заказ
|
Схема проезда |
| г. Минск | ул. Селицкого, 21к | +375 (44) 770-80-78 |
Под заказ
|
Схема проезда |
| г. Могилев | ул. Габровская 11Б | +375 (29) 662-02-16 |
Под заказ
|
Схема проезда |
| г. Мозырь | промузел Козенки | +375 (44) 731-94-60 |
Под заказ
|
Схема проезда |
| г. Молодечно | ул. Галицкого, 14 | +375 (44) 567-28-47 |
Под заказ
|
Схема проезда |
| г. Несвиж | ул. Кутузова, 2 | +375 (29) 394-82-48 |
Под заказ
|
Схема проезда |
| г. Новогрудок | ул. Индустриальная, 3 | +375 (44) 729-39-19 |
Под заказ
|
Схема проезда |
| г. Орша | ул. Сергея Кирова, д. 34 | +375 (44) 583-91-42 |
Под заказ
|
Схема проезда |
| г. Осиповичи | ул. Короткая, 11 | +375 (29) 165-60-07 |
Под заказ
|
Схема проезда |
| г. Ошмяны | ул. Льнозоводская 3 | +375 (44) 770-80-91 |
Под заказ
|
Схема проезда |
| г. Петриков | ул. Первомайская, 124 | +375 (33) 660-06-75 |
Под заказ
|
Схема проезда |
| г. Пинск | ул. Калиновского 32 | +375 (44) 560-99-59 |
Под заказ
|
Схема проезда |
| г. Полоцк | ул. Пролетарская, 6 | +375 (29) 644-57-58 |
Под заказ
|
Схема проезда |
| г. Полоцк | ул. Строительная, 30Б | +375 (29) 302-97-91 |
Под заказ
|
Схема проезда |
| г. Поставы | ул. Советская, 69 | +375 (44) 770-80-13 |
Под заказ
|
Схема проезда |
| г. Пружаны | ул. Макаренко, 21 | +375 (29) 348-83-18 |
Под заказ
|
Схема проезда |
| г. Слоним | ул. Советская, 93а | +375 (29) 394-82-01 |
Под заказ
|
Схема проезда |
| г. Слуцк | ул. Тутаринова, 8 | +375 (29) 346-06-90 |
Под заказ
|
Схема проезда |
| г. Сморгонь | ул. Железнодорожная, 32 | +375 (29) 671-02-10 |
Под заказ
|
Схема проезда |
| г. Солигорск | Чижевичский сельсовет, 3Г | +375 (29) 899-58-52 |
Под заказ
|
Схема проезда |
| г. Столин | ул. Быковского, 29 | +375 (33) 304-54-36 |
Под заказ
|
Схема проезда |
| г. Щучин | ул. Советская, 39 | +375 (29) 177-29-70 |
Под заказ
|
Схема проезда |
Товары из этой категории
| Ремкомплект рулевой тяги МТЗ-80 | |
| Каталожный номер | 80-3007000 |
| Производитель |
|
| Код | 13382 |
| Доставка | по всей Беларуси |
| Доступность | остатки на филиалах |
| Остаток: г.Минск, ул.Селицкого 21к | В наличии |
| Склад | Адрес | Контакт | Остатки | |
|---|---|---|---|---|
| г. Минск | ул. Бабушкина, 37 | +375 (29) 632-00-82 |
( Средне )
|
Схема проезда |
| г. Минск | ул. Селицкого, 21к | +375 (44) 770-80-78 |
( Много )
|
Схема проезда |
| г. Барановичи | ул. Пролетарская, 40 | +375 (29) 795-96-37 |
( Средне )
|
Схема проезда |
| г. Барановичи | ул. Бадака, 27Б | +375 (29) 350-33-47 |
( Много )
|
Схема проезда |
| г. Березино | ул. Комсомольская, д. 24 | +375 (44) 770-80-17 |
( Средне )
|
Схема проезда |
| г. Берёза | ул. Красноармейская, 89/11 | +375 (29) 676-70-71 |
( Мало )
|
Схема проезда |
| г. Бобруйск | ул. Гоголя, 181/1-6 | +375 (29) 630-05-01 |
( Средне )
|
Схема проезда |
| г. Бобруйск | ул. Орловского, 22к3 | +375 (29) 345-37-07 |
( Средне )
|
Схема проезда |
| г. Борисов | ул. Демина, 2а | +375 (44) 560-99-75 |
( Средне )
|
Схема проезда |
| г. Витебск | ул. Правды, 33 | +375 (44) 770-80-87 |
( Средне )
|
Схема проезда |
| г. Волковыск | ул. Жолудева, 74Д-2 | +375 (44) 786-00-40 |
( Много )
|
Схема проезда |
| г. Глубокое | ул. Энгельса, 22 | +375 (44) 505-71-40 |
( Средне )
|
Схема проезда |
| г. Горки | ул.Мира, д.51а/1 | +375 (44) 565-33-61 |
( Средне )
|
Схема проезда |
| г. Гродно | ул. Карского, 35 | +375 (44) 770-70-21 |
( Средне )
|
Схема проезда |
| г. Дрогичин | ул. Юбилейная, 42 | +375 (29) 682-17-13 |
( Средне )
|
Схема проезда |
| г. Дятлово | ул. Советская ,104 | +375 (29) 187-87-37 |
( Средне )
|
Схема проезда |
| г. Житковичи | ул. Комсомольская, 49 | +375 (29) 394-82-52 |
( Много )
|
Схема проезда |
| г. Кобрин | ул. Пролетарская, 177А | +375 (44) 588-10-80 |
( Средне )
|
Схема проезда |
| г. Кричев | ул. Комсомольская, 126 | +375 (29) 628-88-42 |
( Много )
|
Схема проезда |
| г. Лельчицы | ул. Советская, д.96/1 | +375 (29) 346-98-96 |
( Средне )
|
Схема проезда |
| г. Лепель | ул. Лобанка, 43 | +375 (44) 778-65-21 |
( Много )
|
Схема проезда |
| г. Лунинец | ул.Красная, 175а | +375 (44) 721-46-74 |
( Средне )
|
Схема проезда |
| г. Молодечно | ул. Галицкого, 14 | +375 (44) 567-28-47 |
( Средне )
|
Схема проезда |
| г. Несвиж | ул. Кутузова, 2 | +375 (29) 394-82-48 |
( Много )
|
Схема проезда |
| г. Новогрудок | ул. Индустриальная, 3 | +375 (44) 729-39-19 |
( Средне )
|
Схема проезда |
| г. Орша | ул. Сергея Кирова, д. 34 | +375 (44) 583-91-42 |
( Средне )
|
Схема проезда |
| г. Осиповичи | ул. Короткая, 11 | +375 (29) 165-60-07 |
( Много )
|
Схема проезда |
| г. Ошмяны | ул. Льнозоводская 3 | +375 (44) 770-80-91 |
( Средне )
|
Схема проезда |
| г. Петриков | ул. Первомайская, 124 | +375 (33) 660-06-75 |
( Много )
|
Схема проезда |
| г. Пинск | ул. Калиновского 32 | +375 (44) 560-99-59 |
( Мало )
|
Схема проезда |
| г. Полоцк-2 | ул. Шенягина, 52 | +375 (29) 302-94-73 |
( Средне )
|
Схема проезда |
| г. Полоцк-2 | ул. Шенягина, 52 | +375 (29) 302-94-73 |
( Средне )
|
Схема проезда |
| г. Полоцк-2 | ул. Шенягина, 52 | +375 (29) 302-94-73 |
( Средне )
|
Схема проезда |
| г. Поставы | ул. Советская, 69 | +375 (44) 770-80-13 |
( Средне )
|
Схема проезда |
| г. Пружаны | ул. Макаренко, 21 | +375 (29) 348-83-18 |
( Много )
|
Схема проезда |
| г. Слоним | ул. Советская, 93а | +375 (29) 394-82-01 |
( Средне )
|
Схема проезда |
| г. Сморгонь | ул. Железнодорожная, 32 | +375 (29) 671-02-10 |
( Средне )
|
Схема проезда |
| г. Солигорск | Чижевичский сельсовет, 3Г | +375 (29) 899-58-52 |
( Средне )
|
Схема проезда |
| г. Щучин | ул. Советская, 39 | +375 (29) 177-29-70 |
( Средне )
|
Схема проезда |
| Насос дозатор | |
| Каталожный номер | Д160-14 20-02 |
| Производитель |
|
| Код | 29009 |
| Доставка | по всей Беларуси |
| Доступность | остатки на филиалах |
| Остаток: г.Минск, ул.Селицкого 21к | В наличии |
| Склад | Адрес | Контакт | Остатки | |
|---|---|---|---|---|
| г. Минск | ул. Селицкого, 21к | +375 (44) 770-80-78 |
( Мало )
|
Схема проезда |
| Ремкомплект рулевой тяги 1221-3007000 Руслан-Комплект | |
| Каталожный номер | РК 724 |
| Производитель |
|
| Код | 00-ГР032455 |
| Доставка | по всей Беларуси |
| Доступность | остатки на филиалах |
| Остаток: г.Минск, ул.Селицкого 21к | В наличии |
| Склад | Адрес | Контакт | Остатки | |
|---|---|---|---|---|
| г. Минск | ул. Селицкого, 21к | +375 (44) 770-80-78 |
( Много )
|
Схема проезда |
| г. Бобруйск | ул. Орловского, 22к3 | +375 (29) 345-37-07 |
( Средне )
|
Схема проезда |
| г. Глубокое | ул. Энгельса, 22 | +375 (44) 505-71-40 |
( Много )
|
Схема проезда |
| г. Жлобин | ул. Козлова, 25 | +375 (29) 346-06-78 |
( Средне )
|
Схема проезда |
| г. Ивацевичи | ул. Загородная, 6А | +375 (29) 188-59-01 |
( Средне )
|
Схема проезда |
| г. Орша | ул. Сергея Кирова, д. 34 | +375 (44) 583-91-42 |
( Средне )
|
Схема проезда |
| г. Осиповичи | ул. Короткая, 11 | +375 (29) 165-60-07 |
( Средне )
|
Схема проезда |
| г. Ошмяны | ул. Льнозоводская 3 | +375 (44) 770-80-91 |
( Средне )
|
Схема проезда |
| г. Петриков | ул. Первомайская, 124 | +375 (33) 660-06-75 |
( Средне )
|
Схема проезда |
| г. Пинск | ул. Калиновского 32 | +375 (44) 560-99-59 |
( Средне )
|
Схема проезда |
| г. Полоцк-2 | ул. Шенягина, 52 | +375 (29) 302-94-73 |
( Средне )
|
Схема проезда |
| г. Полоцк-2 | ул. Шенягина, 52 | +375 (29) 302-94-73 |
( Средне )
|
Схема проезда |
| г. Полоцк-2 | ул. Шенягина, 52 | +375 (29) 302-94-73 |
( Средне )
|
Схема проезда |
| г. Столин | ул. Быковского, 29 | +375 (33) 304-54-36 |
( Много )
|
Схема проезда |
| Насос дозатор Д160-14.20-02 AE АГРОТЭК | |
| Каталожный номер | Д160-14.20-02 AE |
| Производитель |
|
| Код | 00-ГР032369 |
| Доставка | по всей Беларуси |
| Доступность | остатки на филиалах |
| Остаток: г.Минск, ул.Селицкого 21к | В наличии |
| Склад | Адрес | Контакт | Остатки | |
|---|---|---|---|---|
| г. Минск | ул. Селицкого, 21к | +375 (44) 770-80-78 |
( Много )
|
Схема проезда |
| г. Глубокое | ул. Энгельса, 22 | +375 (44) 505-71-40 |
( Мало )
|
Схема проезда |
| г. Дятлово | ул. Советская ,104 | +375 (29) 187-87-37 |
( Мало )
|
Схема проезда |
| г. Ивацевичи | ул. Загородная, 6А | +375 (29) 188-59-01 |
( Мало )
|
Схема проезда |
| г. Кобрин | ул. Пролетарская, 177А | +375 (44) 588-10-80 |
( Мало )
|
Схема проезда |
| г. Могилев | ул. Габровская 11Б | +375 (29) 662-02-16 |
( Мало )
|
Схема проезда |
| г. Поставы | ул. Советская, 69 | +375 (44) 770-80-13 |
( Мало )
|
Схема проезда |
| г. Слоним | ул. Советская, 93а | +375 (29) 394-82-01 |
( Мало )
|
Схема проезда |
| г. Солигорск | Чижевичский сельсовет, 3Г | +375 (29) 899-58-52 |
( Мало )
|
Схема проезда |
| г. Столин | ул. Быковского, 29 | +375 (33) 304-54-36 |
( Мало )
|
Схема проезда |
| Шарнир 1220-3003020-А-01 (SP31520) левый в сборе FENOX | |
| Каталожный номер | SP31520 |
| Производитель |
|
| Код | 00-ГР025276 |
| Доставка | по всей Беларуси |
| Доступность | остатки на филиалах |
| Остаток | В наличии |
| Склад | Адрес | Контакт | Остатки | |
|---|---|---|---|---|
| г. Минск | ул. Бабушкина, 37 | +375 (29) 632-00-82 |
( Средне )
|
Схема проезда |
| г. Березино | ул. Комсомольская, д. 24 | +375 (44) 770-80-17 |
( Мало )
|
Схема проезда |
| г. Гомель | ул. Барыкина, 291Б | +375 (44) 514-15-30 |
( Мало )
|
Схема проезда |
| г. Ивацевичи | ул. Загородная, 6А | +375 (29) 188-59-01 |
( Мало )
|
Схема проезда |
| г. Молодечно | ул. Галицкого, 14 | +375 (44) 567-28-47 |
( Средне )
|
Схема проезда |
| г. Ошмяны | ул. Льнозоводская 3 | +375 (44) 770-80-91 |
( Мало )
|
Схема проезда |
| г. Петриков | ул. Первомайская, 124 | +375 (33) 660-06-75 |
( Мало )
|
Схема проезда |
| г. Полоцк-2 | ул. Шенягина, 52 | +375 (29) 302-94-73 |
( Мало )
|
Схема проезда |
| г. Солигорск | Чижевичский сельсовет, 3Г | +375 (29) 899-58-52 |
( Мало )
|
Схема проезда |
| Палец 102-3405103 (SP21102) ЗИП (L=133 под ШС-25) FENOX | |
| Каталожный номер | SP21102 |
| Производитель |
|
| Код | 00-ГР002042 |
| Доставка | по всей Беларуси |
| Доступность | остатки на филиалах |
| Остаток: г.Минск, ул.Селицкого 21к | В наличии |
| Склад | Адрес | Контакт | Остатки | |
|---|---|---|---|---|
| г. Минск | ул. Бабушкина, 37 | +375 (29) 632-00-82 |
( Много )
|
Схема проезда |
| г. Минск | ул. Селицкого, 21к | +375 (44) 770-80-78 |
( Мало )
|
Схема проезда |
| г. Бобруйск | ул. Орловского, 22к3 | +375 (29) 345-37-07 |
( Средне )
|
Схема проезда |
| г. Житковичи | ул. Комсомольская, 49 | +375 (29) 394-82-52 |
( Средне )
|
Схема проезда |
| г. Ивацевичи | ул. Загородная, 6А | +375 (29) 188-59-01 |
( Средне )
|
Схема проезда |
| г. Кричев | ул. Комсомольская, 126 | +375 (29) 628-88-42 |
( Мало )
|
Схема проезда |
| г. Лепель | ул. Лобанка, 43 | +375 (44) 778-65-21 |
( Средне )
|
Схема проезда |
| г. Лунинец | ул.Красная, 175а | +375 (44) 721-46-74 |
( Средне )
|
Схема проезда |
| г. Несвиж | ул. Кутузова, 2 | +375 (29) 394-82-48 |
( Средне )
|
Схема проезда |
| г. Осиповичи | ул. Короткая, 11 | +375 (29) 165-60-07 |
( Средне )
|
Схема проезда |
| г. Петриков | ул. Первомайская, 124 | +375 (33) 660-06-75 |
( Средне )
|
Схема проезда |
| г. Полоцк-2 | ул. Шенягина, 52 | +375 (29) 302-94-73 |
( Средне )
|
Схема проезда |
| г. Поставы | ул. Советская, 69 | +375 (44) 770-80-13 |
( Средне )
|
Схема проезда |
| г. Слоним | ул. Советская, 93а | +375 (29) 394-82-01 |
( Средне )
|
Схема проезда |
| Наконечник рулевой тяги правый | |
| Каталожный номер | А35.32.000 |
| Производитель |
|
| Код | 35326 |
| Доставка | по всей Беларуси |
| Доступность | остатки на филиалах |
| Остаток: г.Минск, ул.Селицкого 21к | В наличии |
| Склад | Адрес | Контакт | Остатки | |
|---|---|---|---|---|
| г. Минск | ул. Селицкого, 21к | +375 (44) 770-80-78 |
( Мало )
|
Схема проезда |
| Ремкомплект пальца г/ц (2 пальца без гайки) | |
| Каталожный номер | 102-3405103/ 102-3405103-Б |
| Производитель |
|
| Код | 00-ГР006479 |
| Доставка | по всей Беларуси |
| Доступность | остатки на филиалах |
| Остаток | В наличии |
| Склад | Адрес | Контакт | Остатки | |
|---|---|---|---|---|
| г. Несвиж | ул. Кутузова, 2 | +375 (29) 394-82-48 |
( Мало )
|
Схема проезда |
Политика обработки файлов cookie
На сайте snabavto.by используются файлы cookie для сбора обезличенной информации о пользователях. Это помогает нам анализировать статистику, совершенствовать сервис и делать его более удобным для вас. Подробнее о файлах cookie вы можете узнать в соответствующем разделе Политики обработки файлов cookie.
Ремавтоснаб