Республика Беларусь,
г. Минск, ул. Селицкого 21к - центральный склад
Пн-пт с 8:00 до 17:00
Меню
50-1602027 Упор
Наименование: Упор 50-1602027
Каталожный номер: 50-1602027
Производитель: RSTA
Код товара: 39226
Доставка: по всей Беларуси
Остаток: под заказ

Нашли не точность в описании товара? сообщить администратору.

+375 (44) 770-80-78 +375 (29) 747-80-78
* Выставить счет, получить техническую информацию и стоимость
Заказать деталь Онлайн
Описание
Наличие на филиалах
Применяемость
Заменить на СТО

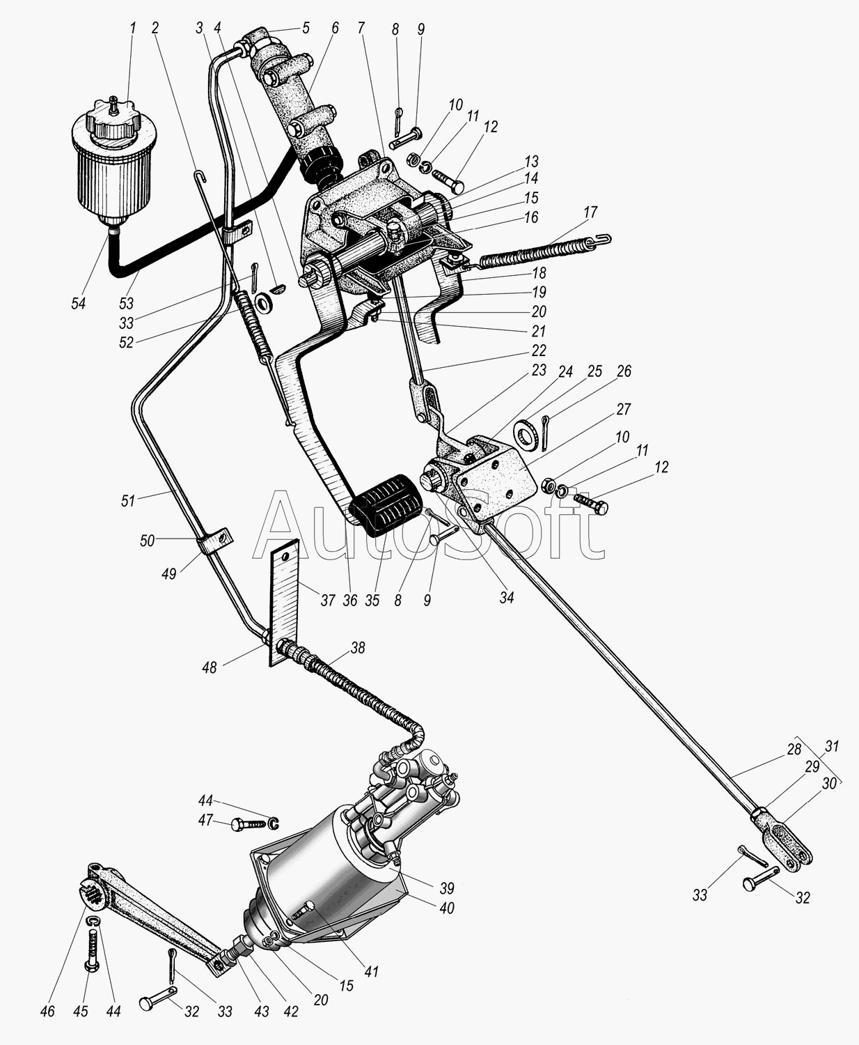
Упор 50-1602027, 50-1602027

  • Каталожный номер: 50-1602027
  • Код товара  для заказа:  39226
Марка Модель Кат.номер Наим. по каталогу Чертеж
ЗИЛ ЗИЛ-131 131-1602027 Крышка подшипника первичного вала с манжетой в сборе Раздаточная коробка
МТЗ МТЗ-80 (1998) 50-1602027 Упор Привод выключения сцепления Чертеж Привод выключения сцепления
МТЗ МТЗ-80 (1998) 50-1602027 Упор Привод выключения сцепления
МТЗ МТЗ-900 50-1602027 Упор Управление сцеплением
МТЗ МТЗ-1221 (1997) 50-1602027 Упор Управление сцеплением Чертеж Управление сцеплением
МТЗ МТЗ-1005 (2008) 50-1602027 Упор Управление сцеплением Чертеж Управление сцеплением
МТЗ МТЗ-80 (2002) (2002) 50-1602027 Упор 1602 Привод выключения сцепления Чертеж 1602 Привод выключения сцепления
МТЗ МТЗ-90/92 (2008) 50-1602027 Упор Управление сцеплением Чертеж Управление сцеплением
МТЗ МТЗ-80 (2009) (2009) 50-1602027 Упор Управление сцеплением Чертеж Управление сцеплением
МТЗ МТЗ-570 (2010) 50-1602027 Упор Управление сцеплением
МТЗ МТЗ-900/920/950/952 (2009) 50-1602027 Упор Управление сцеплением
МТЗ МТЗ-920.4/952.4 (2009) 50-1602027 Упор Управление сцеплением
МТЗ МТЗ-826 (2010) 50-1602027 Упор Управление сцеплением Чертеж Управление сцеплением
МТЗ МТЗ-1021.3 (2010) 50-1602027 Упор Управление сцеплением
МТЗ МТЗ-1025.4 (2009) 50-1602027 Упор Управление сцеплением Чертеж Управление сцеплением
МТЗ МТЗ-510/512, 520/522 (2010) 50-1602027 Упор Управление сцеплением Чертеж Управление сцеплением
МТЗ МТЗ-1221 (2009) (2009) 50-1602027 Упор Управление сцеплением («БЕЛАРУС-1221/1221.2/1221.3») Чертеж Управление сцеплением («БЕЛАРУС-1221/1221.2/1221.3»)
МТЗ 1220 (2011) 50-1602027 Упор Управление сцеплением Чертеж Управление сцеплением
Great Wall GW-Deer (2005) 1602027-E00 Release fork fastening clamp CLUTCH CONTROR MECHANISM
УралАЗ УРАЛ-55571-1121-70 (2011) 4320Я3-1602027 Кронштейн Привод педалей сцепления и тормоза Чертеж Привод педалей сцепления и тормоза
Товары из этой категории
Диск сцепления 85-1601130-01, ТМ 80-1601130-01 ТРАНСМАШ ТМ 80-1601130-01
Диск сцепления 85-1601130-01, ТМ 80-1601130-01 ТРАНСМАШ
Каталожный номер ТМ 80-1601130-01
Производитель ТРАНСМАШ ТРАНСМАШ
Код 00-ГР032787
Доставка по всей Беларуси
Доступность остатки на филиалах Остатки на филиалах
Остаток: г.Минск, ул.Селицкого 21к В наличии
Склад Адрес Контакт Остатки
г. Минск ул. Селицкого, 21к +375 (44) 770-80-78 ( Много )
Схема проезда
г. Барановичи ул. Пролетарская, 40 +375 (29) 795-96-37 ( Средне )
Схема проезда
г. Берёза ул. Красноармейская, 89/11 +375 (29) 676-70-71 ( Мало )
Схема проезда
г. Борисов ул. Демина, 2а +375 (44) 560-99-75 ( Средне )
Схема проезда
г. Дрогичин ул. Юбилейная, 42 +375 (29) 682-17-13 ( Средне )
Схема проезда
г. Жлобин ул. Козлова, 25 +375 (29) 346-06-78 ( Средне )
Схема проезда
г. Столин ул. Быковского, 29 +375 (33) 304-54-36 ( Мало )
Схема проезда
Вал привода ВОМ 70-1601021 Б
Вал привода ВОМ
Каталожный номер 70-1601021 Б
Производитель RSTA RSTA
Код 11556
Доставка по всей Беларуси
Доступность остатки на филиалах Остатки на филиалах
Остаток: г.Минск, ул.Селицкого 21к В наличии
Склад Адрес Контакт Остатки
г. Минск ул. Селицкого, 21к +375 (44) 770-80-78 ( Много )
Схема проезда
г. Дрогичин ул. Юбилейная, 42 +375 (29) 682-17-13 ( Мало )
Схема проезда
г. Ивацевичи ул. Загородная, 6А +375 (29) 188-59-01 ( Мало )
Схема проезда
г. Новогрудок ул. Индустриальная, 3 +375 (44) 729-39-19 ( Мало )
Схема проезда
г. Ошмяны ул. Льнозоводская 3 +375 (44) 770-80-91 ( Мало )
Схема проезда
г. Полоцк-2 ул. Шенягина, 52 +375 (29) 302-94-73 ( Мало )
Схема проезда
г. Пружаны ул. Макаренко, 21 +375 (29) 348-83-18 ( Мало )
Схема проезда
г. Столин ул. Быковского, 29 +375 (33) 304-54-36 ( Мало )
Схема проезда
Диск сцепления 85-1601090-В (PP60091) нажимной FENOX PP60091
Диск сцепления 85-1601090-В (PP60091) нажимной FENOX
Каталожный номер PP60091
Производитель FENOX FENOX
Код 00-ГР019464
Доставка по всей Беларуси
Доступность остатки на филиалах Остатки на филиалах
Остаток Под заказ
Диск сцепления фрикционный (ведомый) БЗТДиА 85-1601130-01
Диск сцепления фрикционный (ведомый) БЗТДиА
Каталожный номер 85-1601130-01
Производитель БЗТДиА БЗТДиА
Код 00-ГР005260
Доставка по всей Беларуси
Доступность остатки на филиалах Остатки на филиалах
Остаток: г.Минск, ул.Селицкого 21к В наличии
Склад Адрес Контакт Остатки
г. Минск ул. Селицкого, 21к +375 (44) 770-80-78 ( Много )
Схема проезда
г. Барановичи ул. Пролетарская, 40 +375 (29) 795-96-37 ( Мало )
Схема проезда
г. Березино ул. Комсомольская, д. 24 +375 (44) 770-80-17 ( Мало )
Схема проезда
г. Берёза ул. Красноармейская, 89/11 +375 (29) 676-70-71 ( Мало )
Схема проезда
г. Бобруйск ул. Орловского, 22к3 +375 (29) 345-37-07 ( Мало )
Схема проезда
г. Борисов ул. Демина, 2а +375 (44) 560-99-75 ( Средне )
Схема проезда
г. Брест Тельминский с/с, 1Д/1, 1 км южнее д. Тельмы-2 +375 (44) 599-90-75 ( Средне )
Схема проезда
г. Витебск ул. Правды, 33 +375 (44) 770-80-87 ( Средне )
Схема проезда
г. Глубокое ул. Энгельса, 22 +375 (44) 505-71-40 ( Средне )
Схема проезда
г. Гомель ул. Барыкина, 291Б +375 (44) 514-15-30 ( Мало )
Схема проезда
г. Горки ул.Мира, д.51а/1 +375 (44) 565-33-61 ( Средне )
Схема проезда
г. Гродно ул. Карского, 35 +375 (44) 770-70-21 ( Средне )
Схема проезда
г. Дрогичин ул. Юбилейная, 42 +375 (29) 682-17-13 ( Средне )
Схема проезда
г. Ивацевичи ул. Загородная, 6А +375 (29) 188-59-01 ( Много )
Схема проезда
г. Кричев ул. Комсомольская, 126 +375 (29) 628-88-42 ( Мало )
Схема проезда
г. Лельчицы ул. Советская, д.96/1 +375 (29) 346-98-96 ( Средне )
Схема проезда
г. Лепель ул. Лобанка, 43 +375 (44) 778-65-21 ( Средне )
Схема проезда
г. Лунинец ул.Красная, 175а +375 (44) 721-46-74 ( Мало )
Схема проезда
г. Могилев ул. Габровская 11Б +375 (29) 662-02-16 ( Мало )
Схема проезда
г. Мозырь промузел Козенки +375 (44) 731-94-60 ( Мало )
Схема проезда
г. Молодечно ул. Галицкого, 14 +375 (44) 567-28-47 ( Средне )
Схема проезда
г. Несвиж ул. Кутузова, 2 +375 (29) 394-82-48 ( Средне )
Схема проезда
г. Новогрудок ул. Индустриальная, 3 +375 (44) 729-39-19 ( Средне )
Схема проезда
г. Осиповичи ул. Короткая, 11 +375 (29) 165-60-07 ( Мало )
Схема проезда
г. Ошмяны ул. Льнозоводская 3 +375 (44) 770-80-91 ( Средне )
Схема проезда
г. Петриков ул. Первомайская, 124 +375 (33) 660-06-75 ( Мало )
Схема проезда
г. Пинск ул. Калиновского 32 +375 (44) 560-99-59 ( Средне )
Схема проезда
г. Полоцк-2 ул. Шенягина, 52 +375 (29) 302-94-73 ( Мало )
Схема проезда
г. Поставы ул. Советская, 69 +375 (44) 770-80-13 ( Средне )
Схема проезда
г. Пружаны ул. Макаренко, 21 +375 (29) 348-83-18 ( Средне )
Схема проезда
г. Слоним ул. Советская, 93а +375 (29) 394-82-01 ( Средне )
Схема проезда
г. Сморгонь ул. Железнодорожная, 32 +375 (29) 671-02-10 ( Мало )
Схема проезда
г. Солигорск Чижевичский сельсовет, 3Г +375 (29) 899-58-52 ( Мало )
Схема проезда
Масло моторное 10W-40 ROLF KRAFTON P5 U (20л.) 10W-40
Масло моторное 10W-40 ROLF KRAFTON P5 U (20л.)
Каталожный номер 10W-40
Производитель ROLF KRAFTON ROLF KRAFTON
Код 00-ГР037676
Доставка по всей Беларуси
Доступность остатки на филиалах Остатки на филиалах
Остаток В наличии
Склад Адрес Контакт Остатки
г. Борисов ул. Демина, 2а +375 (44) 560-99-75 ( Средне )
Схема проезда