Республика Беларусь,
г. Минск, ул. Селицкого 21к - центральный склад
Пн-пт с 8:00 до 17:00
Меню
861001 Угольник
Наименование: Угольник 861001
Каталожный номер: 861001
Производитель: КАМАЗ
Код товара: 00-ГР014139
Доставка: по всей Беларуси
Остаток: под заказ

Нашли не точность в описании товара? сообщить администратору.

+375 (44) 770-80-78 +375 (29) 747-80-78
* Выставить счет, получить техническую информацию и стоимость
Заказать деталь Онлайн
Описание
Наличие на филиалах
Применяемость
Заменить на СТО

Угольник КАМАЗ М12х14 ПГУ

Угольник 861001 производства КАМАЗ (РФ), Код для заказа: 00-ГР014139

Марка Модель Кат.номер Наим. по каталогу Чертеж
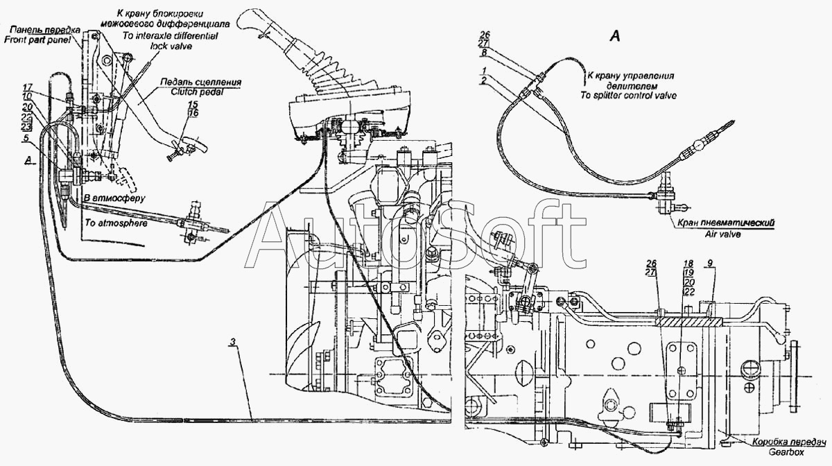
Камский автозавод 4310 861001 Угольник ввертный Педаль тормозная и привод Чертеж Педаль тормозная и привод
Камский автозавод 4310 861001 Угольник ввертный Установка и привод тормоза вспомогательного Чертеж Установка и привод тормоза вспомогательного
Камский автозавод 6460 861001 Угольник ввертный Установка пневмопривода управлением переключения передач Чертеж Установка пневмопривода управлением переключения передач
Камский автозавод 5297 (2004) 861001 Угольник ввертный Установка педали и привода выключения сцепления Чертеж Установка педали и привода выключения сцепления
Камский автозавод 5297 (2004) 861001 Угольник ввертный Установка регуляторов положения кузова
Камский автозавод 5297 (2004) 861001 Угольник ввертный Установка пневмотормозов Чертеж Установка пневмотормозов
Камский автозавод 43101 861001 Угольник ввертный Трубопроводы пневмопривода тормозных систем Чертеж Трубопроводы пневмопривода тормозных систем
Камский автозавод 43101 861001 Угольник ввертный Привод тормоза вспомогательного Чертеж Привод тормоза вспомогательного
Камский автозавод 4310 861001 Угольник ввертный Установка и привод тормоза вспомогательного Чертеж Установка и привод тормоза вспомогательного
Камский автозавод 5360 861001 Угольник ввертный Установка пневмопривода управлением переключения передач Чертеж Установка пневмопривода управлением переключения передач
Камский автозавод 6520 861001 Угольник ввертный Установка пневмопривода управлением переключения передач Чертеж Установка пневмопривода управлением переключения передач
Камский автозавод 6540 861001 Угольник ввертный Установка педали и привода выключения сцепления Чертеж Установка педали и привода выключения сцепления
Камский автозавод 5460 861001 Угольник ввертный Установка пневмопривода управлением переключения передач Чертеж Установка пневмопривода управлением переключения передач
Камский автозавод 43118 (2002) 861001 Угольник ввертный Установка педали и привода выключения Чертеж Установка педали и привода выключения
Камский автозавод 4308 (2004) 861001 Угольник ввертный Установка осушителя 4308-3500011-16 Чертеж Установка осушителя 4308-3500011-16
Камский автозавод 53228, 65111 (2004) 861001 Угольник ввертный Установка педали и привода выключения сцепления Чертеж Установка педали и привода выключения сцепления
Камский автозавод 53228, 65111 (2004) 861001 Угольник ввертный Установка педали и привода выключения сцепления Чертеж Установка педали и привода выключения сцепления
Камский автозавод 53228, 65111 (2004) 861001 Угольник ввертный Установка педали и привода выключения сцепления Чертеж Установка педали и привода выключения сцепления
Камский автозавод 6522 (2005) 861001 Угольник ввертный Установка пневмопривода управлением переключения передач Чертеж Установка пневмопривода управлением переключения передач
Камский автозавод 5460 (2005) 861001 Угольник ввертный Установка пневмопривода управлением переключения передач Чертеж Установка пневмопривода управлением переключения передач
Товары из этой категории
Муфта сцепления 000 034 HAMMER 8.9794
Муфта сцепления 000 034 HAMMER
Каталожный номер 8.9794
Производитель Автодизель Автодизель
Код 00-ГР019623
Доставка по всей Беларуси
Доступность остатки на филиалах Остатки на филиалах
Остаток Под заказ
Диск сцепления 14-1601130 ведомый ПРАМО 14-1601130
Диск сцепления 14-1601130 ведомый ПРАМО
Каталожный номер 14-1601130
Производитель ПРАМО ПРАМО
Код 00-ГР018148
Доставка по всей Беларуси
Доступность остатки на филиалах Остатки на филиалах
Остаток: г.Минск, ул.Селицкого 21к В наличии
Склад Адрес Контакт Остатки
г. Минск ул. Селицкого, 21к +375 (44) 770-80-78 ( Много )
Схема проезда
г. Борисов ул. Демина, 2а +375 (44) 560-99-75 ( Мало )
Схема проезда
г. Витебск ул. Правды, 33 +375 (44) 770-80-87 ( Мало )
Схема проезда
г. Витебск ул. Петруся Бровки, 34 +375 (29) 636-25-08 ( Средне )
Схема проезда
г. Гомель ул. Барыкина, 291Б +375 (44) 514-15-30 ( Средне )
Схема проезда
г. Молодечно ул. Галицкого, 14 +375 (44) 567-28-47 ( Мало )
Схема проезда
г. Слоним ул. Советская, 93а +375 (29) 394-82-01 ( Мало )
Схема проезда
Ремкомплект главного цилиндра сцепления 5320-1602310
Ремкомплект главного цилиндра сцепления
Каталожный номер 5320-1602310
Производитель RSTA RSTA
Код 14560
Доставка по всей Беларуси
Доступность остатки на филиалах Остатки на филиалах
Остаток: г.Минск, ул.Селицкого 21к В наличии
Склад Адрес Контакт Остатки
г. Минск ул. Селицкого, 21к +375 (44) 770-80-78 ( Средне )
Схема проезда
г. Барановичи ул. Пролетарская, 40 +375 (29) 795-96-37 ( Мало )
Схема проезда
г. Бобруйск ул. Орловского, 22к3 +375 (29) 345-37-07 ( Мало )
Схема проезда
г. Дрогичин ул. Юбилейная, 42 +375 (29) 682-17-13 ( Мало )
Схема проезда
г. Кобрин ул. Пролетарская, 177А +375 (44) 588-10-80 ( Мало )
Схема проезда
г. Щучин ул. Советская, 39 +375 (29) 177-29-70 ( Мало )
Схема проезда
Ремкомплект ПГУ РТИ 5320-1609510РК
Ремкомплект ПГУ РТИ
Каталожный номер 5320-1609510РК
Производитель Резинотехника Резинотехника
Код 16471
Доставка по всей Беларуси
Доступность остатки на филиалах Остатки на филиалах
Остаток: г.Минск, ул.Селицкого 21к В наличии
Склад Адрес Контакт Остатки
г. Минск ул. Селицкого, 21к +375 (44) 770-80-78 ( Много )
Схема проезда
г. Барановичи ул. Пролетарская, 40 +375 (29) 795-96-37 ( Мало )
Схема проезда
г. Бобруйск ул. Гоголя, 181/1-6 +375 (29) 630-05-01 ( Мало )
Схема проезда
г. Бобруйск ул. Орловского, 22к3 +375 (29) 345-37-07 ( Мало )
Схема проезда
г. Борисов ул. Демина, 2а +375 (44) 560-99-75 ( Мало )
Схема проезда
г. Гомель ул. Барыкина, 291Б +375 (44) 514-15-30 ( Мало )
Схема проезда
г. Горки ул.Мира, д.51а/1 +375 (44) 565-33-61 ( Мало )
Схема проезда
г. Дрогичин ул. Юбилейная, 42 +375 (29) 682-17-13 ( Мало )
Схема проезда
г. Кобрин ул. Пролетарская, 177А +375 (44) 588-10-80 ( Мало )
Схема проезда
г. Лунинец ул.Красная, 175а +375 (44) 721-46-74 ( Мало )
Схема проезда
г. Орша ул. Сергея Кирова, д. 34 +375 (44) 583-91-42 ( Мало )
Схема проезда
г. Осиповичи ул. Короткая, 11 +375 (29) 165-60-07 ( Мало )
Схема проезда
г. Ошмяны ул. Льнозоводская 3 +375 (44) 770-80-91 ( Мало )
Схема проезда
г. Полоцк-2 ул. Шенягина, 52 +375 (29) 302-94-73 ( Мало )
Схема проезда
Шланг ПГУ 5320-1602590
Шланг ПГУ
Каталожный номер 5320-1602590
Производитель RSTA RSTA
Код 11367
Доставка по всей Беларуси
Доступность остатки на филиалах Остатки на филиалах
Остаток: г.Минск, ул.Селицкого 21к В наличии
Склад Адрес Контакт Остатки
г. Минск ул. Селицкого, 21к +375 (44) 770-80-78 ( Средне )
Схема проезда
г. Бобруйск ул. Орловского, 22к3 +375 (29) 345-37-07 ( Мало )
Схема проезда
г. Витебск ул. Петруся Бровки, 34 +375 (29) 636-25-08 ( Мало )
Схема проезда
г. Горки ул.Мира, д.51а/1 +375 (44) 565-33-61 ( Мало )
Схема проезда
г. Дрогичин ул. Юбилейная, 42 +375 (29) 682-17-13 ( Мало )
Схема проезда
г. Кричев ул. Комсомольская, 126 +375 (29) 628-88-42 ( Мало )
Схема проезда
г. Ошмяны ул. Льнозоводская 3 +375 (44) 770-80-91 ( Средне )
Схема проезда