Республика Беларусь,
г. Минск, ул. Селицкого 21к - центральный склад
Пн-пт с 8:00 до 17:00
Меню
3302-1602290 Цилиндр сцепления главный привода ГАЗ
Наименование: Цилиндр сцепления 3302-1602290 главный привода ГАЗ
Каталожный номер: 3302-1602290
Производитель: ГАЗ
Код товара: 6499
Доставка: по всей Беларуси
Остаток: под заказ

Нашли не точность в описании товара? сообщить администратору.

+375 (44) 770-80-78 +375 (29) 747-80-78
* Выставить счет, получить техническую информацию и стоимость
Заказать деталь Онлайн
Описание
Наличие на филиалах
Применяемость
Заменить на СТО

Волга d=10

Код для заказа: 6499

Марка Модель Кат.номер Наим. по каталогу Чертеж
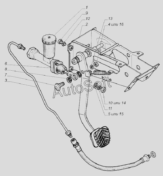
ГАЗ ГАЗ-3302 (ГАЗель) 4301-1602290 Главный цилиндр привода выключения сцепления Цилиндр выключения сцепления, усилитель вакуумный с главным цилиндром тормозов и их приводы Чертеж Цилиндр выключения сцепления, усилитель вакуумный с главным цилиндром тормозов и их приводы
ГАЗ ГАЗ-3302 (2004) (2004) 4301-1602290 Главный цилиндр привода выключения сцепления Главный и рабочий цилиндр привода выключения сцепления, усилитель Чертеж Главный и рабочий цилиндр привода выключения сцепления, усилитель
ГАЗ ГАЗ-2705 (дв. ЗМЗ-402) (2006) 3302-1602293 Штуцер Детали главного и рабочего цилиндров привода включения сцепления: I-для цилиндра 4301-1602290, II-для цилиндра 3302-1602290
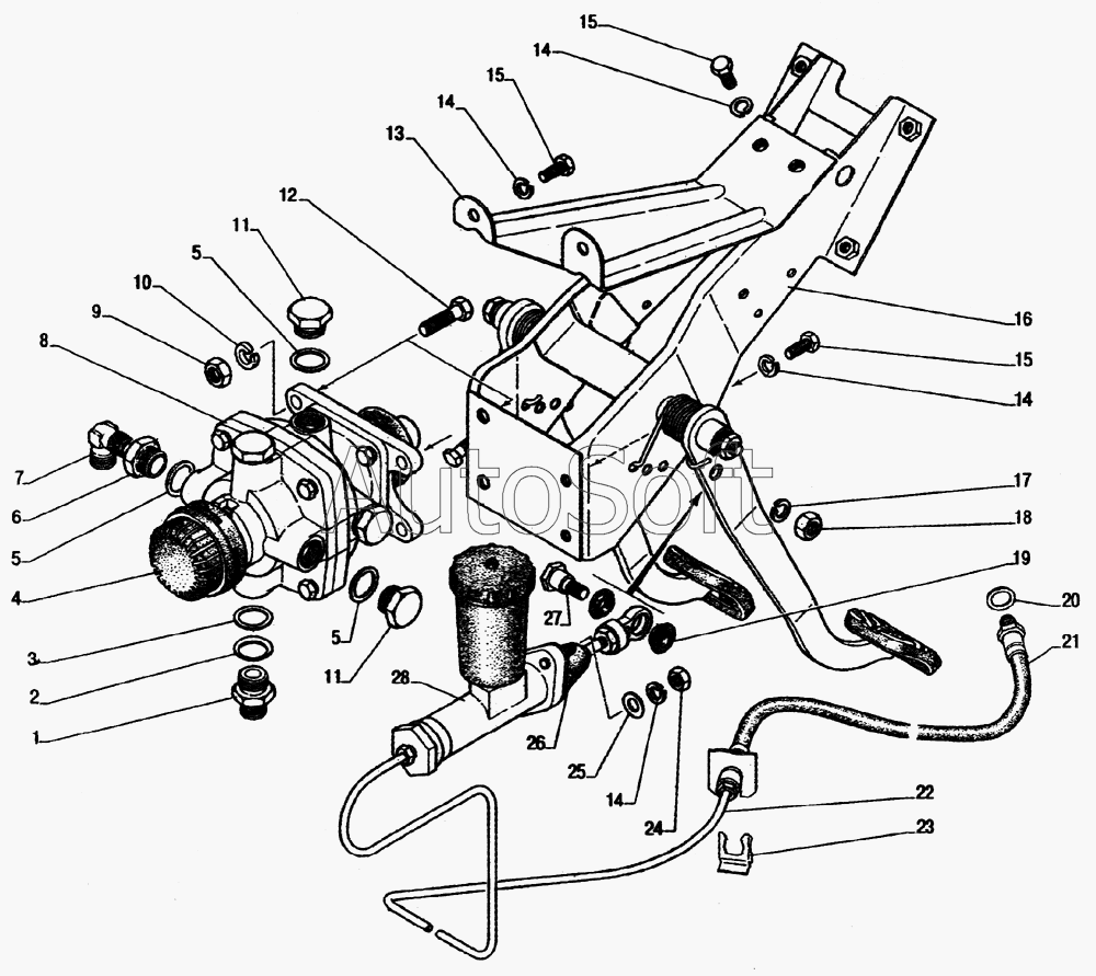
ГАЗ ГАЗ-33104 Валдай (2006) 3302-1602290 Главный цилиндр привода сцепления Установка привода сцепления и тормоза Чертеж Установка привода сцепления и тормоза
ГАЗ ГАЗ-33104 Валдай (2006) 3302-1602290 Главный цилиндр привода сцепления Детали главного и рабочего цилиндров привода выключения сцепления Чертеж Детали главного и рабочего цилиндров привода выключения сцепления
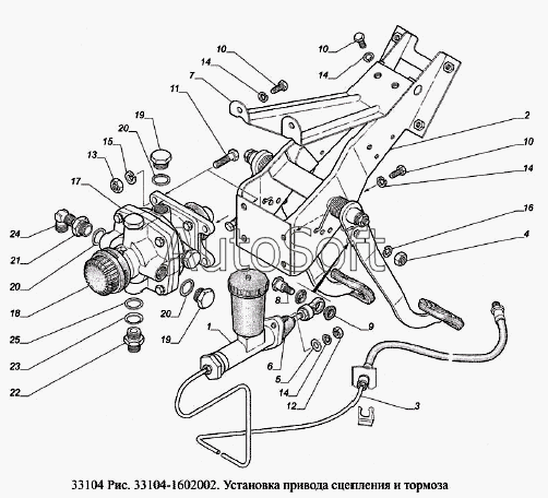
ГАЗ ГАЗ-3221 (Уст. АБС 8.1) (2008) 3302-1602290 Главный цилиндр привода сцепления 33023-1602002. Установка привода сцепления и тормоза Чертеж 33023-1602002. Установка привода сцепления и тормоза
ГАЗ ГАЗ-3309 (Евро 2) (2008) 3302-1602290 Главный цилиндр привода сцепления Установка привода сцепления Чертеж Установка привода сцепления
ГАЗ ГАЗ-3309 (Евро 2) (2008) 3302-1602290 Главный цилиндр привода сцепления Установка привода сцепления Чертеж Установка привода сцепления
ГАЗ ГАЗ-33104 Валдай Евро 3 (2008) 3302-1602290 Главный цилиндр привода сцепления Установка привода сцепления и тормоза Чертеж Установка привода сцепления и тормоза
ГАЗ ГАЗ-33106 Евро 3 (2015) 3302-1602290 Главный цилиндр привода сцепления Установка привода сцепления и тормоза 33106-1602002 Чертеж Установка привода сцепления и тормоза 33106-1602002
ГАЗ ГАЗ-31105 (дополнение) (2005) 3302-1602290 Главный цилиндр привода сцепления Установка привода сцепления, главный цилиндр Чертеж Установка привода сцепления, главный цилиндр
ГАЗ ГАЗ-33081 (2008) 3302-1602290 Главный цилиндр привода сцепления 3309-1602002. Установка привода сцепления Чертеж 3309-1602002. Установка привода сцепления
ГАЗ ГАЗ-33081 (2008) 3302-1602375 Отражатель бачка главного цилиндра сцепления 3302-1602290. Цилиндр главный привода сцепления Чертеж 3302-1602290. Цилиндр главный привода сцепления
ГАЗ ГАЗ-33081 (2008) 3302-1602293 Штуцер 3302-1602290. Цилиндр главный привода сцепления Чертеж 3302-1602290. Цилиндр главный привода сцепления
ГАЗ ГАЗ-33081 (2008) 3302-1602323-01 Крышка бачка 3302-1602290. Цилиндр главный привода сцепления Чертеж 3302-1602290. Цилиндр главный привода сцепления
ЗМЗ ЗМЗ-402 (2006) 3302-1602293 Штуцер Детали главного и рабочего цилиндров привода включения сцепления: I-для цилиндра 4301-1602290, II-для цилиндра 3302-1602290 Чертеж Детали главного и рабочего цилиндров привода включения сцепления: I-для цилиндра 4301-1602290, II-для цилиндра 3302-1602290
Аналоги
Цилиндр сцепления 3302-1602290 главный ЗавГар 3302-1602290
Цилиндр сцепления 3302-1602290 главный ЗавГар
Каталожный номер 3302-1602290
Производитель ЗавГар ЗавГар
Код 00-ГР039900
Доставка по всей Беларуси
Доступность остатки на филиалах Остатки на филиалах
Остаток: г.Минск, ул.Селицкого 21к В наличии
Склад Адрес Контакт Остатки
г. Минск ул. Селицкого, 21к +375 (44) 770-80-78 ( Средне )
Схема проезда
г. Гродно ул. Карского, 35 +375 (44) 770-70-21 ( Средне )
Схема проезда
г. Дятлово ул. Советская ,104 +375 (29) 187-87-37 ( Мало )
Схема проезда
г. Полоцк-2 ул. Шенягина, 52 +375 (29) 302-94-73 ( Мало )
Схема проезда
г. Слоним ул. Советская, 93а +375 (29) 394-82-01 ( Средне )
Схема проезда
Цилиндр сцепления главный привода 3302-1602290
Цилиндр сцепления главный привода
Каталожный номер 3302-1602290
Производитель Автомагнат Автомагнат
Код 26670
Доставка по всей Беларуси
Доступность остатки на филиалах Остатки на филиалах
Остаток: г.Минск, ул.Селицкого 21к В наличии
Склад Адрес Контакт Остатки
г. Минск ул. Селицкого, 21к +375 (44) 770-80-78 ( Средне )
Схема проезда
г. Барановичи ул. Пролетарская, 40 +375 (29) 795-96-37 ( Мало )
Схема проезда
г. Барановичи ул. Бадака, 27Б +375 (29) 350-33-47 ( Мало )
Схема проезда
г. Бобруйск ул. Гоголя, 181/1-6 +375 (29) 630-05-01 ( Средне )
Схема проезда
г. Борисов ул. Демина, 2а +375 (44) 560-99-75 ( Мало )
Схема проезда
г. Витебск ул. Правды, 33 +375 (44) 770-80-87 ( Средне )
Схема проезда
г. Глубокое ул. Энгельса, 22 +375 (44) 505-71-40 ( Мало )
Схема проезда
г. Гомель ул. Барыкина, 291Б +375 (44) 514-15-30 ( Мало )
Схема проезда
г. Гродно ул. Карского, 35 +375 (44) 770-70-21 ( Средне )
Схема проезда
г. Лельчицы ул. Советская, д.96/1 +375 (29) 346-98-96 ( Средне )
Схема проезда
г. Лунинец ул.Красная, 175а +375 (44) 721-46-74 ( Средне )
Схема проезда
г. Молодечно ул. Галицкого, 14 +375 (44) 567-28-47 ( Мало )
Схема проезда
г. Орша ул. Сергея Кирова, д. 34 +375 (44) 583-91-42 ( Средне )
Схема проезда
г. Ошмяны ул. Льнозоводская 3 +375 (44) 770-80-91 ( Мало )
Схема проезда
г. Петриков ул. Первомайская, 124 +375 (33) 660-06-75 ( Мало )
Схема проезда
г. Полоцк-2 ул. Шенягина, 52 +375 (29) 302-94-73 ( Мало )
Схема проезда
г. Поставы ул. Советская, 69 +375 (44) 770-80-13 ( Мало )
Схема проезда
г. Пружаны ул. Макаренко, 21 +375 (29) 348-83-18 ( Мало )
Схема проезда
г. Слоним ул. Советская, 93а +375 (29) 394-82-01 ( Средне )
Схема проезда
г. Сморгонь ул. Железнодорожная, 32 +375 (29) 671-02-10 ( Мало )
Схема проезда
г. Солигорск Чижевичский сельсовет, 3Г +375 (29) 899-58-52 ( Мало )
Схема проезда
г. Щучин ул. Советская, 39 +375 (29) 177-29-70 ( Мало )
Схема проезда
Товары из этой категории
Рычаг регулировочный 64221-3501236 (прямой, широкий шлиц) (00) 64221-3501236
Рычаг регулировочный 64221-3501236 (прямой, широкий шлиц) (00)
Каталожный номер 64221-3501236
Производитель ZHEJIANG YUEAN TECHNOLOGY ZHEJIANG YUEAN TECHNOLOGY
Код 00-ГР012616
Доставка по всей Беларуси
Доступность остатки на филиалах Остатки на филиалах
Остаток: г.Минск, ул.Селицкого 21к В наличии
Склад Адрес Контакт Остатки
г. Минск ул. Селицкого, 21к +375 (44) 770-80-78 ( Много )
Схема проезда
г. Барановичи ул. Пролетарская, 40 +375 (29) 795-96-37 ( Средне )
Схема проезда
г. Барановичи ул. Бадака, 27Б +375 (29) 350-33-47 ( Средне )
Схема проезда
г. Березино ул. Комсомольская, д. 24 +375 (44) 770-80-17 ( Средне )
Схема проезда
г. Бобруйск ул. Гоголя, 181/1-6 +375 (29) 630-05-01 ( Мало )
Схема проезда
г. Бобруйск ул. Орловского, 22к3 +375 (29) 345-37-07 ( Мало )
Схема проезда
г. Борисов ул. Демина, 2а +375 (44) 560-99-75 ( Средне )
Схема проезда
г. Брест Тельминский с/с, 1Д/1, 1 км южнее д. Тельмы-2 +375 (44) 599-90-75 ( Средне )
Схема проезда
г. Витебск ул. Правды, 33 +375 (44) 770-80-87 ( Средне )
Схема проезда
г. Витебск ул. Петруся Бровки, 34 +375 (29) 636-25-08 ( Средне )
Схема проезда
г. Глубокое ул. Энгельса, 22 +375 (44) 505-71-40 ( Средне )
Схема проезда
г. Гомель ул. Барыкина, 291Б +375 (44) 514-15-30 ( Средне )
Схема проезда
г. Гомель ул. Барыкина, 291Б +375 (44) 514-15-30 ( Средне )
Схема проезда
г. Горки ул.Мира, д.51а/1 +375 (44) 565-33-61 ( Средне )
Схема проезда
г. Житковичи ул. Комсомольская, 49 +375 (29) 394-82-52 ( Средне )
Схема проезда
г. Жлобин ул. Козлова, 25 +375 (29) 346-06-78 ( Средне )
Схема проезда
г. Ивацевичи ул. Загородная, 6А +375 (29) 188-59-01 ( Средне )
Схема проезда
г. Кричев ул. Комсомольская, 126 +375 (29) 628-88-42 ( Средне )
Схема проезда
г. Лунинец ул.Красная, 175а +375 (44) 721-46-74 ( Много )
Схема проезда
г. Могилев ул. Габровская 11Б +375 (29) 662-02-16 ( Средне )
Схема проезда
г. Мозырь промузел Козенки +375 (44) 731-94-60 ( Средне )
Схема проезда
г. Молодечно ул. Галицкого, 14 +375 (44) 567-28-47 ( Средне )
Схема проезда
г. Несвиж ул. Кутузова, 2 +375 (29) 394-82-48 ( Средне )
Схема проезда
г. Новогрудок ул. Индустриальная, 3 +375 (44) 729-39-19 ( Средне )
Схема проезда
г. Осиповичи ул. Короткая, 11 +375 (29) 165-60-07 ( Средне )
Схема проезда
г. Петриков ул. Первомайская, 124 +375 (33) 660-06-75 ( Средне )
Схема проезда
г. Пинск ул. Калиновского 32 +375 (44) 560-99-59 ( Средне )
Схема проезда
г. Полоцк-2 ул. Шенягина, 52 +375 (29) 302-94-73 ( Мало )
Схема проезда
г. Полоцк-2 ул. Шенягина, 52 +375 (29) 302-94-73 ( Средне )
Схема проезда
г. Полоцк-2 ул. Шенягина, 52 +375 (29) 302-94-73 ( Средне )
Схема проезда
г. Поставы ул. Советская, 69 +375 (44) 770-80-13 ( Средне )
Схема проезда
г. Пружаны ул. Макаренко, 21 +375 (29) 348-83-18 ( Средне )
Схема проезда
г. Слоним ул. Советская, 93а +375 (29) 394-82-01 ( Средне )
Схема проезда
г. Слуцк ул. Тутаринова, 8 +375 (29) 346-06-90 ( Средне )
Схема проезда
г. Щучин ул. Советская, 39 +375 (29) 177-29-70 ( Средне )
Схема проезда
Рычаг регулировочный 54321-3502135 автомат (левый, эвольв. шлиц) ПРАМО 54321-3502135
Рычаг регулировочный 54321-3502135 автомат (левый, эвольв. шлиц) ПРАМО
Каталожный номер 54321-3502135
Производитель ПРАМО ПРАМО
Код 00-ГР021313
Доставка по всей Беларуси
Доступность остатки на филиалах Остатки на филиалах
Остаток: г.Минск, ул.Селицкого 21к В наличии
Склад Адрес Контакт Остатки
г. Минск ул. Селицкого, 21к +375 (44) 770-80-78 ( Много )
Схема проезда
г. Барановичи ул. Бадака, 27Б +375 (29) 350-33-47 ( Мало )
Схема проезда
г. Бобруйск ул. Орловского, 22к3 +375 (29) 345-37-07 ( Мало )
Схема проезда
г. Борисов ул. Демина, 2а +375 (44) 560-99-75 ( Мало )
Схема проезда
г. Витебск ул. Правды, 33 +375 (44) 770-80-87 ( Средне )
Схема проезда
г. Витебск ул. Петруся Бровки, 34 +375 (29) 636-25-08 ( Мало )
Схема проезда
г. Глубокое ул. Энгельса, 22 +375 (44) 505-71-40 ( Средне )
Схема проезда
г. Житковичи ул. Комсомольская, 49 +375 (29) 394-82-52 ( Средне )
Схема проезда
г. Жлобин ул. Козлова, 25 +375 (29) 346-06-78 ( Средне )
Схема проезда
г. Ивацевичи ул. Загородная, 6А +375 (29) 188-59-01 ( Мало )
Схема проезда
г. Кобрин ул. Пролетарская, 177А +375 (44) 588-10-80 ( Средне )
Схема проезда
г. Лельчицы ул. Советская, д.96/1 +375 (29) 346-98-96 ( Средне )
Схема проезда
г. Могилев ул. Габровская 11Б +375 (29) 662-02-16 ( Мало )
Схема проезда
г. Молодечно ул. Галицкого, 14 +375 (44) 567-28-47 ( Мало )
Схема проезда
г. Орша ул. Сергея Кирова, д. 34 +375 (44) 583-91-42 ( Мало )
Схема проезда
г. Осиповичи ул. Короткая, 11 +375 (29) 165-60-07 ( Средне )
Схема проезда
г. Полоцк-2 ул. Шенягина, 52 +375 (29) 302-94-73 ( Средне )
Схема проезда
г. Полоцк-2 ул. Шенягина, 52 +375 (29) 302-94-73 ( Мало )
Схема проезда
г. Пружаны ул. Макаренко, 21 +375 (29) 348-83-18 ( Средне )
Схема проезда
г. Слоним ул. Советская, 93а +375 (29) 394-82-01 ( Средне )
Схема проезда
г. Слуцк ул. Тутаринова, 8 +375 (29) 346-06-90 ( Средне )
Схема проезда
г. Сморгонь ул. Железнодорожная, 32 +375 (29) 671-02-10 ( Средне )
Схема проезда
г. Солигорск Чижевичский сельсовет, 3Г +375 (29) 899-58-52 ( Мало )
Схема проезда
г. Щучин ул. Советская, 39 +375 (29) 177-29-70 ( Средне )
Схема проезда
Колодка тормозная 54326-3501090 правая АТИ 54326-3501090
Колодка тормозная 54326-3501090 правая АТИ
Каталожный номер 54326-3501090
Производитель АТИ АТИ
Код 00-ГР016000
Доставка по всей Беларуси
Доступность остатки на филиалах Остатки на филиалах
Остаток В наличии
Склад Адрес Контакт Остатки
г. Барановичи ул. Бадака, 27Б +375 (29) 350-33-47 ( Мало )
Схема проезда
г. Брест Тельминский с/с, 1Д/1, 1 км южнее д. Тельмы-2 +375 (44) 599-90-75 ( Средне )
Схема проезда
Ролик 6430-3501107 ТАиМ 6430-3501107
Ролик 6430-3501107 ТАиМ
Каталожный номер 6430-3501107
Производитель Таим Таим
Код 7179
Доставка по всей Беларуси
Доступность остатки на филиалах Остатки на филиалах
Остаток: г.Минск, ул.Селицкого 21к В наличии
Склад Адрес Контакт Остатки
г. Минск ул. Селицкого, 21к +375 (44) 770-80-78 ( Средне )
Схема проезда
г. Барановичи ул. Пролетарская, 40 +375 (29) 795-96-37 ( Мало )
Схема проезда
г. Поставы ул. Советская, 69 +375 (44) 770-80-13 ( Средне )
Схема проезда
г. Столин ул. Быковского, 29 +375 (33) 304-54-36 ( Мало )
Схема проезда
Колодка тормозная 5440-3502090 задняя правая (220мм) ЗТМ 5440-3502090
Колодка тормозная 5440-3502090 задняя правая (220мм) ЗТМ
Каталожный номер 5440-3502090
Производитель ЗТМ ЗТМ
Код 00-ГР029832
Доставка по всей Беларуси
Доступность остатки на филиалах Остатки на филиалах
Остаток В наличии
Склад Адрес Контакт Остатки
г. Борисов ул. Демина, 2а +375 (44) 560-99-75 ( Средне )
Схема проезда
г. Витебск ул. Петруся Бровки, 34 +375 (29) 636-25-08 ( Мало )
Схема проезда
г. Дятлово ул. Советская ,104 +375 (29) 187-87-37 ( Средне )
Схема проезда
г. Осиповичи ул. Короткая, 11 +375 (29) 165-60-07 ( Мало )
Схема проезда
г. Пружаны ул. Макаренко, 21 +375 (29) 348-83-18 ( Средне )
Схема проезда
г. Солигорск Чижевичский сельсовет, 3Г +375 (29) 899-58-52 ( Мало )
Схема проезда