Республика Беларусь,
г. Минск, ул. Селицкого 21к - центральный склад
Пн-пт с 8:00 до 17:00
Меню
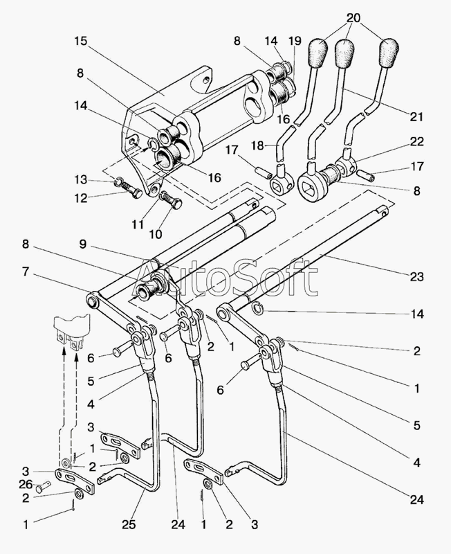
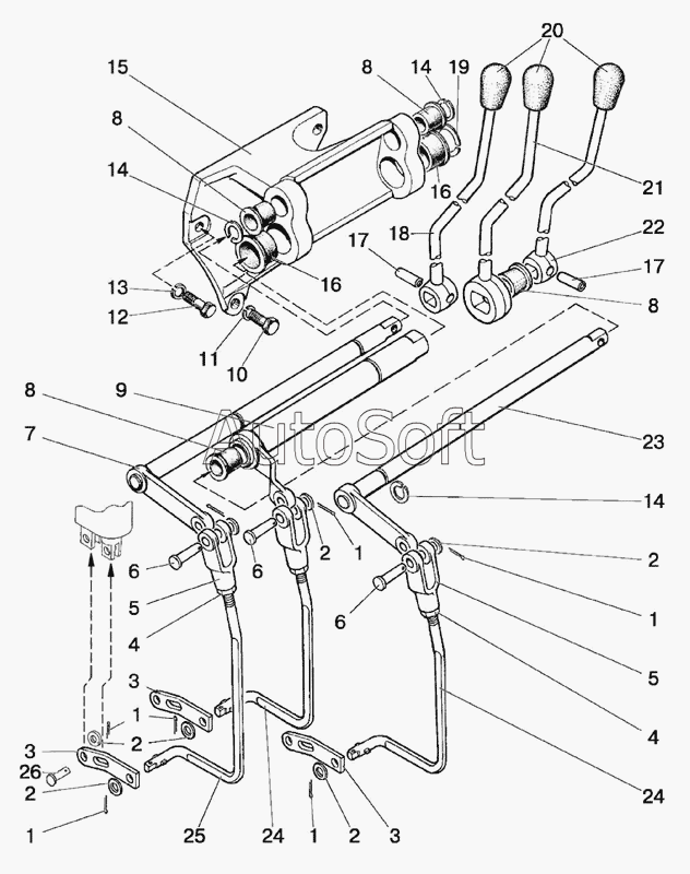
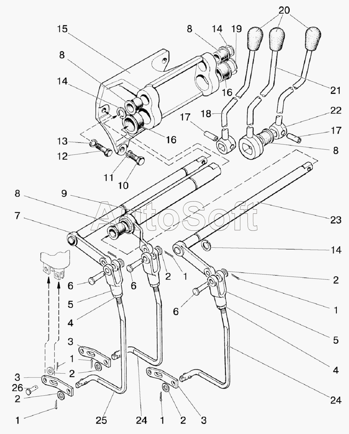
Р1221-4607261 Тяга МТЗ
Наименование: Тяга Р1221-4607261 МТЗ
Каталожный номер: Р1221-4607261
Производитель: МТЗ
Код товара: 00-ГР021553
Доставка: по всей Беларуси
Остаток: под заказ

Нашли не точность в описании товара? сообщить администратору.

+375 (44) 770-80-78 +375 (29) 747-80-78
* Выставить счет, получить техническую информацию и стоимость
Заказать деталь Онлайн
Описание
Наличие на филиалах
Применяемость
Заменить на СТО

Ширина, м: 0.02
Высота, м: 0.02
Длина, м: 0.2
Вес, кг: 0.1

Тяга Р1221-4607261 МТЗ производства МТЗ (МТЗ), Код для заказа: 00-ГР021553

Марка Модель Кат.номер Наим. по каталогу Чертеж
МТЗ МТЗ-80 (2009) (2009) Р1221-4607261-01 Тяга Управление гидрораспределителем РП70
МТЗ МТЗ-80 (2009) (2009) Р1221-4607261 Тяга Управление гидрораспределителем РП70
МТЗ МТЗ-570 (2010) Р1221-4607261 Тяга Управление гидрораспределителем РП 70
МТЗ МТЗ-900/920/950/952 (2009) Р1221-4607261 Тяга Управление гидрораспределителем RS 213 Mita, RS 213 Belarus, РП70 Чертеж Управление гидрораспределителем RS 213 Mita, RS 213 Belarus, РП70
МТЗ МТЗ-826 (2010) Р1221-4607261 Тяга Управление гидрораспределителем RS 213 Mita, RS 213 Belarus, РП70 Чертеж Управление гидрораспределителем RS 213 Mita, RS 213 Belarus, РП70
МТЗ МТЗ-1021.3 (2010) Р1221-4607261 Тяга Управление гидрораспределителем RS 213 Mita, РП 70
МТЗ МТЗ-1025.4 (2009) Р1221-4607261 Тяга Управление гидрораспределителем RS 213 Mita, RS 213 Belarus, РП70 Чертеж Управление гидрораспределителем RS 213 Mita, RS 213 Belarus, РП70
МТЗ МТЗ-1221 (2009) (2009) Р1221-4607261 Тяга Управление гидрораспределителем (РП70, Р80)
МТЗ МТЗ-1221 (2009) (2009) Р1221-4607261-01 Тяга Управление гидрораспределителем (РП70, Р80)
МТЗ 1220 (2011) Р1221-4607261 Тяга Управление гидрораспределителем (РП70, RS 213 Mita) Чертеж Управление гидрораспределителем (РП70, RS 213 Mita)
МТЗ 92П (2010) Р1221-4607261 Тяга Управление гидрораспределителем РП 70 Чертеж Управление гидрораспределителем РП 70
МТЗ 892 (2011) Р1221-4607261 Тяга Управление гидрораспределителем РП 70
МТЗ 1220.5 (2013) Р1221-4607261 Тяга Управление гидрораспределителем (РП70, RS 213 Mita)
МТЗ 80Х (2012) Р1221-4607261 Тяга Управление гидрораспределителем РП70
МТЗ МТЗ-80.1 (2015) Р1221-4607261 Тяга Управление гидрораспределителем RS 213 Belarus, РП 70
МТЗ 952.5 (2013) Р1221-4607261 Тяга Управление гидрораспределителем РП 70
МТЗ 1025/1025.2/1025.3 (2009) Р1221-4607261 Тяга Управление гидрораспределителем RS213 Mita, RS 213 Belarus, РП 70 (1025, 1025.3)
МТЗ 1025.5 (2013) Р1221-4607261 Тяга Управление гидрораспределителем РП 70 Чертеж Управление гидрораспределителем РП 70
МТЗ МТЗ-1221.5 (2013) Р1221-4607261 Тяга Управление гидрораспределителем (РП70, RS 213 Mita)
МТЗ МТЗ-1221.4 (2009) Р1221-4607261 Тяга Управление гидрораспределителем (РП70)
Товары из этой категории
Ось тяг нижней задней навески 70-4605026
Ось тяг нижней задней навески
Каталожный номер 70-4605026
Производитель RSTA RSTA
Код 11775
Доставка по всей Беларуси
Доступность остатки на филиалах Остатки на филиалах
Остаток: г.Минск, ул.Селицкого 21к В наличии
Склад Адрес Контакт Остатки
г. Минск ул. Селицкого, 21к +375 (44) 770-80-78 ( Много )
Схема проезда
г. Витебск ул. Правды, 33 +375 (44) 770-80-87 ( Мало )
Схема проезда
г. Горки ул.Мира, д.51а/1 +375 (44) 565-33-61 ( Мало )
Схема проезда
г. Дрогичин ул. Юбилейная, 42 +375 (29) 682-17-13 ( Мало )
Схема проезда
г. Лепель ул. Лобанка, 43 +375 (44) 778-65-21 ( Мало )
Схема проезда
г. Молодечно ул. Галицкого, 14 +375 (44) 567-28-47 ( Средне )
Схема проезда
г. Несвиж ул. Кутузова, 2 +375 (29) 394-82-48 ( Средне )
Схема проезда
г. Ошмяны ул. Льнозоводская 3 +375 (44) 770-80-91 ( Средне )
Схема проезда
г. Полоцк-2 ул. Шенягина, 52 +375 (29) 302-94-73 ( Средне )
Схема проезда
г. Поставы ул. Советская, 69 +375 (44) 770-80-13 ( Мало )
Схема проезда
г. Слоним ул. Советская, 93а +375 (29) 394-82-01 ( Средне )
Схема проезда
Раскос гидравлический регулируемый 80-4605150
Раскос гидравлический регулируемый
Каталожный номер 80-4605150
Производитель RSTA RSTA
Код 11770
Доставка по всей Беларуси
Доступность остатки на филиалах Остатки на филиалах
Остаток: г.Минск, ул.Селицкого 21к В наличии
Склад Адрес Контакт Остатки
г. Минск ул. Селицкого, 21к +375 (44) 770-80-78 ( Много )
Схема проезда
г. Берёза ул. Красноармейская, 89/11 +375 (29) 676-70-71 ( Мало )
Схема проезда
г. Борисов ул. Демина, 2а +375 (44) 560-99-75 ( Мало )
Схема проезда
г. Глубокое ул. Энгельса, 22 +375 (44) 505-71-40 ( Мало )
Схема проезда
г. Горки ул.Мира, д.51а/1 +375 (44) 565-33-61 ( Мало )
Схема проезда
г. Дрогичин ул. Юбилейная, 42 +375 (29) 682-17-13 ( Мало )
Схема проезда
г. Лельчицы ул. Советская, д.96/1 +375 (29) 346-98-96 ( Средне )
Схема проезда
г. Лунинец ул.Красная, 175а +375 (44) 721-46-74 ( Мало )
Схема проезда
г. Новогрудок ул. Индустриальная, 3 +375 (44) 729-39-19 ( Мало )
Схема проезда
г. Ошмяны ул. Льнозоводская 3 +375 (44) 770-80-91 ( Мало )
Схема проезда
г. Полоцк-2 ул. Шенягина, 52 +375 (29) 302-94-73 ( Мало )
Схема проезда
г. Полоцк-2 ул. Шенягина, 52 +375 (29) 302-94-73 ( Мало )
Схема проезда
г. Поставы ул. Советская, 69 +375 (44) 770-80-13 ( Мало )
Схема проезда
г. Пружаны ул. Макаренко, 21 +375 (29) 348-83-18 ( Средне )
Схема проезда
г. Слоним ул. Советская, 93а +375 (29) 394-82-01 ( Мало )
Схема проезда
г. Столин ул. Быковского, 29 +375 (33) 304-54-36 ( Мало )
Схема проезда
Стяжка навески в сборе 50-4605115
Стяжка навески в сборе
Каталожный номер 50-4605115
Производитель КНР КНР
Код 11678
Доставка по всей Беларуси
Доступность остатки на филиалах Остатки на филиалах
Остаток: г.Минск, ул.Селицкого 21к В наличии
Склад Адрес Контакт Остатки
г. Минск ул. Селицкого, 21к +375 (44) 770-80-78 ( Много )
Схема проезда
г. Борисов ул. Демина, 2а +375 (44) 560-99-75 ( Мало )
Схема проезда
г. Витебск ул. Правды, 33 +375 (44) 770-80-87 ( Средне )
Схема проезда
г. Глубокое ул. Энгельса, 22 +375 (44) 505-71-40 ( Средне )
Схема проезда
г. Гомель ул. Барыкина, 291Б +375 (44) 514-15-30 ( Мало )
Схема проезда
г. Горки ул.Мира, д.51а/1 +375 (44) 565-33-61 ( Мало )
Схема проезда
г. Дрогичин ул. Юбилейная, 42 +375 (29) 682-17-13 ( Средне )
Схема проезда
г. Кричев ул. Комсомольская, 126 +375 (29) 628-88-42 ( Средне )
Схема проезда
г. Лепель ул. Лобанка, 43 +375 (44) 778-65-21 ( Мало )
Схема проезда
г. Лунинец ул.Красная, 175а +375 (44) 721-46-74 ( Средне )
Схема проезда
г. Молодечно ул. Галицкого, 14 +375 (44) 567-28-47 ( Мало )
Схема проезда
г. Новогрудок ул. Индустриальная, 3 +375 (44) 729-39-19 ( Средне )
Схема проезда
г. Осиповичи ул. Короткая, 11 +375 (29) 165-60-07 ( Мало )
Схема проезда
г. Ошмяны ул. Льнозоводская 3 +375 (44) 770-80-91 ( Средне )
Схема проезда
г. Петриков ул. Первомайская, 124 +375 (33) 660-06-75 ( Мало )
Схема проезда
г. Полоцк-2 ул. Шенягина, 52 +375 (29) 302-94-73 ( Средне )
Схема проезда
г. Полоцк-2 ул. Шенягина, 52 +375 (29) 302-94-73 ( Средне )
Схема проезда
г. Поставы ул. Советская, 69 +375 (44) 770-80-13 ( Средне )
Схема проезда
г. Пружаны ул. Макаренко, 21 +375 (29) 348-83-18 ( Средне )
Схема проезда
г. Слоним ул. Советская, 93а +375 (29) 394-82-01 ( Мало )
Схема проезда
г. Столин ул. Быковского, 29 +375 (33) 304-54-36 ( Мало )
Схема проезда
г. Щучин ул. Советская, 39 +375 (29) 177-29-70 ( Мало )
Схема проезда
Муфта разрывная МТЗ-3022 НО3022.50.000
Муфта разрывная МТЗ-3022
Каталожный номер НО3022.50.000
Производитель RSTA RSTA
Код 27387
Доставка по всей Беларуси
Доступность остатки на филиалах Остатки на филиалах
Остаток В наличии
Склад Адрес Контакт Остатки
г. Витебск ул. Правды, 33 +375 (44) 770-80-87 ( Средне )
Схема проезда
г. Гомель ул. Барыкина, 291Б +375 (44) 514-15-30 ( Мало )
Схема проезда
г. Горки ул.Мира, д.51а/1 +375 (44) 565-33-61 ( Мало )
Схема проезда
г. Дятлово ул. Советская ,104 +375 (29) 187-87-37 ( Средне )
Схема проезда
г. Лельчицы ул. Советская, д.96/1 +375 (29) 346-98-96 ( Мало )
Схема проезда
г. Лепель ул. Лобанка, 43 +375 (44) 778-65-21 ( Мало )
Схема проезда
г. Лунинец ул.Красная, 175а +375 (44) 721-46-74 ( Много )
Схема проезда
г. Орша ул. Сергея Кирова, д. 34 +375 (44) 583-91-42 ( Средне )
Схема проезда
г. Осиповичи ул. Короткая, 11 +375 (29) 165-60-07 ( Мало )
Схема проезда
г. Петриков ул. Первомайская, 124 +375 (33) 660-06-75 ( Много )
Схема проезда
г. Полоцк-2 ул. Шенягина, 52 +375 (29) 302-94-73 ( Средне )
Схема проезда
г. Слоним ул. Советская, 93а +375 (29) 394-82-01 ( Много )
Схема проезда
г. Щучин ул. Советская, 39 +375 (29) 177-29-70 ( Средне )
Схема проезда
Насос шестеренный (чугунный корпус) GP3BH32R-A204A
Насос шестеренный (чугунный корпус)
Каталожный номер GP3BH32R-A204A
Производитель Союзгидравлика Союзгидравлика
Код 48058
Доставка по всей Беларуси
Доступность остатки на филиалах Остатки на филиалах
Остаток: г.Минск, ул.Селицкого 21к В наличии
Склад Адрес Контакт Остатки
г. Минск ул. Селицкого, 21к +375 (44) 770-80-78 ( Много )
Схема проезда
г. Гродно ул. Карского, 35 +375 (44) 770-70-21 ( Мало )
Схема проезда
г. Дрогичин ул. Юбилейная, 42 +375 (29) 682-17-13 ( Мало )
Схема проезда
г. Жлобин ул. Козлова, 25 +375 (29) 346-06-78 ( Мало )
Схема проезда
г. Лельчицы ул. Советская, д.96/1 +375 (29) 346-98-96 ( Средне )
Схема проезда
г. Новогрудок ул. Индустриальная, 3 +375 (44) 729-39-19 ( Мало )
Схема проезда
г. Орша ул. Сергея Кирова, д. 34 +375 (44) 583-91-42 ( Мало )
Схема проезда
г. Осиповичи ул. Короткая, 11 +375 (29) 165-60-07 ( Мало )
Схема проезда
г. Поставы ул. Советская, 69 +375 (44) 770-80-13 ( Мало )
Схема проезда
г. Столин ул. Быковского, 29 +375 (33) 304-54-36 ( Средне )
Схема проезда