Республика Беларусь,
г. Минск, ул. Селицкого 21к - центральный склад
Пн-пт с 8:00 до 17:00
Меню
К-27-523-02 Турбокомпрессор
Наименование: Турбокомпрессор К-27-523-02
Каталожный номер: К-27-523-02
Производитель: РФ
Код товара: 00-ГР008169
Доставка: по всей Беларуси
Остаток: под заказ

Нашли не точность в описании товара? сообщить администратору.

+375 (44) 770-80-78 +375 (29) 747-80-78
* Выставить счет, получить техническую информацию и стоимость
Заказать деталь Онлайн
Описание
Наличие на филиалах
Применяемость
Заменить на СТО

Турборкомпрессор К-27-523-02 производства РФ (РФ), Код для заказа: 00-ГР008169

Марка Модель Кат.номер Наим. по каталогу Чертеж
ГАЗ ГАЗ-3302 (ГАЗель) 523.3747 Реле-прерыватель работы стеклоочистителя (523.3747010) Стеклоочиститель, реле-прерыватель работы стеклоочистителя, омыватель Чертеж Стеклоочиститель, реле-прерыватель работы стеклоочистителя, омыватель
ГАЗ ГАЗ-3302 (2004) (2004) 523.3747-10 Реле стеклоочистителя Стекло ветрового окна, стеклоочиститель, облицовка наружной панели передка нижняя Чертеж Стекло ветрового окна, стеклоочиститель, облицовка наружной панели передка нижняя
ГАЗ ГАЗ-3302 (2004) (2004) 523.3747-10 Реле стеклоочистителя Реле и элементы системы зажигания двигателей ЗМЗ-406 Чертеж Реле и элементы системы зажигания двигателей ЗМЗ-406
ГАЗ ГАЗ-3308 (2000) 523.3747-10 Реле стеклоочистителя Стеклоочиститель и привод, омыватель ветрового стекла
ГАЗ ГАЗель, Соболь (2003) (2003) 523.3747-10 Реле стеклоочистителя Установка реле автомобилей с двигателем: I-ЗМЗ-40522 и ЗМЗ-406 с электровентилятором, II-ЗМЗ-406, III-ГАЗ-560 и ЗМЗ-402
Ikarus 260.50 118.24-3311-163 /523 42/ Кольцо распорное Редуктор
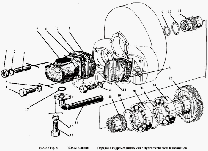
Амкодор Амкодор-333В (ТО-18Б3) У35.615-01.523 Прокладка Передача гидромеханическая Чертеж Передача гидромеханическая
Амкодор Амкодор-342А (ТО-28А) У35.615-01.523 Прокладка Передача гидромеханическая Чертеж Передача гидромеханическая
Амкодор Амкодор-327 (ТО-18Д) (2003) У35.615-01.523 Прокладка Передача гидромеханическая Чертеж Передача гидромеханическая
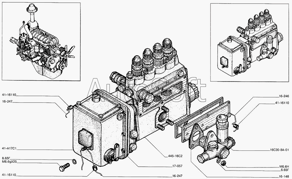
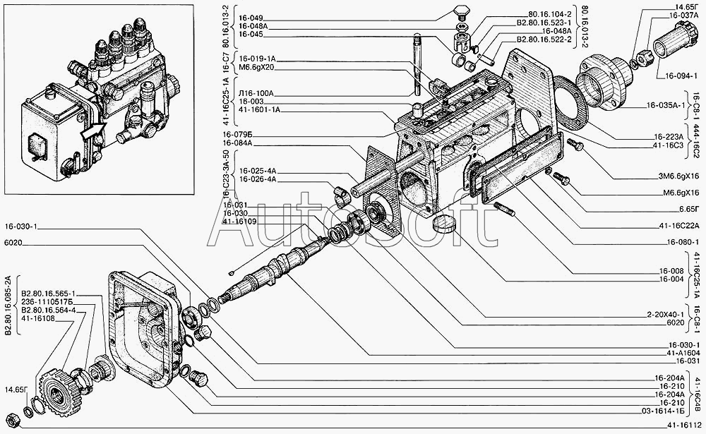
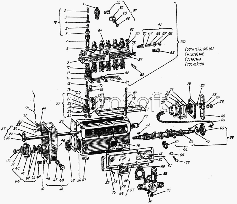
Алтайдизель А-41 (2001) В2.80.16.523-1 Фиксатор Насос топливный Чертеж Насос топливный
Алтайдизель А-41 (2001) В2.80.16.523-1 Фиксатор Насос топливный Чертеж Насос топливный
Алтайдизель Д-442 В2.80.16.523-1 Фиксатор Толкатель плунжера 80.16.013-2 Чертеж Толкатель плунжера 80.16.013-2
Алтайдизель А-01М, Д-461 (2002) В2.80.16.523-1 Фиксатор Насос топливный Чертеж Насос топливный
Алтайдизель А-01М, Д-461 (2002) В2.80.16.523-1 Фиксатор Насос топливный Чертеж Насос топливный
Алтайдизель А-01М, Д-461 (2002) В2.80.16.523-1 Фиксатор Насос топливный Чертеж Насос топливный
УЗТМ ЭКГ-4,6А 5БН.523.198 Катушка статора на напряжение 3000 в 6000/3000 в 6600/3300 в 6000/3000 в Высоковольтный асинхронный электродвигатель
УЗТМ ЭКГ-4,6Б 5БН.523.198 Катушка статора на напряжение 3000 в 6000/3000 в 6600/3300 в 6000/3000 в Высоковольтный асинхронный электродвигатель Чертеж Высоковольтный асинхронный электродвигатель
УЗТМ ЭКГ-4,6 5БН.523.198 Катушка статора на напряжение 3000 в 6000/3000 в 6600/3300 в 6000/3000 в Высоковольтный асинхронный электродвигатель
УЗТМ ЭКГ-4 5БН.523.198 Катушка статора на напряжение 3000 в 6000/3000 в 6600/3300 в 6000/3000 в Высоковольтный асинхронный электродвигатель
ПАЗ ПАЗ-672М (1987) РС-523 Реле отключен аккум батареи Схема электрооборудования Чертеж Схема электрооборудования
Товары из этой категории
Распылитель КАМАЗ Е-2 1379.1112110-01
Распылитель КАМАЗ Е-2
Каталожный номер 1379.1112110-01
Производитель АЗПИ АЗПИ
Код 24555
Доставка по всей Беларуси
Доступность остатки на филиалах Остатки на филиалах
Остаток: г.Минск, ул.Селицкого 21к В наличии
Склад Адрес Контакт Остатки
г. Минск ул. Селицкого, 21к +375 (44) 770-80-78 ( Много )
Схема проезда
Прокладка форсунки медная КАМАЗ 312471-П (9.3х14.8х0.7)
Прокладка форсунки медная КАМАЗ
Каталожный номер 312471-П (9.3х14.8х0.7)
Производитель RSTA RSTA
Код 12523
Доставка по всей Беларуси
Доступность остатки на филиалах Остатки на филиалах
Остаток: г.Минск, ул.Селицкого 21к В наличии
Склад Адрес Контакт Остатки
г. Минск ул. Селицкого, 21к +375 (44) 770-80-78 ( Много )
Схема проезда
г. Барановичи ул. Пролетарская, 40 +375 (29) 795-96-37 ( Много )
Схема проезда
г. Бобруйск ул. Орловского, 22к3 +375 (29) 345-37-07 ( Много )
Схема проезда
г. Борисов ул. Демина, 2а +375 (44) 560-99-75 ( Много )
Схема проезда
г. Брест Тельминский с/с, 1Д/1, 1 км южнее д. Тельмы-2 +375 (44) 599-90-75 ( Много )
Схема проезда
г. Витебск ул. Правды, 33 +375 (44) 770-80-87 ( Много )
Схема проезда
г. Житковичи ул. Комсомольская, 49 +375 (29) 394-82-52 ( Много )
Схема проезда
г. Ивацевичи ул. Загородная, 6А +375 (29) 188-59-01 ( Много )
Схема проезда
г. Кобрин ул. Пролетарская, 177А +375 (44) 588-10-80 ( Много )
Схема проезда
г. Лунинец ул.Красная, 175а +375 (44) 721-46-74 ( Много )
Схема проезда
г. Осиповичи ул. Короткая, 11 +375 (29) 165-60-07 ( Много )
Схема проезда
г. Ошмяны ул. Льнозоводская 3 +375 (44) 770-80-91 ( Много )
Схема проезда
г. Петриков ул. Первомайская, 124 +375 (33) 660-06-75 ( Средне )
Схема проезда
г. Пинск ул. Калиновского 32 +375 (44) 560-99-59 ( Средне )
Схема проезда
г. Полоцк-2 ул. Шенягина, 52 +375 (29) 302-94-73 ( Много )
Схема проезда
г. Полоцк-2 ул. Шенягина, 52 +375 (29) 302-94-73 ( Много )
Схема проезда
г. Слоним ул. Советская, 93а +375 (29) 394-82-01 ( Много )
Схема проезда
г. Слуцк ул. Тутаринова, 8 +375 (29) 346-06-90 ( Средне )
Схема проезда
г. Сморгонь ул. Железнодорожная, 32 +375 (29) 671-02-10 ( Много )
Схема проезда
г. Солигорск Чижевичский сельсовет, 3Г +375 (29) 899-58-52 ( Много )
Схема проезда
Прокладка 4992913 выпускного коллектора ЕГР Cummins 4992913
Прокладка 4992913 выпускного коллектора ЕГР Cummins
Каталожный номер 4992913
Производитель Cummins Cummins
Код 00-ГР031905
Доставка по всей Беларуси
Доступность остатки на филиалах Остатки на филиалах
Остаток Под заказ
Прокладка 612630040007 (WP-12) крышки головки цилиндра Weichai 612630040007
Прокладка 612630040007 (WP-12) крышки головки цилиндра Weichai
Каталожный номер 612630040007
Производитель WEICHAI WEICHAI
Код 00-ГР011391
Доставка по всей Беларуси
Доступность остатки на филиалах Остатки на филиалах
Остаток: г.Минск, ул.Селицкого 21к В наличии
Склад Адрес Контакт Остатки
г. Минск ул. Селицкого, 21к +375 (44) 770-80-78 ( Много )
Схема проезда
г. Бобруйск ул. Орловского, 22к3 +375 (29) 345-37-07 ( Много )
Схема проезда
г. Борисов ул. Демина, 2а +375 (44) 560-99-75 ( Много )
Схема проезда
г. Брест Тельминский с/с, 1Д/1, 1 км южнее д. Тельмы-2 +375 (44) 599-90-75 ( Много )
Схема проезда
г. Гомель ул. Барыкина, 291Б +375 (44) 514-15-30 ( Много )
Схема проезда
г. Кричев ул. Комсомольская, 126 +375 (29) 628-88-42 ( Много )
Схема проезда
г. Мозырь промузел Козенки +375 (44) 731-94-60 ( Много )
Схема проезда
г. Полоцк-2 ул. Шенягина, 52 +375 (29) 302-94-73 ( Много )
Схема проезда
г. Слуцк ул. Тутаринова, 8 +375 (29) 346-06-90 ( Много )
Схема проезда
Фильтр очистки топлива дизелей и их сменный элемент, RSTA PL-420
Фильтр очистки топлива дизелей и их сменный элемент, RSTA
Каталожный номер PL-420
Производитель RCZP LTD RCZP LTD
Код 29058
Доставка по всей Беларуси
Доступность остатки на филиалах Остатки на филиалах
Остаток В наличии
Склад Адрес Контакт Остатки
г. Гродно ул. Карского, 35 +375 (44) 770-70-21 ( Мало )
Схема проезда